BERNSTEIN
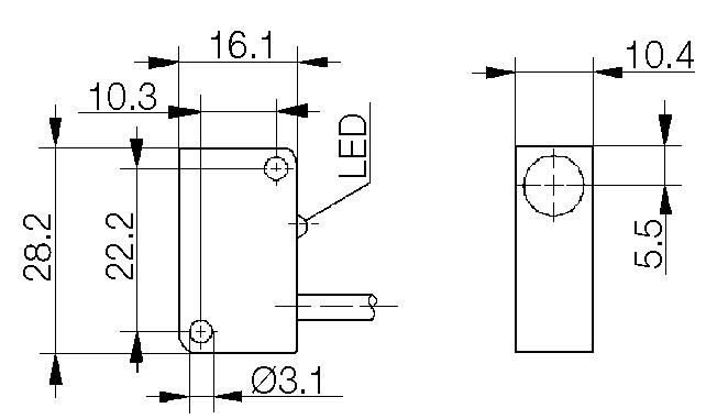
Bernsteinin rasiamallinen induktiivinen kytkin koossa 28x16x11. Tässä induktiivisessa anturissa on tunnistus kapeammalla sivulla. Saatavana kiinteällä kaapelilla tai M8-liittimellä.
Tunnistusetäisyys 2mm.
Tiedot |
|
|---|---|
| Tunnistusetäisyys | 2 mm |
| Asennus | Upotettavia |
| Koko | 28x16x11 |
| Ulostulo | PNP NO |
| Liitäntätyyppi | Kiinteä kaapeli 2 m |
| Max. jännite DC | 30 V |
| Min. jännite DC | 10 V |
| Max. kuorma | 200 mA |
*Invisible Heading* |
|
|---|---|
| IP-luokka | IP67 |
| Max. käyttölämpötila | 70 °C |
| Min. käyttölämpötila | -25 °C |
| LED | Kyllä |
| Rungon materiaali | Muovi |
| Kennotyyppi | Induktiivinen |
Bernsteinin rasiamallinen induktiivinen kytkin koossa 28x16x11. Tässä induktiivisessa anturissa on tunnistus kapeammalla sivulla. Saatavana kiinteällä kaapelilla tai M8-liittimellä.
Tunnistusetäisyys 2mm.
TopWorx GO Switch tarjoaa huoltovapaan toimintavarmuuden, yksinkertaisen toimintaperiaatteen ja pettämättömän varmuuden olosuhteissa, joissa tavalliset rajakytkimet eivät enää riitä.
Sähkö–Electricity 26 on uusi kansainvälinen sähköalan ammattitapahtuma, joka kattaa koko toimialan. Tule käymään ja katso mitä osastoltamme 7g120 löytyy!
Henkelin ratkaisut tarjoavat kattavan valikoiman materiaaleja ja teknologioita lääkinnällisiin laitteiisiin.
Marechal Electric on teollisten sähkökytkentöjen edelläkävijä, joka valmistaa mm. teollisuuspistokkeita ja pistorasioita, joiden virrankesto kattaa erittäin laajan alueen 5 A:sta aina 1250 A:n saakka.
Lasista ja silikonista valmistettuja näppäimistöjä korkeimpien laatuvaatimusten mukaisesti.
Valikoimastamme löytyy korkealla suojausluokituksella varustettuja tuulettimia, jotka on suunniteltu kestämään roiskeita ja muita haastavia käyttöolosuhteita.
|
|
|
|
|
|
||
|---|---|---|---|---|---|---|
|
|
|
|
|
|
||
|
|
|
|
|
|
||
|
|
|
|
|
|
||
|
|
|
|
|
|
||
|
|
|
|
|
|
||
|
|
|
|
|
|
| Suosikit | Tilausnumero: | Tunnistusetäisyys | Asennus | Koko | Ulostulo | Liitäntätyyppi | Hinta | |
|---|---|---|---|---|---|---|---|---|
|
Induktiivinen kytkin, 28x16x11, PNP, NO, kaapeli
Tuotenumero:
650.2973.001
Kopioitu!
|
2 mm
|
Upotettavia
|
28x16x11
|
PNP NO
|
Kiinteä kaapeli 2 m
|
|
||
|
Induktiivinen kytkin, 28x16x11, NPN, NO, kaapeli
Tuotenumero:
650.2373.001
Kopioitu!
|
2 mm
|
Upotettavia
|
28x16x11
|
NPN NO
|
|
|
||
|
Induktiivinen kytkin, 28x16x11, PNP, NO, liitin
Tuotenumero:
650.2973.002
Kopioitu!
|
2 mm
|
Upotettavia
|
28x16x11
|
PNP NO
|
M8-liitin, 3-napainen
|
|
||
|
Induktiivinen kytkin, 28x16x11, PNP, NC, liitin
Tuotenumero:
650.2773.001
Kopioitu!
|
2 mm
|
Upotettavia
|
28x16x11
|
PNP NC
|
|
|
Valitse tuote listalta.