DATASENSING

Induktiivinen kytkin M12

Datalogicin induktiivisen kytkimen tunnistavana osana toimii oskillaattoripiiri, jonka elektrodit muodostavat kytkimen pään eteen magneettikentän. Kun tähän kenttään tulee metallinen esine, indusoituu siihen osa magneettikentästä lisäten näin oskillaattorin kuormaa. Tämä laukaisee ulostulopiirin ja kytkin tunnistaa. 

Lue lisää
  • Tunnistusetäisyys 4-8 mm
  • LED-indikointi
  • Kaapeli tai M12-liitäntä
  • Lyhyt kotelo

Valitse tuote

Valitse tuote

Valitse tuote

Tekniset tiedot

Tiedot

Tunnistusetäisyys 4 mm
Asennus Upotettavia
Koko M12
Ulostulo PNP
Liitäntätyyppi Kiinteä kaapeli 2 m
Käyttöjännite 10-30 V DC
Reaktioaika 75 ms
Max. ulostulovirta 0,2 A
IP-luokka IP67

*Invisible Heading*

Max. käyttölämpötila 70 °C
Min. käyttölämpötila -25 °C
LED-indikointi Kyllä
Rungon materiaali Niklattu messinki
Paino 110 g
Kaapelin pituus 2000 mm
12694_Output function NO
Kennotyyppi Induktiivinen

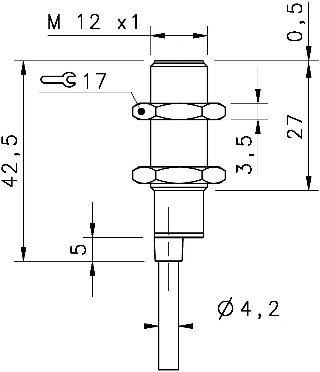
Mitat ja kytkennät

Tuotekuvaus

Datalogicin induktiivisen kytkimen tunnistavana osana toimii oskillaattoripiiri, jonka elektrodit muodostavat kytkimen pään eteen magneettikentän. Kun tähän kenttään tulee metallinen esine, indusoituu siihen osa magneettikentästä lisäten näin oskillaattorin kuormaa. Tämä laukaisee ulostulopiirin ja kytkin tunnistaa. 

Tilaustiedot

Saatavana myös 24-230 V AC mallit M12-liittimellä tai 2 metrin kaapelilla.

Tarvikkeet

Saatat olla kiinnostunut näistä



Äänitiedostot

Lisää luettavaa

Suosikit Tilausnumero: Tunnistusetäisyys Asennus Koko Ulostulo Liitäntätyyppi Hinta
4 mm
Upotettavia
M12
PNP
Kiinteä kaapeli 2 m
4 mm
Upotettavia
M12
PNP
M12-liitin, 4-napainen
4 mm
Upotettavia
M12
PNP
Kiinteä kaapeli 2 m
4 mm
Upotettavia
M12
PNP
M12-liitin, 4-napainen
8 mm
Ei upotettavia
M12
PNP
Kiinteä kaapeli 2 m
8 mm
Ei upotettavia
M12
PNP
M12-liitin, 4-napainen
8 mm
Ei upotettavia
M12
PNP
Kiinteä kaapeli 2 m
8 mm
Ei upotettavia
M12
PNP
M12-liitin, 4-napainen

Valittu tuote

Valitse tuote listalta.

Teknisiä neuvoja

Markus Vuoristo

Tuotepäällikkö

Asiakaspalvelu
Asiakaspalvelumme vastaa kysymyksiin ja etsii ratkaisut ongelmiin. Heille voit jättää myös tilauksesi.
FAQ
+ Miten tullaan asiakkaaksenne?
+ Olen sopinut puskurivarastosta, voinko tilata verkkokaupan kautta?
+ Voiko samalla tilillä olla useita käyttäjiä?
+ Voiko samassa tilauksessa olla useampia toimituspäiviä?
+ Voiko tilauksen toimittaa väliaikaiseen toimitusosoitteeseen?
Chatti
Tarvitsetko apua?
Logo

Evästeet oem.fi sivustolla

Evästeiden avulla voimme palvella sinua paremmin ja varmistamme sivuston sujuvan toiminnan. Voit hallinnoida evästeasetuksia koska tahansa.

Toiminnalliset evästeet

Nämä evästeet ovat välttämättömiä verkkosivuston toimimiseksi, eikä niitä voi poistaa käytöstä järjestelmissämme. Niitä käytetään yleensä vain vastauksena toimiin, jotka olet tehnyt palvelupyynnön yhteydessä, esimerkiksi henkilökohtaisten asetusten määrittämisen, kirjautumisen tai lomakkeen täyttämisen yhteydessä.

Tilastolliset evästeet

Tilastollisten evästeiden avulla seuraamme verkkosivustomme kävijöiden toimintaa ja teemme analyyseja, joiden avulla voimme optimoida verkkosivustoamme. Tämä tarkoittaa, että voimme kehittää sivustoamme toimivammaksi ja palvelemaan kävijöitä paremmin. Jos et hyväksy näitä evästeitä, emme tiedä, milloin olet käynyt sivustollamme. Voit kuitenkin käyttää sivustoamme normaalisti.

Markkinointievästeet

Markkinointievästeiden avulla voimme kohdentaa sinulle mainoksia eri verkkosivustoilla tai sisältöä sosiaalisessa mediassa. Näitä evästeitä asettavat kolmannen osapuolen mainonta- ja kohdistustyökalut. Evästeiden kautta nämä toimijat voivat muodostaa profiilin kiinnostuksesi kohteista. Jos et hyväksy näitä evästeitä, et näe kohdennettua markkinointia etkä mahdollisesti voi käyttää sosiaalisen median jakotyökaluja.