DIS SENSORS

QG65-kallistusanturi, 1- tai 2-akselia, korkealla tarkkuudella

Huippumallia yhdellä tai kahdella akselilla.

QG-sarjan kulma-antureilla voidaan mitata kallistusta yhdeltä tai kahdelta akselilta.
  • Yksi tai kaksi akselia
  • ±30° ,±90° tai 360°, myös muita kulmia saatavana
  • Ulostulo CANopen, CANopen SIL2/PLd, 0,5-4,5 V tai 4-20 mA
  • IP67

Valitse tuote

Valitse tuote

Valitse tuote

Tekniset tiedot

Tiedot

Tunnistusetäisyys ±30°
Akselien määrä 2 kpl
Ulostulo CANopen
Liitäntä M12
Max. jännite DC 30 V
Min. jännite DC 10 V
Kotelon materiaali Muovi
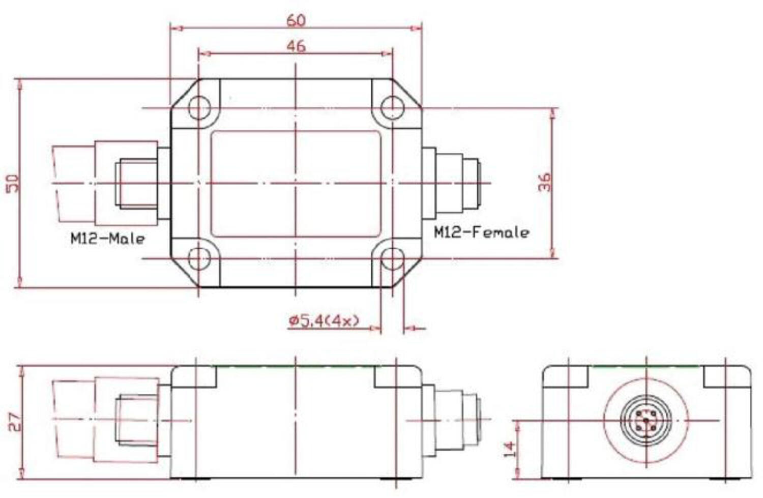
Leveys 60 mm
Pituus 50 mm

*Invisible Heading*

Korkeus 27 mm
Tarkkuus 0,04 °
Resoluutio 0,01 °
Lämpötilan vaikutus 0,005 °/K
Min. käyttölämpötila -40 °C
Max. käyttölämpötila 85 °C
Hyväksynnät CE

Mitat ja kytkennät

Tekniset kuvat

Tuotekuvaus

QG-sarjan kulma-antureilla voidaan mitata kulmaa yhdellä tai kahdella akselilla. Anturi hyödyntää MEMS-teknologiaa, joka perustuu kahden pinnan välimatkan muutokseen. Kahden pinnan välinen kapasitanssi, siis varauksen varastointikyky, riippuu niiden etäisyydestä ja päällekkäisen alueen pinta-alasta. Tämä tieto muutetaan analogiseen muotoon mikropiirissä. Tekniikka mahdollistaa anturin pienen koon ja toiminnan myös todella vaativissa olosuhteissa.


Kallistusantureita käytetään kohteissa missä vaaditaan tarkkaa paikoitusta tai jatkuvaa kulman mittausta verrattuna maanvetovoiman suuntaan. Kiihtyvyysantureita käytetään kohteissa missä halutaan mitata nopeita liikkeitä ja kiihtyvyyksiä. Käyttökohteita ovat mm. nosto- ja siirtolaitteet, maanviljelys- ja metsäkoneet, lastauslaitteet, tasojen valvonta, liikennevälineet, tuulimyllyt ja tärinän mittaus esim. ennakoivassa kunnossapidossa.

Kotelointivaihtoehtoina ovat muovi-, alumiini- tai ruostumatonteräskotelo.

   

Anturin toiminta-asento

 QG65-KD-030H-CAN-CFM-6.jpg

 

 

Tarvikkeet

Saatat olla kiinnostunut näistä



Äänitiedostot

Lisää luettavaa

Suosikit Tilausnumero: Tunnistusetäisyys Akselien määrä Ulostulo Liitäntä Max. jännite DC Min. jännite DC Kotelon materiaali Leveys Pituus Korkeus Tarkkuus Resoluutio Lämpötilan vaikutus Min. käyttölämpötila Max. käyttölämpötila Hyväksynnät Hinta
±30°
2 kpl
CANopen
M12
30 V
10 V
Muovi
60 mm
50 mm
27 mm
0,04 °
0,01 °
0,005 °/K
-40 °C
85 °C
CE
±90°
2 kpl
CANopen
M12
30 V
10 V
Muovi
60 mm
50 mm
27 mm
0,06 °
0,01 °
0,005 °/K
-40 °C
85 °C
CE
±360°
1 kpl
CANopen
M12
30 V
10 V
Muovi
60 mm
50 mm
27 mm
0,06 °
0,01 °
0,005 °/K
-40 °C
85 °C
CE
±30°
2 kpl
CANopen
M12
30 V
10 V
Muovi
60 mm
50 mm
27 mm
0,04 °
0,01 °
0,005 °/K
-40 °C
85 °C
CE
±90°
2 kpl
CANopen
M12
30 V
10 V
Muovi
60 mm
50 mm
27 mm
0,06 °
0,01 °
0,005 °/K
-40 °C
85 °C
CE

Valittu tuote

Valitse tuote listalta.

Teknisiä neuvoja

Riku Eerola

Tuotepäällikkö

Asiakaspalvelu
Asiakaspalvelumme vastaa kysymyksiin ja etsii ratkaisut ongelmiin. Heille voit jättää myös tilauksesi.
FAQ
+ Miten tullaan asiakkaaksenne?
+ Olen sopinut puskurivarastosta, voinko tilata verkkokaupan kautta?
+ Voiko samalla tilillä olla useita käyttäjiä?
+ Voiko samassa tilauksessa olla useampia toimituspäiviä?
+ Voiko tilauksen toimittaa väliaikaiseen toimitusosoitteeseen?
Chatti
Tarvitsetko apua?
Logo

Evästeet oem.fi sivustolla

Evästeiden avulla voimme palvella sinua paremmin ja varmistamme sivuston sujuvan toiminnan. Voit hallinnoida evästeasetuksia koska tahansa.

Toiminnalliset evästeet

Nämä evästeet ovat välttämättömiä verkkosivuston toimimiseksi, eikä niitä voi poistaa käytöstä järjestelmissämme. Niitä käytetään yleensä vain vastauksena toimiin, jotka olet tehnyt palvelupyynnön yhteydessä, esimerkiksi henkilökohtaisten asetusten määrittämisen, kirjautumisen tai lomakkeen täyttämisen yhteydessä.

Tilastolliset evästeet

Tilastollisten evästeiden avulla seuraamme verkkosivustomme kävijöiden toimintaa ja teemme analyyseja, joiden avulla voimme optimoida verkkosivustoamme. Tämä tarkoittaa, että voimme kehittää sivustoamme toimivammaksi ja palvelemaan kävijöitä paremmin. Jos et hyväksy näitä evästeitä, emme tiedä, milloin olet käynyt sivustollamme. Voit kuitenkin käyttää sivustoamme normaalisti.

Markkinointievästeet

Markkinointievästeiden avulla voimme kohdentaa sinulle mainoksia eri verkkosivustoilla tai sisältöä sosiaalisessa mediassa. Näitä evästeitä asettavat kolmannen osapuolen mainonta- ja kohdistustyökalut. Evästeiden kautta nämä toimijat voivat muodostaa profiilin kiinnostuksesi kohteista. Jos et hyväksy näitä evästeitä, et näe kohdennettua markkinointia etkä mahdollisesti voi käyttää sosiaalisen median jakotyökaluja.