IXTHUS

KTC lineaaripotentiometri, akselitoiminen

Akselitoiminen teollisuuskäyttöön

Lineaariliikkeen mittaukseen.
  • Vankka rakenne teollisuuskäyttöön, pitkä käyttöikä
  • Liikematka 50-1250 mm, resistanssi ulostulo
  • IP60 tai IP65
  • Käyttölämpötila -30...+100 °C

Valitse tuote

Lineaarianturit

Lineaaripotentiometri

Tuotenumero:

Valitse tuote

Tekniset tiedot

Tiedot

Työnopeus 10 m/s
IP-luokka IP65, IP60
Min. isku 50 mm
Max. isku 1250 mm
Max. syöttöjännite 60 V
Min. tehonkulutus 3 W
Max. tehonkulutus 10 W
Virta, johdin ≤1 mA
Virta, resistori ≤10 mA
Lineaarisuus ±0,07 % (50-375 mm), ±0,05 % (400-3 000 mm)

*Invisible Heading*

Toistotarkkuus ±0,01 mm
Käyttövoima ≤2 N (KTC), ≤10 N (KTC-P)
Resoluutio
Tärinänkesto IEC 68-2-6:1982 10 G
Iskunkestävyys IEC 68-21968 40 g
Min. käyttölämpötila -30 °C
Max. käyttölämpötila 100 °C
Min. varastointilämpötila -50 °C
Max. varastointilämpötila 120 °C

Tiedostot

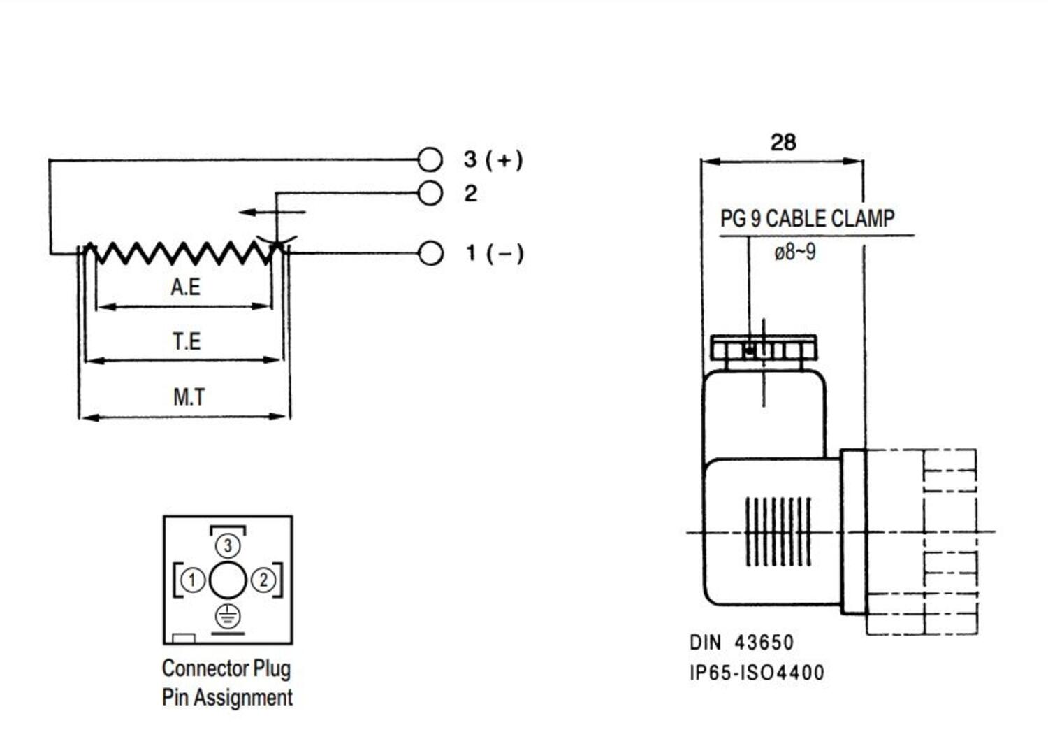
Mitat ja kytkennät

Tekniset kuvat

Tuotekuvaus

Ixthussin lineaarianturit antavat absoluuttisen paikkatiedon, eli paikka tiedetään myös jännitekatkoksen jälkeen, vaikka asentoa olisi muutettu.

KTC-sarjan liikematka on 50-1250 mm ja ulostulo resistanssi 0-20 kohm riippuen tyypistä.

KTC-sarjassa on ruostumaton teräsakseli, tukeva laakerointi ja liuku, joka mahdollistaa todella pitkän käyttöiän.

 

Tarvikkeet

Saatat olla kiinnostunut näistä



Äänitiedostot

Lisää luettavaa

Teknisiä neuvoja

Riku Eerola

Tuotepäällikkö

Asiakaspalvelu
Asiakaspalvelumme vastaa kysymyksiin ja etsii ratkaisut ongelmiin. Heille voit jättää myös tilauksesi.
FAQ
+ Miten tullaan asiakkaaksenne?
+ Olen sopinut puskurivarastosta, voinko tilata verkkokaupan kautta?
+ Voiko samalla tilillä olla useita käyttäjiä?
+ Voiko samassa tilauksessa olla useampia toimituspäiviä?
+ Voiko tilauksen toimittaa väliaikaiseen toimitusosoitteeseen?
Chatti
Tarvitsetko apua?
Logo

Evästeet oem.fi sivustolla

Evästeiden avulla voimme palvella sinua paremmin ja varmistamme sivuston sujuvan toiminnan. Voit hallinnoida evästeasetuksia koska tahansa.

Toiminnalliset evästeet

Nämä evästeet ovat välttämättömiä verkkosivuston toimimiseksi, eikä niitä voi poistaa käytöstä järjestelmissämme. Niitä käytetään yleensä vain vastauksena toimiin, jotka olet tehnyt palvelupyynnön yhteydessä, esimerkiksi henkilökohtaisten asetusten määrittämisen, kirjautumisen tai lomakkeen täyttämisen yhteydessä.

Tilastolliset evästeet

Tilastollisten evästeiden avulla seuraamme verkkosivustomme kävijöiden toimintaa ja teemme analyyseja, joiden avulla voimme optimoida verkkosivustoamme. Tämä tarkoittaa, että voimme kehittää sivustoamme toimivammaksi ja palvelemaan kävijöitä paremmin. Jos et hyväksy näitä evästeitä, emme tiedä, milloin olet käynyt sivustollamme. Voit kuitenkin käyttää sivustoamme normaalisti.

Markkinointievästeet

Markkinointievästeiden avulla voimme kohdentaa sinulle mainoksia eri verkkosivustoilla tai sisältöä sosiaalisessa mediassa. Näitä evästeitä asettavat kolmannen osapuolen mainonta- ja kohdistustyökalut. Evästeiden kautta nämä toimijat voivat muodostaa profiilin kiinnostuksesi kohteista. Jos et hyväksy näitä evästeitä, et näe kohdennettua markkinointia etkä mahdollisesti voi käyttää sosiaalisen median jakotyökaluja.