MECHAN
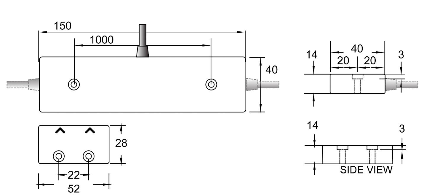
Mechan HED elektroniset Hall.turvakytkimet soveltuvat mm. porttien ja suojaluukkujen valvontaan. Toiminta on kosketukseton ja koostuu Hall-turvakytkimestä ja kahdesta koodatusta vastakappaleesta. Kun turvakytkimen ja molempien koodattujen vastakappaleiden tunnistuspinnat ovat kohdakkain, NO-turvakoskettimet kiinni ja NC-signaalikosketin auki. NC- ja NO-koskettimet ovat puolijohde ulostuloja. HED turvakytkimen toiminta perustuu Hall-tekniikkaan. HED elektroniset Hall-turvakytkimet ovat magneettisesti koodattuja.
Yhdessä soveltuvan kytkennän ja turvareleen kuten Duelco NST-2008:n kanssa, järjestelmä on turvaluokan 4 mukainen. Kosketuksettoman toimintansa ja IP67 koteloinnin ansiosta ei mekaanista kulumista/rikkoutumista, sekä elektroninen turvakytkin soveltuu erinomaisesti likaisiin ja/tai usein pestäviin ympäristöihin.
Edut
Puolijohde tekniikka sietää hyvin tärinää. 
Saman aikainen koskettimien aktivointi takaa varman turvarajatoiminnan.
Koodattu vastamagneetti
Kaksi ovea/luukkua, yksi turvakytkin.
LED indikointi

| 
 | GS1 | Power | RUN | GS2 | 
| Power off | OFF | OFF | OFF | OFF | 
| Power on, portit auki | OFF | punainen | OFF | OFF | 
| Power on, portti 1 tai 2 kiinni | keltainen | punainen | OFF | OFF | 
| Power on, portit 1 ja 2 kiinni | keltainen | punainen | vihreä | keltainen | 
| Asennus | 4 x M4 turvatorx | 
|---|---|
| B10d | 2,0 milj. | 
| IP-luokka | IP67, IP69K | 
| Kotelon materiaali | ABS-muovi | 
| Liitäntä | 6 m kaapeli | 
| Max. kytkentävirta | 400 mA | 
| Max. käyttölämpötila | 55 °C | 
| Min. käyttölämpötila | -25 °C | 
|---|---|
| Signaalikosketin NC | 1 | 
| Tunnistusetäisyys OFF | 14 mm | 
| Tunnistusetäisyys ON | 7 mm | 
| Turvakosketin NO | 2 | 
Mechan HED elektroniset Hall.turvakytkimet soveltuvat mm. porttien ja suojaluukkujen valvontaan. Toiminta on kosketukseton ja koostuu Hall-turvakytkimestä ja kahdesta koodatusta vastakappaleesta. Kun turvakytkimen ja molempien koodattujen vastakappaleiden tunnistuspinnat ovat kohdakkain, NO-turvakoskettimet kiinni ja NC-signaalikosketin auki. NC- ja NO-koskettimet ovat puolijohde ulostuloja. HED turvakytkimen toiminta perustuu Hall-tekniikkaan. HED elektroniset Hall-turvakytkimet ovat magneettisesti koodattuja.
Yhdessä soveltuvan kytkennän ja turvareleen kuten Duelco NST-2008:n kanssa, järjestelmä on turvaluokan 4 mukainen. Kosketuksettoman toimintansa ja IP67 koteloinnin ansiosta ei mekaanista kulumista/rikkoutumista, sekä elektroninen turvakytkin soveltuu erinomaisesti likaisiin ja/tai usein pestäviin ympäristöihin.
Edut
Puolijohde tekniikka sietää hyvin tärinää. 
Saman aikainen koskettimien aktivointi takaa varman turvarajatoiminnan.
Koodattu vastamagneetti
Kaksi ovea/luukkua, yksi turvakytkin.
LED indikointi

| 
 | GS1 | Power | RUN | GS2 | 
| Power off | OFF | OFF | OFF | OFF | 
| Power on, portit auki | OFF | punainen | OFF | OFF | 
| Power on, portti 1 tai 2 kiinni | keltainen | punainen | OFF | OFF | 
| Power on, portit 1 ja 2 kiinni | keltainen | punainen | vihreä | keltainen | 
 
              
                  Olemme laajentaneet tuotevalikoimaamme ja aloittaneet yhteistyön NTF Aalborg A/S:n kanssa.  Lue lisää!
                
 
              Turun Eläinsuojeluyhdistys auttaa Turun sekä lähialueiden kodittomia lemmikkejä sekä luonnonvaraisia eläimiä.
 
              Teollisuusympäristöissä tapahtuvat räjähdykset voivat aiheuttaa vakavia vahinkoja sekä ihmisille että omaisuudelle. ATEX varmistaa, että sekä laitteet että työprosessit on suunniteltu minimoimaan nämä riskit ja luomaan turvallinen työympäristö.
 
              Yli 70 vuoden kokemuksellaan Akapp-Stemmann (Wabtec Netherlands) on yksi maailman tunnetuimmista virtakiskostojen valmistajista.
 
              OEM:n järjestää ensiapukoulutuksen kolmen vuoden välein ryhmälle työntekijöitä eri puolita organisaatiota.
 
              Tunnustus myönnettiin ansiokkaasta ja pitkäjänteisestä yhteistyöstä ammattiopisto Spesian kanssa.
|  |  |  |  |  | ||
|---|---|---|---|---|---|---|
|  |  |  |  |  | ||
|  |  |  |  |  | ||
|  |  |  |  |  | ||
|  |  |  |  |  | ||
|  |  |  |  |  | ||
|  |  |  |  |  | 
| Suosikit | Tilausnumero: | Liitäntä | Signaalikosketin NC | Turvakosketin NO | Hinta | |
|---|---|---|---|---|---|---|
|   
      
        Turvarajakytkin, elektroninen, 2 NO+1 NC, 6 m kaapeli, C
      
      
       
        Tuotenumero:
         
          
            HED-21-DC-06M-C
          
          Kopioitu!
         | 
            6 m kaapeli 
            
            
           | 
            1 
            
            
           | 
            2 
            
            
           |  | ||
|   
      
        Turvarajakytkin, elektroninen, 2 NO+1 NC, M12-liitin, C
      
      
       
        Tuotenumero:
         
          
            HED-21-DC-LQD-C
          
          Kopioitu!
         | 
            3 m kaapeli 
            
            
           | 
            1 
            
            
           | 
            2 
            
            
           |  | ||
|   
      
        Turvarajakytkin, elektroninen, 2 NO+1 NC, 6 m kaapeli, L
      
      
       
        Tuotenumero:
         
          
            HED-21-DC-06M-L
          
          Kopioitu!
         | 
            6 m kaapeli 
            
            
           | 
            1 
            
            
           | 
            2 
            
            
           |  | ||
|   
      
        Kosketukseton turvarajakytkin, 2 NO+1 NC, 10 m kaapeli, L
      
      
       
        Tuotenumero:
         
          
            HED-21-DC-10M-L
          
          Kopioitu!
         | 
            10 m kaapeli 
            
            
           | 
            1 
            
            
           | 
            2 
            
            
           |  | ||
|   
      
        Turvarajakytkin, elektroninen, 2 NO+1 NC, M12-liitin, L
      
      
       
        Tuotenumero:
         
          
            HED-21-DC-LQD-L
          
          Kopioitu!
         | 
            3 m kaapeli 
            
            
           | 
            1 
            
            
           | 
            2 
            
            
           |  | ||
|   
      
        Turvarajakytkin, elektroninen, 2 NO+1 NC, 6 m kaapeli, R
      
      
       
        Tuotenumero:
         
          
            HED-21-DC-06M-R
          
          Kopioitu!
         | 
            6 m kaapeli 
            
            
           | 
            1 
            
            
           | 
            2 
            
            
           |  | ||
|   
      
        Turvarajakytkin, elektroninen, 2 NO+1 NC, M12-liitin, R
      
      
       
        Tuotenumero:
         
          
            HED-21-DC-LQD-R
          
          Kopioitu!
         | 
            3 m kaapeli 
            
            
           | 
            1 
            
            
           | 
            2 
            
            
           |  | ||
|   
      
        HED vastakappale
      
      
       
        Tuotenumero:
         
          
            HED-ACT
          
          Kopioitu!
         |  |  |  |  | 
Valitse tuote listalta.
 
            
        Tony Tarr