BERNSTEIN
T-adapteri ja kytkentärasia on yhdistetty yhdeksi yksiköksi!
Smart T-adapteriin voi kytkeä minkä tahansa mekaanisen rajakytkimen (2 NC) tai perinteisen hätäseispainikkeen (2 NC).
Älykäs T-adapteri on huomattavasti pienempi kuin liitäntärasia, joten se on helppo asentaa kytkinkaappiin ja ohjauskoteloon.
Integroitujen LED-valojen ansiosta mekaaniisen rajakytkimen tai HS-painikkeen tilatieto on helposti nähtävillä ja myös vianmääritys on nopeaa.
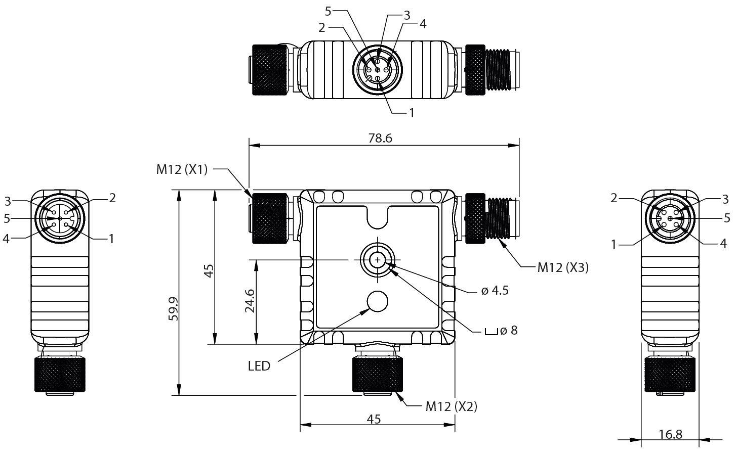
T-adapteri ja kytkentärasia on yhdistetty yhdeksi yksiköksi!
Smart T-adapteriin voi kytkeä minkä tahansa mekaanisen rajakytkimen (2 NC) tai perinteisen hätäseispainikkeen (2 NC).
Älykäs T-adapteri on huomattavasti pienempi kuin liitäntärasia, joten se on helppo asentaa kytkinkaappiin ja ohjauskoteloon.
Integroitujen LED-valojen ansiosta mekaaniisen rajakytkimen tai HS-painikkeen tilatieto on helposti nähtävillä ja myös vianmääritys on nopeaa.
 
              
                  Olemme laajentaneet tuotevalikoimaamme ja aloittaneet yhteistyön NTF Aalborg A/S:n kanssa.  Lue lisää!
                
 
              Turun Eläinsuojeluyhdistys auttaa Turun sekä lähialueiden kodittomia lemmikkejä sekä luonnonvaraisia eläimiä.
 
              Teollisuusympäristöissä tapahtuvat räjähdykset voivat aiheuttaa vakavia vahinkoja sekä ihmisille että omaisuudelle. ATEX varmistaa, että sekä laitteet että työprosessit on suunniteltu minimoimaan nämä riskit ja luomaan turvallinen työympäristö.
 
              Yli 70 vuoden kokemuksellaan Akapp-Stemmann (Wabtec Netherlands) on yksi maailman tunnetuimmista virtakiskostojen valmistajista.
 
              OEM:n järjestää ensiapukoulutuksen kolmen vuoden välein ryhmälle työntekijöitä eri puolita organisaatiota.
 
              Tunnustus myönnettiin ansiokkaasta ja pitkäjänteisestä yhteistyöstä ammattiopisto Spesian kanssa.
 
            
        Joni Henninen