DATASENSING

Etikettianturi SR23

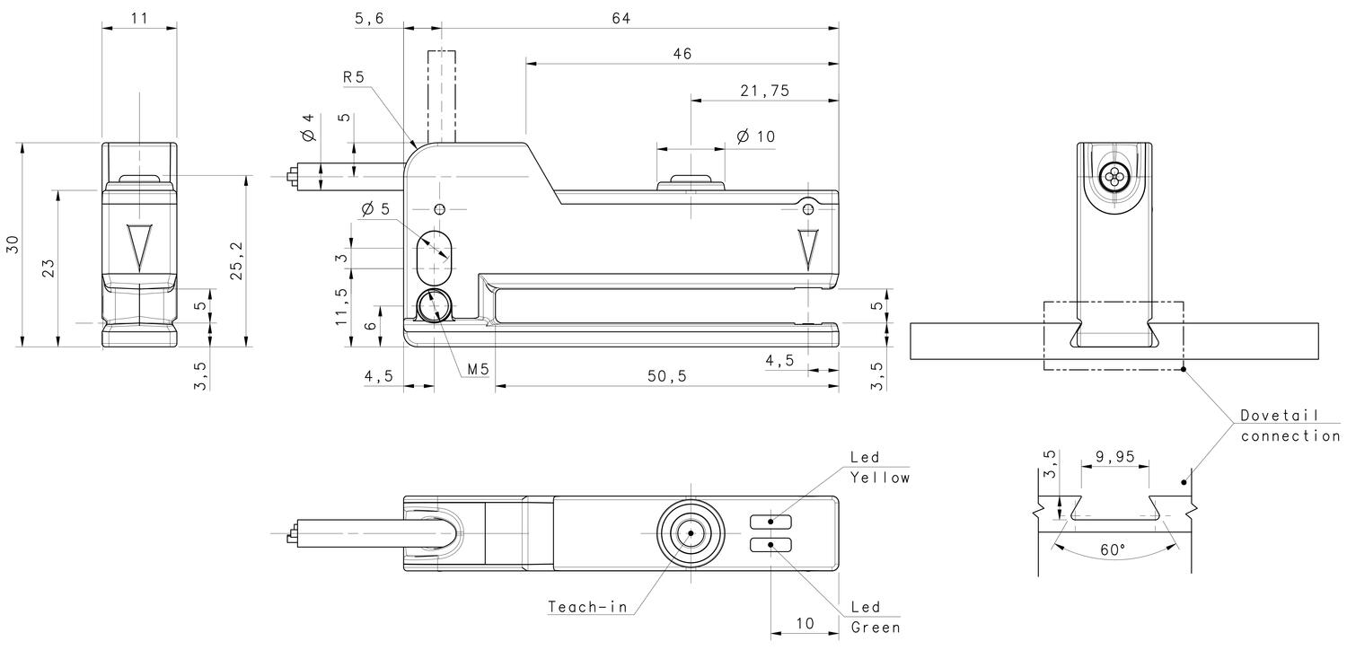
Datalogicin etikettianturille SR23, käyttökohteita löytyy mm. elintarvike- ja lääketeollisuudesta.

Kitakoko on 50x5 mm, mikä mahdollistaa myös paksujen etikettien luvun. Pienin luettava etiketin leveys on 0,5 mm ja etikettien välin on oltava vähintään 0,5 mm.

Pieni ja vankka teräskotelo IP65 kotelointiluokalla, helppo ohjelmointi yhdellä painikkeella, ulostulona PNP tai NPN, 2 m kaapeli tai M8-liitin ja 12 kHz:n kytkentätaajuus varmistavat soveltuvuuden paikkaan kuin paikkaan.

 

Lue lisää
  • Kitakoko 50x5 mm
  • Helppo opetus yhdellä painikkeella
  • Kytkentätaajuus 12 kHz

Valitse tuote

Valitse tuote

Valitse tuote

Tekniset tiedot

Tiedot

Anturin toimintaperiaate Etikettianturi
Käyttöjännite 10-30 V DC
Ulostulo PNP
Liitäntätyyppi Kiinteä kaapeli 2 m
Paino 85 g
Valon tyyppi IR LED
IP-luokka IP65
Mitat (mm) 30 x 63 x 10
Reaktioaika 0,04 ms
Taajuus 12000 Hz
LED-indikointi Kyllä

*Invisible Heading*

Linssin materiaali PC
Rungon materiaali Alumiini, PBT
Max. ulostulovirta 0,1 A
Max. virrankulutus 0,03 A
Max. käyttölämpötila 55 °C
Min. käyttölämpötila -20 °C
Kitakorkeus 5 mm
Kitasyvyys 50 mm
Hyväksynnät CE, UL
Usean koodin lukeminen Kyllä

Tuotekuvaus

Datalogicin etikettianturille SR23, käyttökohteita löytyy mm. elintarvike- ja lääketeollisuudesta.

Kitakoko on 50x5 mm, mikä mahdollistaa myös paksujen etikettien luvun. Pienin luettava etiketin leveys on 0,5 mm ja etikettien välin on oltava vähintään 0,5 mm.

Pieni ja vankka teräskotelo IP65 kotelointiluokalla, helppo ohjelmointi yhdellä painikkeella, ulostulona PNP tai NPN, 2 m kaapeli tai M8-liitin ja 12 kHz:n kytkentätaajuus varmistavat soveltuvuuden paikkaan kuin paikkaan.

 

Tarvikkeet

Saatat olla kiinnostunut näistä



Äänitiedostot

Lisää luettavaa

OndoSense tutka-anturit
Yleistä

OEM yhteistyössä saksalaisen tutka-anturien valmistajan kanssa

OndoSense on vuonna 2018 perustettu saksalainen teknologiayritys, joka kehittää ja valmistaa tutka-antureita teollisuuden tarpeisiin.

igus kaapelin vaippamateriaali
Tuki

Kaapelien vaippamateriaalit

Suojauksen lisäksi kaapeli on päällystetty ulkovaipalla, jonka tehtävänä on suojata kaapelin sisäosia. Eri vaippamateriaalit suojaavat esimerkiksi mekaaniselta rasitukselta, lämpötilavaihteluilta ja kemiallisilta aineilta.

igus readychain on nopea ja luotettava energiansiirtoratkaisu teollisuuteen
Tuoteuutiset

igus readychain – Nopea ja luotettava energiansiirtoratkaisu teollisuuteen

Teollisuuden automaatio ja koneenrakennus vaativat nopeutta, luotettavuutta ja kustannustehokkuutta. igus readychain on heti käyttövalmis energiansiirtojärjestelmä näihin tarpeisiin.

Uudet F-kaasuvaatimukset jäähdytyslaitteille
Tuki

F-kaasuasetus (EU) 2024/573 – Uudet vaatimukset jäähdytyslaitteille

Uusi F-kaasuasetus (EU) 2024/573 muuttaa jäähdytys- ja ilmastointijärjestelmien edellytyksiä teollisissa sovelluksissa. Tiukennetut vaatimukset fluoratuille kasvihuonekaasuille tarkoittavat, että monet nykyiset ratkaisut poistetaan asteittain käytöstä – samalla kun väärän teknologian valinta voi tulla kalliiksi tulevaisuudessa.

Conta-Clip kaapeliläpiviennit elintarviketeollisuuteen
Tuoteuutiset

CONTA-CLIP - FDA-yhteensopivat kaapeliläpivientiratkaisut elintarviketeollisuuteen

CONTA-CLIP tarjoaa elintarviketeollisuuden vaatimuksiin suunniteltuja kaapeliläpivientiratkaisuja, jotka on valmistettu FDA-yhteensopivista materiaaleista.

Makersan mekatroniikka-tuotteet ajoneuvoihin
Yleistä

Makersan: älykkäitä ratkaisuja ajoneuvoteollisuuteen

Olemme aloittaneet yhteistyön turkkilaisen Makersanin kanssa! Makersanin tuotevalikoima koostuu mekatroniikan komponenteista, jotka voidaan integroida osaksi ajoneuvojen järjestelmiä.

Suosikit Tilausnumero: Anturin toimintaperiaate Käyttöjännite Ulostulo Liitäntätyyppi Paino Valon tyyppi Reaktioaika Max. virrankulutus Hinta
Etikettianturi
10-30 V DC
PNP
Kiinteä kaapeli 2 m
85 g
IR LED
0,04 ms
0,03 A
Etikettianturi
10-30 V DC
NPN
Kiinteä kaapeli 2 m
85 g
IR LED
0,04 ms
0,03 A
Etikettianturi
10-30 V DC
PNP
M8-liitin, 4-napainen
46 g
IR LED
0,04 ms
0,03 A
Etikettianturi
10-30 V DC
NPN
M8-liitin, 4-napainen
46 g
IR LED
0,04 ms
0,03 A

Valittu tuote

Valitse tuote listalta.

Teknisiä neuvoja

Markus Vuoristo

Tuotepäällikkö

Asiakaspalvelu
Asiakaspalvelumme vastaa kysymyksiin ja etsii ratkaisut ongelmiin. Heille voit jättää myös tilauksesi.
FAQ
+ Miten tullaan asiakkaaksenne?
+ Olen sopinut puskurivarastosta, voinko tilata verkkokaupan kautta?
+ Voiko samalla tilillä olla useita käyttäjiä?
+ Voiko samassa tilauksessa olla useampia toimituspäiviä?
+ Voiko tilauksen toimittaa väliaikaiseen toimitusosoitteeseen?
Chatti
Tarvitsetko apua?
Logo

Evästeet oem.fi sivustolla

Evästeiden avulla voimme palvella sinua paremmin ja varmistamme sivuston sujuvan toiminnan. Voit hallinnoida evästeasetuksia koska tahansa.

Toiminnalliset evästeet

Nämä evästeet ovat välttämättömiä verkkosivuston toimimiseksi, eikä niitä voi poistaa käytöstä järjestelmissämme. Niitä käytetään yleensä vain vastauksena toimiin, jotka olet tehnyt palvelupyynnön yhteydessä, esimerkiksi henkilökohtaisten asetusten määrittämisen, kirjautumisen tai lomakkeen täyttämisen yhteydessä.

Tilastolliset evästeet

Tilastollisten evästeiden avulla seuraamme verkkosivustomme kävijöiden toimintaa ja teemme analyyseja, joiden avulla voimme optimoida verkkosivustoamme. Tämä tarkoittaa, että voimme kehittää sivustoamme toimivammaksi ja palvelemaan kävijöitä paremmin. Jos et hyväksy näitä evästeitä, emme tiedä, milloin olet käynyt sivustollamme. Voit kuitenkin käyttää sivustoamme normaalisti.

Markkinointievästeet

Markkinointievästeiden avulla voimme kohdentaa sinulle mainoksia eri verkkosivustoilla tai sisältöä sosiaalisessa mediassa. Näitä evästeitä asettavat kolmannen osapuolen mainonta- ja kohdistustyökalut. Evästeiden kautta nämä toimijat voivat muodostaa profiilin kiinnostuksesi kohteista. Jos et hyväksy näitä evästeitä, et näe kohdennettua markkinointia etkä mahdollisesti voi käyttää sosiaalisen median jakotyökaluja.