TAKEX

F70A kuituvalokenno, digitaalinäytöllä

Takexin F70A on kuituvalokennojen suorituskykyisin sarja. Se tarjoaa pitkät tunnistusetäisyydet ja eniten ohjelmointivaihtoehtoja. Kennossa on selkeä valaistu LCD -näyttö, joka muiden asetusten lisäksi näyttää heijastuvan valon määrän. Tämä 1023-askelinen näyttö on erittäin käyttökelpoinen esim. kun kohde heijastaa heikosti valoa, näytöltä voidaan lukea onko asetus mahdollista. Lisäksi kenno sisältää ns. keskinäisen häirinnän eston, kaksi kuitua voidaan asentaa niin etteivät niiden valot häiritse toisiaan.

  

Toiminnot

 

Ohjelmointi, paikallaan olevat kohteet

 

1.

Kytkin asentoon Set .

2.

“T” vilkkuu näytössä, valmis ohjelmointiin.

3.

Ilman kohdetta, paina punaista Set -painiketta.
LED vilkkuu.

4.

Aseta kohde kuidun eteen ja paina punaista Set -painiketta uudelleen.
LED lopettaa vilkkumisen.

5.

Kytkin asentoon RUN . Asetus on valmis.

 

Ohjelmointi, liikkuvat kohteet

1.

Kytkin asentoon Set .

2.

“T” vilkkuu näytössä, valmis ohjelmointiin.

 

 

3.

Paina punaista Set -painiketta vähintään kolmen sekunnin ajan ja pidä nappi pohjassa.

 

 

4.

LEDit alkavat vilkkua eri tahdilla.

5.

Kun vilkunta hidastuu vie kohde kuidun editse.

6.

Vapauta punainen Set -painike ja siirrä kytkin asentoon RUN .

 

Asetus on valmis.

 

Lue lisää
  • Kuituvahvistin, opetettava
  • Pitkät tunnistusetäisyydet
  • Keskinäisen häirinnän esto (2 kennoa)
  • Leveys vain 9 mm

Valitse tuote

Valitse tuote

Valitse tuote

Tekniset tiedot

Tiedot

Anturin toimintaperiaate Kuituvahvistin
Ulostulo PNP
Liitäntätyyppi Kiinteä kaapeli 2 m
Toiminta Dark on / Light on
Toimintasuunta Kyllä
Valon tyyppi Punainen LED
IP-luokka IP40
Reaktioaika 1,6 ms

*Invisible Heading*

Max. jännite DC 24 V
Min. jännite DC 12 V
Max. ulostulovirta 0,1 A
Max. virrankulutus 0,05 A
Max. käyttölämpötila 55 °C
Min. käyttölämpötila -25 °C
Hyväksynnät CE

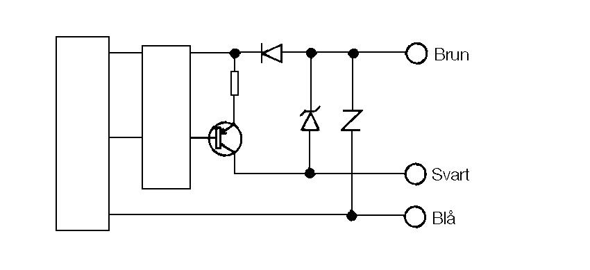
Mitat ja kytkennät

Tuotekuvaus

Takexin F70A on kuituvalokennojen suorituskykyisin sarja. Se tarjoaa pitkät tunnistusetäisyydet ja eniten ohjelmointivaihtoehtoja. Kennossa on selkeä valaistu LCD -näyttö, joka muiden asetusten lisäksi näyttää heijastuvan valon määrän. Tämä 1023-askelinen näyttö on erittäin käyttökelpoinen esim. kun kohde heijastaa heikosti valoa, näytöltä voidaan lukea onko asetus mahdollista. Lisäksi kenno sisältää ns. keskinäisen häirinnän eston, kaksi kuitua voidaan asentaa niin etteivät niiden valot häiritse toisiaan.

  

Toiminnot

 

Ohjelmointi, paikallaan olevat kohteet

 

1.

Kytkin asentoon Set .

2.

“T” vilkkuu näytössä, valmis ohjelmointiin.

3.

Ilman kohdetta, paina punaista Set -painiketta.
LED vilkkuu.

4.

Aseta kohde kuidun eteen ja paina punaista Set -painiketta uudelleen.
LED lopettaa vilkkumisen.

5.

Kytkin asentoon RUN . Asetus on valmis.

 

Ohjelmointi, liikkuvat kohteet

1.

Kytkin asentoon Set .

2.

“T” vilkkuu näytössä, valmis ohjelmointiin.

 

 

3.

Paina punaista Set -painiketta vähintään kolmen sekunnin ajan ja pidä nappi pohjassa.

 

 

4.

LEDit alkavat vilkkua eri tahdilla.

5.

Kun vilkunta hidastuu vie kohde kuidun editse.

6.

Vapauta punainen Set -painike ja siirrä kytkin asentoon RUN .

 

Asetus on valmis.

 

Tarvikkeet



Äänitiedostot

Lisää luettavaa

Suosikit Tilausnumero: Anturin toimintaperiaate Ulostulo Liitäntätyyppi Valon tyyppi Reaktioaika Max. virrankulutus Hinta
Kuituvahvistin
PNP
Kiinteä kaapeli 2 m
Punainen LED
1,6 ms
0,05 A
Kuituvahvistin
PNP
M8-liitin, 4-napainen
Punainen LED
1,6 ms
0,05 A
Kuituvahvistin
PNP
Kiinteä kaapeli 2 m
Sininen LED
1,6 ms
0,05 A
Kuituvahvistin
PNP
M8-liitin, 4-napainen
Sininen LED
1,6 ms
0,05 A
Kuituvahvistin
PNP
Kiinteä kaapeli 2 m
Vihreä LED
1,6 ms
0,05 A
Kuituvahvistin
PNP
M8-liitin, 4-napainen
Vihreä LED
1,6 ms
0,05 A
Kuituvahvistin
PNP
Kiinteä kaapeli 2 m
Valkoinen LED
1,6 ms
0,05 A
Kuituvahvistin
PNP
M8-liitin, 4-napainen
Valkoinen LED
1,6 ms
0,05 A

Valittu tuote

Valitse tuote listalta.

Teknisiä neuvoja

Markus Vuoristo

Tuotepäällikkö

Asiakaspalvelu
Asiakaspalvelumme vastaa kysymyksiin ja etsii ratkaisut ongelmiin. Heille voit jättää myös tilauksesi.
FAQ
+ Miten tullaan asiakkaaksenne?
+ Olen sopinut puskurivarastosta, voinko tilata verkkokaupan kautta?
+ Voiko samalla tilillä olla useita käyttäjiä?
+ Voiko samassa tilauksessa olla useampia toimituspäiviä?
+ Voiko tilauksen toimittaa väliaikaiseen toimitusosoitteeseen?
Chatti
Tarvitsetko apua?
Logo

Evästeet oem.fi sivustolla

Evästeiden avulla voimme palvella sinua paremmin ja varmistamme sivuston sujuvan toiminnan. Voit hallinnoida evästeasetuksia koska tahansa.

Toiminnalliset evästeet

Nämä evästeet ovat välttämättömiä verkkosivuston toimimiseksi, eikä niitä voi poistaa käytöstä järjestelmissämme. Niitä käytetään yleensä vain vastauksena toimiin, jotka olet tehnyt palvelupyynnön yhteydessä, esimerkiksi henkilökohtaisten asetusten määrittämisen, kirjautumisen tai lomakkeen täyttämisen yhteydessä.

Tilastolliset evästeet

Tilastollisten evästeiden avulla seuraamme verkkosivustomme kävijöiden toimintaa ja teemme analyyseja, joiden avulla voimme optimoida verkkosivustoamme. Tämä tarkoittaa, että voimme kehittää sivustoamme toimivammaksi ja palvelemaan kävijöitä paremmin. Jos et hyväksy näitä evästeitä, emme tiedä, milloin olet käynyt sivustollamme. Voit kuitenkin käyttää sivustoamme normaalisti.

Markkinointievästeet

Markkinointievästeiden avulla voimme kohdentaa sinulle mainoksia eri verkkosivustoilla tai sisältöä sosiaalisessa mediassa. Näitä evästeitä asettavat kolmannen osapuolen mainonta- ja kohdistustyökalut. Evästeiden kautta nämä toimijat voivat muodostaa profiilin kiinnostuksesi kohteista. Jos et hyväksy näitä evästeitä, et näe kohdennettua markkinointia etkä mahdollisesti voi käyttää sosiaalisen median jakotyökaluja.