TAKEX

F80 kuituvalokenno, suurella digitaalisella näytöllä

Takexin F80 kuituvahvistimessa on yhdistetty helppo ja yksinkertainen ohjelmointi sekä selkeä ja iso näyttö. Nelinumeroinen näyttö kertoo heijastuvan valon määrän, jolloin nähdään kuinka varma tunnistus on. Kenno on mahdollista kytkeä ns. eco toimintatilaan, jolloin virrankulutus on ainoastaan 25 mA. Lisäksi käyttötarkoituksen mukaan on mahdollista valita käytetäänkö pitkät etäisyydet tai korkea nopeus toimintatilaa, jolloin saavutetaan parhaillaan 190 μs vasteaika.

 

 

Ohjelmointi

Ohjelmoinnin jälkeen näytössä näkyy ohjelmoinnin tulos.

Good

Ohjelmointi onnistunut

High

Max. herkkyys asetettu

Hard

Pieni hystereesi, asetus on karkea

Satu

Ohjelmointi on epävakaa.
Mikäli vahvistin on Long Distance mode-tilassa valitse High Speed mode tai ohuempi kuitu.

 

Paikallaanolevan kohteen ohjelmointi

1.

Ilman kohdetta, paina vihreää näppäinta 3 s ajan kunnes näytöllä lukee SET
ja vihreä LED vilkkuu. Vapauta näppäin.


2.

Vie kohde tunnistusalueelle. Paina vihreää näppäintä kunnes SET syttyy.
Vapauta näppäin.

3.

Ohjelmointi on valmis.

 

 

Liikkuvan kohteen ohjelmointi

1.

Ilman kohdetta, paina vihreää näppäinta 3 s ajan kunnes näytöllä lukee SET
ja vihreä LED vilkkuu. Vapauta näppäin.


2.

Paina vihreää näppäintä vielä 3 sekuntia. Päästä näppäin kun näytössä lukee
Auto ja uloimmat LEDit vilkkuvat.


3.

Anna kohteen liikkua tunnistusalueen ohi.

4.

Paina lopuksi vihreää näppäintä.

 

 

Vaihto Long-distance mode ja High-speed mode tilan välillä.

1.

Paina vihreää näppäintä 5 s ajan. Päästä näppäin kun Long tai H-SP näkyy.



2.

Vaihto on valmis.

 

Lue lisää
  • Kuituvahvistin, pitkät etäisyydet/nopea reaktioaika
  • Opetettava
  • Pieni virrankulutus

Valitse tuote

Photo;
F80

Kuituvahvistin, punainen led, PNP, kaapeli

Tuotenumero:

Valitse tuote

Tekniset tiedot

Tiedot

Anturin toimintaperiaate Kuituvahvistin
Ulostulo PNP
Liitäntätyyppi Kiinteä kaapeli 2 m
Toiminta Dark on / Light on
Toimintasuunta Kyllä
Valon tyyppi Punainen LED
IP-luokka IP40
Reaktioaika 0,19 ms

*Invisible Heading*

Max. jännite DC 24 V
Min. jännite DC 12 V
Max. ulostulovirta 0,1 A
Max. virrankulutus 0,032 A
Max. käyttölämpötila 55 °C
Min. käyttölämpötila -25 °C
Hyväksynnät CE

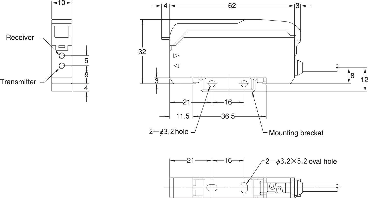
Mitat ja kytkennät

Tuotekuvaus

Takexin F80 kuituvahvistimessa on yhdistetty helppo ja yksinkertainen ohjelmointi sekä selkeä ja iso näyttö. Nelinumeroinen näyttö kertoo heijastuvan valon määrän, jolloin nähdään kuinka varma tunnistus on. Kenno on mahdollista kytkeä ns. eco toimintatilaan, jolloin virrankulutus on ainoastaan 25 mA. Lisäksi käyttötarkoituksen mukaan on mahdollista valita käytetäänkö pitkät etäisyydet tai korkea nopeus toimintatilaa, jolloin saavutetaan parhaillaan 190 μs vasteaika.

 

 

Ohjelmointi

Ohjelmoinnin jälkeen näytössä näkyy ohjelmoinnin tulos.

Good

Ohjelmointi onnistunut

High

Max. herkkyys asetettu

Hard

Pieni hystereesi, asetus on karkea

Satu

Ohjelmointi on epävakaa.
Mikäli vahvistin on Long Distance mode-tilassa valitse High Speed mode tai ohuempi kuitu.

 

Paikallaanolevan kohteen ohjelmointi

1.

Ilman kohdetta, paina vihreää näppäinta 3 s ajan kunnes näytöllä lukee SET
ja vihreä LED vilkkuu. Vapauta näppäin.


2.

Vie kohde tunnistusalueelle. Paina vihreää näppäintä kunnes SET syttyy.
Vapauta näppäin.

3.

Ohjelmointi on valmis.

 

 

Liikkuvan kohteen ohjelmointi

1.

Ilman kohdetta, paina vihreää näppäinta 3 s ajan kunnes näytöllä lukee SET
ja vihreä LED vilkkuu. Vapauta näppäin.


2.

Paina vihreää näppäintä vielä 3 sekuntia. Päästä näppäin kun näytössä lukee
Auto ja uloimmat LEDit vilkkuvat.


3.

Anna kohteen liikkua tunnistusalueen ohi.

4.

Paina lopuksi vihreää näppäintä.

 

 

Vaihto Long-distance mode ja High-speed mode tilan välillä.

1.

Paina vihreää näppäintä 5 s ajan. Päästä näppäin kun Long tai H-SP näkyy.



2.

Vaihto on valmis.

 

Tarvikkeet



Äänitiedostot

Lisää luettavaa

Teknisiä neuvoja

Markus Vuoristo

Tuotepäällikkö

Asiakaspalvelu
Asiakaspalvelumme vastaa kysymyksiin ja etsii ratkaisut ongelmiin. Heille voit jättää myös tilauksesi.
FAQ
+ Miten tullaan asiakkaaksenne?
+ Olen sopinut puskurivarastosta, voinko tilata verkkokaupan kautta?
+ Voiko samalla tilillä olla useita käyttäjiä?
+ Voiko samassa tilauksessa olla useampia toimituspäiviä?
+ Voiko tilauksen toimittaa väliaikaiseen toimitusosoitteeseen?
Chatti
Tarvitsetko apua?
Logo

Evästeet oem.fi sivustolla

Evästeiden avulla voimme palvella sinua paremmin ja varmistamme sivuston sujuvan toiminnan. Voit hallinnoida evästeasetuksia koska tahansa.

Toiminnalliset evästeet

Nämä evästeet ovat välttämättömiä verkkosivuston toimimiseksi, eikä niitä voi poistaa käytöstä järjestelmissämme. Niitä käytetään yleensä vain vastauksena toimiin, jotka olet tehnyt palvelupyynnön yhteydessä, esimerkiksi henkilökohtaisten asetusten määrittämisen, kirjautumisen tai lomakkeen täyttämisen yhteydessä.

Tilastolliset evästeet

Tilastollisten evästeiden avulla seuraamme verkkosivustomme kävijöiden toimintaa ja teemme analyyseja, joiden avulla voimme optimoida verkkosivustoamme. Tämä tarkoittaa, että voimme kehittää sivustoamme toimivammaksi ja palvelemaan kävijöitä paremmin. Jos et hyväksy näitä evästeitä, emme tiedä, milloin olet käynyt sivustollamme. Voit kuitenkin käyttää sivustoamme normaalisti.

Markkinointievästeet

Markkinointievästeiden avulla voimme kohdentaa sinulle mainoksia eri verkkosivustoilla tai sisältöä sosiaalisessa mediassa. Näitä evästeitä asettavat kolmannen osapuolen mainonta- ja kohdistustyökalut. Evästeiden kautta nämä toimijat voivat muodostaa profiilin kiinnostuksesi kohteista. Jos et hyväksy näitä evästeitä, et näe kohdennettua markkinointia etkä mahdollisesti voi käyttää sosiaalisen median jakotyökaluja.