HOKUYO

UXM tunnistava laserskanneri

UXM-sarjan lidareissa on pitkät tunnistusetäisyydet aina 80 m asti. Lidareissa on parempi tarkkuus ja resoluutio. UXM-sarjan LiDAR lähettää lasersädettä 190° alueelle ja laskee koordinaatit tunnistettavasta kohteesta ja sen askelkulmasta ja tunnistaa näin kohteet. Etäisyystiedot saadaan käyttämällä SCIP-viestintäprotokollaa lidarilta. UXM-sarjan lidaria on myös saatavana sisäisellä lämmityksellä, jolloin lidaria voidaan käyttää luotettavasti ulkona. Lämmitys menee automaatisesti päälle kun lämpötila lidarin sisällä on alle 0°. 

 

 

Lue lisää
  • Tunnistusetäisyydet 30m/80m
  • Kolme ulostuloa eri alueita varten
  • Skannauskulma 190°
  • Liitäntä USB / Ethernet

Valitse tuote

Valitse tuote

Valitse tuote

Tekniset tiedot

Syöttö

Min. syöttöjännite DC 10 V DC
Max. syöttöjännite DC 30 V DC
Virrankulutus 1,25 A

Skannaus

Min. tunnistusetäisyys 0,1 m
Max. tunnistusetäisyys 80 m
Skannausnopeus 50 ms
Tunnistuskulma 190 °
Resoluutio 0,125°
Tarkkuus Musta kohde 10% heijastavuus: 0,1-15 m ±30 mm, 15-30 m ±50 mm
Pienin tunnistettava kohde Ø 33 mm (5 m), Ø 65 mm (10 m), Ø 200 mm (30 m)
Optiikka Laser (905 nm ) Laser luokka 1
Valon tyyppi Laser (905 nm) Laser luokka 1
Laserluokka Class 1

Sisääntulot ja ulostulot

Lähtö 6xulostulo:1-3 alueet (NPN), Synkronointi master ulostulo, synkronointi ulostulo, vikaantumis ulostulo
Tulo 5xsisääntulo: 1-4 alueen vaihto, synkronointi
Yhteys Ethernet 100BASE-TX

Kotelo

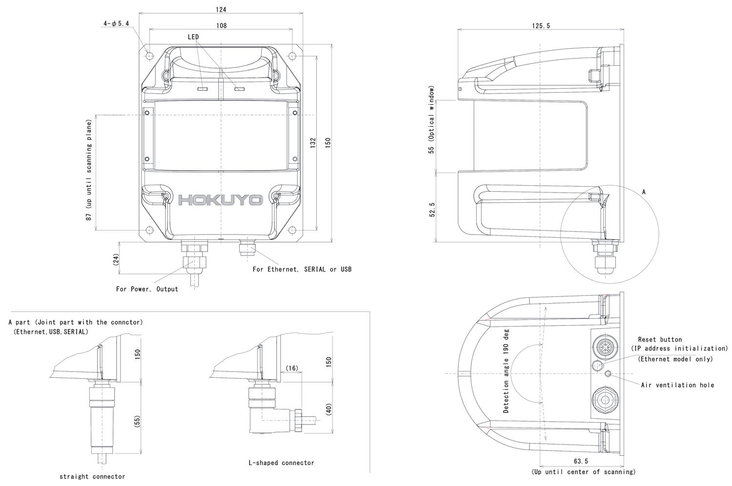
Leveys 126 mm
Pituus 124 mm
Korkeus 150 mm
Min. käyttölämpötila -30 °C
Max. käyttölämpötila 50 °C
IP-luokka IP67
Paino 1,2 kg
Rungon materiaali Alumiini, Polykarbonaatti

Tuotekuvaus

UXM-sarjan lidareissa on pitkät tunnistusetäisyydet aina 80 m asti. Lidareissa on parempi tarkkuus ja resoluutio. UXM-sarjan LiDAR lähettää lasersädettä 190° alueelle ja laskee koordinaatit tunnistettavasta kohteesta ja sen askelkulmasta ja tunnistaa näin kohteet. Etäisyystiedot saadaan käyttämällä SCIP-viestintäprotokollaa lidarilta. UXM-sarjan lidaria on myös saatavana sisäisellä lämmityksellä, jolloin lidaria voidaan käyttää luotettavasti ulkona. Lämmitys menee automaatisesti päälle kun lämpötila lidarin sisällä on alle 0°. 

 

 

Tarvikkeet



Äänitiedostot

Lisää luettavaa

Suosikit Tilausnumero: Min. syöttöjännite DC Max. syöttöjännite DC Virrankulutus Min. tunnistusetäisyys Max. tunnistusetäisyys Skannausnopeus Tunnistuskulma Resoluutio Tarkkuus Pienin tunnistettava kohde Optiikka Valon tyyppi Laserluokka Lähtö Tulo Yhteys Leveys Pituus Korkeus Min. käyttölämpötila Max. käyttölämpötila IP-luokka Paino Rungon materiaali Hinta
10 V DC
30 V DC
1,25 A
0,1 m
80 m
50 ms
190 °
0,125°
Musta kohde 10% heijastavuus: 0,1-15 m ±30 mm, 15-30 m ±50 mm
Ø 33 mm (5 m), Ø 65 mm (10 m), Ø 200 mm (30 m)
Laser (905 nm ) Laser luokka 1
Laser (905 nm) Laser luokka 1
Class 1
6xulostulo:1-3 alueet (NPN), Synkronointi master ulostulo, synkronointi ulostulo, vikaantumis ulostulo
5xsisääntulo: 1-4 alueen vaihto, synkronointi
Ethernet 100BASE-TX
126 mm
124 mm
150 mm
-30 °C
50 °C
IP67
1,2 kg
Alumiini, Polykarbonaatti
10 V DC
30 V DC
1,25 A
0,1 m
80 m
50 ms
190 °
0,125°
Musta kohde 10% heijastavuus: 0,1-15 m ±30 mm, 15-30 m ±50 mm
Ø 33 mm (5 m), Ø 65 mm (10 m), Ø 200 mm (30 m)
Laser (905 nm ) Laser luokka 1
Laser (905 nm) Laser luokka 1
Class 1
6xulostulo:1-3 alueet (NPN), Synkronointi master ulostulo, synkronointi ulostulo, vikaantumis ulostulo
5xsisääntulo: 1-4 alueen vaihto, synkronointi
Ethernet 100BASE-TX
126 mm
124 mm
150 mm
-30 °C
50 °C
IP67
1,2 kg
Alumiini, Polykarbonaatti
10 V DC
30 V DC
0,6 A
0,1 m
30 m
50 ms
190 °
0,25°
Musta kohde 10% heijastavuus: 10-30m ±100 mm
Ø 65 mm (5 m), Ø 130mm (10 m), Ø 400 mm (30 m)
Laser (905 nm ) Laser luokka 1
Laser (905 nm) Laser luokka 1
Class 1
4xulostulo:1-3 alueet (NPN), error ulostulo
4xsisääntulo: 1-4 alueen vaihto
USB
126 mm
124 mm
150 mm
-10 °C
50 °C
IP67
0,8 kg
Alumiini, Polykarbonaatti

Valittu tuote

Valitse tuote listalta.

Teknisiä neuvoja

Markus Vuoristo

Tuotepäällikkö

Asiakaspalvelu
Asiakaspalvelumme vastaa kysymyksiin ja etsii ratkaisut ongelmiin. Heille voit jättää myös tilauksesi.
FAQ
+ Miten tullaan asiakkaaksenne?
+ Olen sopinut puskurivarastosta, voinko tilata verkkokaupan kautta?
+ Voiko samalla tilillä olla useita käyttäjiä?
+ Voiko samassa tilauksessa olla useampia toimituspäiviä?
+ Voiko tilauksen toimittaa väliaikaiseen toimitusosoitteeseen?
Chatti
Tarvitsetko apua?
Logo

Evästeet oem.fi sivustolla

Evästeiden avulla voimme palvella sinua paremmin ja varmistamme sivuston sujuvan toiminnan. Voit hallinnoida evästeasetuksia koska tahansa.

Toiminnalliset evästeet

Nämä evästeet ovat välttämättömiä verkkosivuston toimimiseksi, eikä niitä voi poistaa käytöstä järjestelmissämme. Niitä käytetään yleensä vain vastauksena toimiin, jotka olet tehnyt palvelupyynnön yhteydessä, esimerkiksi henkilökohtaisten asetusten määrittämisen, kirjautumisen tai lomakkeen täyttämisen yhteydessä.

Tilastolliset evästeet

Tilastollisten evästeiden avulla seuraamme verkkosivustomme kävijöiden toimintaa ja teemme analyyseja, joiden avulla voimme optimoida verkkosivustoamme. Tämä tarkoittaa, että voimme kehittää sivustoamme toimivammaksi ja palvelemaan kävijöitä paremmin. Jos et hyväksy näitä evästeitä, emme tiedä, milloin olet käynyt sivustollamme. Voit kuitenkin käyttää sivustoamme normaalisti.

Markkinointievästeet

Markkinointievästeiden avulla voimme kohdentaa sinulle mainoksia eri verkkosivustoilla tai sisältöä sosiaalisessa mediassa. Näitä evästeitä asettavat kolmannen osapuolen mainonta- ja kohdistustyökalut. Evästeiden kautta nämä toimijat voivat muodostaa profiilin kiinnostuksesi kohteista. Jos et hyväksy näitä evästeitä, et näe kohdennettua markkinointia etkä mahdollisesti voi käyttää sosiaalisen median jakotyökaluja.