HOKUYO
UAM-05 on markkinoiden pienen turvalaserskanneri (80x80x95mm) näillä ominaisuuksilla.
Suojavyöhykkeen etäisyys 5m on riittävä useimpiin sovelluksiin. Resoluutio on valittavissa 30, 50, 70 ja 150mm välillä. Varoitusvyöhyke on 20m.
UAM turvalaserskannerissa on 32 ohjelmoitavaa aluetta, joita voidaan muuttaa kahdennetulla pulssianturi sisääntulolla tai staattisella sisääntulolla. UAM skannerissa on myös raakadataulostulo navigointiin. Nämä ominaisuudet ovat optimaaliset AGV sovelluksiin.
Mutingsisääntulot/overridetoiminto antaa mahdollisuuden käyttää UAM turvalaserskanneria myös muting sovelluksissa.
EDM toiminnolla UAM skanneri voi valvoa kontaktorin toimintaa, jolloin skanneria voidaan käyttää "stand alone" mallina ilman erillistä valvontayksikköä.
UAM skanneri voidaan käyttää vertikaali tai horisontaali sovelluksissa.
Skannausalue
UAM skannausalue käsittää suojavyöhykkeen ja varoitusvyöhykkeet. Maksimissaan 32 skannausaluetta voidaan ohjelmoida. Skannausalueeksi voidaan valita myös kaksi suojavyöhykettä.
Valittavissa:
1) Suojavyöhyke 1, varoitusvyöhyke 1 ja varoitusvyöhyke 2
2) Suojavyöhyke 1 ja suojavyöhyke 2
Kahden suojavyöhykkeen moodissa voidaan ohjelmoida kaksi suojavyöhykettä, mutta tässä tapauksessa varoitusvyöhykkeitä ei voida lisätä.


Syöttö |
|
|---|---|
| Syöttöjännite | 24 V DC |
| Jännitetoleranssi | ±10 % |
Skannaus |
|
| Suojavyöhyke max. | 5 m |
| Varoitusvyöhyke max. | 20 m |
| Toleranssi | +100 mm |
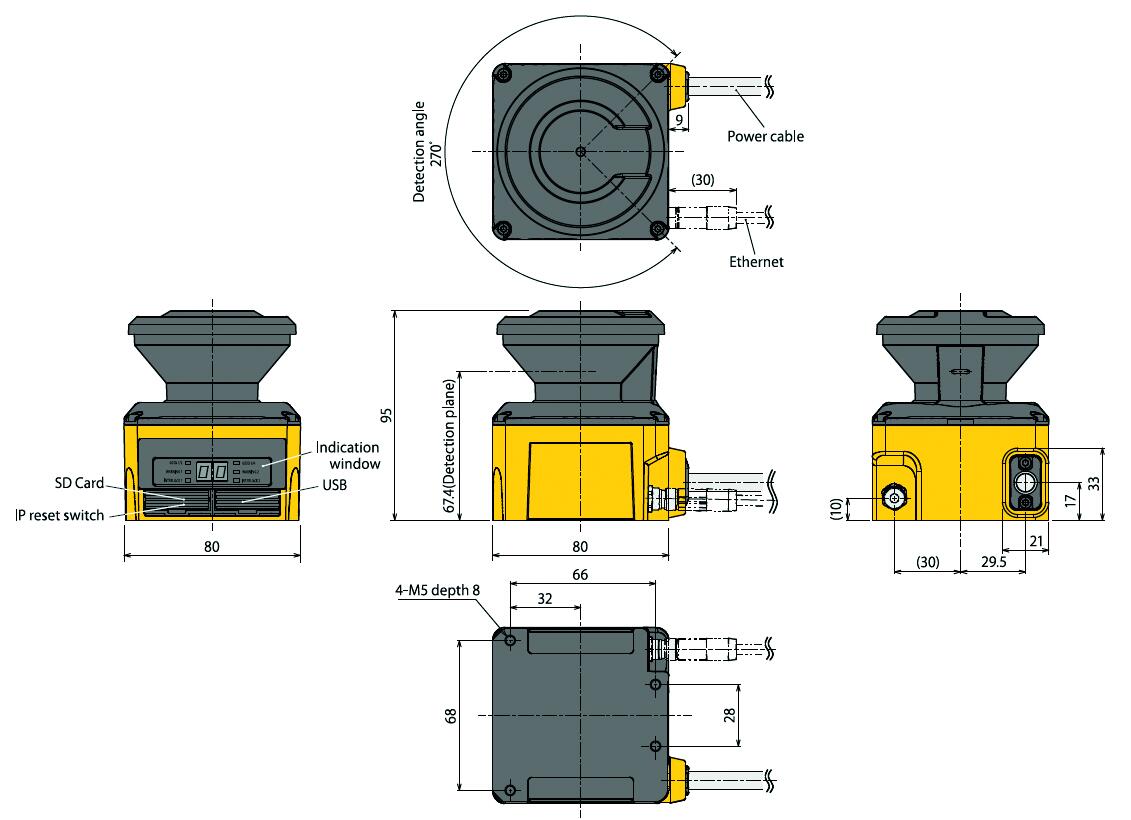
| Tunnistuskulma | 270 ° |
| Resoluutio | 30 mm (max. 1,8 m), 50 mm (max. 3,0 m), 70 mm (max. 5,0 m), 150 mm (max. 5,0 m) |
| Optiikka | Laserluokka 1, 905 nm |
| Laserluokka | Class 1 |
| Skannausalueiden määrä | 128 kpl |
Sisääntulot ja ulostulot |
|
| Turvaulostulot | 4xOSSD |
| Min. vasteaika OFF | 60 ms |
| Max. vasteaika OFF | 510 ms |
| Signaaliulostulot | 2xOSSD |
| Sisääntulot | 32 aluetta (5 sisääntuloa x 2 kanavaa), EDM/RESET/MUTING1/MUTING2/OVERRIDE (1 sisääntulo x1 kanava) |
Kotelo |
|
| Leveys | 80 mm |
*Invisible Heading* |
|
|---|---|
| Pituus | 80 mm |
| Korkeus | 95 mm |
| Min. käyttölämpötila | -10 °C |
| Max. käyttölämpötila | 55 °C |
| IP-luokka | IP65 |
| Paino | 0,8 kg |
| Rungon materiaali | Alumiini |
| Optisen ikkunan materiaali | Polykarbonaatti |
| Liitäntä | 3 m kaapeli, USB2.0 (Micro USB tyyppi B), RS-485, Ethernet |
Turva-arvot ja hyväksynnät |
|
| Tyyppi | 3, EN 61496-1 mukaan |
| PL | d standardin EN ISO 13849-1 mukaan |
| SIL | 2 standardin EN IEC 61508 mukaan |
| PFHd | 7,8x10-8 ilman master/slave, 1,6x10-7 master/slaven kanssa |
| Hyväksynnät | BG, CE, cULus, TÜV |
| Yhdenmukaisuusvaatimukset | EMC, LVD, MD |
Peruskytkentä
1 suojavyöhyke,
2 varoitusvyöhykettä
(max 32 aluetta)
Kytkentä kun käytössä
Muting, EDM, ja override toiminnot
Kytkentä pulssianturituloilla
OSSD ulostulot
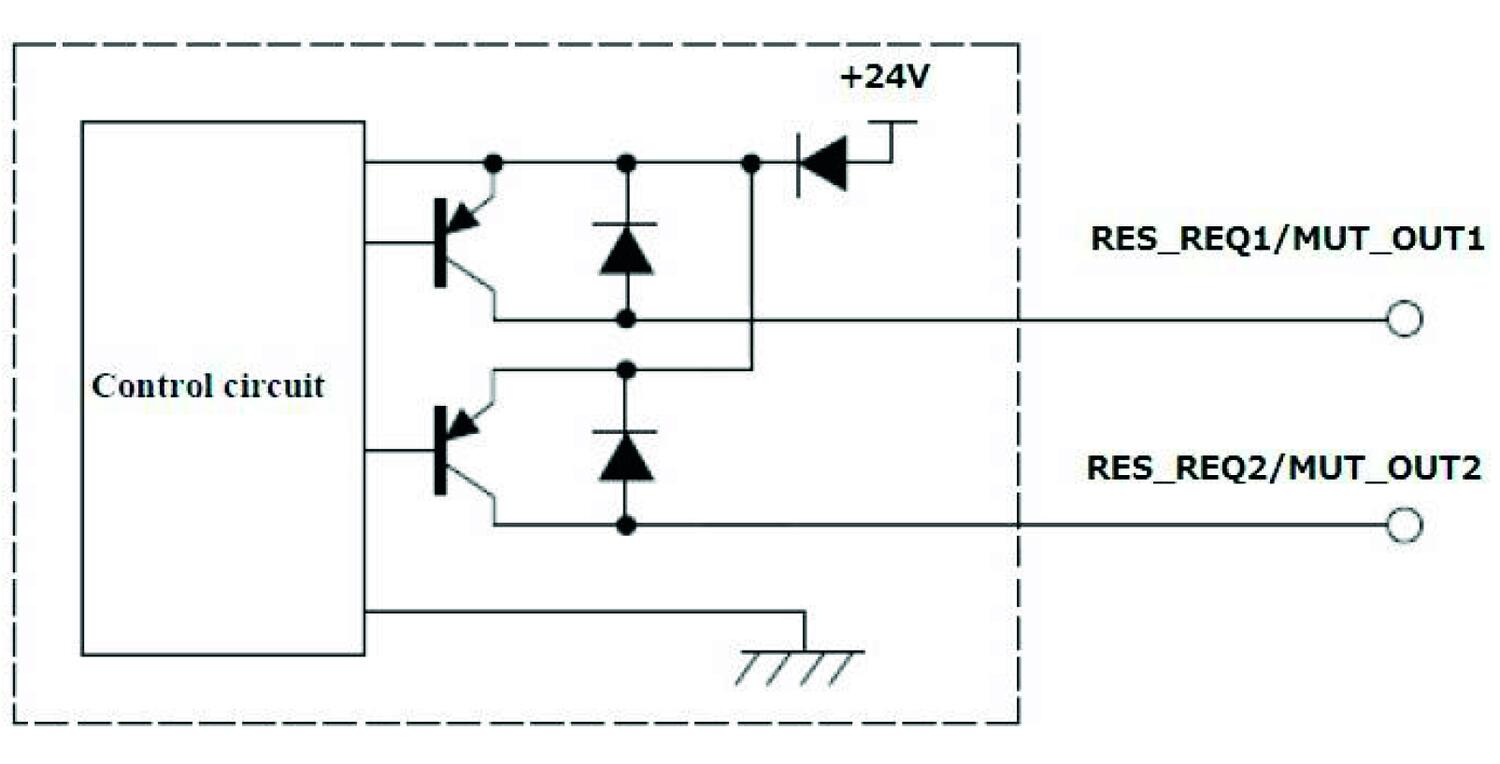
Muut ulostulot
(RES_REQ1, RES_REQ2, MUT_OUT1, MUT_OUT2)
Sisääntulot
(EDM1, EDM2, RESET1, RESET2, MUTING1, MUTING2, MUTING3, MUTING4, OVERRIDE1, OVERRIDE2)
Näyttö
Aluevalvonta
AGV sovellukset
Pystysuora asennus
Kahdennettu pulssianturisisääntulo, esim. AGV sovelluksiin.
Vyöhykkeiden kokoa voidaan muuttaa nopeuden mukaan.
Master/slave- toiminto
Yhteensä 4 skanneria voidaan kytkeä sarjaan Master/slave toiminnolla (RS-485).
Yksi skanneri toimii masterina, joka kommunikoi muiden, max. 3 (slave) skannerin kanssa.
Raakadata navigointiin
UAM-05 käyttää kommunikointiprotokollaa SCIP2.2
Mittatieto saadaan suoraan UAM skannerista Ethernet kaapelilla
Konfigurointi:
Suoraan tietokoneelta USB-portin kautta.
Ohjelman voi tallentaa myös SD-kortille, jolloin ohjelman voi tallentaa suoraan UAM turvalaserskannerille ilman tietokonetta.
UAM-05 on markkinoiden pienen turvalaserskanneri (80x80x95mm) näillä ominaisuuksilla.
Suojavyöhykkeen etäisyys 5m on riittävä useimpiin sovelluksiin. Resoluutio on valittavissa 30, 50, 70 ja 150mm välillä. Varoitusvyöhyke on 20m.
UAM turvalaserskannerissa on 32 ohjelmoitavaa aluetta, joita voidaan muuttaa kahdennetulla pulssianturi sisääntulolla tai staattisella sisääntulolla. UAM skannerissa on myös raakadataulostulo navigointiin. Nämä ominaisuudet ovat optimaaliset AGV sovelluksiin.
Mutingsisääntulot/overridetoiminto antaa mahdollisuuden käyttää UAM turvalaserskanneria myös muting sovelluksissa.
EDM toiminnolla UAM skanneri voi valvoa kontaktorin toimintaa, jolloin skanneria voidaan käyttää "stand alone" mallina ilman erillistä valvontayksikköä.
UAM skanneri voidaan käyttää vertikaali tai horisontaali sovelluksissa.
Skannausalue
UAM skannausalue käsittää suojavyöhykkeen ja varoitusvyöhykkeet. Maksimissaan 32 skannausaluetta voidaan ohjelmoida. Skannausalueeksi voidaan valita myös kaksi suojavyöhykettä.
Valittavissa:
1) Suojavyöhyke 1, varoitusvyöhyke 1 ja varoitusvyöhyke 2
2) Suojavyöhyke 1 ja suojavyöhyke 2
Kahden suojavyöhykkeen moodissa voidaan ohjelmoida kaksi suojavyöhykettä, mutta tässä tapauksessa varoitusvyöhykkeitä ei voida lisätä.


Skannerilla voi tunnistaa kokoa, paikkaa ja kohteen liikesuuntaa perustuen skannauksen dataan.
Logistiikka muuttuu nopeasti, ja yritykset tarvitsevat entistä tehokkaampia ratkaisuja. Konenäkö automatisoi tavaravirtojen käsittelyä, nopeuttaa prosesseja ja vähentää virheitä.
Tarjoamme TFT-LCD-näyttöjä ja niihin liittyviä näyttökomponentteja teollisuusasiakkaille, jotka kehittävät ja valmistavat omia tuotteitaan. Lue lisää!
Ratkaisimme jatkuvat relehaasteet korkealaatuisen koneenrakennusteräksen valmistajan Ovakon tehtaassa. Lue jutustamme miten se tehtiin!
OndoSense on vuonna 2018 perustettu saksalainen teknologiayritys, joka kehittää ja valmistaa tutka-antureita teollisuuden tarpeisiin.
Suojauksen lisäksi kaapeli on päällystetty ulkovaipalla, jonka tehtävänä on suojata kaapelin sisäosia. Eri vaippamateriaalit suojaavat esimerkiksi mekaaniselta rasitukselta, lämpötilavaihteluilta ja kemiallisilta aineilta.
|
|
|
|
|
|
||
|---|---|---|---|---|---|---|
|
|
|
|
|
|
||
|
|
|
|
|
|
||
|
|
|
|
|
|
||
|
|
|
|
|
|
||
|
|
|
|
|
|
||
|
|
|
|
|
|
| Suosikit | Tilausnumero: | Syöttöjännite | Jännitetoleranssi | Suojavyöhyke max. | Varoitusvyöhyke max. | Toleranssi | Tunnistuskulma | Resoluutio | Optiikka | Laserluokka | Skannausalueiden määrä | Turvaulostulot | Min. vasteaika OFF | Max. vasteaika OFF | Signaaliulostulot | Sisääntulot | Leveys | Pituus | Korkeus | Min. käyttölämpötila | Max. käyttölämpötila | IP-luokka | Paino | Rungon materiaali | Optisen ikkunan materiaali | Liitäntä | Tyyppi | PL | SIL | PFHd | Hyväksynnät | Yhdenmukaisuusvaatimukset | Hinta | |
|---|---|---|---|---|---|---|---|---|---|---|---|---|---|---|---|---|---|---|---|---|---|---|---|---|---|---|---|---|---|---|---|---|---|---|
|
Turvalaserskanneri, 5m, 3m kaapeli
Tuotenumero:
UAM-05LP-T301
Kopioitu!
|
24 V DC
|
±10 %
|
5 m
|
20 m
|
+100 mm
|
270 °
|
30 mm (max. 1,8 m), 50 mm (max. 3,0 m), 70 mm (max. 5,0 m), 150 mm (max. 5,0 m)
|
Laserluokka 1, 905 nm
|
Class 1
|
128 kpl
|
4xOSSD
|
60 ms
|
510 ms
|
2xOSSD
|
32 aluetta (5 sisääntuloa x 2 kanavaa), EDM/RESET/MUTING1/MUTING2/OVERRIDE (1 sisääntulo x1 kanava)
|
80 mm
|
80 mm
|
95 mm
|
-10 °C
|
55 °C
|
IP65
|
0,8 kg
|
Alumiini
|
Polykarbonaatti
|
3 m kaapeli, USB2.0 (Micro USB tyyppi B), RS-485, Ethernet
|
3, EN 61496-1 mukaan
|
d standardin EN ISO 13849-1 mukaan
|
2 standardin EN IEC 61508 mukaan
|
7,8x10-8 ilman master/slave, 1,6x10-7 master/slaven kanssa
|
BG, CE, cULus, TÜV
|
EMC, LVD, MD
|
|
||
|
Turvalaserskanneri, 5m, liitin
Tuotenumero:
UAM-05LP-T301C
Kopioitu!
|
24 V DC
|
±10 %
|
5 m
|
20 m
|
+100 mm
|
270 °
|
30 mm (max. 1,8 m), 50 mm (max. 3,0 m), 70 mm (max. 5,0 m), 150 mm (max. 5,0 m)
|
Laserluokka 1, 905 nm
|
Class 1
|
128 kpl
|
4xOSSD
|
60 ms
|
510 ms
|
2xOSSD
|
32 aluetta (5 sisääntuloa x 2 kanavaa), EDM/RESET/MUTING1/MUTING2/OVERRIDE (1 sisääntulo x1 kanava)
|
80 mm
|
80 mm
|
95 mm
|
-10 °C
|
55 °C
|
IP65
|
0,8 kg
|
Alumiini
|
Polykarbonaatti
|
300mm kaapeli+liitin, USB2.0 (Micro USB tyyppi B), RS-485, Ethernet
|
3, EN 61496-1 mukaan
|
d standardin EN ISO 13849-1 mukaan
|
2 standardin EN IEC 61508 mukaan
|
7,8x10-8 ilman master/slave, 1,6x10-7 master/slaven kanssa
|
BG, CE, cULus, TÜV
|
EMC, LVD, MD
|
|
Valitse tuote listalta.