DATASENSING

CSME turvarele

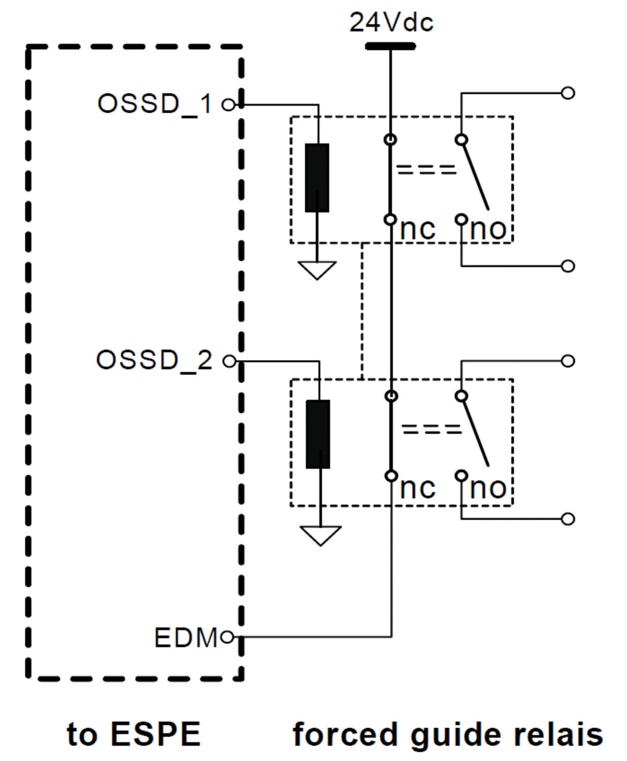
Datalogicin turvarele CSME on edullinen ja helppokytkentäinen turvarele, jota voidaan käyttää yhdessä mm. SG-sarjan turvavaloverhojen kanssa, joissa on EDM-valvonta.
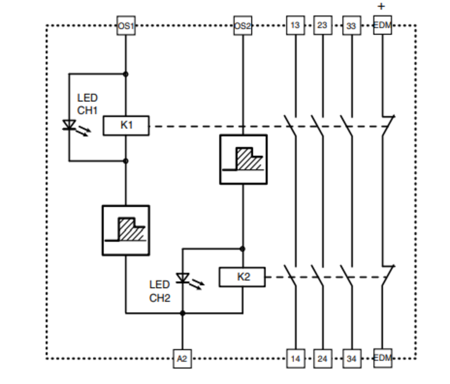
CSME turvareleellä saadaan edullisesti muutettua turvavaloverhon OSSD (PNP) turvaulostulot potentiaalivapaiksi turvarelekoskettimiksi (3 NO).


EDM (External Device Monitoring) eli ulkoisten koskettimien valvonta on pakollinen, koska CSME turvareleessä ei ole omaa valvontaa. Näin siis turvalaite valvoo CSME turvareleen koskettimien tilaa.

Koska CSME turvareleessä ei ole kuittausmahdollisuutta, on kuittaus otettava käyttöön turvalaitteelta.

Lue lisää
  • Edullinen turvarele
  • 3 NO turvaulostuloa
  • Tarvitsee EDM valvonnan

Valitse tuote

tarvikkeet_1

Datalogic turvarele, 3 NO, 24 VDC, EDM

Tuotenumero:

Valitse tuote

Tekniset tiedot

Tiedot

Mitat (mm) 91 x 99 x 22.5 mm
Tehonkulutus <2 W max.
Syöttöjännite 24 V DC
Vasteaika 40 ms
Toleranssi ± 15 %
Paino 200 g
Max. kytkentävirta 6 A

*Invisible Heading*

Max. kytkentäjännite 230/240 V AC, 300 VDC
Liittimien IP-luokka IP20
Kotelon IP-luokka IP40
Kotelon materiaali Polyamidi 6.6
Asennus DIN-kiskoon
Turvaulostulo 3 NO turvaulostuloa + 1 NC kontakti EDM-valvonnalle

Mitat ja kytkennät

Tekniset kuvat

Tuotekuvaus

Datalogicin turvarele CSME on edullinen ja helppokytkentäinen turvarele, jota voidaan käyttää yhdessä mm. SG-sarjan turvavaloverhojen kanssa, joissa on EDM-valvonta.
CSME turvareleellä saadaan edullisesti muutettua turvavaloverhon OSSD (PNP) turvaulostulot potentiaalivapaiksi turvarelekoskettimiksi (3 NO).


EDM (External Device Monitoring) eli ulkoisten koskettimien valvonta on pakollinen, koska CSME turvareleessä ei ole omaa valvontaa. Näin siis turvalaite valvoo CSME turvareleen koskettimien tilaa.

Koska CSME turvareleessä ei ole kuittausmahdollisuutta, on kuittaus otettava käyttöön turvalaitteelta.

Tarvikkeet



Äänitiedostot

Lisää luettavaa

Teknisiä neuvoja

Tony Tarr

Tuotepäällikkö

Asiakaspalvelu
Asiakaspalvelumme vastaa kysymyksiin ja etsii ratkaisut ongelmiin. Heille voit jättää myös tilauksesi.
FAQ
+ Miten tullaan asiakkaaksenne?
+ Olen sopinut puskurivarastosta, voinko tilata verkkokaupan kautta?
+ Voiko samalla tilillä olla useita käyttäjiä?
+ Voiko samassa tilauksessa olla useampia toimituspäiviä?
+ Voiko tilauksen toimittaa väliaikaiseen toimitusosoitteeseen?
Chatti
Tarvitsetko apua?
Logo

Evästeet oem.fi sivustolla

Evästeiden avulla voimme palvella sinua paremmin ja varmistamme sivuston sujuvan toiminnan. Voit hallinnoida evästeasetuksia koska tahansa.

Toiminnalliset evästeet

Nämä evästeet ovat välttämättömiä verkkosivuston toimimiseksi, eikä niitä voi poistaa käytöstä järjestelmissämme. Niitä käytetään yleensä vain vastauksena toimiin, jotka olet tehnyt palvelupyynnön yhteydessä, esimerkiksi henkilökohtaisten asetusten määrittämisen, kirjautumisen tai lomakkeen täyttämisen yhteydessä.

Tilastolliset evästeet

Tilastollisten evästeiden avulla seuraamme verkkosivustomme kävijöiden toimintaa ja teemme analyyseja, joiden avulla voimme optimoida verkkosivustoamme. Tämä tarkoittaa, että voimme kehittää sivustoamme toimivammaksi ja palvelemaan kävijöitä paremmin. Jos et hyväksy näitä evästeitä, emme tiedä, milloin olet käynyt sivustollamme. Voit kuitenkin käyttää sivustoamme normaalisti.

Markkinointievästeet

Markkinointievästeiden avulla voimme kohdentaa sinulle mainoksia eri verkkosivustoilla tai sisältöä sosiaalisessa mediassa. Näitä evästeitä asettavat kolmannen osapuolen mainonta- ja kohdistustyökalut. Evästeiden kautta nämä toimijat voivat muodostaa profiilin kiinnostuksesi kohteista. Jos et hyväksy näitä evästeitä, et näe kohdennettua markkinointia etkä mahdollisesti voi käyttää sosiaalisen median jakotyökaluja.