DATASENSING

SG-SRT muting-ohjauskotelo

Datalogicin SG-SRT ohjauskotelot on suunniteltu muting-sovelluksiin käytettäväksi yhdessä SG-COMPACT Muting ja SG-BIG Muting sarjojen kanssa. SG-SRT ohjauskoteloiden ansioista asennus, kytkennät ja käyttö saadaan entistä helpommaksi.
Samassa kotelossa on sekä kuittauspainike että myös Override painike, joten muita ohjauskoteloita ei tarvita. Lisäksi kotelossa on turvareleet joita valvotaan turvavalopuomin EDM tulolla. Turvareleet on myös mahdollista jättää käyttämättä, jos esim OSSD (PNP) lähdöt halutaan viedä turvalogiikalle.
Konfiguroinnit ohjauskotelossa tehdään jumppereilla.

Sekä lähettimen (Tx) ja vastaanottimen (Rx) kaapelit viedään SG-SRT ohjauskotelolle omille rivilitiinrimoilleen, joista molemmat yksiköt saavat myös syöttönsä. Näin kaikki komennot ja tulot kulkevat ohjauskotelon kautta ja myös kaapelointi yksinkertaistuu.

SG-SRT ohjauskoteloa on saatavana kahtena versiona:

SG-SRT-1

SG-SRT-2

Muting ohjauskotelo, SG-BODY compact

SG-SRT-1 Muting-ohjauskotelo
SG-COMPACT, SG-BIG
ja SG-BIG Reflector Muting
sarjoille sisältää:
+ Kuittauspainike
+ Override avainkytkin
+ 2 NO turvareleulostuloa (250 V AC / 2 A)

Muting-ohjauskotelo SG-BODY BIG

SG-SRT-2 Muting-ohjauskotelo
SG-BIG ja SG-BIG Reflector
Muting sarjoille sisältää:
+ Kuittauspainike
+ Override avainkytkin
+ Muting lamppu
+ 2 NO turvareleulostuloa (250 V AC / 2 A)

 

Tekniset tiedot

Syöttöjännite

24 V DC

Ulostulot

2 NO turvaulostuloa

Max kytkentävirta

2 A

Max kytkentäjännite

250 VAC

Tilan indikointi

1 x LED (kuittauspainike), muting-lamppu (vain SG-SRT-2)

Kotelointiluokka

IP65

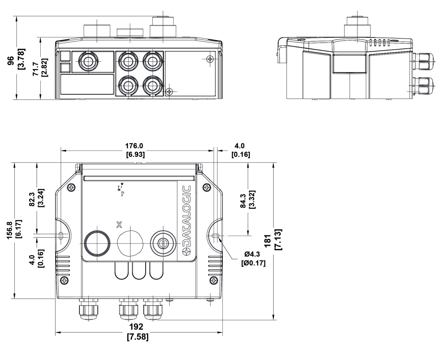
Mitat

ks. mittakuva

 

 

 

Lue lisää
  • SG-COMPACT ja SG-BIG sarjoille
  • Kuittauspainike + Override avainkytkin + Muting-lamppu (vain SG-SRT-2)
  • 2 NO turvaulostuloa

Valitse tuote

Valitse tuote

Valitse tuote

Tekniset tiedot

Tuotekuvaus

Datalogicin SG-SRT ohjauskotelot on suunniteltu muting-sovelluksiin käytettäväksi yhdessä SG-COMPACT Muting ja SG-BIG Muting sarjojen kanssa. SG-SRT ohjauskoteloiden ansioista asennus, kytkennät ja käyttö saadaan entistä helpommaksi.
Samassa kotelossa on sekä kuittauspainike että myös Override painike, joten muita ohjauskoteloita ei tarvita. Lisäksi kotelossa on turvareleet joita valvotaan turvavalopuomin EDM tulolla. Turvareleet on myös mahdollista jättää käyttämättä, jos esim OSSD (PNP) lähdöt halutaan viedä turvalogiikalle.
Konfiguroinnit ohjauskotelossa tehdään jumppereilla.

Sekä lähettimen (Tx) ja vastaanottimen (Rx) kaapelit viedään SG-SRT ohjauskotelolle omille rivilitiinrimoilleen, joista molemmat yksiköt saavat myös syöttönsä. Näin kaikki komennot ja tulot kulkevat ohjauskotelon kautta ja myös kaapelointi yksinkertaistuu.

SG-SRT ohjauskoteloa on saatavana kahtena versiona:

SG-SRT-1

SG-SRT-2

Muting ohjauskotelo, SG-BODY compact

SG-SRT-1 Muting-ohjauskotelo
SG-COMPACT, SG-BIG
ja SG-BIG Reflector Muting
sarjoille sisältää:
+ Kuittauspainike
+ Override avainkytkin
+ 2 NO turvareleulostuloa (250 V AC / 2 A)

Muting-ohjauskotelo SG-BODY BIG

SG-SRT-2 Muting-ohjauskotelo
SG-BIG ja SG-BIG Reflector
Muting sarjoille sisältää:
+ Kuittauspainike
+ Override avainkytkin
+ Muting lamppu
+ 2 NO turvareleulostuloa (250 V AC / 2 A)

 

Tekniset tiedot

Syöttöjännite

24 V DC

Ulostulot

2 NO turvaulostuloa

Max kytkentävirta

2 A

Max kytkentäjännite

250 VAC

Tilan indikointi

1 x LED (kuittauspainike), muting-lamppu (vain SG-SRT-2)

Kotelointiluokka

IP65

Mitat

ks. mittakuva

 

 

 

Tarvikkeet



Äänitiedostot

Lisää luettavaa

Suosikit Tilausnumero: Hinta

Valittu tuote

Valitse tuote listalta.

Teknisiä neuvoja

Tony Tarr

Tuotepäällikkö

Asiakaspalvelu
Asiakaspalvelumme vastaa kysymyksiin ja etsii ratkaisut ongelmiin. Heille voit jättää myös tilauksesi.
FAQ
+ Miten tullaan asiakkaaksenne?
+ Olen sopinut puskurivarastosta, voinko tilata verkkokaupan kautta?
+ Voiko samalla tilillä olla useita käyttäjiä?
+ Voiko samassa tilauksessa olla useampia toimituspäiviä?
+ Voiko tilauksen toimittaa väliaikaiseen toimitusosoitteeseen?
Chatti
Tarvitsetko apua?