DATASENSING
Datalogicin valvontayksikössä SG-BWS-T4 on perustoiminnot kuten turvaulostulot (PNP), kuittausvalinta (autom/manual) sekä EDM-valvonta.
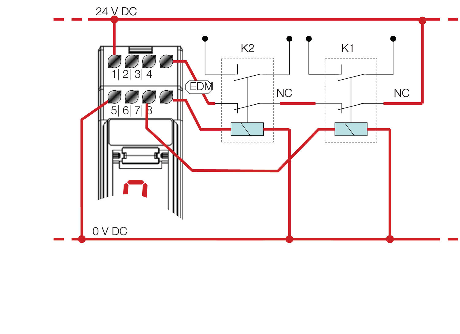
Jos tarve on potentiaalivapaille koskettimille, on valikoimassamme mm. Datalogicin CSME turvarele.
SG-BWS-T4 yksikköön voidaan kytkeä 1-4 turvavalokennoparia (lähetin+vastaanotin).
Soveltuvat turvavalokennot ovat Datalogicin S5-ST, SL5-ST ja S300-ST sarjat.
Tilan indikointi on toteutettu 7-segmenttinäytöllä.
SG-BWS-T4 valvontayksikkö täyttää standardien EN ISO 13849-1 and EN 62061 Tyypin 4 sekä PL e tason vaatimukset.
Kotelon leveys on vain 22,5mm ja liittimet ovat irrotettavia.
Sovellusesimerkkejä
Kehontunnistus 1-4 sädettä | Oven valvonta |
|
|
Syöttöjännite | 24 V DC |
Toleranssi | +- 15 % |
Max. tehonkulutus | 2.1 W max |
Turvaulostulot (OSSD) | Transistori 2 x PNP |
Max. virta (OSSD) | 0,5 A / ulostulo PNP |
Vasteaika | 29 ms |
Tilan indikointi | 3 x LED, 7 segmentti LED näyttö |
Kotelointiluokka | IP20 |
Toimintaläpötila | 0 °C...+55 °C |
Varastointilämpötila | -25 °C...+70 °C |
Kotelon materiaali | Nylon PA66 |
Paino | 125 g |
Turvaluokka | 4 standardin EN 954-1 mukaan |
PL | e standardin EN ISO 13849-1 mukaan |
SIL | 3 standardin EN IEC 62061 mukaan |
PFHd | 1,60E-09 |
T1 (Elinikä vuosissa) | 20 |
MTTFd (vuosissa) | 545 |
DC | 99,00 % |
SFF | 99,37 % |
Hyväksynnät |
|

Liittimet
Toiminto | Liitin | Kytkentä |
V DC | 1 | 24 V DC (syöttö) |
Tiedot |
|
|---|---|
| Käyttöjännite | 24 V DC |
| IP-luokka | IP20 |
| Max. käyttölämpötila | 55 °C |
| Min. käyttölämpötila | 0 °C |
| Max. varastointilämpötila | 70 °C |
| Min. varastointilämpötila | -25 °C |
| Hyväksynnät | CE, cULus, TÜV |
| Tehonkulutus | 2,1 W max |
| PL | e (EN ISO 13849-1) |
*Invisible Heading* |
|
|---|---|
| SIL | 3 (EN IEC 62061) |
| Jännitetoleranssi | ±15 % |
| T1 (Elinikä vuosina) | 20 |
| Max. kaapelipituus | 50 m |
| Yhdenmukaisuusvaatimukset | EMC, LVD, MD |
| Max. kytkentävirta | 0,5 A |
| DC | 99 % |
| MTTFd | 201 vuotta |
Datalogicin valvontayksikössä SG-BWS-T4 on perustoiminnot kuten turvaulostulot (PNP), kuittausvalinta (autom/manual) sekä EDM-valvonta.
Jos tarve on potentiaalivapaille koskettimille, on valikoimassamme mm. Datalogicin CSME turvarele.
SG-BWS-T4 yksikköön voidaan kytkeä 1-4 turvavalokennoparia (lähetin+vastaanotin).
Soveltuvat turvavalokennot ovat Datalogicin S5-ST, SL5-ST ja S300-ST sarjat.
Tilan indikointi on toteutettu 7-segmenttinäytöllä.
SG-BWS-T4 valvontayksikkö täyttää standardien EN ISO 13849-1 and EN 62061 Tyypin 4 sekä PL e tason vaatimukset.
Kotelon leveys on vain 22,5mm ja liittimet ovat irrotettavia.
Sovellusesimerkkejä
Kehontunnistus 1-4 sädettä | Oven valvonta |
|
|
Syöttöjännite | 24 V DC |
Toleranssi | +- 15 % |
Max. tehonkulutus | 2.1 W max |
Turvaulostulot (OSSD) | Transistori 2 x PNP |
Max. virta (OSSD) | 0,5 A / ulostulo PNP |
Vasteaika | 29 ms |
Tilan indikointi | 3 x LED, 7 segmentti LED näyttö |
Kotelointiluokka | IP20 |
Toimintaläpötila | 0 °C...+55 °C |
Varastointilämpötila | -25 °C...+70 °C |
Kotelon materiaali | Nylon PA66 |
Paino | 125 g |
Turvaluokka | 4 standardin EN 954-1 mukaan |
PL | e standardin EN ISO 13849-1 mukaan |
SIL | 3 standardin EN IEC 62061 mukaan |
PFHd | 1,60E-09 |
T1 (Elinikä vuosissa) | 20 |
MTTFd (vuosissa) | 545 |
DC | 99,00 % |
SFF | 99,37 % |
Hyväksynnät |
|

Liittimet
Toiminto | Liitin | Kytkentä |
V DC | 1 | 24 V DC (syöttö) |
Teollisuusympäristöissä turvallisuus ja tehokkuus kulkevat käsi kädessä. Autamme turva-aitojen mitoituksessa ja oikean ratkaisun valinnassa.
Laaja valikoima sertifoituja kytkentärimoja, jotka soveltuvat erinomaisesti lääkinnällisten laitteiden tarkkaan ja luotettavaan sähkökytkentään.
Onpowin painokytkimet vahvistavat lääkinnällisten laitteiden turvallisuutta ja käytettävyyttä.
S 99 ECO on suunniteltu dynaamisiin teollisuussovelluksiin, joissa tila on rajallinen ja kaapelilta vaaditaan pitkäikäistä suorituskykyä jatkuvassa liikkeessä.
SH4-turvavaloverho on vastaus nykypäivän teollisuus- ja intralogistiikka-aloilla turvallisuus vaatimuksiin, joille asetetaan korkeat vaatimukset.
Ratkaisimme jatkuvat relehaasteet korkealaatuisen koneenrakennusteräksen valmistajan Ovakon tehtaassa. Lue jutustamme miten se tehtiin!