DATASENSING

SG-BIG Base

Turvavalopuomi, Kehontunnistus

Datalogic turvavalopuomi SG-BODY BIG Base on tarkoitettu henkilön kehon tunnistamiseen sekä aluevalvonnassa että kulkuaukkojen valvonnassa.
Yhdellä turvavalopuomilla voidaan valvoa max 60 m etäisyyksiä.

SG2-BIG Base turvavalopuomit ovat Tyypin 2 ja tason PL c turvalaitteita, standardien EN ISO 13849-1 ja EN 62061 mukaan.
SG4-BIG Base turvavalopuomit ovat Tyypin 4 ja tason PL e turvalaitteita, standardien EN ISO 13849-1 ja EN 62061 mukaan.

SG-BIG sarjaa on saatana myös integroiduilla muting-toiminnoilla, ks. SG-BIG Muting sekä peilistä heijastavana versiona, ks. SG4-BIG Reflector.

SG-BIG Base turvavalopuomin uusi jykevä kotelointi yhdessä 3 :n kiinnikevaihtoehdon (sivukiinnike, 360º kulmansäätökiinnike ja takakiinnike) sekä uuden elektroniikan ja optiikan kanssa takaavat parhaimman suorituskyvyn teollisiin sovelluksiin.
7-segmentti näyttö (SSD) sekä lähettimessä että vastaanottimessa auttavat mm. turvavalopuomin kohdistamisessa sekä tilan indikoinnissa. Optiikka on toteutettu niin ettei ns. kuollutta aluetta ole lainkaan.

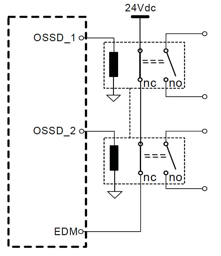
Turvavalopuomissa on valittavissa kuittaus (autom/manual) ja sisääntulo ulkoisten koskettimien valvonnalle (EDM).
Turvaulostuloina on 2 x PNP turvatransistori ja jos tarve on potentiaalivapaille koskettimille, on valikoimassamme Datalogicin CSME turvarele.

Datalogic myöntää 3 vuoden takuun turvavalopuomeille ja turvavaloverhoille.

 

Lue lisää
  • Kehontunnistus, tyyppi 4, Ple
  • Toimintaetäisyys 0,5-60m
  • perustoiminnot + EDM + kuittausvalinnat

Valitse tuote

Valitse tuote

Valitse tuote

Tekniset tiedot

Tiedot

Käyttöjännite 24 V DC
Toiminta EDM, Manuaalinen/automaattinen restart
IP-luokka IP65
Rungon materiaali Alumiini
Max. käyttölämpötila 55 °C
Min. käyttölämpötila 0 °C
Hyväksynnät CE, cULus, TÜV
Toimintaetäisyys 6-60 m
Suojauskorkeus 500 mm
Max. tehonkulutus Lähetin, 1,6W. Vastaanotin 4,2 W. (ilman kuormaa)
PL e (EN ISO 13849-1)
SFF 98,93 %
SIL 3 (EN IEC 61508)

*Invisible Heading*

Jännitetoleranssi ±20 %
Turvaulostulot 2 OSSD
Tyyppi 4
Kaapeliliitäntä, vastaanotin M12, 8-napainen
Kaapeliliitäntä, lähetin M12, 5-napainen
Max. kaapelipituus 70 m
Yhdenmukaisuusvaatimukset EMC, LVD, MD
Max. kytkentävirta 0,5 A
Max. lukuetäisyys 60 m
Extratoiminnot EDM, kuittaustoiminnot
Säteiden lukumäärä 2

Tuotekuvaus

Datalogic turvavalopuomi SG-BODY BIG Base on tarkoitettu henkilön kehon tunnistamiseen sekä aluevalvonnassa että kulkuaukkojen valvonnassa.
Yhdellä turvavalopuomilla voidaan valvoa max 60 m etäisyyksiä.

SG2-BIG Base turvavalopuomit ovat Tyypin 2 ja tason PL c turvalaitteita, standardien EN ISO 13849-1 ja EN 62061 mukaan.
SG4-BIG Base turvavalopuomit ovat Tyypin 4 ja tason PL e turvalaitteita, standardien EN ISO 13849-1 ja EN 62061 mukaan.

SG-BIG sarjaa on saatana myös integroiduilla muting-toiminnoilla, ks. SG-BIG Muting sekä peilistä heijastavana versiona, ks. SG4-BIG Reflector.

SG-BIG Base turvavalopuomin uusi jykevä kotelointi yhdessä 3 :n kiinnikevaihtoehdon (sivukiinnike, 360º kulmansäätökiinnike ja takakiinnike) sekä uuden elektroniikan ja optiikan kanssa takaavat parhaimman suorituskyvyn teollisiin sovelluksiin.
7-segmentti näyttö (SSD) sekä lähettimessä että vastaanottimessa auttavat mm. turvavalopuomin kohdistamisessa sekä tilan indikoinnissa. Optiikka on toteutettu niin ettei ns. kuollutta aluetta ole lainkaan.

Turvavalopuomissa on valittavissa kuittaus (autom/manual) ja sisääntulo ulkoisten koskettimien valvonnalle (EDM).
Turvaulostuloina on 2 x PNP turvatransistori ja jos tarve on potentiaalivapaille koskettimille, on valikoimassamme Datalogicin CSME turvarele.

Datalogic myöntää 3 vuoden takuun turvavalopuomeille ja turvavaloverhoille.

 

Tarvikkeet

Saatat olla kiinnostunut näistä



Äänitiedostot

Lisää luettavaa

Suosikit Tilausnumero: Käyttöjännite Hinta
24 V DC
24 V DC
24 V DC
24 V DC

Valittu tuote

Valitse tuote listalta.

Teknisiä neuvoja

Tony Tarr

Tuotepäällikkö

Asiakaspalvelu
Asiakaspalvelumme vastaa kysymyksiin ja etsii ratkaisut ongelmiin. Heille voit jättää myös tilauksesi.
FAQ
+ Miten tullaan asiakkaaksenne?
+ Olen sopinut puskurivarastosta, voinko tilata verkkokaupan kautta?
+ Voiko samalla tilillä olla useita käyttäjiä?
+ Voiko samassa tilauksessa olla useampia toimituspäiviä?
+ Voiko tilauksen toimittaa väliaikaiseen toimitusosoitteeseen?
Chatti
Tarvitsetko apua?
Logo

Evästeet oem.fi sivustolla

Evästeiden avulla voimme palvella sinua paremmin ja varmistamme sivuston sujuvan toiminnan. Voit hallinnoida evästeasetuksia koska tahansa.

Toiminnalliset evästeet

Nämä evästeet ovat välttämättömiä verkkosivuston toimimiseksi, eikä niitä voi poistaa käytöstä järjestelmissämme. Niitä käytetään yleensä vain vastauksena toimiin, jotka olet tehnyt palvelupyynnön yhteydessä, esimerkiksi henkilökohtaisten asetusten määrittämisen, kirjautumisen tai lomakkeen täyttämisen yhteydessä.

Tilastolliset evästeet

Tilastollisten evästeiden avulla seuraamme verkkosivustomme kävijöiden toimintaa ja teemme analyyseja, joiden avulla voimme optimoida verkkosivustoamme. Tämä tarkoittaa, että voimme kehittää sivustoamme toimivammaksi ja palvelemaan kävijöitä paremmin. Jos et hyväksy näitä evästeitä, emme tiedä, milloin olet käynyt sivustollamme. Voit kuitenkin käyttää sivustoamme normaalisti.

Markkinointievästeet

Markkinointievästeiden avulla voimme kohdentaa sinulle mainoksia eri verkkosivustoilla tai sisältöä sosiaalisessa mediassa. Näitä evästeitä asettavat kolmannen osapuolen mainonta- ja kohdistustyökalut. Evästeiden kautta nämä toimijat voivat muodostaa profiilin kiinnostuksesi kohteista. Jos et hyväksy näitä evästeitä, et näe kohdennettua markkinointia etkä mahdollisesti voi käyttää sosiaalisen median jakotyökaluja.