DUELCO

HR-2007, 2-käsinhallintarele


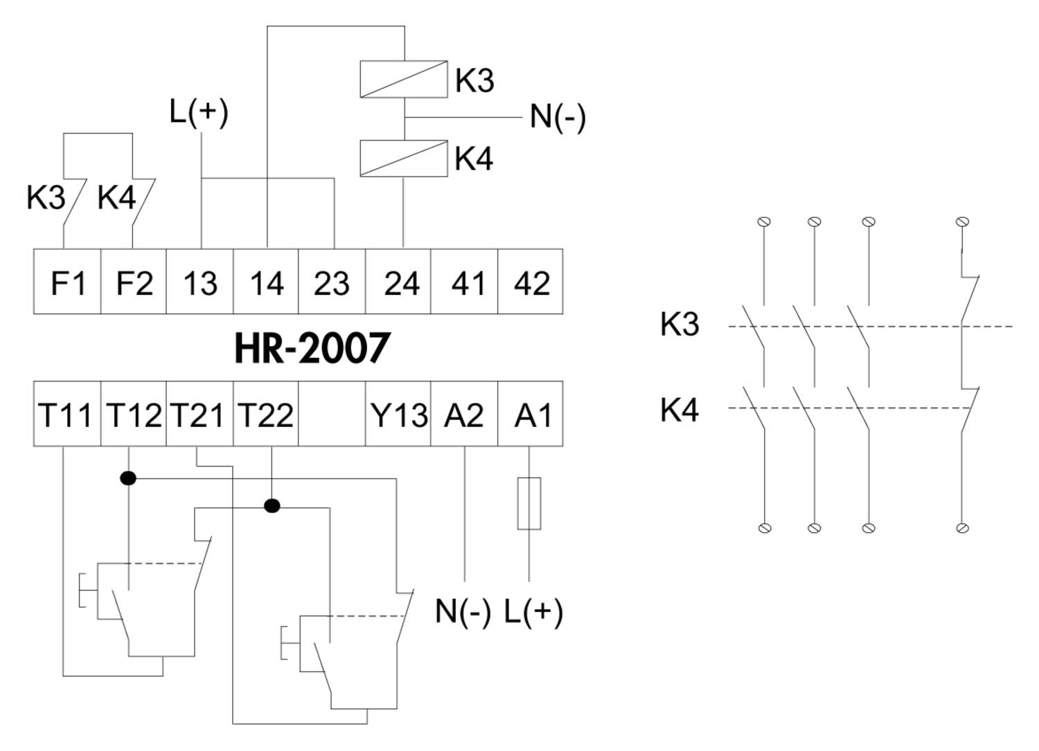
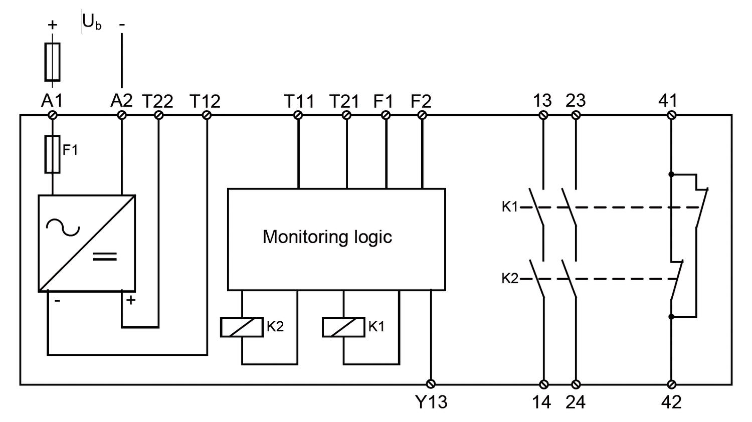
2-Käsinohjausta käytetään vaarallisten koneiden kuten puristimien ja valssaimien käynnistämisessä ja pysäyttämisessä. Duelco HR-2007 turvarele on tarkoitettu 2-käsinohjaukseen, jossa käytetään esim. PCB3-tyyppistä 2-käsinohjainta. 2-käsinhallintareleeseen kytketään kaksi painiketta, joissa molemmissa on NO+NC koskettimet. Painikkeiden sijoitus on tarkkaan määritetty standardissa SFS-EN 574.

Rele aktivoituu ja sulkee turvaulostulot, kun molempia painikkeita painetaan samanaikaisesti (max. 500 ms aikaero) ja vain, jos molemmat painikkeet ovat palautuneet edellisen aktivoinnin jälkeen.

HR-2007 releen toiminta on standardin SFS-EN 574, tyyppi IIIC mukainen.

Tekniset tiedot

EN ISO 13849-1

Turvaluokka = 4

PL = e

MTTFd= 36,45 high

DC = 99% high

CCF = achieved

 

EN ISO 13849-1 PL ja MTTFd perustuvat allaoleviin arvoihin:

dop= 365 d

hop= 24 h

nop= 12

Load = AC15, 5 A / DC13, 5 A

 

 

 

Lue lisää
  • Käyttöjännite 24 V AC/DC ja 230 V AC
  • 2 NO turvaulostuloa + 1 NC signaaliulostulo
  • Leveys vain 22,5 mm

Valitse tuote

Valitse tuote

Valitse tuote

Tekniset tiedot

Syöttö

Syöttöjännite 24 V AC/DC
Toleranssi ± 10 %

Sisääntulot ja ulostulot

Turvaulostulo NO 2
Signaaliulostulo NC 1

Kotelo

Leveys 22,5 mm
Kotelon IP-luokka IP40
Liittimien IP-luokka IP20

*Invisible Heading*

Min. käyttölämpötila -25 °C
Max. käyttölämpötila 55 °C

Turva-arvot ja hyväksynnät

Turvaluokka 4
PL e (EN ISO 13849-1)
Mekaaninen elinikä > 10 milj.

Tuotekuvaus


2-Käsinohjausta käytetään vaarallisten koneiden kuten puristimien ja valssaimien käynnistämisessä ja pysäyttämisessä. Duelco HR-2007 turvarele on tarkoitettu 2-käsinohjaukseen, jossa käytetään esim. PCB3-tyyppistä 2-käsinohjainta. 2-käsinhallintareleeseen kytketään kaksi painiketta, joissa molemmissa on NO+NC koskettimet. Painikkeiden sijoitus on tarkkaan määritetty standardissa SFS-EN 574.

Rele aktivoituu ja sulkee turvaulostulot, kun molempia painikkeita painetaan samanaikaisesti (max. 500 ms aikaero) ja vain, jos molemmat painikkeet ovat palautuneet edellisen aktivoinnin jälkeen.

HR-2007 releen toiminta on standardin SFS-EN 574, tyyppi IIIC mukainen.

Tekniset tiedot

EN ISO 13849-1

Turvaluokka = 4

PL = e

MTTFd= 36,45 high

DC = 99% high

CCF = achieved

 

EN ISO 13849-1 PL ja MTTFd perustuvat allaoleviin arvoihin:

dop= 365 d

hop= 24 h

nop= 12

Load = AC15, 5 A / DC13, 5 A

 

 

 

Tarvikkeet

Saatat olla kiinnostunut näistä



Äänitiedostot

Lisää luettavaa

Suosikit Tilausnumero: Syöttöjännite Toleranssi Turvaulostulo NO Signaaliulostulo NC Leveys Kotelon IP-luokka Liittimien IP-luokka Min. käyttölämpötila Max. käyttölämpötila Turvaluokka PL Mekaaninen elinikä Hinta
24 V AC/DC
± 10 %
2
1
22,5 mm
IP40
IP20
-25 °C
55 °C
4
e (EN ISO 13849-1)
> 10 milj.
230 V AC
± 10 %
2
1
22,5 mm
IP40
IP20
-25 °C
55 °C
4
e (EN ISO 13849-1)
> 10 milj.

Valittu tuote

Valitse tuote listalta.

Teknisiä neuvoja

Tony Tarr

Tuotepäällikkö

Asiakaspalvelu
Asiakaspalvelumme vastaa kysymyksiin ja etsii ratkaisut ongelmiin. Heille voit jättää myös tilauksesi.
FAQ
+ Miten tullaan asiakkaaksenne?
+ Olen sopinut puskurivarastosta, voinko tilata verkkokaupan kautta?
+ Voiko samalla tilillä olla useita käyttäjiä?
+ Voiko samassa tilauksessa olla useampia toimituspäiviä?
+ Voiko tilauksen toimittaa väliaikaiseen toimitusosoitteeseen?
Chatti
Tarvitsetko apua?
Logo

Evästeet oem.fi sivustolla

Evästeiden avulla voimme palvella sinua paremmin ja varmistamme sivuston sujuvan toiminnan. Voit hallinnoida evästeasetuksia koska tahansa.

Toiminnalliset evästeet

Nämä evästeet ovat välttämättömiä verkkosivuston toimimiseksi, eikä niitä voi poistaa käytöstä järjestelmissämme. Niitä käytetään yleensä vain vastauksena toimiin, jotka olet tehnyt palvelupyynnön yhteydessä, esimerkiksi henkilökohtaisten asetusten määrittämisen, kirjautumisen tai lomakkeen täyttämisen yhteydessä.

Tilastolliset evästeet

Tilastollisten evästeiden avulla seuraamme verkkosivustomme kävijöiden toimintaa ja teemme analyyseja, joiden avulla voimme optimoida verkkosivustoamme. Tämä tarkoittaa, että voimme kehittää sivustoamme toimivammaksi ja palvelemaan kävijöitä paremmin. Jos et hyväksy näitä evästeitä, emme tiedä, milloin olet käynyt sivustollamme. Voit kuitenkin käyttää sivustoamme normaalisti.

Markkinointievästeet

Markkinointievästeiden avulla voimme kohdentaa sinulle mainoksia eri verkkosivustoilla tai sisältöä sosiaalisessa mediassa. Näitä evästeitä asettavat kolmannen osapuolen mainonta- ja kohdistustyökalut. Evästeiden kautta nämä toimijat voivat muodostaa profiilin kiinnostuksesi kohteista. Jos et hyväksy näitä evästeitä, et näe kohdennettua markkinointia etkä mahdollisesti voi käyttää sosiaalisen median jakotyökaluja.