DUELCO

NST-2007, 230 VAC, turvarele

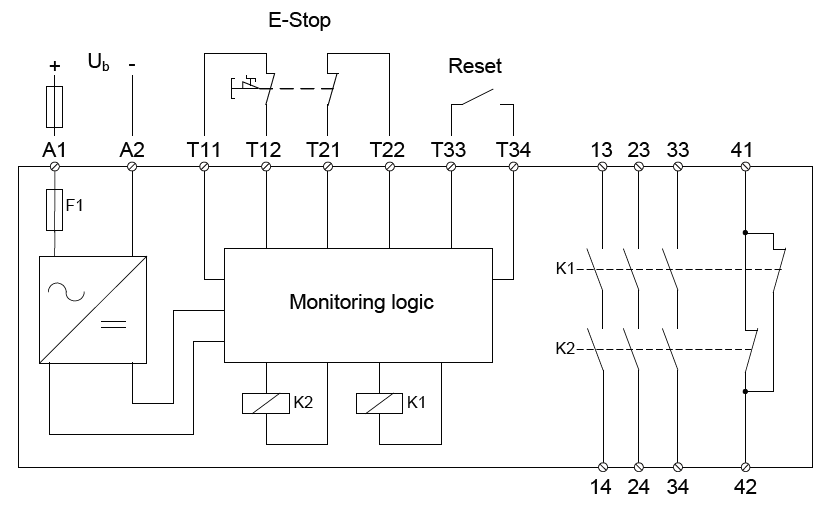
OEM Product NST-2007, 230 VAC, turvarele

Duelco NST-2007 turvarele HS-painikkeiden ja turvarajojen valvontaa. 

Lue lisää
  • Käyttöjännite 230 V AC
  • 3 NO turvaulostuloa + 1 NC signaaliulostulo
  • Soveltuu vain kosketinsisääntuloille

Valitse tuote

Duelco-NST-2007F.tiff

Turvarele NST-2007F, 3 NO+1 NC, 230 V AC

Tuotenumero:

Valitse tuote

Tekniset tiedot

Syöttö

Max. syöttöjännite AC 230 V AC

Sisääntulot ja ulostulot

Kuittaus Automaattinen/manuaalinen
Turvaulostulo NO 3
Signaaliulostulo NC 1

Kotelo

Leveys 22,5 mm
Kotelon IP-luokka IP40

*Invisible Heading*

Liittimien IP-luokka IP20
Min. käyttölämpötila -25 °C
Max. käyttölämpötila 50 °C

Turva-arvot ja hyväksynnät

Turvaluokka 4
PL e (EN ISO 13849-1)

Tuotekuvaus

Duelco NST-2007 turvarele HS-painikkeiden ja turvarajojen valvontaa. 

Tarvikkeet



Äänitiedostot

Lisää luettavaa

Teknisiä neuvoja

Tony Tarr

Tuotepäällikkö

Asiakaspalvelu
Asiakaspalvelumme vastaa kysymyksiin ja etsii ratkaisut ongelmiin. Heille voit jättää myös tilauksesi.
FAQ
+ Miten tullaan asiakkaaksenne?
+ Olen sopinut puskurivarastosta, voinko tilata verkkokaupan kautta?
+ Voiko samalla tilillä olla useita käyttäjiä?
+ Voiko samassa tilauksessa olla useampia toimituspäiviä?
+ Voiko tilauksen toimittaa väliaikaiseen toimitusosoitteeseen?
Chatti
Tarvitsetko apua?
Logo

Evästeet oem.fi sivustolla

Evästeiden avulla voimme palvella sinua paremmin ja varmistamme sivuston sujuvan toiminnan. Voit hallinnoida evästeasetuksia koska tahansa.

Toiminnalliset evästeet

Nämä evästeet ovat välttämättömiä verkkosivuston toimimiseksi, eikä niitä voi poistaa käytöstä järjestelmissämme. Niitä käytetään yleensä vain vastauksena toimiin, jotka olet tehnyt palvelupyynnön yhteydessä, esimerkiksi henkilökohtaisten asetusten määrittämisen, kirjautumisen tai lomakkeen täyttämisen yhteydessä.

Tilastolliset evästeet

Tilastollisten evästeiden avulla seuraamme verkkosivustomme kävijöiden toimintaa ja teemme analyyseja, joiden avulla voimme optimoida verkkosivustoamme. Tämä tarkoittaa, että voimme kehittää sivustoamme toimivammaksi ja palvelemaan kävijöitä paremmin. Jos et hyväksy näitä evästeitä, emme tiedä, milloin olet käynyt sivustollamme. Voit kuitenkin käyttää sivustoamme normaalisti.

Markkinointievästeet

Markkinointievästeiden avulla voimme kohdentaa sinulle mainoksia eri verkkosivustoilla tai sisältöä sosiaalisessa mediassa. Näitä evästeitä asettavat kolmannen osapuolen mainonta- ja kohdistustyökalut. Evästeiden kautta nämä toimijat voivat muodostaa profiilin kiinnostuksesi kohteista. Jos et hyväksy näitä evästeitä, et näe kohdennettua markkinointia etkä mahdollisesti voi käyttää sosiaalisen median jakotyökaluja.