DUELCO

NST-2008F Turvarele

Tuotekuvaus

 

Duelcon NST-2008F on tarkoitettu HS-painikkeiden ja turvarajojen valvontaan.
Hätäseispiirin virtarajoituksen (max. 100mA) ansiosta NST-2008F soveltuu hyvin turvamagneettikytkimien valvontaa.

 

 

Lue lisää
  • Käyttöjännite 24 V DC
  • 3 NO turvaulostuloa + 1 NC signaaliulostulo
  • soveltuu vain kosketinsisääntuloille
  • paras vaihtoehto turvamagneettien valvontaan

Valitse tuote

Duelco-NST-2007F.tif

Turvarele NST-2008F, 3 NO+1 NC, 24 V DC

Tuotenumero:

Valitse tuote

Tekniset tiedot

Syöttö

Syöttöjännite 24 V DC
Toleranssi ± 10 %
Tehonkulutus 1,5 W

Sisääntulot ja ulostulot

Turvaulostulo NO 3 NO
Signaaliulostulo NC 1 NC

Kotelo

Kotelon IP-luokka IP40
Liittimien IP-luokka IP20

*Invisible Heading*

Min. käyttölämpötila -20 °C
Max. käyttölämpötila 50 °C
Asennus Din-kisko

Turva-arvot ja hyväksynnät

Turvaluokka 4
PL e

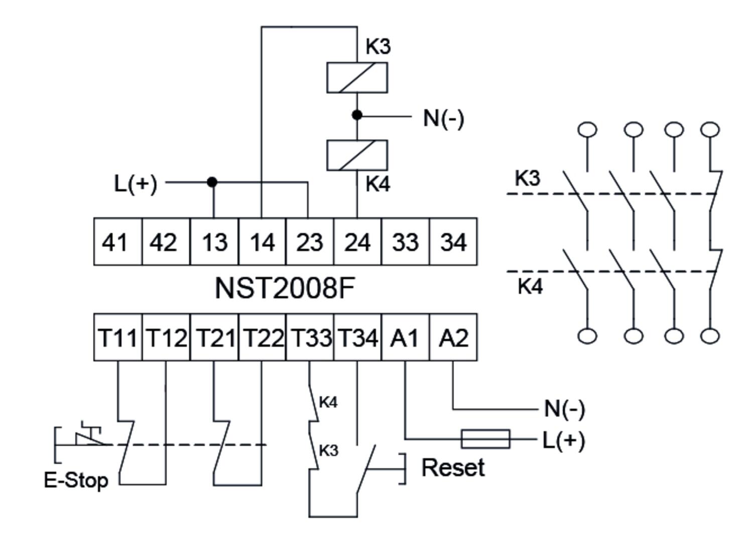
Mitat ja kytkennät

NST-2008-dimensions.tif

2-kanavainen kytkentä

2-kanavainen kytkentä

2-kanavainen kytkentä

Kontaktorien ohjaus ja valvonta

Kontaktorien ohjaus ja valvonta

Kosketukseton turvarajakytkin

Kosketuksetuksettoman turvarajakytkimen kytkentä

Tuotekuvaus

Tuotekuvaus

 

Duelcon NST-2008F on tarkoitettu HS-painikkeiden ja turvarajojen valvontaan.
Hätäseispiirin virtarajoituksen (max. 100mA) ansiosta NST-2008F soveltuu hyvin turvamagneettikytkimien valvontaa.

 

 

Tarvikkeet

Saatat olla kiinnostunut näistä



Äänitiedostot

Lisää luettavaa

Teknisiä neuvoja

Tony Tarr

Tuotepäällikkö

Asiakaspalvelu
Asiakaspalvelumme vastaa kysymyksiin ja etsii ratkaisut ongelmiin. Heille voit jättää myös tilauksesi.
FAQ
+ Miten tullaan asiakkaaksenne?
+ Olen sopinut puskurivarastosta, voinko tilata verkkokaupan kautta?
+ Voiko samalla tilillä olla useita käyttäjiä?
+ Voiko samassa tilauksessa olla useampia toimituspäiviä?
+ Voiko tilauksen toimittaa väliaikaiseen toimitusosoitteeseen?
Chatti
Tarvitsetko apua?
Logo

Evästeet oem.fi sivustolla

Evästeiden avulla voimme palvella sinua paremmin ja varmistamme sivuston sujuvan toiminnan. Voit hallinnoida evästeasetuksia koska tahansa.

Toiminnalliset evästeet

Nämä evästeet ovat välttämättömiä verkkosivuston toimimiseksi, eikä niitä voi poistaa käytöstä järjestelmissämme. Niitä käytetään yleensä vain vastauksena toimiin, jotka olet tehnyt palvelupyynnön yhteydessä, esimerkiksi henkilökohtaisten asetusten määrittämisen, kirjautumisen tai lomakkeen täyttämisen yhteydessä.

Tilastolliset evästeet

Tilastollisten evästeiden avulla seuraamme verkkosivustomme kävijöiden toimintaa ja teemme analyyseja, joiden avulla voimme optimoida verkkosivustoamme. Tämä tarkoittaa, että voimme kehittää sivustoamme toimivammaksi ja palvelemaan kävijöitä paremmin. Jos et hyväksy näitä evästeitä, emme tiedä, milloin olet käynyt sivustollamme. Voit kuitenkin käyttää sivustoamme normaalisti.

Markkinointievästeet

Markkinointievästeiden avulla voimme kohdentaa sinulle mainoksia eri verkkosivustoilla tai sisältöä sosiaalisessa mediassa. Näitä evästeitä asettavat kolmannen osapuolen mainonta- ja kohdistustyökalut. Evästeiden kautta nämä toimijat voivat muodostaa profiilin kiinnostuksesi kohteista. Jos et hyväksy näitä evästeitä, et näe kohdennettua markkinointia etkä mahdollisesti voi käyttää sosiaalisen median jakotyökaluja.