DUELCO
![]()
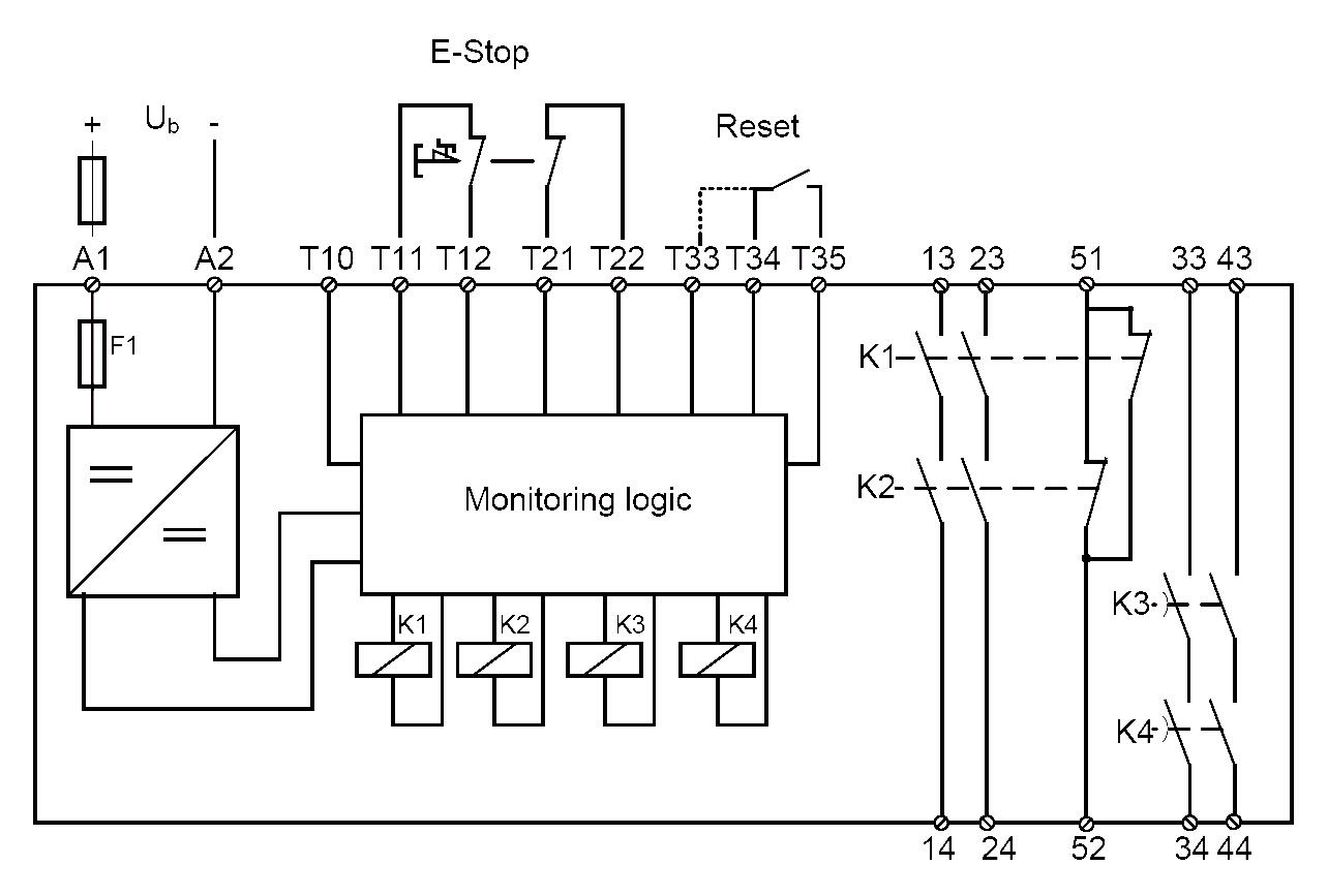
Duelco NST-2009 on monipuolinen turvarele valvomaan hätäseis-piirejä, turvarajakytkimiä ja turvavaloverhoja turvaluokkaan 4 (EN-954-1) ja PL e (EN ISO 13849-1) soveltuvalla kytkennällä.
Turvareleessä on 4 NO turvaulostuloa, joista 2 on avautumisviiveellä (0-600s). Tätä ominaisuutta voidaan hyödyntää mm. servokäytöissä. Lisäksi turvareleessä on 1 NC signaaliulostulo.
LED-indikointi

Kuittaus toiminnot: | ||
Käsinkuittaus | Valvottukuittaus | Automaattikuittaus |
|
|
|
Kuittauksen viiveaika 0-600 s |
|
Syöttö |
|
|---|---|
| Syöttöjännite | 24V AC/DC |
| Toleranssi | ±10% |
Sisääntulot ja ulostulot |
|
| Turvaulostulo NO | 4 |
| Signaaliulostulo NC | 1 |
Kotelo |
|
| Kotelon IP-luokka | IP40 |
| Liittimien IP-luokka | IP20 |
| Min. käyttölämpötila | -25 °C |
*Invisible Heading* |
|
|---|---|
| Max. käyttölämpötila | 50 °C |
Turva-arvot ja hyväksynnät |
|
| Turvaluokka | 4 |
| PL | e |
| Mekaaninen elinikä | 1 milj. |
| Hyväksynnät | CE, cULus |
![]()
Duelco NST-2009 on monipuolinen turvarele valvomaan hätäseis-piirejä, turvarajakytkimiä ja turvavaloverhoja turvaluokkaan 4 (EN-954-1) ja PL e (EN ISO 13849-1) soveltuvalla kytkennällä.
Turvareleessä on 4 NO turvaulostuloa, joista 2 on avautumisviiveellä (0-600s). Tätä ominaisuutta voidaan hyödyntää mm. servokäytöissä. Lisäksi turvareleessä on 1 NC signaaliulostulo.
LED-indikointi

Kuittaus toiminnot: | ||
Käsinkuittaus | Valvottukuittaus | Automaattikuittaus |
|
|
|
Kuittauksen viiveaika 0-600 s |
|
PULS on esitellyt uuden sukupolven PLANET-teholähdesarjan, joka asettaa uudet standardit teollisuuden DIN-kiskovirtalähteille yhdistämällä ennätyskorkean hyötysuhteen ja erittäin kompaktin koon.
Uudet ominaisuudet tekevät S7-1200 G2 ylivertaisen valinnan nykyaikaisiin automaatiosovelluksiin, tarjoten tehokkuutta ja joustavuutta kaikissa tuotantoympäristöissä.
PPQZ on litteä halogeenivapaa kaapelimerkki, joka toimitetaan esikatkaistuna valmiilla rei’illä. Merkintä on helppo asentaa kaapeliin nippusiteillä.
Partex PPT on uuden sukupolven lippumerkki, joka on suunniteltu nopeuttamaan asennustyötä ja kestämään vaativimmissakin olosuhteissa.
Etsitkö luotettavaa, helppoa ja kestävää ratkaisua kaapelien ja letkujen merkintään? Nämä tasaiset, polyolefiinista valmistetut merkit ovat suunniteltu tehostamaan asennustyötä ja parantamaan turvallisuutta teollisuusympäristöissä.
P-Connect Gateway mahdollistaa turvalaitteiden liittämisen PROFINET/PROFIsafe, Ethernet/IP™/CIP Safety™ ja EtherCAT®/Safety over EtherCAT® -väyliin.