DUELCO

NST-3.2 turvarele

Pienikokoinen turvarele valvomaan hätäseis-piirejä sekä muita turvasovelluksia turvaluokkiin 2 ja 3 (EN-954-1) ja PL d (EN ISO 13849-1) soveltuvalla kytkennällä.
  • Käyttöjännite 12 V DC, 24-29 V DC / 24 V AC tai 8 - 36 V DC
  • 3 NO turvaulostuloa, 1 NC signaaliulostulo
  • Turvataso max. PL d

Valitse tuote

Valitse tuote

Valitse tuote

Tekniset tiedot

Syöttö

Syöttöjännite 12V DC
Toleranssi ±10%

Sisääntulot ja ulostulot

Kuittaus Automaattinen/manuaalinen
Turvaulostulo NO 3
Signaaliulostulo NC 1

Kotelo

Leveys 22,5 mm
Kotelon IP-luokka IP40
Liittimien IP-luokka IP20

*Invisible Heading*

Min. käyttölämpötila -30 °C
Max. käyttölämpötila 50 °C

Turva-arvot ja hyväksynnät

Turvaluokka 3
PL d (EN ISO 13849-1)
Mekaaninen elinikä > 10 milj.
Hyväksynnät CE

Mitat ja kytkennät

Etulevy

Etulevy

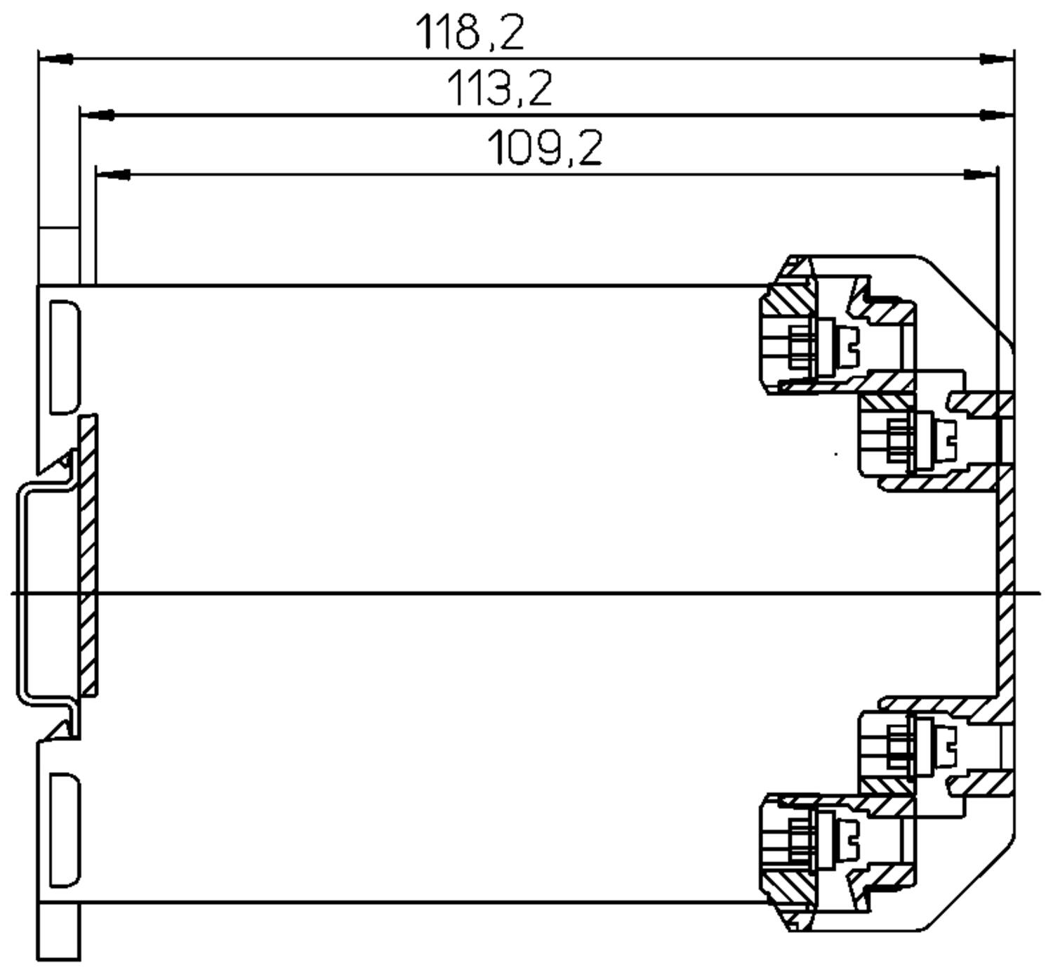
Mitat päältä

Mitat päältä

Mitat sivulta

Mitat sivulta

2-kanavainen sisääntulo

2-kanavainen sisääntulo

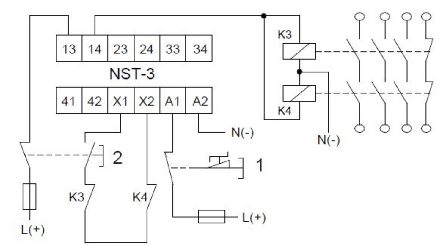
Valvottu kuittaus ja kontaktorien ohjaus ja valvonta(2-kanavainen kytkentä)

Valvottu kuittaus ja kontaktorien ohjaus ja valvonta
(2-kanavainen kytkentä)

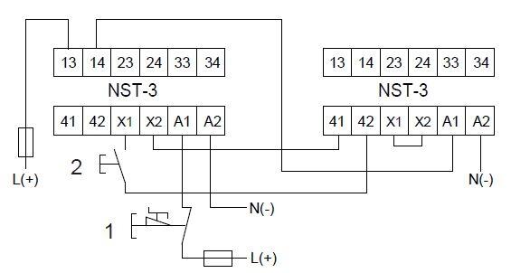
NST-3 turvareleen käyttö laajennusyksikkönä
(1-kanavainen kytkentä)

NST-3 turvareleen käyttö laajennusyksikkönä
(1-kanavainen kytkentä)

1-kanavainen kytkentä

1-kanavainen kytkentä

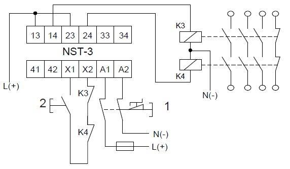
Kontaktorien ohjaus ja valvonta(2-kanavainen kytkentä)

Kontaktorien ohjaus ja valvonta
(2-kanavainen kytkentä)

Tuotekuvaus



Pienikokoinen turvarele valvomaan hätäseis-piirejä sekä muita turvasovelluksia turvaluokkiin 2 ja 3 (EN-954-1) ja PL d (EN ISO 13849-1) soveltuvalla kytkennällä. NST-3.2 turvarelettä voidaan käyttää myös edullisena laajennusyksikkönä kun tarvitaan lisäkoskettimia.
Erikoisuutena 8-36 V DC versio, jota käytetään mm. Diesel-käyttöjen kanssa.

 

 

Tekniset tiedot

 

EN ISO 13849-1

Turvaluokka = 3

PL = d

MTTFd= 125,8 vuotta

T10d= MTTFd x 0,1

 

EN ISO 13849-1 PL ja MTTFd perustuvat allaoleviin arvoihin:

dop= 365 d

hop= 24 h

nop= 12

Load = AC15, 5 A / DC13, 5 A

 

Tarvikkeet

Saatat olla kiinnostunut näistä



Äänitiedostot

Lisää luettavaa

Suosikit Tilausnumero: Syöttöjännite Toleranssi Max. syöttöjännite AC Kuittaus Turvaulostulo NO Signaaliulostulo NC Leveys Kotelon IP-luokka Liittimien IP-luokka Min. käyttölämpötila Max. käyttölämpötila Turvaluokka PL Mekaaninen elinikä Hyväksynnät Hinta
12V DC
±10%
Automaattinen/manuaalinen
3
1
22,5 mm
IP40
IP20
-30 °C
50 °C
3
d (EN ISO 13849-1)
> 10 milj.
CE
24-29V DC
±10%
24 V AC
Automaattinen/manuaalinen
3
1
22,5 mm
IP40
IP20
-30 °C
50 °C
3
d (EN ISO 13849-1)
> 10 milj.
CE
8-36V DC
±10%
Automaattinen/manuaalinen
3
1
22,5 mm
IP40
IP20
-30 °C
50 °C
3
d (EN ISO 13849-1)
> 10 milj.
CE

Valittu tuote

Valitse tuote listalta.

Teknisiä neuvoja

Tony Tarr

Tuotepäällikkö

Asiakaspalvelu
Asiakaspalvelumme vastaa kysymyksiin ja etsii ratkaisut ongelmiin. Heille voit jättää myös tilauksesi.
FAQ
+ Miten tullaan asiakkaaksenne?
+ Olen sopinut puskurivarastosta, voinko tilata verkkokaupan kautta?
+ Voiko samalla tilillä olla useita käyttäjiä?
+ Voiko samassa tilauksessa olla useampia toimituspäiviä?
+ Voiko tilauksen toimittaa väliaikaiseen toimitusosoitteeseen?
Chatti
Tarvitsetko apua?
Logo

Evästeet oem.fi sivustolla

Evästeiden avulla voimme palvella sinua paremmin ja varmistamme sivuston sujuvan toiminnan. Voit hallinnoida evästeasetuksia koska tahansa.

Toiminnalliset evästeet

Nämä evästeet ovat välttämättömiä verkkosivuston toimimiseksi, eikä niitä voi poistaa käytöstä järjestelmissämme. Niitä käytetään yleensä vain vastauksena toimiin, jotka olet tehnyt palvelupyynnön yhteydessä, esimerkiksi henkilökohtaisten asetusten määrittämisen, kirjautumisen tai lomakkeen täyttämisen yhteydessä.

Tilastolliset evästeet

Tilastollisten evästeiden avulla seuraamme verkkosivustomme kävijöiden toimintaa ja teemme analyyseja, joiden avulla voimme optimoida verkkosivustoamme. Tämä tarkoittaa, että voimme kehittää sivustoamme toimivammaksi ja palvelemaan kävijöitä paremmin. Jos et hyväksy näitä evästeitä, emme tiedä, milloin olet käynyt sivustollamme. Voit kuitenkin käyttää sivustoamme normaalisti.

Markkinointievästeet

Markkinointievästeiden avulla voimme kohdentaa sinulle mainoksia eri verkkosivustoilla tai sisältöä sosiaalisessa mediassa. Näitä evästeitä asettavat kolmannen osapuolen mainonta- ja kohdistustyökalut. Evästeiden kautta nämä toimijat voivat muodostaa profiilin kiinnostuksesi kohteista. Jos et hyväksy näitä evästeitä, et näe kohdennettua markkinointia etkä mahdollisesti voi käyttää sosiaalisen median jakotyökaluja.