GELBAU

Gelbau valvontayksikkö PL e

Gelbau valvontayksikkö turvareunan valvontaan vaarallisiin sovelluksiin. Valvontayksikkö lähettää/vastaanottaa Z1 & Z2 navoista matalan jännitteen (n. 5 V) turvareunaan 8,2 kΩ päätevastuksen kautta muodostaen suljetun piirin. Valvontayksikkö reagoi turvareunan aktivointiin (oikosulku), kaapelin katkeamiseen ja huonoon liitokseen aukaisemalla turvakoskettimet.

Tekniset tiedot

Syöttöjännite

24 V DC tai 230 V AC

Toleranssi

-15 %...+10 %

Tehonkulutus

3 VA

Turvaulostulo

2 NO rele

Signaaliulostulo

1 CO rele

Max. jännite / ulostulo

250 V AC / 24 V DC

Max. virta / ulostulo

4 A (AC11/220 V), 2 A (DC11/24 V)

Liitinjännite Z1-Z2

4-8 V DC

Kytkentäaika

Max. 15 ms

Turvareunan pituus max.

100 m

Tilaindikointi

3 x LED

Kotelointiluokka

IP20

Lämpötila-alue

-20 °C...+55 °C

Asennus

DIN-kisko

Turvaluokka

3, standardin EN ISO 13849 mukaan

Standardi

EN1760-2, EN ISO 13849

CE-vaatimukset

MD, LVD, EMC

Hyväksynnät

CE-merkintä, TÜV

 

Edut

LED-indikointi

 

• Turvaluokka 3

Red colormark

Turvareuna vaikutettuna

• Kapea, leveys vain 22,5 mm

Yellow colormark

Turvapiiri poikki (keltainen ja punainen)

• LED-indikointi

Green colormark

Turvareuna OK, turvakosketin kiinni

• 2NO + 1CO

 

 

• Ulkoisten koskettimien valvonta

 

 

 

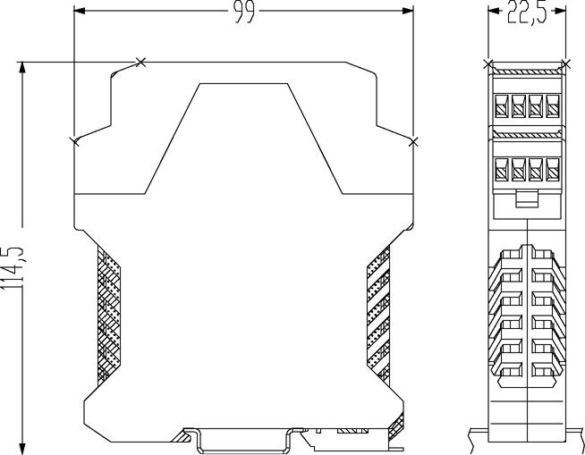
Mitat

(mm)

270837_566.jpg

 

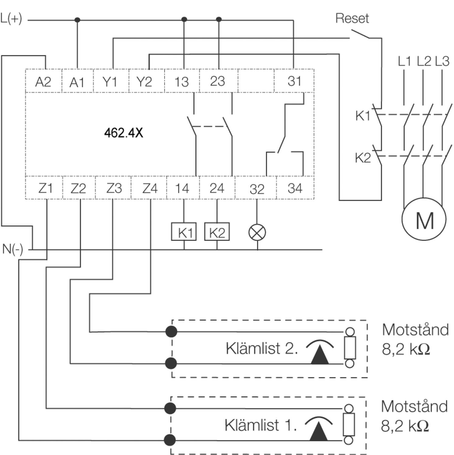
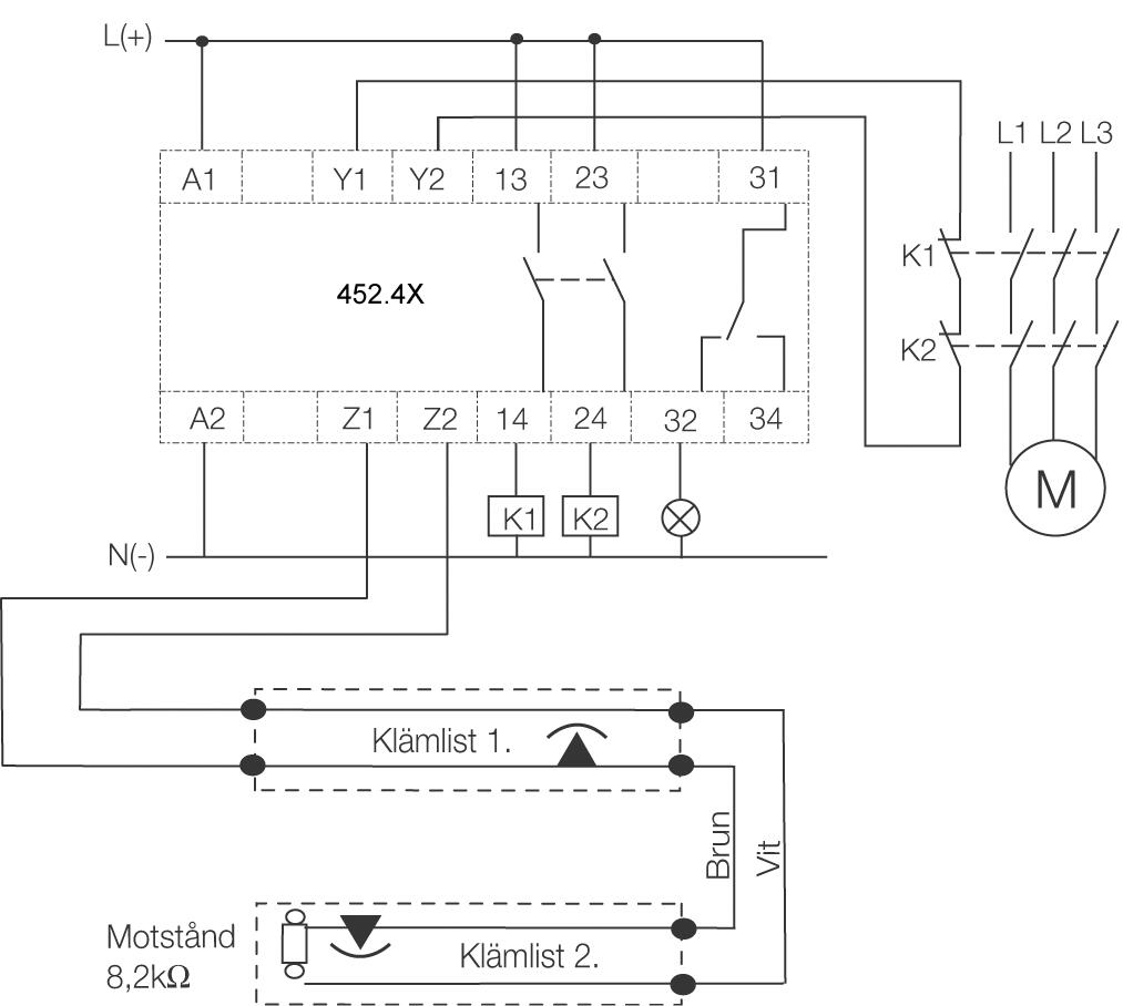
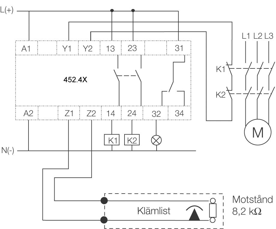
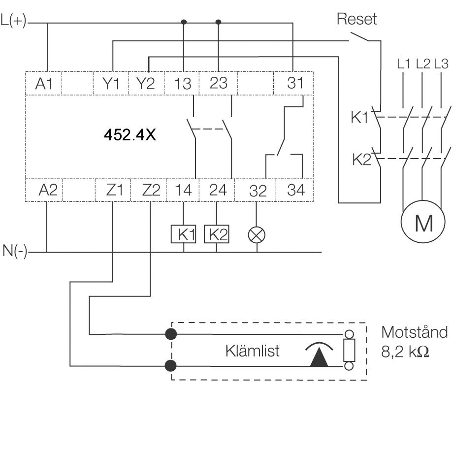
Kytkentä

270836_566.jpg

 

Kytkentäesimerkkejä

Yksiturvareuna, käsinkuittaus. Ulkopuolisten kontaktorien valvonta.


Kaksi turvareunaa (sarjaankytkentä), Automaattinen kuittaus. Ulkopuolisten kontaktorien valvonta.

 

 

Lue lisää
  • 2 NO turvaulostuloa + 1 CO signaaliulostulo
  • Turvaluokka 3 EN ISO 13849 mukaan
  • Automaatti- tai käsinkuittaus
  • Leveys 22,5 mm

Valitse tuote

Valitse tuote

Valitse tuote

Tekniset tiedot

Asennus DIN-kiskoon
Cable length to clip list max 50 m (min. 0,5 m2)
Fuse output 4 A
Hyväksynnät CE, TÜV NORD
Liittimien IP-luokka IP20
Max. kytkentäjännite 250 V AC/24 V DC
Max. kytkentävirta 4 A AC/DC
Max. ympäristön lämpötila 55 °C
Min. ympäristön lämpötila -20 °C
PL e enl. SS-EN ISO 13849-1:2008
Rungon IP-luokka IP40
Syöttöjännite 24 V DC
Tehonkulutus 3 W
Tolerance max 10 %
Tolerance min -15 %
Turvareunan max. pituus 100 m
Vasteaika 15 ms
Yhdenmukaisuusvaatimukset EMC, LVD, MD

Tiedostot

Mitat ja kytkennät

Tuotekuvaus

Gelbau valvontayksikkö turvareunan valvontaan vaarallisiin sovelluksiin. Valvontayksikkö lähettää/vastaanottaa Z1 & Z2 navoista matalan jännitteen (n. 5 V) turvareunaan 8,2 kΩ päätevastuksen kautta muodostaen suljetun piirin. Valvontayksikkö reagoi turvareunan aktivointiin (oikosulku), kaapelin katkeamiseen ja huonoon liitokseen aukaisemalla turvakoskettimet.

Tekniset tiedot

Syöttöjännite

24 V DC tai 230 V AC

Toleranssi

-15 %...+10 %

Tehonkulutus

3 VA

Turvaulostulo

2 NO rele

Signaaliulostulo

1 CO rele

Max. jännite / ulostulo

250 V AC / 24 V DC

Max. virta / ulostulo

4 A (AC11/220 V), 2 A (DC11/24 V)

Liitinjännite Z1-Z2

4-8 V DC

Kytkentäaika

Max. 15 ms

Turvareunan pituus max.

100 m

Tilaindikointi

3 x LED

Kotelointiluokka

IP20

Lämpötila-alue

-20 °C...+55 °C

Asennus

DIN-kisko

Turvaluokka

3, standardin EN ISO 13849 mukaan

Standardi

EN1760-2, EN ISO 13849

CE-vaatimukset

MD, LVD, EMC

Hyväksynnät

CE-merkintä, TÜV

 

Edut

LED-indikointi

 

• Turvaluokka 3

Red colormark

Turvareuna vaikutettuna

• Kapea, leveys vain 22,5 mm

Yellow colormark

Turvapiiri poikki (keltainen ja punainen)

• LED-indikointi

Green colormark

Turvareuna OK, turvakosketin kiinni

• 2NO + 1CO

 

 

• Ulkoisten koskettimien valvonta

 

 

 

Mitat

(mm)

270837_566.jpg

 

Kytkentä

270836_566.jpg

 

Kytkentäesimerkkejä

Yksiturvareuna, käsinkuittaus. Ulkopuolisten kontaktorien valvonta.


Kaksi turvareunaa (sarjaankytkentä), Automaattinen kuittaus. Ulkopuolisten kontaktorien valvonta.

 

 

Tarvikkeet

Saatat olla kiinnostunut näistä



Äänitiedostot

Lisää luettavaa

Suosikit Tilausnumero: Syöttöjännite Hinta
24 V DC
230 V AC
24 V DC
230 V AC

Valittu tuote

Valitse tuote listalta.

Teknisiä neuvoja

Joni Henninen

Tuotepäällikkö

Asiakaspalvelu
Asiakaspalvelumme vastaa kysymyksiin ja etsii ratkaisut ongelmiin. Heille voit jättää myös tilauksesi.
FAQ
+ Miten tullaan asiakkaaksenne?
+ Olen sopinut puskurivarastosta, voinko tilata verkkokaupan kautta?
+ Voiko samalla tilillä olla useita käyttäjiä?
+ Voiko samassa tilauksessa olla useampia toimituspäiviä?
+ Voiko tilauksen toimittaa väliaikaiseen toimitusosoitteeseen?
Chatti
Tarvitsetko apua?
Logo

Evästeet oem.fi sivustolla

Evästeiden avulla voimme palvella sinua paremmin ja varmistamme sivuston sujuvan toiminnan. Voit hallinnoida evästeasetuksia koska tahansa.

Toiminnalliset evästeet

Nämä evästeet ovat välttämättömiä verkkosivuston toimimiseksi, eikä niitä voi poistaa käytöstä järjestelmissämme. Niitä käytetään yleensä vain vastauksena toimiin, jotka olet tehnyt palvelupyynnön yhteydessä, esimerkiksi henkilökohtaisten asetusten määrittämisen, kirjautumisen tai lomakkeen täyttämisen yhteydessä.

Tilastolliset evästeet

Tilastollisten evästeiden avulla seuraamme verkkosivustomme kävijöiden toimintaa ja teemme analyyseja, joiden avulla voimme optimoida verkkosivustoamme. Tämä tarkoittaa, että voimme kehittää sivustoamme toimivammaksi ja palvelemaan kävijöitä paremmin. Jos et hyväksy näitä evästeitä, emme tiedä, milloin olet käynyt sivustollamme. Voit kuitenkin käyttää sivustoamme normaalisti.

Markkinointievästeet

Markkinointievästeiden avulla voimme kohdentaa sinulle mainoksia eri verkkosivustoilla tai sisältöä sosiaalisessa mediassa. Näitä evästeitä asettavat kolmannen osapuolen mainonta- ja kohdistustyökalut. Evästeiden kautta nämä toimijat voivat muodostaa profiilin kiinnostuksesi kohteista. Jos et hyväksy näitä evästeitä, et näe kohdennettua markkinointia etkä mahdollisesti voi käyttää sosiaalisen median jakotyökaluja.