CEWE INSTRUMENTS

Taulumittarit

AC-virran ja jännitteen mittaus

Cewe kiertorautamittarit mittaavat AC-virtaa ja jännitettä taajuusalueella 10-100 Hz, mutta tarkkuuden parantamiseksi taajuus voidaan kalibroida tilattaessa. AC-mittarit valmistetaan 90° asteikolle ja DC-mittarit myös 240° asteikolle. Mittareita on saatavilla eri kokoisilla etulevyillä, ja ne voidaan räätälöidä halutulla asteikolla. Lisäksi saatavilla on erityisiä malleja kosteisiin olosuhteisiin. Cewen valikoimaan kuuluvat myös muut mittarit, kuten huippuvirta-, taajuus-, teho- ja loistehomittarit.
  • Pikakiinnitys painamalla
  • 48x48 mm, 72x72 mm tai 96x96 mm
  • Kosketussuoja vakiona

Valitse tuote

Valitse tuote

Valitse tuote

Tekniset tiedot

Tuotekuvaus

Cewe kiertorautamittarit on tarkoitettu AC-virran ja jännitteen mittaukseen. Taulumittarit toimivat taajuusalueella 10-100 Hz, mutta parhaan mahdollisen tarkkuuden saavuttamiseksi 50-60 Hz:stä poikkeava taajuus on hyvä ilmoittaa mittaria tilattaessa, jolloin kyseinen taulumittari voidaan kalibroida kyseisen taajuuden mukaan. AC-mittarit valmistetaan 90° asteikolle. Kiertokäämimittarit on tarkoitettu DC-virran ja jännitteen mittaukseen. DC-mittareita on saatavana 90° asteikon lisäksi myös 240° asteikolla.

 

AC- ja DC-mittareita on saatavana 48x48 mm, 72x72 mm ja 96x96 mm etulevyllä. Useimmat taulumittarit on varustettu 0-arvon asetusnupilla. Taulumittareihin voidaan määritellä vapaasti haluttu asteikko. Virtamuuntajakäytössä asteikko mitoitetaan +20 % virtamuuntajan ensiöarvoa suuremmaksi. Kaikkiin 90° asteikoihin voidaan myös lisätä säädettävä punainen merkki osoittamaan haluttua max. tai min. arvoa.

 

Kohteisiin, joissa ilmankosteus on suuri, voidaan valmistaa erityinen ”tropical design” –mittari, jossa esim. mittarin koneisto ja liitokset on käsitelty korroosiota vastaan.

 

Cewen valikoimaan kuuluvat myös huippuvirtamittarit (A), taajuusmittarit (Hz), tehomittarit (W), loistehomittarit (Var), tehokerroinmittarit (cos@) ja kiertokäämimittarit sisäänrakennetulla tasasuuntaajalla (V, A).

Tekniset tiedot

Tyyppi

Kiertorautamittari AC

Kiertokäämimittari DC

Mitta-alue

0-150 mA..0-60 A, X/1 A, X/5 A*

0-100 uA…0-25 A**

0-6 V..0-800 V*

0-60 mV…0-600 V**

Ylikuormitus

1,2Unjatkuva, 5xUn5 s

1,2Unjatkuva, 2xUn5 s

2xlnjatkuva, 10xln10 s

2xlnjatkuva, 10xln10 s

Tarkkuus

IQ48 Class 2,5

CQ48 Class 2,5

IQ72, IQ96 Class 1,5

CQ(CL)72, CQ(CL)96 Class 1,5

Taajuus

15-100 Hz

-

Käyttölämpötila

-25°C...+50°C

Eristysjännite

4,3 kV, 50 Hz, 1 min

Asennuskulma

Vertikaalinen +/-5°***

Kosketussuoja

Vakio

Kotelointiluokka

IP54

Kotelon materiaali

Polykarbonaatti

* IQ48 max. 25 A, 600 V
*** CL48 ja CL96 max. 2,5 A, 500 V
*** Voidaan kalibroida pyydettäessä muille asennuskulmille.

C3_M10

4283

C7_W10

IQ

CQ

CL

 

Muut mittarityypit

Huippuvirtamittarit
ja huippuvirtamittarit hetkellisosoittimella

Tyyppi

QB48, QB72, QB96

Mitta-alue

X/5 A, X/1 A, 15 min.

Mitat

48x48, 72x72, 96x96 mm

 

 

Tyyppi

IQB72, IQB96

Mitta-alue

X/5 A, X/1 A, 15 min.
X/5 A, X/1 A, hetk.os.

Mitat

72x72, 96x96 mm

 

 

Tilausesimerkki

QB72 50/1 A 0-60 A
IQB96 200/5 A 0-240 A

cssac foto
QB

S7-C kombi
IQB

 

Kiertokäämimittarit sisäänrakennetulla tasasuuntajalla AC

Tyyppi

CQR48, CQR72, CQR96 neljännesast. 90°
CLR48, CLR72; CLR96 ympräast. 240°

Mitta-alue

0-1 mA...1 A AC
X/5 A, X/1 A
0-6 V...600 V AC
X/110 V

Mitat

48x48, 72x72, 96x96 mm

 

 

Tilausesimerkki

CQR72 0-10 V
CLR48 150/5 A 0-180 A

S5M_socket
CQR

valvontareleet
CLR

 

Tehomittarit (W)

Tyyppi

PQ12, PL12 1-vaihe
PQ13, PL 13 3-vaihe
symm.kuorma ilman nollajohdinta
PQ14, PL14 3-vaihde
symm.kuorma + nollajohdin
PQ23, PL23 3-vaihe
epäsymm.kuorma ilman nollajohdinta
PQ33, PL33 3-vaihe
epäsymm.kuorma+nollajohdin (ei kytketty)
PQ34, PL34 3-vaihe
epäsymm.kuorma+nollajohdin
PQ=neljännesast.90°
PL=ympyräast. 240°
ks. kytkentäohjeet

Sisääntulo

X/5 A, X/1 A, 100...500 V
X/100 V, X/110 V

Mitat

96x96 mm

Euh
PQ

Ews
PL

 

Tehomittarit (Var)

Tyyppi

QQ13, QL13 3-vaihe
symm.kuorma ilman nollajohdinta
QQ23,QL23 3-vaihe
epäsymm.kuorma ilman nollajohdinta
QQ33, QL33 3-vaihe
epäsymm.kuorma+nollajohdin (ei kytketty)
QQ=neljännesast.90°
QL=ympyräast.240°
ks. kytkentäohjeita

Sisääntulo

X/5 A, X/1 A, 100...500 V
X/100 V, X/110 V

Mitat

96x96 mm

Eih
QQ

ETM2
QL

 

Taajuusmittarit

Tyyppi

FQ72, FQ96

Jännite

110 V, 230 V, 400 V

Mitta-alue

46-54 Hz, 56-64 Hz, 375-425 Hz

Mitat

72 x 72, 96 x 96 mm

 

 

Tilausesimerkki

FQ96 46-54 Hz, 230 V

ENR
FQ

 

 

Tehokerroinmittarit

Tyyppi

PFQ12, 1-vaihe
PFQ13, 3-vaihe
neljännesasteikko 90°
PFL12, 1-vaihe
PFL13, 3-vaihe
ymp.asteikko 240°

Sisääntulo

100...400 V
X/5 A, X/1 A

Mitta-alue

CAP. 0.5-1-0.5 IND

Mitat

96x96 mm

 

 

Tilausesimerkki

PFQ13 110 V, 5 A
asteikko 0.5-0-0.5 cos

ENRM
PFQ

 

Saatavana myös digitaalisia V- ja A-mittareita. Kysy lisätietoja Keskusosastolta.

Mitat

Tekninen kuva

Mitat mm

Tyyppi

A

B

C

D

IQ 48, CQ 48, CQR 48

48 x 48

62,5

66,5

45 x 45 +0,6

QB 48

48 x 48

57,0

66,5

45 x 45 +0,6

CL 48, CLR 48

48 x 48

63,5

66,5

45 x 45 +0,6

CL 72, CLR 72, CQ 72, CQR 72, IQ 72, IQB 72, QB 72, FQ 72

72 x 72

63,5

67,5

68 x 68 +0,7

CL 96, CLR 96, CQ 96, CQR 96, IQ 96, IQB 96, QB 96, PLF 96, PFQ 12, -13, FQ 96

96 x 96

59,5

63,0

92 x 92 +0,8

FL 96, PQ 12-34, QQ 13-33

96 x 96

97,0

100,5

92 x 92 +0,8

 

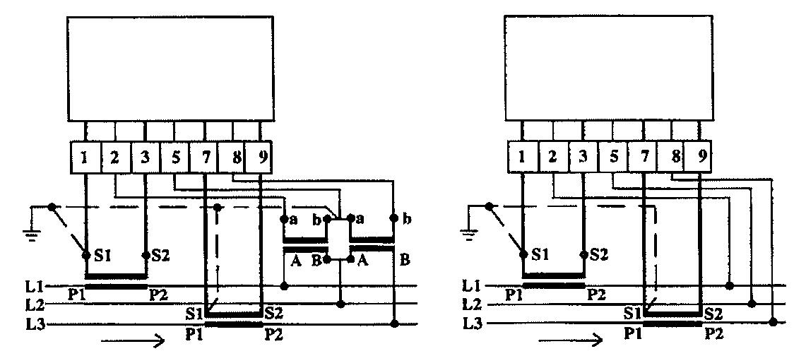
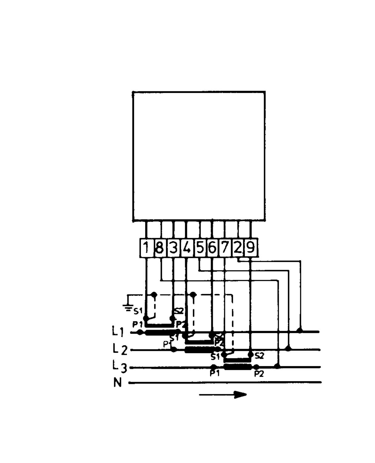
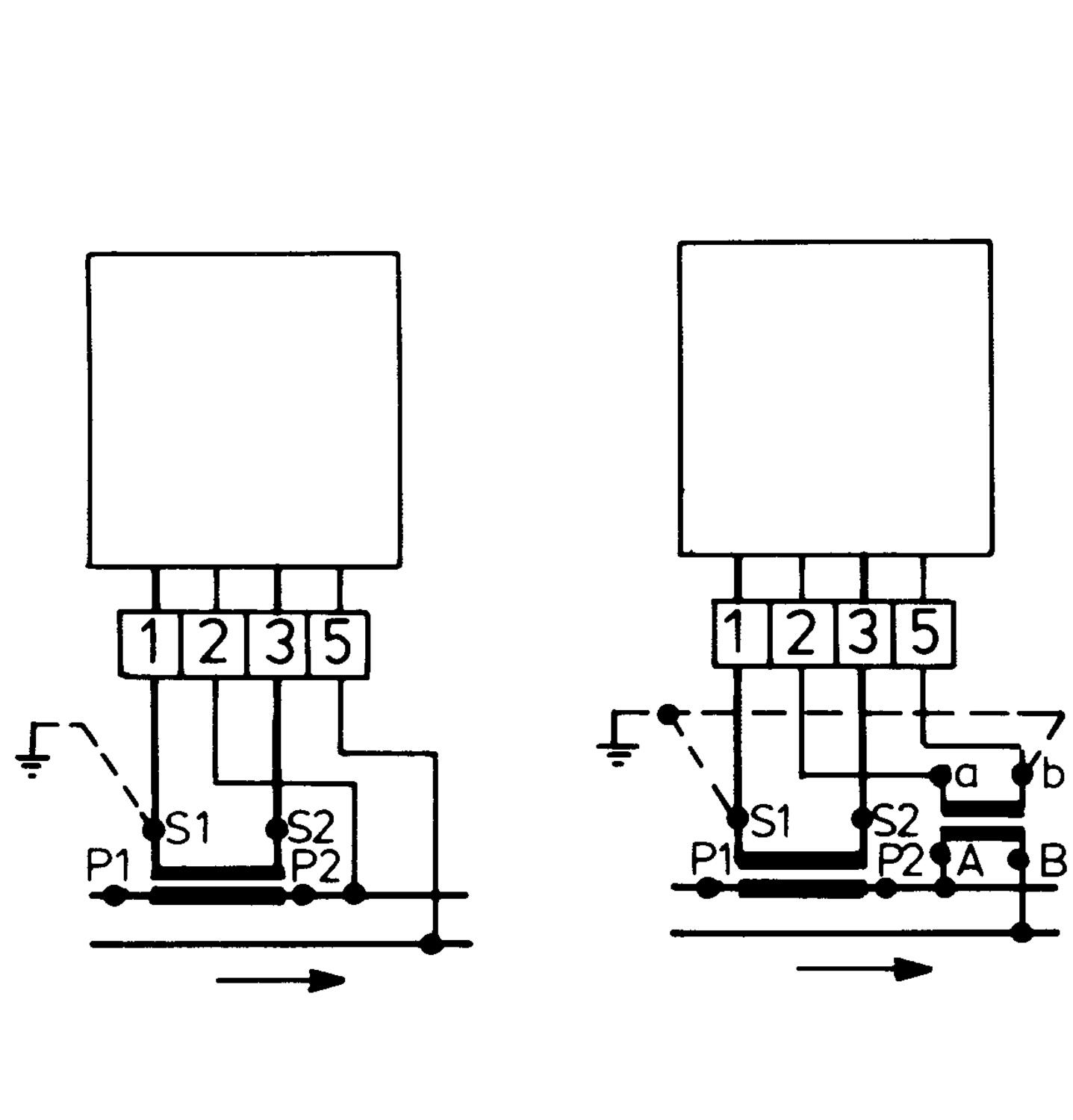
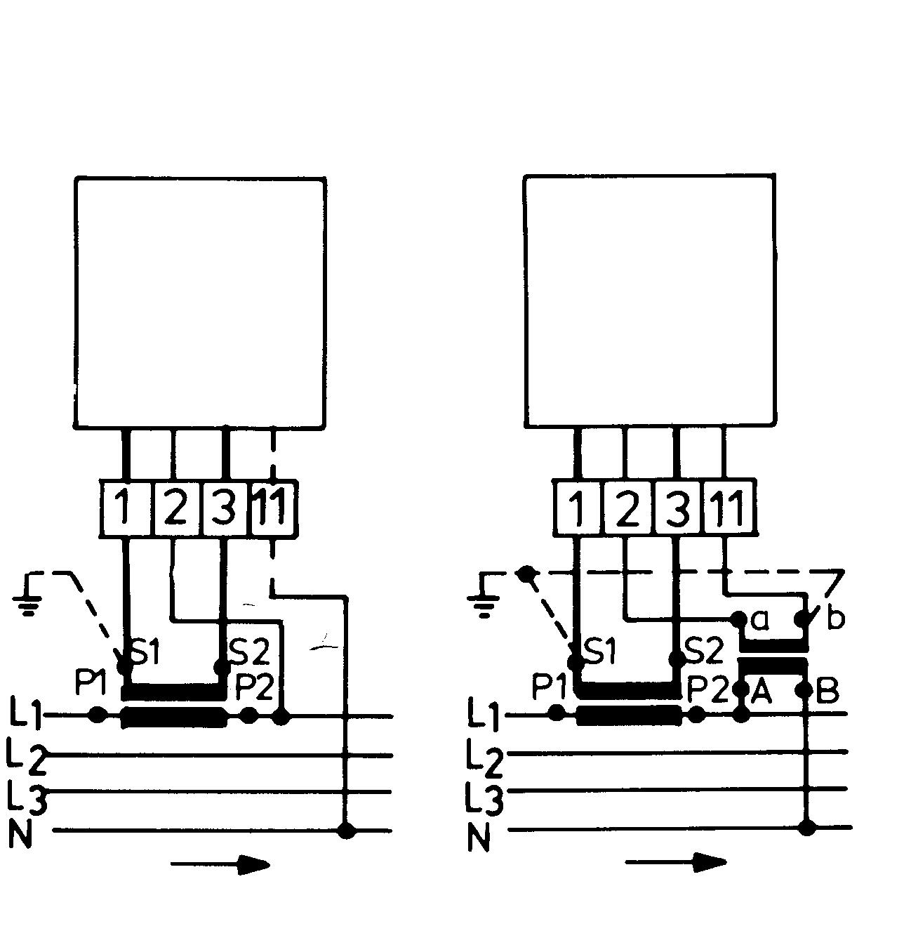
Kytkentä

PQ12/PL12

PQ13/PL13

PQ14/PL14

taulumittari tekninen kuva

241539_566.tif

241540_566.tif

PQ34/PL34

QQ13/QL13

QQ23/QL23

241542_566.tif

241543_566.tif

241544_566.tif

QQ33/QL33

PFQ12/PFL12

PFQ13/PFL13

241545_566.tif

241546_566.tif

241547_566.tif

IQ/QB/IQB/CQR/CLR/FQ

PQ23/PL23

PQ33/PL33

241549_566.tif

241550_566.tif

241552_566.tif

CQ/CL

 

 

Tekninen taulumittarikuva

 

 

 

Synkronointi-instrumentit

Synkronointimittari SY96S

Tyyppi

SY96S

Sisääntulo

100-110 V
230 V
400 V
440 V

Mitat

96 x 96 mm

 

Fn

 

Kaksoisvolttimittari WQ96/2S

Tyyppi

WA96/2S

Sisääntulo

2 x X/100-10 V
2 x 230 V
2 x 400 V
2 x 440 V

Mitat

96 x 96 mm

 

S8

 

Kaksoistaajuusmittari FQ96/2

Tyyppi

FQ96/2

Sisääntulo

2 x 100-110 V
230 V
400 V
440 V

Mitta-alue

45-50-55 Hz
55-60-65 Hz

Mitat

96 x 96 mm

 

PCP kuva

 

Kytkentä

Taulumittari tekninen kuva

 

 

Tarvikkeet



Äänitiedostot

Lisää luettavaa

Suosikit Tilausnumero: Hinta

Valittu tuote

Valitse tuote listalta.

Asiakaspalvelu
Asiakaspalvelumme vastaa kysymyksiin ja etsii ratkaisut ongelmiin. Heille voit jättää myös tilauksesi.
FAQ
+ Miten tullaan asiakkaaksenne?
+ Olen sopinut puskurivarastosta, voinko tilata verkkokaupan kautta?
+ Voiko samalla tilillä olla useita käyttäjiä?
+ Voiko samassa tilauksessa olla useampia toimituspäiviä?
+ Voiko tilauksen toimittaa väliaikaiseen toimitusosoitteeseen?
Chatti
Tarvitsetko apua?
Logo

Evästeet oem.fi sivustolla

Evästeiden avulla voimme palvella sinua paremmin ja varmistamme sivuston sujuvan toiminnan. Voit hallinnoida evästeasetuksia koska tahansa.

Toiminnalliset evästeet

Nämä evästeet ovat välttämättömiä verkkosivuston toimimiseksi, eikä niitä voi poistaa käytöstä järjestelmissämme. Niitä käytetään yleensä vain vastauksena toimiin, jotka olet tehnyt palvelupyynnön yhteydessä, esimerkiksi henkilökohtaisten asetusten määrittämisen, kirjautumisen tai lomakkeen täyttämisen yhteydessä.

Tilastolliset evästeet

Tilastollisten evästeiden avulla seuraamme verkkosivustomme kävijöiden toimintaa ja teemme analyyseja, joiden avulla voimme optimoida verkkosivustoamme. Tämä tarkoittaa, että voimme kehittää sivustoamme toimivammaksi ja palvelemaan kävijöitä paremmin. Jos et hyväksy näitä evästeitä, emme tiedä, milloin olet käynyt sivustollamme. Voit kuitenkin käyttää sivustoamme normaalisti.

Markkinointievästeet

Markkinointievästeiden avulla voimme kohdentaa sinulle mainoksia eri verkkosivustoilla tai sisältöä sosiaalisessa mediassa. Näitä evästeitä asettavat kolmannen osapuolen mainonta- ja kohdistustyökalut. Evästeiden kautta nämä toimijat voivat muodostaa profiilin kiinnostuksesi kohteista. Jos et hyväksy näitä evästeitä, et näe kohdennettua markkinointia etkä mahdollisesti voi käyttää sosiaalisen median jakotyökaluja.