LUMEL
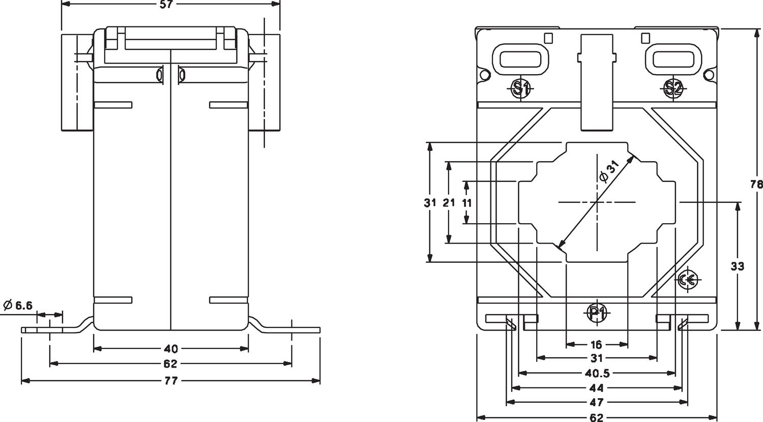
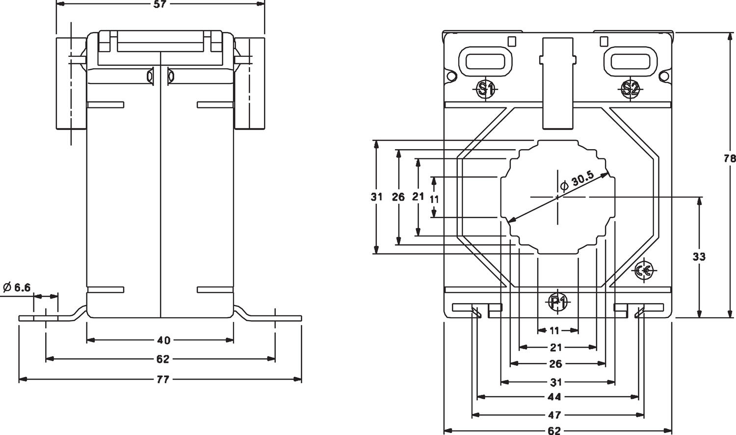
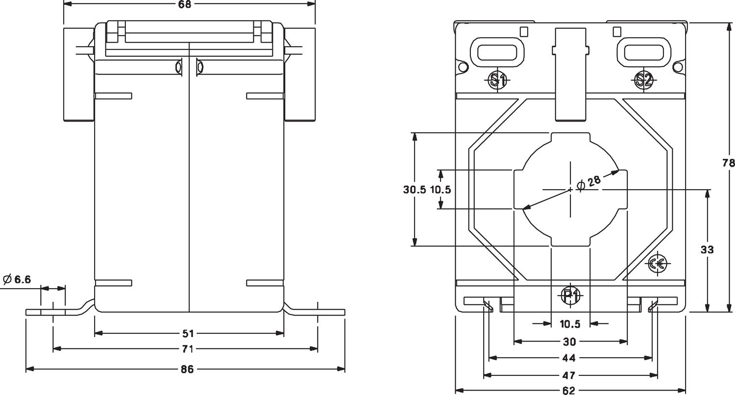
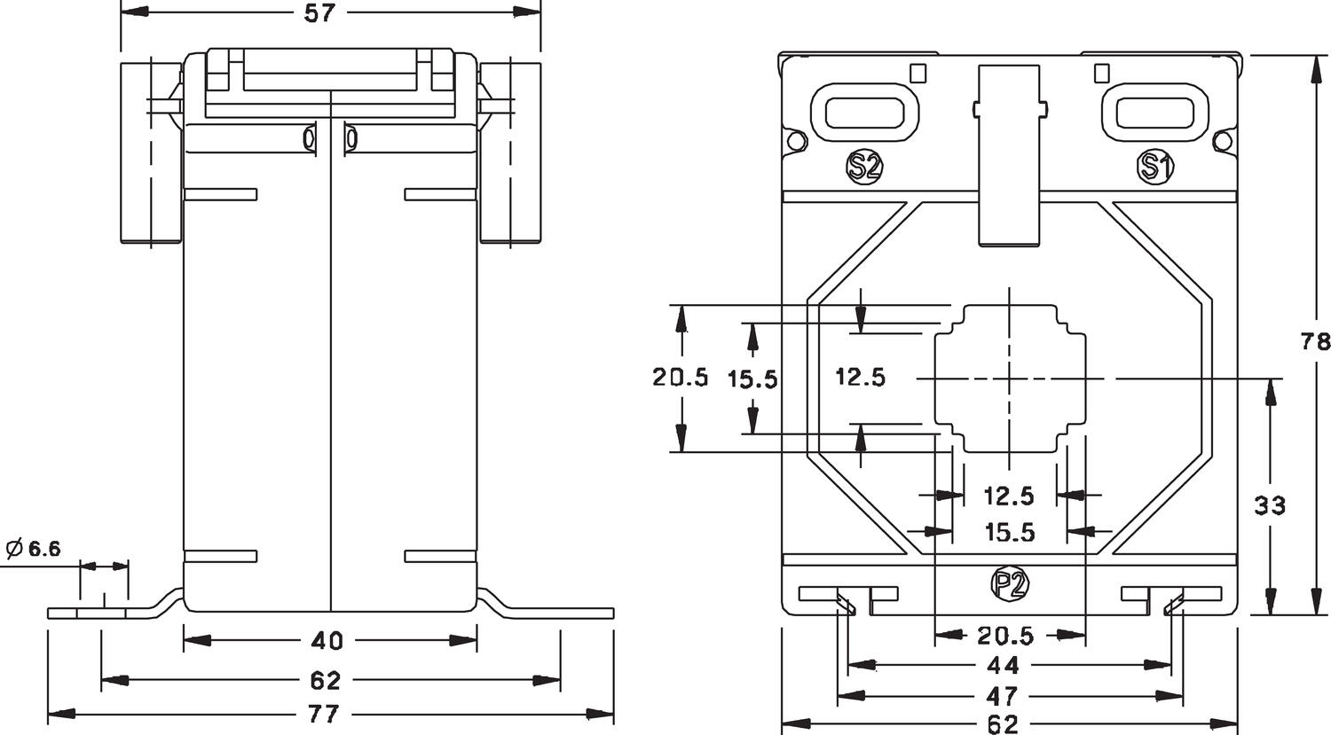
LCTB 62 virtamuuntaja on suunniteltu ensiövirran mittaukseen 40–800 A alueella. Saatavilla tarkkuusluokissa 0.2S, 0.2, 0.5S, 0.5, 1 ja 3, tämä virtamuuntaja tarjoaa poikkeuksellisen tarkkuuden ja luotettavuuden erilaisissa sähkömittaussovelluksissa. Toisiovirta voidaan valita joko 1 A tai 5 A tarpeen mukaan. LCTB 62 -mallissa on saatavilla reiän halkaisijat Ø28/Ø30 mm ja Ø31 mm, mikä mahdollistaa joustavan asennuksen erilaisiin sähköjärjestelmiin.
 
              Partex PKS Edge Clip on erinomainen valinta aurinkopaneeliasennuksiin! Kaapelikiinnikkeet tarjoavat nopean ja helpon kaapeliasennuksen ilman nippusiteitä.
 
              Wöhner kehittää ja valmistaa modulaarisia virtakiskojärjestelmiä, jotka tehostavat automaatio- ja sähkökeskusten suunnittelua ja valmistusta. Kansainväliset vaatimukset täyttävät ja UL-hyväksynnän saaneet tuotteet mahdollistavat Wöhnerin järjestelmien käytön globaalisti.
 
              Lumelin virtamuuntaja valikoima tarjoaa useita eri runkokokoja, ensiövirtoja ja tarkkuusluokkia.
 
              Teollisuusympäristöissä tapahtuvat räjähdykset voivat aiheuttaa vakavia vahinkoja sekä ihmisille että omaisuudelle. ATEX varmistaa, että sekä laitteet että työprosessit on suunniteltu minimoimaan nämä riskit ja luomaan turvallinen työympäristö.
 
              Olemme mukana Teknologia-messuilla, osastolla 6d60! Tule haistelemaan messutunnelmaa ja juttelemaan. Nähdään Helsingissä 4.–6.11.2025!
 
              PPQZ on litteä halogeenivapaa kaapelimerkki, joka toimitetaan esikatkaistuna valmiilla rei’illä. Merkintä on helppo asentaa kaapeliin nippusiteillä.
 
            
        Timo Heinonen