SCHAFFNER

1-vaiheinen EMC-suodatin, FN2070-sarja

FN2070-sarjan suodattimet ovat 2-asteisia. Ne soveltuvat kohteisiin, joissa tarvitaan erittäin hyvää symmetristen ja epäsymmetristen häiriöiden vaimennusta erityisesti korkeilla taajuuksilla.

 

 

 

 

Lue lisää
  • 1-36 A
  • DC-400 Hz
  • 2-asteinen
  • Erittäin hyvä symmetristen ja epäsymmetristen häiriöiden vaimennus, erityisesti korkeilla taajuuksilla

Valitse tuote

Valitse tuote

Valitse tuote

Tekniset tiedot

Hyväksynnät CSA 22.2 N°8 1986, EN60939, IEC 60939, UL 1283
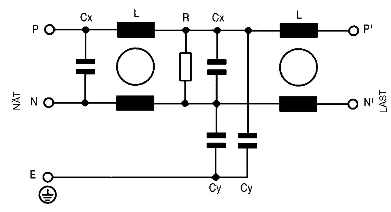
Induktanssi 22 mH
Kapasitanssi Cx 0,33 µF
Kapasitanssi Cy 4,7 nF
Koestusjännite P->PE 2000 V AC, 2 s. P->N 1100 V DC, 2 s.
Liitäntä Lattaliitin
Max. käyttöjännite 250 V AC
Max. käyttölämpötila 100 °C
Max. vuotovirta/vaihe 0,734 mA
Min. käyttölämpötila -25 °C
MTBF (Mil-HB-217F) 1550000 h @ 40° C, 230 V AC
Nimellisvirta +40 °C:ssa 1 A
Paino 0,19 kg
Paloluokka UL94-V2
Taajuus DC-400 Hz

Tiedostot

Mitat ja kytkennät

Tekniset kuvat

FN2070 Character diagram 1 A type

FN2070-sarjan vaimennuskäyrät
A=50 ?/50 ? symm. Punainen.
B=50 ?/50 ? epäsymm. Musta.
C=0,1 ?/100 ? symm.
D=100 ?/0,1 ? symm.

Tuotekuvaus

FN2070-sarjan suodattimet ovat 2-asteisia. Ne soveltuvat kohteisiin, joissa tarvitaan erittäin hyvää symmetristen ja epäsymmetristen häiriöiden vaimennusta erityisesti korkeilla taajuuksilla.

 

 

 

 

Tarvikkeet



Äänitiedostot

Lisää luettavaa

Uudet F-kaasuvaatimukset jäähdytyslaitteille
Tuki

F-kaasuasetus (EU) 2024/573 – Uudet vaatimukset jäähdytyslaitteille

Uusi F-kaasuasetus (EU) 2024/573 muuttaa jäähdytys- ja ilmastointijärjestelmien edellytyksiä teollisissa sovelluksissa. Tiukennetut vaatimukset fluoratuille kasvihuonekaasuille tarkoittavat, että monet nykyiset ratkaisut poistetaan asteittain käytöstä – samalla kun väärän teknologian valinta voi tulla kalliiksi tulevaisuudessa.

Conta-Clip kaapeliläpiviennit elintarviketeollisuuteen
Tuoteuutiset

CONTA-CLIP - FDA-yhteensopivat kaapeliläpivientiratkaisut elintarviketeollisuuteen

CONTA-CLIP tarjoaa elintarviketeollisuuden vaatimuksiin suunniteltuja kaapeliläpivientiratkaisuja, jotka on valmistettu FDA-yhteensopivista materiaaleista.

Advantech paneeli-PC
Tuoteuutiset

Advantech Panel PC - ratkaisut – Tehokkuutta, luotettavuutta ja automaation hallintaa

Advantechin paneeli PC:t toimivat keskeisenä käyttöliittymänä erilaisissa automaatiojärjestelmissä. Lue lisää!

Puls Planet SP960 -teholähde
Tuoteuutiset

Uuden sukupolven DIN-kiskovirtalähteet

PULS on esitellyt uuden sukupolven PLANET-teholähdesarjan, joka asettaa uudet standardit teollisuuden DIN-kiskovirtalähteille yhdistämällä ennätyskorkean hyötysuhteen ja erittäin kompaktin koon.

Partex PPQZ
Tuoteuutiset

PPQZ halogeenivapaa kaapelimerkki

PPQZ on litteä halogeenivapaa kaapelimerkki, joka toimitetaan esikatkaistuna valmiilla rei’illä. Merkintä on helppo asentaa kaapeliin nippusiteillä.

Partex PPD
Tuoteuutiset

PPD – litteä ja halogeenivapaa kaapelimerkki

Etsitkö luotettavaa, helppoa ja kestävää ratkaisua kaapelien ja letkujen merkintään? Nämä tasaiset, polyolefiinista valmistetut merkit ovat suunniteltu tehostamaan asennustyötä ja parantamaan turvallisuutta teollisuusympäristöissä.

Suosikit Tilausnumero: Induktanssi Kapasitanssi Cx Liitäntä Nimellisvirta +40 °C:ssa Paino Hinta
22 mH
0,33 µF
Lattaliitin
1 A
0,19 kg
9,8 mH
0,47 µF
Lattaliitin
3 A
0,25 kg
7,8 mH
1 µF
Lattaliitin
6 A
0,45 kg
4,5 mH
1 µF
Lattaliitin
10 A
0,67 kg
3,25 mH
1 µF
Lattaliitin
12 A
0,67 kg
2,8 mH
1 µF
Lattaliitin
16 A
1 kg
2,8 mH
1 µF
Pultti
16 A
1 kg

Valittu tuote

Valitse tuote listalta.

Teknisiä neuvoja

Jouni Pulli

Tuotepäällikkö

Asiakaspalvelu
Asiakaspalvelumme vastaa kysymyksiin ja etsii ratkaisut ongelmiin. Heille voit jättää myös tilauksesi.
FAQ
+ Miten tullaan asiakkaaksenne?
+ Olen sopinut puskurivarastosta, voinko tilata verkkokaupan kautta?
+ Voiko samalla tilillä olla useita käyttäjiä?
+ Voiko samassa tilauksessa olla useampia toimituspäiviä?
+ Voiko tilauksen toimittaa väliaikaiseen toimitusosoitteeseen?
Chatti
Tarvitsetko apua?
Logo

Evästeet oem.fi sivustolla

Evästeiden avulla voimme palvella sinua paremmin ja varmistamme sivuston sujuvan toiminnan. Voit hallinnoida evästeasetuksia koska tahansa.

Toiminnalliset evästeet

Nämä evästeet ovat välttämättömiä verkkosivuston toimimiseksi, eikä niitä voi poistaa käytöstä järjestelmissämme. Niitä käytetään yleensä vain vastauksena toimiin, jotka olet tehnyt palvelupyynnön yhteydessä, esimerkiksi henkilökohtaisten asetusten määrittämisen, kirjautumisen tai lomakkeen täyttämisen yhteydessä.

Tilastolliset evästeet

Tilastollisten evästeiden avulla seuraamme verkkosivustomme kävijöiden toimintaa ja teemme analyyseja, joiden avulla voimme optimoida verkkosivustoamme. Tämä tarkoittaa, että voimme kehittää sivustoamme toimivammaksi ja palvelemaan kävijöitä paremmin. Jos et hyväksy näitä evästeitä, emme tiedä, milloin olet käynyt sivustollamme. Voit kuitenkin käyttää sivustoamme normaalisti.

Markkinointievästeet

Markkinointievästeiden avulla voimme kohdentaa sinulle mainoksia eri verkkosivustoilla tai sisältöä sosiaalisessa mediassa. Näitä evästeitä asettavat kolmannen osapuolen mainonta- ja kohdistustyökalut. Evästeiden kautta nämä toimijat voivat muodostaa profiilin kiinnostuksesi kohteista. Jos et hyväksy näitä evästeitä, et näe kohdennettua markkinointia etkä mahdollisesti voi käyttää sosiaalisen median jakotyökaluja.