SCHAFFNER

IEC-liitinsuodatin FN9222R

FN9222 on kompakti, uros kojerunkoliitin häiriösuotimella. Siinä on kokoonsa nähden hyvä suorituskyky.
Perusmallissa on 6,3 x 0,8 mm
2 lattaliittimet. Medical-versiossa ei ole Y-kondensaattoreita ja näin vuotovirta on erittäin pieni.

Lue lisää
  • 1-15 A / DC-400 Hz
  • Paneeliasennus
  • Purkuvastuksella
  • Myös Medical-versioita

Valitse tuote

Valitse tuote

Valitse tuote

Tekniset tiedot

Hyväksynnät CSA 22.2 N°8 1986, EN60939, IEC 60939, UL 1283
Induktanssi 12 mH
IP-luokka IP40
Kapasitanssi Cx 0,1 µF
Kapasitanssi Cy 2,2 nF
Koestusjännite P->PE 2000 V AC, 2 s. P->N 1100 V DC, 2 s (16 A & 20 A). P->N 1000 V AC, 2 s (1-10 A).
Liitäntä Lattaliitin
Max. käyttöjännite 250 V AC
Max. käyttölämpötila 85 °C
Max. vuotovirta/vaihe 0,373 mA
Min. käyttölämpötila -25 °C
MTBF (Mil-HB-217F) 2256000 h @ 40° C, 230 V AC
Nimellisvirta +50 °C:ssa 1 A
Paino 0,04 kg
Paloluokka UL94-V2
Resistanssi 1000 kΩ
Taajuus DC-400 Hz

Tiedostot

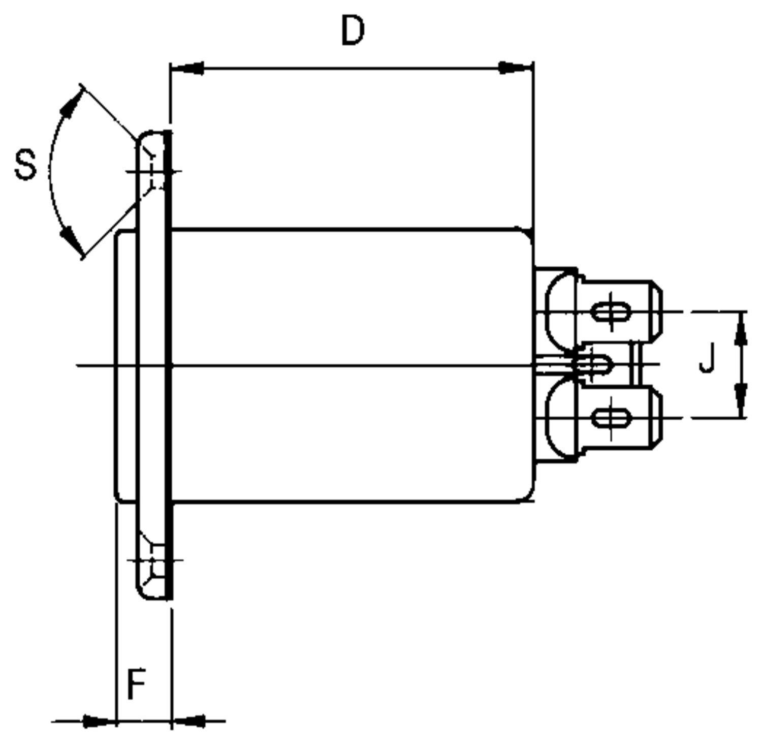
Mitat ja kytkennät

Tekniset kuvat

Vaimennuskäyrät

FN9222-sarjan vaimennuskäyrät
A=50 ?/50 ? symm. Punainen
B=50 ?/50 ? epäsysm. Musta
C=0,1 ?/100 ? symm.
D=100 ?/0,1 ? symm.

Tuotekuvaus

FN9222 on kompakti, uros kojerunkoliitin häiriösuotimella. Siinä on kokoonsa nähden hyvä suorituskyky.
Perusmallissa on 6,3 x 0,8 mm
2 lattaliittimet. Medical-versiossa ei ole Y-kondensaattoreita ja näin vuotovirta on erittäin pieni.

Tarvikkeet



Äänitiedostot

Lisää luettavaa

Olemme sähkömessuilla
Yleistä

Olemme mukana Sähkö–Electricity-messuilla!

Sähkö–Electricity 26 on uusi kansainvälinen sähköalan ammattitapahtuma, joka kattaa koko toimialan. Tule käymään ja katso mitä osastoltamme 7g120 löytyy!

Delcon releet referenssi
Asiakascase

Oikea relevalinta säästi aikaa ja rahaa

Ratkaisimme jatkuvat relehaasteet korkealaatuisen koneenrakennusteräksen valmistajan Ovakon tehtaassa. Lue jutustamme miten se tehtiin!

Uudet F-kaasuvaatimukset jäähdytyslaitteille
Tuki

F-kaasuasetus (EU) 2024/573 – Uudet vaatimukset jäähdytyslaitteille

Uusi F-kaasuasetus (EU) 2024/573 muuttaa jäähdytys- ja ilmastointijärjestelmien edellytyksiä teollisissa sovelluksissa. Tiukennetut vaatimukset fluoratuille kasvihuonekaasuille tarkoittavat, että monet nykyiset ratkaisut poistetaan asteittain käytöstä – samalla kun väärän teknologian valinta voi tulla kalliiksi tulevaisuudessa.

Conta-Clip kaapeliläpiviennit elintarviketeollisuuteen
Tuoteuutiset

CONTA-CLIP - FDA-yhteensopivat kaapeliläpivientiratkaisut elintarviketeollisuuteen

CONTA-CLIP tarjoaa elintarviketeollisuuden vaatimuksiin suunniteltuja kaapeliläpivientiratkaisuja, jotka on valmistettu FDA-yhteensopivista materiaaleista.

Advantech paneeli-PC
Tuoteuutiset

Advantech Panel PC - ratkaisut – Tehokkuutta, luotettavuutta ja automaation hallintaa

Advantechin paneeli PC:t toimivat keskeisenä käyttöliittymänä erilaisissa automaatiojärjestelmissä. Lue lisää!

Partex PPQZ
Tuoteuutiset

PPQZ halogeenivapaa kaapelimerkki

PPQZ on litteä halogeenivapaa kaapelimerkki, joka toimitetaan esikatkaistuna valmiilla rei’illä. Merkintä on helppo asentaa kaapeliin nippusiteillä.

Suosikit Tilausnumero: Hyväksynnät Induktanssi IP-luokka Kapasitanssi Cx Kapasitanssi Cy Koestusjännite Liitäntä Max. käyttöjännite Max. käyttölämpötila Max. vuotovirta/vaihe Min. käyttölämpötila MTBF (Mil-HB-217F) Nimellisvirta +40 °C:ssa Nimellisvirta +50 °C:ssa Paino Paloluokka Resistanssi Taajuus Hinta
CSA 22.2 N°8 1986, EN60939, IEC 60939, UL 1283
12 mH
IP40
0,1 µF
2,2 nF
P->PE 2000 V AC, 2 s. P->N 1100 V DC, 2 s (16 A & 20 A). P->N 1000 V AC, 2 s (1-10 A).
Lattaliitin
250 V AC
85 °C
0,373 mA
-25 °C
2256000 h @ 40° C, 230 V AC
1 A
0,04 kg
UL94-V2
1000 kΩ
DC-400 Hz
CSA 22.2 N°8 1986, EN60939, IEC 60939, UL 1283
2,5 mH
IP40
0,1 µF
2,2 nF
P->PE 2000 V AC, 2 s. P->N 1100 V DC, 2 s (16 A & 20 A). P->N 1000 V AC, 2 s (1-10 A).
Lattaliitin
250 V AC
85 °C
0,373 mA
-25 °C
2256000 h @ 40° C, 230 V AC
3 A
0,04 kg
UL94-V2
1000 kΩ
DC-400 Hz
CSA 22.2 N°8 1986, EN60939, IEC 60939, UL 1283
0,78 mH
IP40
0,1 µF
2,2 nF
P->PE 2000 V AC, 2 s. P->N 1100 V DC, 2 s (16 A & 20 A). P->N 1000 V AC, 2 s (1-10 A).
Lattaliitin
250 V AC
85 °C
0,373 mA
-25 °C
2256000 h @ 40° C, 230 V AC
6 A
0,04 kg
UL94-V2
1000 kΩ
DC-400 Hz
CSA 22.2 N°8 1986, EN60939, IEC 60939, UL 1283
0,225 mH
0,1 µF
2,2 nF
P->PE 2000 V AC, 2 s. P->N 1100 V DC, 2 s (30 A & 60 A). P->N 760 V DC, 2 s (1-20 A).
Lattaliitin
250 V AC
100 °C
0,373 mA
-25 °C
2256000 h @ 40° C, 230 V AC
10 A
0,04 kg
UL94-V2
1000 kΩ
DC-400 Hz
CSA 22.2 N°8 1986, EN60939, IEC 60939, UL 1283
0,11 mH
IP40
0,1 µF
2,2 nF
P->PE 2000 V AC, 2 s. P->N 1100 V DC, 2 s (16 A & 20 A). P->N 1000 V AC, 2 s (1-10 A).
Lattaliitin
250 V AC
85 °C
0,373 mA
-25 °C
2256000 h @ 40° C, 230 V AC
12 A
0,04 kg
UL94-V2
1000 kΩ
DC-400 Hz
CSA 22.2 N°8 1986, EN60939, IEC 60939, UL 1283
0,075 mH
IP40
0,1 µF
2,2 nF
P->PE 2000 V AC, 2 s. P->N 1100 V DC, 2 s (16 A & 20 A). P->N 1000 V AC, 2 s (1-10 A).
Lattaliitin
250 V AC
85 °C
0,373 mA
-25 °C
2256000 h @ 40° C, 230 V AC
15 A
0,04 kg
UL94-V2
1000 kΩ
DC-400 Hz
2 A

Valittu tuote

Valitse tuote listalta.

Teknisiä neuvoja

Jouni Pulli

Tuotepäällikkö

Asiakaspalvelu
Asiakaspalvelumme vastaa kysymyksiin ja etsii ratkaisut ongelmiin. Heille voit jättää myös tilauksesi.
FAQ
+ Miten tullaan asiakkaaksenne?
+ Olen sopinut puskurivarastosta, voinko tilata verkkokaupan kautta?
+ Voiko samalla tilillä olla useita käyttäjiä?
+ Voiko samassa tilauksessa olla useampia toimituspäiviä?
+ Voiko tilauksen toimittaa väliaikaiseen toimitusosoitteeseen?
Chatti
Tarvitsetko apua?