LOVATO

Monitoimimittari DIN-kiskoon

DMG200, DMG210

DMG200 ja DMG210 ovat kaksi monitoimittaria, jotka on kehitetty yhdistämään korkea käyttäjäystävällisyys ja laaja valikoima kehittyneitä ominaisuuksia. Korkea mittaustarkkuus True RMS -arvoilla. Graafinen LCD-näyttö (128x80 pikseliä). DM210 mallissa RS485 (Modbus).

 

100-240 VAC-syöttöjännitteellä laitetta voidaan käyttää sovelluksissa maailmanlaajuisesti.

Lue lisää
  • Graafinen LCD-näyttö
  • DM210 mallissa RS485 (Modbus)
  • Leveys vain 72mm
  • LV-, MV- ja HV-sovelluksiin

Valitse tuote

Valitse tuote

Valitse tuote

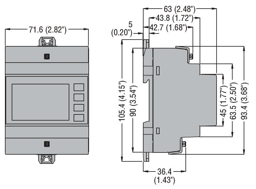
Tekniset tiedot

Asennus DIN-kiskoon
Etupaneelin IP-luokka IP40
Hyväksynnät CSA C22.2-N°14, EN61000-6-2, EN61000-6-3, EN61010-1, UL 508
Käyttöjännitesyötön johdikoko 6x 0,2..4 mm²
Käyttöjännitesyötön liitinten kiristysmomentti 0,8
Laajennettavuus Ei
LED Kyllä
Liittimien IP-luokka IP20
Max. käyttölämpötila 60 °C
Max. syöttöjännite AC 240 V AC
Max. syöttöjännite DC 250 V DC
Max. taajuus 66 Hz
Max. varastointilämpötila 80 °C
Min. käyttölämpötila -20 °C
Min. syöttöjännite AC 100 V AC
Min. syöttöjännite DC 110 V DC
Min. taajuus 45 Hz
Min. varastointilämpötila -30 °C
Mitattava suure True RMS
Mittaustarkkuus (L-L) ±0,5 % (20...830 V AC)
Mittaustarkkuus (L-N) ±0,5 % (10...480 V AC)
Mittaustarkkuus, taajuus ±0,1 %
Paino 0,294 kg
Tehonkulutus 1,2 W
Virrankulutus 3,5 VA
Virtamuuntajatulojen johdikoko 6x 0,2..2,5 mm²
Virtamuuntajatulojen kiristysmomentti 0,44

Tuotekuvaus

DMG200 ja DMG210 ovat kaksi monitoimittaria, jotka on kehitetty yhdistämään korkea käyttäjäystävällisyys ja laaja valikoima kehittyneitä ominaisuuksia. Korkea mittaustarkkuus True RMS -arvoilla. Graafinen LCD-näyttö (128x80 pikseliä). DM210 mallissa RS485 (Modbus).

 

100-240 VAC-syöttöjännitteellä laitetta voidaan käyttää sovelluksissa maailmanlaajuisesti.

Tilaustiedot

DMG-sarjan digitaaliset monitoimimittarit ovat saatavilla DIN-kiskoasennukseen moduulimitoitetussa kotelossa. 3-vaiheiheset mittarit ovat 4 moduulin levyisiä ja ne ovat varustettu taustavalaistulla isolla näytöllä sekä intuitiivisella ja selkeällä käyttöliittymällä. DMG210-mittarissa on sisäänrakennettu RS485-rajapinta, muuten ominaisuudet vastaavat DMG200-mittaria.

Tarvikkeet

Saatat olla kiinnostunut näistä



Äänitiedostot

Lisää luettavaa

Suosikit Tilausnumero: Paino RS485 Tehonkulutus Virrankulutus Virtamuuntajatulojen johdikoko Hinta
0,294 kg
1,2 W
3,5 VA
6x 0,2..2,5 mm²
0,3 kg
Kyllä
1,7 W
4,5 VA
10x 0,2..2,5 mm²

Valittu tuote

Valitse tuote listalta.

Teknisiä neuvoja

Timo Heinonen

Tuotepäällikkö

Asiakaspalvelu
Asiakaspalvelumme vastaa kysymyksiin ja etsii ratkaisut ongelmiin. Heille voit jättää myös tilauksesi.
FAQ
+ Miten tullaan asiakkaaksenne?
+ Olen sopinut puskurivarastosta, voinko tilata verkkokaupan kautta?
+ Voiko samalla tilillä olla useita käyttäjiä?
+ Voiko samassa tilauksessa olla useampia toimituspäiviä?
+ Voiko tilauksen toimittaa väliaikaiseen toimitusosoitteeseen?
Chatti
Tarvitsetko apua?
Logo

Evästeet oem.fi sivustolla

Evästeiden avulla voimme palvella sinua paremmin ja varmistamme sivuston sujuvan toiminnan. Voit hallinnoida evästeasetuksia koska tahansa.

Toiminnalliset evästeet

Nämä evästeet ovat välttämättömiä verkkosivuston toimimiseksi, eikä niitä voi poistaa käytöstä järjestelmissämme. Niitä käytetään yleensä vain vastauksena toimiin, jotka olet tehnyt palvelupyynnön yhteydessä, esimerkiksi henkilökohtaisten asetusten määrittämisen, kirjautumisen tai lomakkeen täyttämisen yhteydessä.

Tilastolliset evästeet

Tilastollisten evästeiden avulla seuraamme verkkosivustomme kävijöiden toimintaa ja teemme analyyseja, joiden avulla voimme optimoida verkkosivustoamme. Tämä tarkoittaa, että voimme kehittää sivustoamme toimivammaksi ja palvelemaan kävijöitä paremmin. Jos et hyväksy näitä evästeitä, emme tiedä, milloin olet käynyt sivustollamme. Voit kuitenkin käyttää sivustoamme normaalisti.

Markkinointievästeet

Markkinointievästeiden avulla voimme kohdentaa sinulle mainoksia eri verkkosivustoilla tai sisältöä sosiaalisessa mediassa. Näitä evästeitä asettavat kolmannen osapuolen mainonta- ja kohdistustyökalut. Evästeiden kautta nämä toimijat voivat muodostaa profiilin kiinnostuksesi kohteista. Jos et hyväksy näitä evästeitä, et näe kohdennettua markkinointia etkä mahdollisesti voi käyttää sosiaalisen median jakotyökaluja.