BERNSTEIN

Polyesterikotelot

Sarjan CP ja CPS polyesterikotelot valmistetaan lasikuituvahvisteisesta polyesteristä. Ne soveltuvat erityisen hyvin sähköisten ja elektronisten komponenttien kotelointiin vaativissa ympäristöissä tai mahdollisesti räjähdysalttiissa tilassa.Kotelon pohjassa on ruuvien paikat esim. DIN-kiskon asennusra varten.

 

Lue lisää
  • Lasikuituvahvistettu
  • Sopii vaativaan ympäristöön
  • Iskunkestävä
  • Korkea kotelointiluokka, IP66

Valitse tuote

Valitse tuote

Valitse tuote

Tekniset tiedot

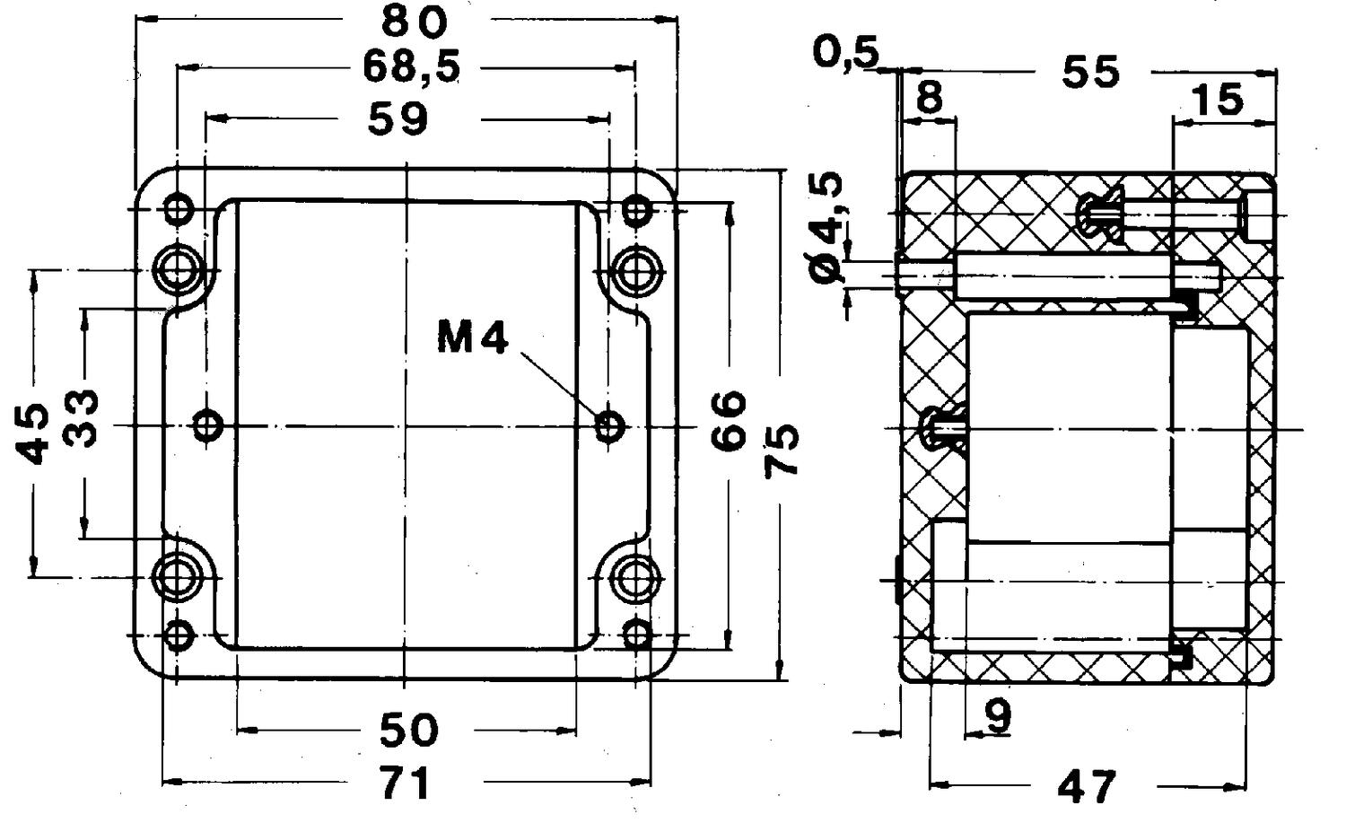
Mitat

Leveys 80 mm
Korkeus 75 mm
Syvyys 55 mm

Suojaus ja hyväksynnät

IP-luokka IP66
Hyväksynnät GL, UL
Min. käyttölämpötila -40 °C
Max. käyttölämpötila 80 °C
Väri Harmaa RAL 7000
Materiaali Polyesteri

Mitat ja kytkennät

Tekniset kuvat

Tuotekuvaus

Sarjan CP ja CPS polyesterikotelot valmistetaan lasikuituvahvisteisesta polyesteristä. Ne soveltuvat erityisen hyvin sähköisten ja elektronisten komponenttien kotelointiin vaativissa ympäristöissä tai mahdollisesti räjähdysalttiissa tilassa.Kotelon pohjassa on ruuvien paikat esim. DIN-kiskon asennusra varten.

 

Tilaustiedot

Koteloihin saatavissa paljon lisätarvikkeita, katso linkki sivun lopusta. 

Tarvikkeet

Saatat olla kiinnostunut näistä



Äänitiedostot

Lisää luettavaa

IDE Electric kytkentäkaapit
Tuoteuutiset

Kytkentäkaappi suojaa komponentit

IDE Electricin Argenta-sarja koostuu laajasta valikoimasta kytkentäkaappeja, jotka on suunniteltu vastaamaan vaativimpiinkin teollisuuden tarpeisiin.

Delcon releet referenssi
Asiakascase

Oikea relevalinta säästi aikaa ja rahaa

Ratkaisimme jatkuvat relehaasteet korkealaatuisen koneenrakennusteräksen valmistajan Ovakon tehtaassa. Lue jutustamme miten se tehtiin!

Uudet F-kaasuvaatimukset jäähdytyslaitteille
Tuki

F-kaasuasetus (EU) 2024/573 – Uudet vaatimukset jäähdytyslaitteille

Uusi F-kaasuasetus (EU) 2024/573 muuttaa jäähdytys- ja ilmastointijärjestelmien edellytyksiä teollisissa sovelluksissa. Tiukennetut vaatimukset fluoratuille kasvihuonekaasuille tarkoittavat, että monet nykyiset ratkaisut poistetaan asteittain käytöstä – samalla kun väärän teknologian valinta voi tulla kalliiksi tulevaisuudessa.

Conta-Clip kaapeliläpiviennit elintarviketeollisuuteen
Tuoteuutiset

CONTA-CLIP - FDA-yhteensopivat kaapeliläpivientiratkaisut elintarviketeollisuuteen

CONTA-CLIP tarjoaa elintarviketeollisuuden vaatimuksiin suunniteltuja kaapeliläpivientiratkaisuja, jotka on valmistettu FDA-yhteensopivista materiaaleista.

Advantech paneeli-PC
Tuoteuutiset

Advantech Panel PC - ratkaisut – Tehokkuutta, luotettavuutta ja automaation hallintaa

Advantechin paneeli PC:t toimivat keskeisenä käyttöliittymänä erilaisissa automaatiojärjestelmissä. Lue lisää!

Puls Planet SP960 -teholähde
Tuoteuutiset

Uuden sukupolven DIN-kiskovirtalähteet

PULS on esitellyt uuden sukupolven PLANET-teholähdesarjan, joka asettaa uudet standardit teollisuuden DIN-kiskovirtalähteille yhdistämällä ennätyskorkean hyötysuhteen ja erittäin kompaktin koon.

Suosikit Tilausnumero: Leveys Korkeus Syvyys IP-luokka Hyväksynnät Min. käyttölämpötila Max. käyttölämpötila Väri Materiaali Hinta
80 mm
75 mm
55 mm
IP66
GL, UL
-40 °C
80 °C
Harmaa RAL 7000
Polyesteri
110 mm
75 mm
55 mm
IP66
GL, UL
-40 °C
80 °C
Harmaa RAL 7000
Polyesteri
160 mm
75 mm
55 mm
IP66
GL, UL
-40 °C
80 °C
Harmaa RAL 7000
Polyesteri
190 mm
75 mm
55 mm
IP66
GL, UL
-40 °C
80 °C
Harmaa RAL 7000
Polyesteri
122 mm
120 mm
90 mm
IP66
GL, UL
-40 °C
80 °C
Harmaa RAL 7000
Polyesteri
220 mm
120 mm
90 mm
IP66
GL, UL
-40 °C
80 °C
Harmaa RAL 7000
Polyesteri
160 mm
160 mm
90 mm
IP66
GL, UL
-40 °C
80 °C
Harmaa RAL 7000
Polyesteri
260 mm
160 mm
91 mm
IP66
GL, UL
-40 °C
80 °C
Harmaa RAL 7000
Polyesteri
360 mm
160 mm
91 mm
IP66
GL, UL
-40 °C
80 °C
Harmaa RAL 7000
Polyesteri
560 mm
160 mm
91 mm
IP66
GL, UL
-40 °C
80 °C
Harmaa RAL 7000
Polyesteri
255 mm
250 mm
120 mm
IP66
GL, UL
-40 °C
80 °C
Harmaa RAL 7000
Polyesteri
400 mm
250 mm
120 mm
IP66
GL, UL
-40 °C
80 °C
Harmaa RAL 7000
Polyesteri
400 mm
405 mm
120 mm
IP66
GL, UL
-40 °C
80 °C
Harmaa RAL 7000
Polyesteri
400 mm
405 mm
165 mm
IP66
GL, UL
-40 °C
80 °C
Harmaa RAL 7000
Polyesteri

Valittu tuote

Valitse tuote listalta.

Teknisiä neuvoja

Riku Eerola

Tuotepäällikkö

Asiakaspalvelu
Asiakaspalvelumme vastaa kysymyksiin ja etsii ratkaisut ongelmiin. Heille voit jättää myös tilauksesi.
FAQ
+ Miten tullaan asiakkaaksenne?
+ Olen sopinut puskurivarastosta, voinko tilata verkkokaupan kautta?
+ Voiko samalla tilillä olla useita käyttäjiä?
+ Voiko samassa tilauksessa olla useampia toimituspäiviä?
+ Voiko tilauksen toimittaa väliaikaiseen toimitusosoitteeseen?
Chatti
Tarvitsetko apua?
Logo

Evästeet oem.fi sivustolla

Evästeiden avulla voimme palvella sinua paremmin ja varmistamme sivuston sujuvan toiminnan. Voit hallinnoida evästeasetuksia koska tahansa.

Toiminnalliset evästeet

Nämä evästeet ovat välttämättömiä verkkosivuston toimimiseksi, eikä niitä voi poistaa käytöstä järjestelmissämme. Niitä käytetään yleensä vain vastauksena toimiin, jotka olet tehnyt palvelupyynnön yhteydessä, esimerkiksi henkilökohtaisten asetusten määrittämisen, kirjautumisen tai lomakkeen täyttämisen yhteydessä.

Tilastolliset evästeet

Tilastollisten evästeiden avulla seuraamme verkkosivustomme kävijöiden toimintaa ja teemme analyyseja, joiden avulla voimme optimoida verkkosivustoamme. Tämä tarkoittaa, että voimme kehittää sivustoamme toimivammaksi ja palvelemaan kävijöitä paremmin. Jos et hyväksy näitä evästeitä, emme tiedä, milloin olet käynyt sivustollamme. Voit kuitenkin käyttää sivustoamme normaalisti.

Markkinointievästeet

Markkinointievästeiden avulla voimme kohdentaa sinulle mainoksia eri verkkosivustoilla tai sisältöä sosiaalisessa mediassa. Näitä evästeitä asettavat kolmannen osapuolen mainonta- ja kohdistustyökalut. Evästeiden kautta nämä toimijat voivat muodostaa profiilin kiinnostuksesi kohteista. Jos et hyväksy näitä evästeitä, et näe kohdennettua markkinointia etkä mahdollisesti voi käyttää sosiaalisen median jakotyökaluja.