CAL CONTROLS

CAL 9400-sarjan lämpötilasäätimet, 48 x 48 mm

Standardi sisääntulolla tarkoitetaan 2-johdin Pt100-, termoelementti- ja mV-sisääntuloa. Käyttämällä 1 ohmin vastusta (1 %) mV-sisääntulossa voidaan säätimeen syöttää standardivirtaviestiä (4-20 mA tai 0-20 mA). Lisäksi 9500P säätimessä on mahdollista käyttää myös 3-johtimista Pt100-anturia. CAL 9400 säätimissä standardisisääntulo on aina vakiona. Niissä on myös keskenään samanlainen ohjelmointi. 9400-sarjan säätimet voidaan varustaa myös jälkeenpäin RS232- tai RS485-kortilla.

 

Lue lisää
  • PID-säädin kirkkaalla LED-näytöllä
  • Asetus- ja mittausarvon näyttö
  • Kaksi lähtöä vakiona
  • Helppo perusasettelu ja suomenkielinen pikaohje
  • Etulevy IP66

Valitse tuote

Valitse tuote

Valitse tuote

Tekniset tiedot

Numeroiden lukumäärä 4
Min. käyttöjännite AC 90 V
Max. käyttöjännite AC 264 V
Paneelin koko 48x48 mm
Max. termostaatin käyttölämpötila 50 °C
Ulostulo Logiikka (SSR), 1 x rele
Paino 130 g
Hyväksynnät CE, CSA, EMC, UL, FM
Numeroiden korkeus 10 mm
Digitaalitulo Ei
Taajuus 50-60
Etupaneelin IP-luokka IP66
Kotelon materiaali Polykarbonaatti
Asennus Paneeliasennus

Mitat ja kytkennät

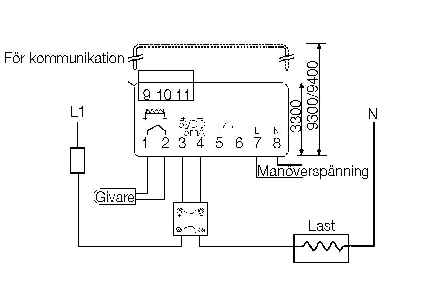
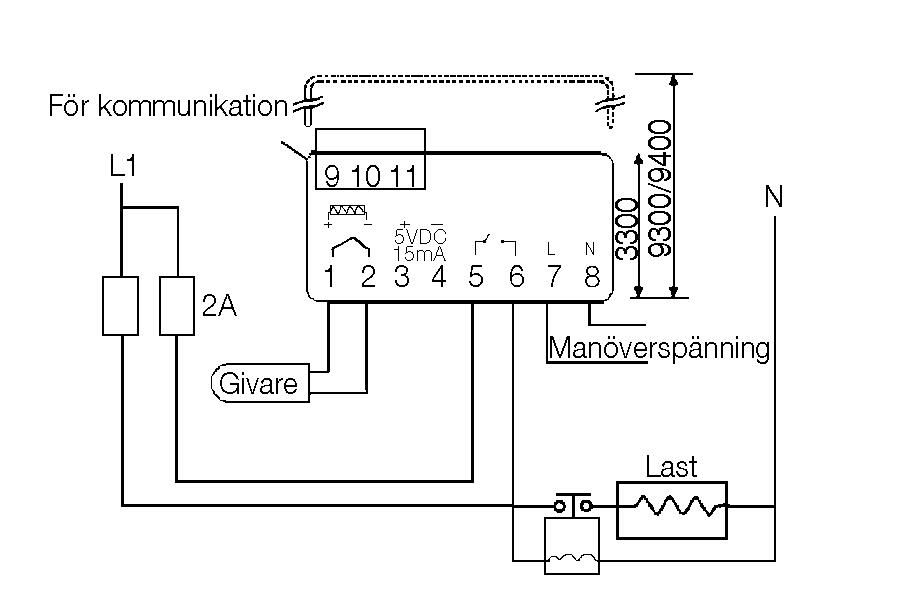
Connecting sketch 2 series 3300 and 9400

Connecting sketch 1 series 3300 and 9400

Dimension 9400/9500/9500P

Etulevy 48x48 mm
Aukon leveys 45 mm + 0,6 - 0,0 mm
Aukon korkeus 45 mm + 0,6 mm - 0,0 mm
Max. paneelin paksuus 9,5 mm

Tuotekuvaus

Standardi sisääntulolla tarkoitetaan 2-johdin Pt100-, termoelementti- ja mV-sisääntuloa. Käyttämällä 1 ohmin vastusta (1 %) mV-sisääntulossa voidaan säätimeen syöttää standardivirtaviestiä (4-20 mA tai 0-20 mA). Lisäksi 9500P säätimessä on mahdollista käyttää myös 3-johtimista Pt100-anturia. CAL 9400 säätimissä standardisisääntulo on aina vakiona. Niissä on myös keskenään samanlainen ohjelmointi. 9400-sarjan säätimet voidaan varustaa myös jälkeenpäin RS232- tai RS485-kortilla.

 

Tarvikkeet



Äänitiedostot

Lisää luettavaa

Adel System älykkäät DC-UPS-ratkaisut
Tuoteuutiset

ADEL System CBI60W ja CBI600W – Älykkäät DC-UPS-ratkaisut Ethernet-integraatiolla

ADEL Systemin CBI60W ja CBI600W ovat älykkäitä DC-UPS-ratkaisuja Ethernet-integraatiolla. Lue lisää!

Lovato Electric kuormakytkimet
Tuoteuutiset

Lovato Electric laajentaa GL-sarjan kuormakytkinvalikoimaa 2000 A asti

LOVATO Electric on laajentanut tunnettua GL-sarjan kuormakytkinvalikoimaansa uusilla kokoluokilla, jotka kattavat virta-alueen 1000 A:sta aina 2000 A:iin (AC21A).

DC-UPS:t
Tuoteuutiset

Adel System - DC-UPS:t

Adel Systemsin luotettavat energianjatkuvuusratkaisut auttavat yrityksiä varautumaan sähkökatkoksiin ennakolta. Varmistamalla kriittisten järjestelmien ja prosessien jatkuvuuden vältät yllättävät keskeytykset, suojaat liiketoimintasi tuloksen ja säästyt piilokustannuksilta, jotka muuten jäisivät helposti huomaamatta.

Olemme sähkömessuilla
Yleistä

Olemme mukana Sähkö–Electricity-messuilla!

Sähkö–Electricity 26 on uusi kansainvälinen sähköalan ammattitapahtuma, joka kattaa koko toimialan. Tule käymään ja katso mitä osastoltamme 7g120 löytyy!

Delcon releet referenssi
Asiakascase

Oikea relevalinta säästi aikaa ja rahaa

Ratkaisimme jatkuvat relehaasteet korkealaatuisen koneenrakennusteräksen valmistajan Ovakon tehtaassa. Lue jutustamme miten se tehtiin!

Uudet F-kaasuvaatimukset jäähdytyslaitteille
Tuki

F-kaasuasetus (EU) 2024/573 – Uudet vaatimukset jäähdytyslaitteille

Uusi F-kaasuasetus (EU) 2024/573 muuttaa jäähdytys- ja ilmastointijärjestelmien edellytyksiä teollisissa sovelluksissa. Tiukennetut vaatimukset fluoratuille kasvihuonekaasuille tarkoittavat, että monet nykyiset ratkaisut poistetaan asteittain käytöstä – samalla kun väärän teknologian valinta voi tulla kalliiksi tulevaisuudessa.

Suosikit Tilausnumero: Numeroiden lukumäärä Min. käyttöjännite AC Max. käyttöjännite AC Paneelin koko Max. termostaatin käyttölämpötila Ulostulo Paino Hyväksynnät Numeroiden korkeus Digitaalitulo Taajuus Etupaneelin IP-luokka Kotelon materiaali Asennus Hinta
4
90 V
264 V
48x48 mm
50 °C
Logiikka (SSR), 1 x rele
130 g
CE, CSA, EMC, UL, FM
10 mm
Ei
50-60
IP66
Polykarbonaatti
Paneeliasennus
4
90 V
264 V
48x48 mm
50 °C
2 x rele
130 g
CE, CSA, EMC, UL, FM
10 mm
Ei
50-60
IP66
Polykarbonaatti
Paneeliasennus

Valittu tuote

Valitse tuote listalta.

Teknisiä neuvoja

Jouni Pulli

Tuotepäällikkö

Asiakaspalvelu
Asiakaspalvelumme vastaa kysymyksiin ja etsii ratkaisut ongelmiin. Heille voit jättää myös tilauksesi.
FAQ
+ Miten tullaan asiakkaaksenne?
+ Olen sopinut puskurivarastosta, voinko tilata verkkokaupan kautta?
+ Voiko samalla tilillä olla useita käyttäjiä?
+ Voiko samassa tilauksessa olla useampia toimituspäiviä?
+ Voiko tilauksen toimittaa väliaikaiseen toimitusosoitteeseen?
Chatti
Tarvitsetko apua?