CROUZET CONTROL

CTR48-sarjan monitoimilaskurit, etulevy 48x48 mm

Crouzetin CTR48-sarjan monitoimilaskuria voidaan käyttää esim. 1- tai 2-esivalintaisena laskurina.
Kahta esivalintaa voidaan käyttää esim. levyn leikkuussa, jossa ensimmäinen esivalinta toimii hidastuskohtana ja toinen esivalinta varsinaisena katkaisukohtana.


Näyttö voidaan skaalata kertoimella näyttäämään haluttua lukemaa esim. pituusmittauksessa.

 

CTR48-laskurin ohjelmoinnista

 

249747_728.eps

1. Laskenta-arvo
2. Esivalinta-arvo
3. Ajastustoiminnon symboli
4. Aktiivisen lähdön osoitus
5. Prog/Mode-painike (vihreä)
6. Esivalinnan asetus (vasemmalta oikealle T6, T5, T4, T3, T2 ja T1)
7. Reset (punainen)
8. Näyttää mikä esivalinta on näytössä (ensimmäinen tai toinen)

 

PERUSASETUKSET

 

Esivalinnat

Laskureissa on joko yksi esivalinta (PR1) tai kaksi esivalintaa (PR1 ja PR2). Yksiesivalintaisessa laskurissa esivalinta asetellaan siten, että T1-painikkeella valitaan ykköset, T2:lla kymmenet jne, ja valinta vahvistetaan vihreällä Prog-painikkeella. Kaksiesivalintaisessa PR1 on aina laskennan väliarvo ( esim. levyn leikkauksessa hidastuskohta), ja PR2 on varsinainen esivalinta, jonka jälkeen esim. resetointi tapahtuu.

 

Ohjelmointi

Ohjelmointitilaan päästään painamalla punaista ja vihreää nappia yhtä aikaa, kunnes näyttöön tulee "Prog". Haluttu toiminta valitaan T2-painikkeella, ja hyväksytään vihreällä Prog/Mode-painikkeella. Valikoiden välillä liikutaan T1-painikkeella. Ohjelmointitilasta poistutaan punaisella Reset-painikkeella ( EndPrG - YES).Tehdasasetukset (FACSET) löytyvät laskurin mukana tulevasta ohjekirjasta tummennettuina ruutuina. Kaikki ohjelmointivaihtoehdot löytyvät myös CTR48 datasheet-linkistä.

 

Laskuritoiminnot

Dir: Input A - laskentatulo, Input B - laskentasuunta

AS: Input A -ylöslaskenta, Input B - alaslaskenta

AA: Input A -ylöslaskenta, Input B - ylöslaskenta

PP(Phase): Pulssianturi (Input A:n ja Input B:n vaihe-erosta suuntatieto)

 

 

Lue lisää
  • Esivalinta-, aika-, takometri, kokonaissumma- ja erälaskuri
  • Max laskentanopeus 40 kHz
  • 2-rivinen LCD-näyttö
  • Etulevy IP65

Valitse tuote

Valitse tuote

Valitse tuote

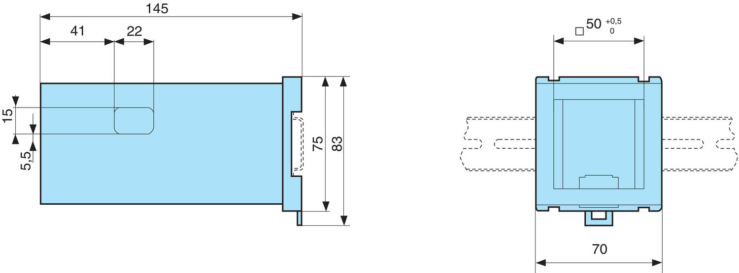
Tekniset tiedot

Asennus Paneeliasennus
Asennusreikä 45 x 45 mm
Etupaneelin IP-luokka IP65
Hyväksynnät CE, cULus, EN61000-6-2, EN61010-1
Katkaisukyky 750 VA / 90 W
Korkeus 45 mm
Käyttöjännite 10 - 30 V DC
Leveys 48 mm
Liittimien IP-luokka IP20
Max. kytkentävirta 5 A
Max. varastointilämpötila 75 °C
Min. varastointilämpötila -25 °C
Näyttö Ylärivi: 6 punaista numeroa. Korkeus 9 mm. Alarivi: 6 vihreää numeroa. Korkeus 7 mm.
Paino 150 g
Reikä 45x45 mm
Rungon materiaali Polykarbonaatti
Syvyys 106 mm

Tuotekuvaus

Crouzetin CTR48-sarjan monitoimilaskuria voidaan käyttää esim. 1- tai 2-esivalintaisena laskurina.
Kahta esivalintaa voidaan käyttää esim. levyn leikkuussa, jossa ensimmäinen esivalinta toimii hidastuskohtana ja toinen esivalinta varsinaisena katkaisukohtana.


Näyttö voidaan skaalata kertoimella näyttäämään haluttua lukemaa esim. pituusmittauksessa.

 

CTR48-laskurin ohjelmoinnista

 

249747_728.eps

1. Laskenta-arvo
2. Esivalinta-arvo
3. Ajastustoiminnon symboli
4. Aktiivisen lähdön osoitus
5. Prog/Mode-painike (vihreä)
6. Esivalinnan asetus (vasemmalta oikealle T6, T5, T4, T3, T2 ja T1)
7. Reset (punainen)
8. Näyttää mikä esivalinta on näytössä (ensimmäinen tai toinen)

 

PERUSASETUKSET

 

Esivalinnat

Laskureissa on joko yksi esivalinta (PR1) tai kaksi esivalintaa (PR1 ja PR2). Yksiesivalintaisessa laskurissa esivalinta asetellaan siten, että T1-painikkeella valitaan ykköset, T2:lla kymmenet jne, ja valinta vahvistetaan vihreällä Prog-painikkeella. Kaksiesivalintaisessa PR1 on aina laskennan väliarvo ( esim. levyn leikkauksessa hidastuskohta), ja PR2 on varsinainen esivalinta, jonka jälkeen esim. resetointi tapahtuu.

 

Ohjelmointi

Ohjelmointitilaan päästään painamalla punaista ja vihreää nappia yhtä aikaa, kunnes näyttöön tulee "Prog". Haluttu toiminta valitaan T2-painikkeella, ja hyväksytään vihreällä Prog/Mode-painikkeella. Valikoiden välillä liikutaan T1-painikkeella. Ohjelmointitilasta poistutaan punaisella Reset-painikkeella ( EndPrG - YES).Tehdasasetukset (FACSET) löytyvät laskurin mukana tulevasta ohjekirjasta tummennettuina ruutuina. Kaikki ohjelmointivaihtoehdot löytyvät myös CTR48 datasheet-linkistä.

 

Laskuritoiminnot

Dir: Input A - laskentatulo, Input B - laskentasuunta

AS: Input A -ylöslaskenta, Input B - alaslaskenta

AA: Input A -ylöslaskenta, Input B - ylöslaskenta

PP(Phase): Pulssianturi (Input A:n ja Input B:n vaihe-erosta suuntatieto)

 

 

Tarvikkeet

Saatat olla kiinnostunut näistä



Äänitiedostot

Lisää luettavaa

Adel System älykkäät DC-UPS-ratkaisut
Tuoteuutiset

ADEL System CBI60W ja CBI600W – Älykkäät DC-UPS-ratkaisut Ethernet-integraatiolla

ADEL Systemin CBI60W ja CBI600W ovat älykkäitä DC-UPS-ratkaisuja Ethernet-integraatiolla. Lue lisää!

Lovato Electric kuormakytkimet
Tuoteuutiset

Lovato Electric laajentaa GL-sarjan kuormakytkinvalikoimaa 2000 A asti

LOVATO Electric on laajentanut tunnettua GL-sarjan kuormakytkinvalikoimaansa uusilla kokoluokilla, jotka kattavat virta-alueen 1000 A:sta aina 2000 A:iin (AC21A).

DC-UPS:t
Tuoteuutiset

Adel System - DC-UPS:t

Adel Systemsin luotettavat energianjatkuvuusratkaisut auttavat yrityksiä varautumaan sähkökatkoksiin ennakolta. Varmistamalla kriittisten järjestelmien ja prosessien jatkuvuuden vältät yllättävät keskeytykset, suojaat liiketoimintasi tuloksen ja säästyt piilokustannuksilta, jotka muuten jäisivät helposti huomaamatta.

Olemme sähkömessuilla
Yleistä

Olemme mukana Sähkö–Electricity-messuilla!

Sähkö–Electricity 26 on uusi kansainvälinen sähköalan ammattitapahtuma, joka kattaa koko toimialan. Tule käymään ja katso mitä osastoltamme 7g120 löytyy!

Delcon releet referenssi
Asiakascase

Oikea relevalinta säästi aikaa ja rahaa

Ratkaisimme jatkuvat relehaasteet korkealaatuisen koneenrakennusteräksen valmistajan Ovakon tehtaassa. Lue jutustamme miten se tehtiin!

Uudet F-kaasuvaatimukset jäähdytyslaitteille
Tuki

F-kaasuasetus (EU) 2024/573 – Uudet vaatimukset jäähdytyslaitteille

Uusi F-kaasuasetus (EU) 2024/573 muuttaa jäähdytys- ja ilmastointijärjestelmien edellytyksiä teollisissa sovelluksissa. Tiukennetut vaatimukset fluoratuille kasvihuonekaasuille tarkoittavat, että monet nykyiset ratkaisut poistetaan asteittain käytöstä – samalla kun väärän teknologian valinta voi tulla kalliiksi tulevaisuudessa.

Suosikit Tilausnumero: Käyttöjännite Paino Hinta
10 - 30 V DC
150 g
90 - 260 V AC
250 g
10 - 30 V DC
150 g
90 - 260 V AC
250 g

Valittu tuote

Valitse tuote listalta.

Teknisiä neuvoja

Jouni Pulli

Tuotepäällikkö

Asiakaspalvelu
Asiakaspalvelumme vastaa kysymyksiin ja etsii ratkaisut ongelmiin. Heille voit jättää myös tilauksesi.
FAQ
+ Miten tullaan asiakkaaksenne?
+ Olen sopinut puskurivarastosta, voinko tilata verkkokaupan kautta?
+ Voiko samalla tilillä olla useita käyttäjiä?
+ Voiko samassa tilauksessa olla useampia toimituspäiviä?
+ Voiko tilauksen toimittaa väliaikaiseen toimitusosoitteeseen?
Chatti
Tarvitsetko apua?