TER

Hercules joystick

Hercules joystick on suunniteltu ankariin ja vaativiin ympäristöihin. Materiaalit ja tekniset ratkaisut takaavat luotettavuuden, mekaanisen kestävyyden ja pitkän käyttöiän. Erityistä huomiota on kiinnitetty ergonomiaanja käytön tarkkuuteen ja herkkyyteen.
  • IP43, IP44 tai IP65
  • Max. 5 nopeutta/suunta
  • Saatavilla potentiometreillä
  • Saatavilla analogia ulostulolla

Valitse tuote

Valitse tuote

Valitse tuote

Tekniset tiedot

Muuta

IP-luokka IP43, IP44, IP65
Käyttölämpötila -25°C...+70°C
Hyväksynnät CE, UKCA

*Invisible Heading*

Eristysjännite 1000 V

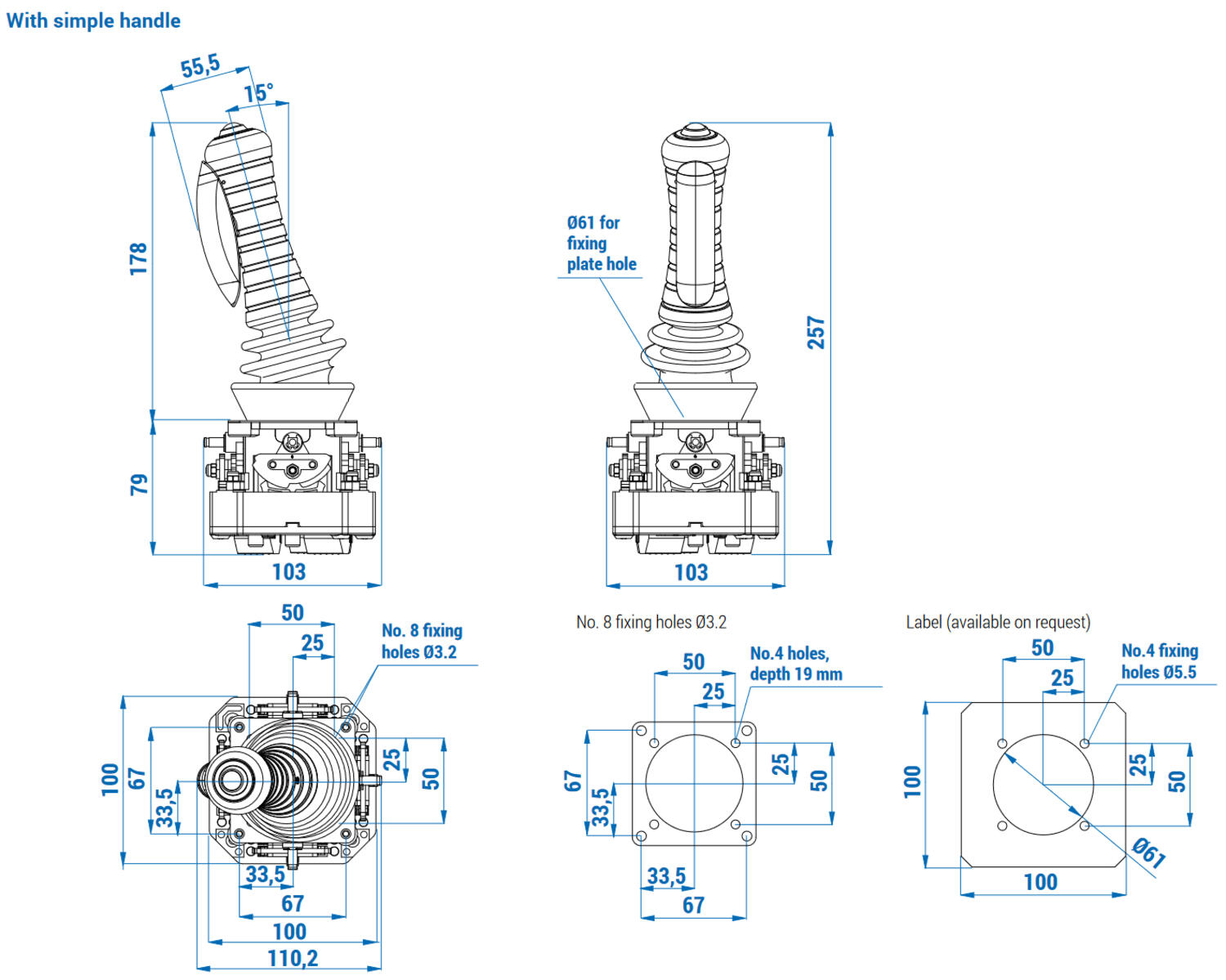
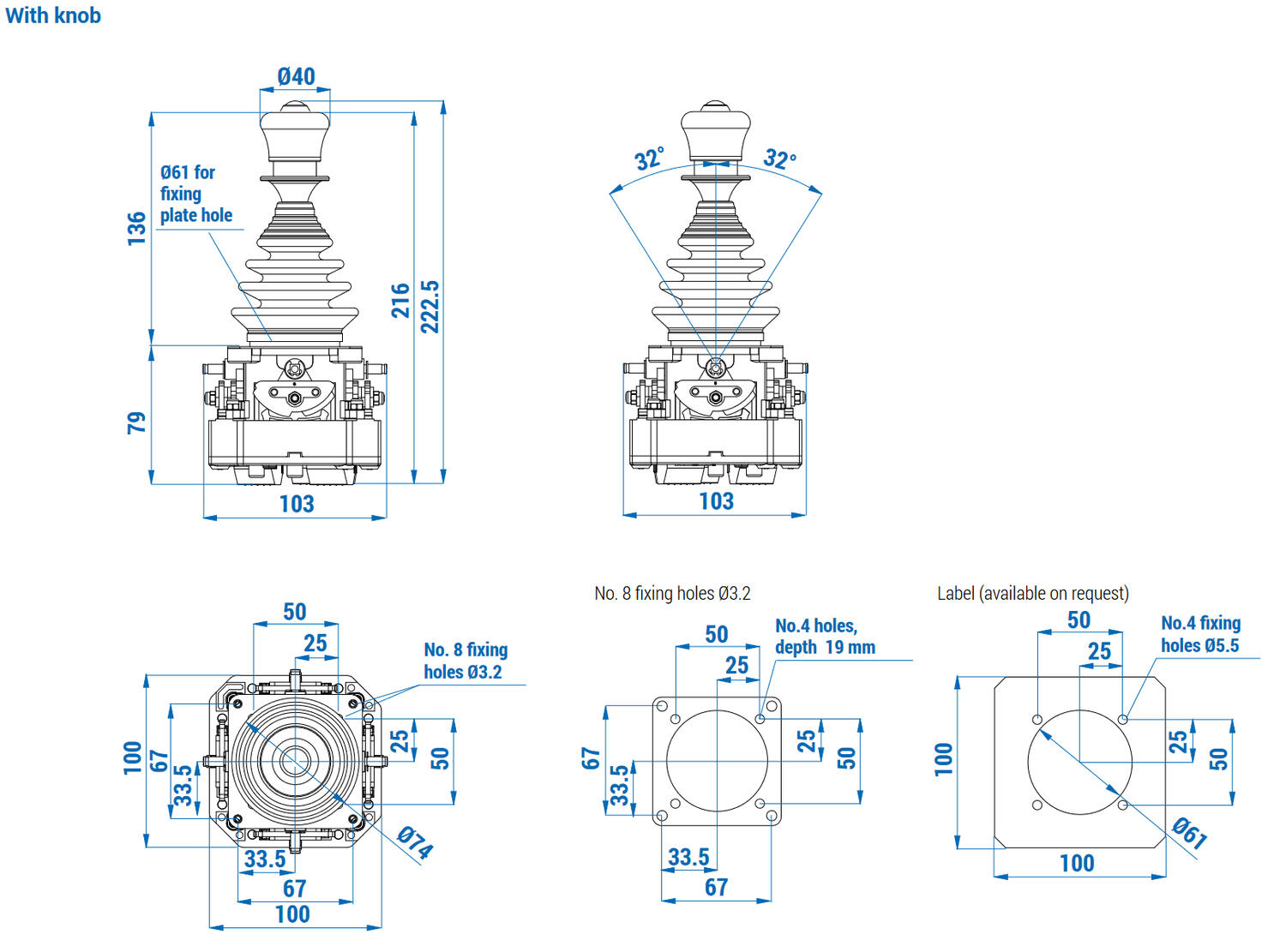
Tuotekuvaus

Ominaisuudet

  • Lasikuitunailonista valmistetut rakenneosat ja teräksestä valmistetut vivut varmistavat maksimaalisen kestävyyden
  • Mekaaninen elinikä 10 miljoonaa toimintoa
  • KotelointiluokkaIP43, IP44 tai IP65 riippuen kahavasta
  • Laaja käyttölämpötila -25°C…+70°C

 

Vaihtoehdot

  • 1-5 nopeutta per suunta
  • Porrastettu tai lineaarinen liike
  • Liikerata ristiin tai 360°
  • Kolme eri versiota: vapaasti liikkuva, mekaanisella kuolleen miehen kytkimillä tai sähköisellä kuolleen miehen kytkimellä
  • Neljä eri kahavaa, saatavana myös painikkeilla ja valintakytkimillä
  • Saatavana potentiometreillä
  • Saatavana analogia ulostulolla: 4-20 mA, 1-5 V tai 2-10 V

 

Hercules-S

  • Induktiivinen kuorma
    • 48 V AC / 1 A
    • 125 V AC / 1 A
    • 250 V AC / 0,5 A
    • 30 V DC / 1 A
  • Resistiivinen kuorma
    • 48 V AC / 1 A
    • 125 V AC / 3 A
    • 250 V AC / 2 A
    • 30 V DC / 3A

 

Hercules-CK

  • 250 V AC / 3 A

 

Hercules analogisella ulostulolla

  • Käyttöjännite 12-30 V DC
  • Valittavat ulostulot
    • 4-20 mA
    • 1-5 V
    • 2-10 V

 

Sertifikaatit

  • CE ja UKCA

 

Tarvikkeet



Äänitiedostot

Lisää luettavaa

Suosikit Tilausnumero: Hinta

Valittu tuote

Valitse tuote listalta.

Teknisiä neuvoja

Iida Haapanen

Tuotepäällikkö

Asiakaspalvelu
Asiakaspalvelumme vastaa kysymyksiin ja etsii ratkaisut ongelmiin. Heille voit jättää myös tilauksesi.
FAQ
+ Miten tullaan asiakkaaksenne?
+ Olen sopinut puskurivarastosta, voinko tilata verkkokaupan kautta?
+ Voiko samalla tilillä olla useita käyttäjiä?
+ Voiko samassa tilauksessa olla useampia toimituspäiviä?
+ Voiko tilauksen toimittaa väliaikaiseen toimitusosoitteeseen?
Chatti
Tarvitsetko apua?
Logo

Evästeet oem.fi sivustolla

Evästeiden avulla voimme palvella sinua paremmin ja varmistamme sivuston sujuvan toiminnan. Voit hallinnoida evästeasetuksia koska tahansa.

Toiminnalliset evästeet

Nämä evästeet ovat välttämättömiä verkkosivuston toimimiseksi, eikä niitä voi poistaa käytöstä järjestelmissämme. Niitä käytetään yleensä vain vastauksena toimiin, jotka olet tehnyt palvelupyynnön yhteydessä, esimerkiksi henkilökohtaisten asetusten määrittämisen, kirjautumisen tai lomakkeen täyttämisen yhteydessä.

Tilastolliset evästeet

Tilastollisten evästeiden avulla seuraamme verkkosivustomme kävijöiden toimintaa ja teemme analyyseja, joiden avulla voimme optimoida verkkosivustoamme. Tämä tarkoittaa, että voimme kehittää sivustoamme toimivammaksi ja palvelemaan kävijöitä paremmin. Jos et hyväksy näitä evästeitä, emme tiedä, milloin olet käynyt sivustollamme. Voit kuitenkin käyttää sivustoamme normaalisti.

Markkinointievästeet

Markkinointievästeiden avulla voimme kohdentaa sinulle mainoksia eri verkkosivustoilla tai sisältöä sosiaalisessa mediassa. Näitä evästeitä asettavat kolmannen osapuolen mainonta- ja kohdistustyökalut. Evästeiden kautta nämä toimijat voivat muodostaa profiilin kiinnostuksesi kohteista. Jos et hyväksy näitä evästeitä, et näe kohdennettua markkinointia etkä mahdollisesti voi käyttää sosiaalisen median jakotyökaluja.