BACO

PR12 Nokkakytkimet

Moduuliaukkoon, 16 A(AC21)

Bacon PR12-kytkin on myydyin nokkakytkin mallimme. Laajan vakio kytkin valikoiman lisäksi sarjasta löytyy lukematon määrä erikoiskytkimiä. Kytkimet toimitetaan valmiina, sisältäen kyltin ja vääntimen.

 

Lue lisää
  • Metallinen akseli
  • Liitäntäruuvit kytkettävissä takaapäin
  • Hissiliittimet, toimitetaan liittimet avoinna
  • Erikoiskytkimet

Valitse tuote

Valitse tuote

Valitse tuote

Tekniset tiedot

Yleistä

Tyyppi Vaihtokytkin
Asennus DIN-kisko 35 mm
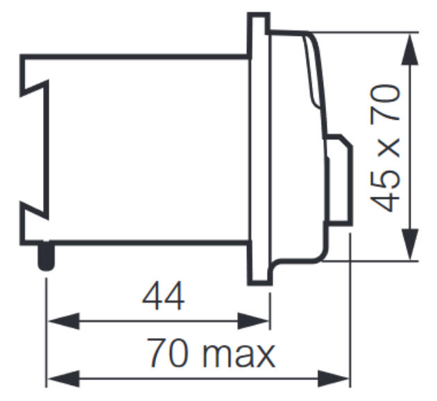
Plate 45x70
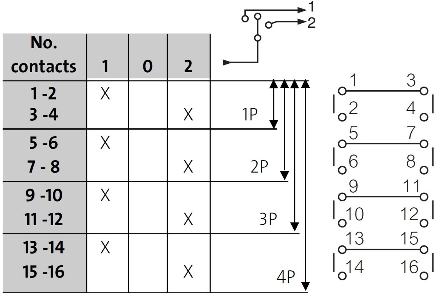
Kaiverrus 1-0-2
Napaluku 2
Koskettimien lukumäärä 4
Asentojen määrä 3
Kulma 45°
Toiminta Pysyvä

Nimellisvirta

Nimellisvirta Ie (AC15/230 V) 6 A
Nimellisvirta Ie (AC21A) 16 A
Nimellisvirta Ie (DC-1/24 VDC) 16 A

Nimellisteho

Nimellisteho (AC23A/3x230 V) 4 kW
Nimellisteho (AC23A/3x400 V) 7,5 kW
Nimellisteho (AC23A/3x500 V) 5,5 kW
Nimellisteho (AC23A/3x690 V) 4 kW

*Invisible Heading*

Nimellisteho (AC3/3x230 V) 3 kW
Nimellisteho (AC3/3x400 V) 4 kW
Nimellisteho (AC3/3x500 V) 5,5 kW
Nimellisteho (AC3/3x690 V) 3 kW

Nimellinen eristysjännite

Terminen nimellisvirta Ith 20 A
Nimellinen eristysjännite Ui 690 V
Nimellinen eristysjännite AC (IEC 60947-1) 690 V
Nimellinen eristysjännite AC (UL 508) 600 V

Muuta

Kotelointiluokka takaapäin IP20
Max. kaapelin pinta-ala, monisäikeinen 2,5 mm²
Max. kaapelin pinta-ala, yksisäikeinen 4 mm²
Min. käyttölämpötila -20 °C
Max. käyttölämpötila 70 °C
Mekaaninen elinikä 1 250 000 sykliä (max. 150 per tunti)
Standardit BV, CB, CCC, CE, CSA, IEC 60947-3 , IEC 60947-1, UL, UL 508

Mitat ja kytkennät

Tuotekuvaus

Bacon PR12-kytkin on myydyin nokkakytkin mallimme. Laajan vakio kytkin valikoiman lisäksi sarjasta löytyy lukematon määrä erikoiskytkimiä. Kytkimet toimitetaan valmiina, sisältäen kyltin ja vääntimen.

 

Tarvikkeet



Äänitiedostot

Lisää luettavaa

Suosikit Tilausnumero: Kaiverrus Napaluku Asentojen määrä Kulma Hinta
1-0-2
2
3
45°
0-L1N-L2N-L3N-L3L1-L2L3-L1L2
1
7
45°

Valittu tuote

Valitse tuote listalta.

Teknisiä neuvoja

Henri Suikkanen

Tuotepäällikkö | Asiakaspalvelupäällikkö

Asiakaspalvelu
Asiakaspalvelumme vastaa kysymyksiin ja etsii ratkaisut ongelmiin. Heille voit jättää myös tilauksesi.
FAQ
+ Miten tullaan asiakkaaksenne?
+ Olen sopinut puskurivarastosta, voinko tilata verkkokaupan kautta?
+ Voiko samalla tilillä olla useita käyttäjiä?
+ Voiko samassa tilauksessa olla useampia toimituspäiviä?
+ Voiko tilauksen toimittaa väliaikaiseen toimitusosoitteeseen?
Chatti
Tarvitsetko apua?
Logo

Evästeet oem.fi sivustolla

Evästeiden avulla voimme palvella sinua paremmin ja varmistamme sivuston sujuvan toiminnan. Voit hallinnoida evästeasetuksia koska tahansa.

Toiminnalliset evästeet

Nämä evästeet ovat välttämättömiä verkkosivuston toimimiseksi, eikä niitä voi poistaa käytöstä järjestelmissämme. Niitä käytetään yleensä vain vastauksena toimiin, jotka olet tehnyt palvelupyynnön yhteydessä, esimerkiksi henkilökohtaisten asetusten määrittämisen, kirjautumisen tai lomakkeen täyttämisen yhteydessä.

Tilastolliset evästeet

Tilastollisten evästeiden avulla seuraamme verkkosivustomme kävijöiden toimintaa ja teemme analyyseja, joiden avulla voimme optimoida verkkosivustoamme. Tämä tarkoittaa, että voimme kehittää sivustoamme toimivammaksi ja palvelemaan kävijöitä paremmin. Jos et hyväksy näitä evästeitä, emme tiedä, milloin olet käynyt sivustollamme. Voit kuitenkin käyttää sivustoamme normaalisti.

Markkinointievästeet

Markkinointievästeiden avulla voimme kohdentaa sinulle mainoksia eri verkkosivustoilla tai sisältöä sosiaalisessa mediassa. Näitä evästeitä asettavat kolmannen osapuolen mainonta- ja kohdistustyökalut. Evästeiden kautta nämä toimijat voivat muodostaa profiilin kiinnostuksesi kohteista. Jos et hyväksy näitä evästeitä, et näe kohdennettua markkinointia etkä mahdollisesti voi käyttää sosiaalisen median jakotyökaluja.