BACO
Laajan vakio kytkin valikoiman lisäksi sarjasta löytyy lukematon määrä erikoiskytkimiä. Kytkimet toimitetaan valmiina, sisältäen kyltin ja vääntimen.
Kytkinten kotelointiluokka on vakiona IP40, mutta ne ovat saatavilla myös IP55 tai IP65 kotelointiluokalla.
Yleistä |
|
|---|---|
| Tyyppi | ON-OFF -kytkin |
| Asennus | Ruuviasennus |
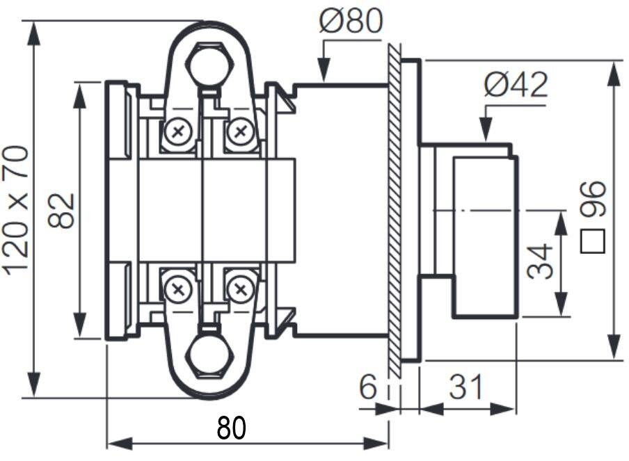
| 1333_Plate (mm) | 96x96 |
| Kaiverrus | 0-1 |
| Napaluku | 1 |
| Koskettimien lukumäärä | 1 |
| Asentojen määrä | 2 |
| Kulma | 90° |
| Toiminta | Pysyvä |
Nimellisvirta |
|
| Nimellisvirta Ie (AC21A) | 160 A |
Nimellinen eristysjännite |
|
| Terminen nimellisvirta Ith | 200 A |
*Invisible Heading* |
|
|---|---|
| Nimellinen eristysjännite Ui | 690 V |
| Nimellinen eristysjännite AC (IEC 60947-1) | 690 V |
| Nimellinen eristysjännite AC (UL 508) | 600 V |
Muuta |
|
| Kotelointiluokka edestä | IP40 |
| Kotelointiluokka takaapäin | IP20 |
| Min. käyttölämpötila | -20 °C |
| Max. käyttölämpötila | 70 °C |
| Mekaaninen elinikä | 1 250 000 sykliä (max. 150 per tunti) |
| Standardit | CB, CE, IEC 60947-3 , IEC 60947-1 |
Laajan vakio kytkin valikoiman lisäksi sarjasta löytyy lukematon määrä erikoiskytkimiä. Kytkimet toimitetaan valmiina, sisältäen kyltin ja vääntimen.
Kytkinten kotelointiluokka on vakiona IP40, mutta ne ovat saatavilla myös IP55 tai IP65 kotelointiluokalla.
Bacolla on yli 50 vuoden kokemus nokkakytkimien valmistamisesta. Vakiokytkinten lisäksi Baco pystyy tarjoamaan laajan valikoiman erikoiskytkimiä.
Monitoimipainikkeet säästävät tilaa ja aikaa asennuksessa tarjoamalla jopa kolme toimintoa yhdessä painikkeessa tai vaihtoehtoisesti kaksi toimintoa ja LED-indikoinnin.
Rafi on kasvanut kansainväliseksi korkean teknologian yritykseksi, jolla on jo yli 120 vuoden kokemus ohjauslaitteiden suunnittelusta ja valmistuksesta.
Onko sinun vaikea löytää painonappikoteloa, joka sopii juuri sinun sovellukseesi? Eikö vakiokoteloista löydy sopivaa ratkaisua? Autamme sinua tässä!
Baco tarjoaa laajan valikoiman hätäseispainikkeita teollisuuden sovelluksiin. Bacon hätäseispainikkeet täyttävät ISO 13850 ja IEC-standardit. Bacon tuotteilla on 10 vuoden takuu.
Asiakassovelletun painikekotelon suunnittelu ja tilaaminen ei välttämättä tarvitse olla kallista.
|
|
|
|
|
|
||
|---|---|---|---|---|---|---|
|
|
|
|
|
|
||
|
|
|
|
|
|
||
|
|
|
|
|
|
||
|
|
|
|
|
|
||
|
|
|
|
|
|
||
|
|
|
|
|
|
| Suosikit | Tilausnumero: | Kaiverrus | Napaluku | Asentojen määrä | Kulma | Hinta | |
|---|---|---|---|---|---|---|---|
PR125 nokkakytkin 160 A "0-1" 1-nap. ruuviasennus
Tuotenumero:
PR1251101A4E
Kopioitu!
|
0-1
|
1
|
2
|
90°
|
|
||
PR125 nokkakytkin 160 A "0-1" 2-nap. ruuviasennus
Tuotenumero:
PR1251102A4E
Kopioitu!
|
0-1
|
2
|
2
|
90°
|
|
||
PR125 nokkakytkin 160 A "0-1" 3-nap. ruuviasennus
Tuotenumero:
PR1251103A4E
Kopioitu!
|
0-1
|
3
|
2
|
90°
|
|
||
PR125 nokkakytkin 160 A "0-1" 4-nap. ruuviasennus
Tuotenumero:
PR1251104A4E
Kopioitu!
|
0-1
|
4
|
2
|
90°
|
|
||
PR125 nokkakytkin 160 A "1-0-2" 1-nap. ruuviasennus
Tuotenumero:
PR1252201C8E
Kopioitu!
|
1-0-2
|
1
|
3
|
45°
|
|
||
PR125 nokkakytkin 160 A "1-0-2" 2-nap. ruuviasennus
Tuotenumero:
PR1252202C8E
Kopioitu!
|
1-0-2
|
2
|
3
|
45°
|
|
||
PR125 nokkakytkin 160 A "1-0-2" 3-nap. ruuviasennus
Tuotenumero:
PR1252203C8E
Kopioitu!
|
1-0-2
|
3
|
3
|
45°
|
|
||
PR125 nokkakytkin 160 A "1-0-2" 4-nap. ruuviasennus
Tuotenumero:
PR1252204C8E
Kopioitu!
|
1-0-2
|
4
|
3
|
45°
|
|
||
PR125 nokkakytkin 160 A "1-2" 1-nap. ruuviasennus
Tuotenumero:
PR1252251D4E
Kopioitu!
|
1-2
|
1
|
2
|
90°
|
|
||
PR125 nokkakytkin 160 A "1-2" 2-nap. ruuviasennus
Tuotenumero:
PR1252252D4E
Kopioitu!
|
1-2
|
2
|
2
|
90°
|
|
||
PR125 nokkakytkin 160 A "1-2" 3-nap. ruuviasennus
Tuotenumero:
PR1252253D4E
Kopioitu!
|
1-2
|
3
|
2
|
90°
|
|
||
PR125 nokkakytkin 160 A "1-2" 4-nap. ruuviasennus
Tuotenumero:
PR1252254D4E
Kopioitu!
|
1-2
|
4
|
2
|
90°
|
|
Valitse tuote listalta.