BACO
Laajan vakio kytkin valikoiman lisäksi sarjasta löytyy lukematon määrä erikoiskytkimiä. Kytkimet toimitetaan valmiina, sisältäen kyltin ja vääntimen.
Kytkinten kotelointiluokka on vakiona IP40, mutta ne ovat saatavilla myös IP55 tai IP65 kotelointiluokalla.
Yleistä |
|
|---|---|
| Tyyppi | ON-OFF -kytkin |
| Asennus | Ruuviasennus |
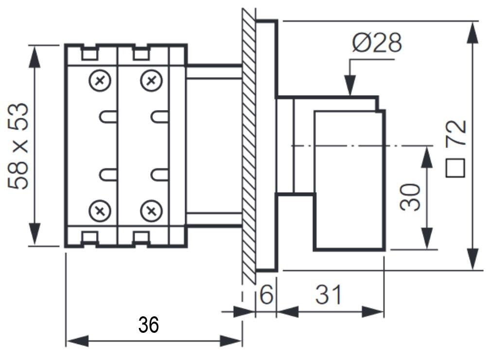
| 1333_Plate (mm) | 72x72 |
| Kaiverrus | 0-1 |
| Napaluku | 1 |
| Koskettimien lukumäärä | 1 |
| Asentojen määrä | 2 |
| Kulma | 90° |
| Toiminta | Pysyvä |
Nimellisvirta |
|
| Nimellisvirta Ie (AC15/230 V) | 12 A |
| Nimellisvirta Ie (AC21A) | 32 A |
| Nimellisvirta Ie (DC-1/24 VDC) | 32 A |
Nimellisteho |
|
| Nimellisteho (AC23A/3x230 V) | 11 kW |
| Nimellisteho (AC23A/3x400 V) | 11 kW |
| Nimellisteho (AC23A/3x500 V) | 11 kW |
| Nimellisteho (AC23A/3x690 V) | 11 kW |
| Nimellisteho (AC3/3x230 V) | 5,5 kW |
*Invisible Heading* |
|
|---|---|
| Nimellisteho (AC3/3x400 V) | 11 kW |
| Nimellisteho (AC3/3x500 V) | 11 kW |
| Nimellisteho (AC3/3x690 V) | 11 kW |
Nimellinen eristysjännite |
|
| Terminen nimellisvirta Ith | 40 A |
| Nimellinen eristysjännite Ui | 690 V |
| Nimellinen eristysjännite AC (IEC 60947-1) | 690 V |
| Nimellinen eristysjännite AC (UL 508) | 600 V |
Muuta |
|
| Kotelointiluokka edestä | IP40 |
| Kotelointiluokka takaapäin | IP20 |
| Max. kaapelin pinta-ala, monisäikeinen | 6 mm² |
| Max. kaapelin pinta-ala, yksisäikeinen | 6 mm² |
| Min. käyttölämpötila | -20 °C |
| Max. käyttölämpötila | 70 °C |
| Mekaaninen elinikä | 1 250 000 sykliä (max. 150 per tunti) |
| Standardit | BV, CB, CCC, CE, CSA, IEC 60947-3 , IEC 60947-1, UL, UL 508 |
Laajan vakio kytkin valikoiman lisäksi sarjasta löytyy lukematon määrä erikoiskytkimiä. Kytkimet toimitetaan valmiina, sisältäen kyltin ja vääntimen.
Kytkinten kotelointiluokka on vakiona IP40, mutta ne ovat saatavilla myös IP55 tai IP65 kotelointiluokalla.
Bacolla on yli 50 vuoden kokemus nokkakytkimien valmistamisesta. Vakiokytkinten lisäksi Baco pystyy tarjoamaan laajan valikoiman erikoiskytkimiä.
Monitoimipainikkeet säästävät tilaa ja aikaa asennuksessa tarjoamalla jopa kolme toimintoa yhdessä painikkeessa tai vaihtoehtoisesti kaksi toimintoa ja LED-indikoinnin.
Rafi on kasvanut kansainväliseksi korkean teknologian yritykseksi, jolla on jo yli 120 vuoden kokemus ohjauslaitteiden suunnittelusta ja valmistuksesta.
Onko sinun vaikea löytää painonappikoteloa, joka sopii juuri sinun sovellukseesi? Eikö vakiokoteloista löydy sopivaa ratkaisua? Autamme sinua tässä!
Baco tarjoaa laajan valikoiman hätäseispainikkeita teollisuuden sovelluksiin. Bacon hätäseispainikkeet täyttävät ISO 13850 ja IEC-standardit. Bacon tuotteilla on 10 vuoden takuu.
Asiakassovelletun painikekotelon suunnittelu ja tilaaminen ei välttämättä tarvitse olla kallista.
|
|
|
|
|
|
||
|---|---|---|---|---|---|---|
|
|
|
|
|
|
||
|
|
|
|
|
|
||
|
|
|
|
|
|
||
|
|
|
|
|
|
||
|
|
|
|
|
|
||
|
|
|
|
|
|
| Suosikit | Tilausnumero: | Kaiverrus | Napaluku | Asentojen määrä | Kulma | Hinta | |
|---|---|---|---|---|---|---|---|
PR26 nokkakytkin 32 A "0-1" 1-nap. ruuviasennus
Tuotenumero:
PR261101A4E
Kopioitu!
|
0-1
|
1
|
2
|
90°
|
|
||
PR26 nokkakytkin 32 A "0-1" 2-nap. ruuviasennus
Tuotenumero:
PR261102A4E
Kopioitu!
|
0-1
|
2
|
2
|
90°
|
|
||
PR26 nokkakytkin 32 A "0-1" 3-nap. ruuviasennus
Tuotenumero:
PR261103A4E
Kopioitu!
|
0-1
|
3
|
2
|
90°
|
|
||
PR26 nokkakytkin 32 A "0-1" 4-nap. ruuviasennus
Tuotenumero:
PR261104A4E
Kopioitu!
|
0-1
|
4
|
2
|
90°
|
|
||
PR26 nokkakytkin 32 A "0-1" 3-nap. ruuviasennus
Tuotenumero:
PR261103A8E
Kopioitu!
|
0-1
|
3
|
2
|
45°
|
|
||
PR26 nokkakytkin 32 A "1-0-2" 1-nap. ruuviasennus
Tuotenumero:
PR262201C8E
Kopioitu!
|
1-0-2
|
1
|
3
|
45°
|
|
||
PR26 nokkakytkin 32 A "1-0-2" 2-nap. ruuviasennus
Tuotenumero:
PR262202C8E
Kopioitu!
|
1-0-2
|
2
|
3
|
45°
|
|
||
PR26 nokkakytkin 32 A "1-0-2" 3-nap. ruuviasennus
Tuotenumero:
PR262203C8E
Kopioitu!
|
1-0-2
|
3
|
3
|
45°
|
|
||
PR26 nokkakytkin 32 A "1-0-2" 4-nap. ruuviasennus
Tuotenumero:
PR262204C8E
Kopioitu!
|
1-0-2
|
4
|
3
|
45°
|
|
||
PR26 nokkakytkin 32 A "1-2" 1-nap. ruuviasennus
Tuotenumero:
PR262251D4E
Kopioitu!
|
1-2
|
1
|
2
|
90°
|
|
||
PR26 nokkakytkin 32 A "1-2" 2-nap. ruuviasennus
Tuotenumero:
PR262252D4E
Kopioitu!
|
1-2
|
2
|
2
|
90°
|
|
||
PR26 nokkakytkin 32 A "1-2" 3-nap. ruuviasennus
Tuotenumero:
PR262253D4E
Kopioitu!
|
1-2
|
3
|
2
|
90°
|
|
||
PR26 nokkakytkin 32 A "1-2" 4-nap. ruuviasennus
Tuotenumero:
PR262254D4E
Kopioitu!
|
1-2
|
4
|
2
|
90°
|
|
||
PR26 suunnanvaihtokytkin 32 A "REW-0-FWD" ruuviasennus
Tuotenumero:
PR269151C8E
Kopioitu!
|
REW-0-FWD
|
1
|
3
|
45°
|
|
||
PR26 tähti/kolmiokytkin 32 A "0-Y-Δ" ruuviasennus
Tuotenumero:
PR269551B4E
Kopioitu!
|
0-Y-Δ
|
1
|
3
|
90°
|
|
||
PR26 Dahlander-kytkin 32 A "0-Δ-YY" ruuviasennus
Tuotenumero:
PR269552B4E
Kopioitu!
|
0-Δ-YY
|
1
|
3
|
90°
|
|
||
PR26 Dahlander-kytkin 32 A "Δ-0-YY" ruuviasennus
Tuotenumero:
PR269552C4E
Kopioitu!
|
Δ-0-YY
|
1
|
3
|
90°
|
|
Valitse tuote listalta.