COMADAN

L-sarjan mittamuuntimet

Näitä mittamuuntimia voidaan tilata kalibroituina halutulla sisäänmenoviestillä, (ks. tekniset tiedot sekä mitta-aluiden tilausnumerot). Tämä sarja käsittää pääasiallisesti vakioituja prosessiviestejä. Muut viestit: lisätietoja keskusosastoltamme.

  • Ulostuloviesti valitaan kytkimellä alueella 0-20/4-20 mA, 0-10/2-10 V, mahdollisuus hienosäätöön.
  • Täydellinen galvaaninen erotus sisäänmenon, ulostulon ja käyttöjännitteen välillä.
  • Mahdollisuus kahteen muuntimeen samassa kotelossa säästää tilaa. Viestit voivat kummallakin kanavalla olla samantyyppiset tai sekaviestejä (esim. toisessa virta, toisessa PT100).
  • Sisäänmeno-, virta- tai jännitemuuntimilla on sisäinen virransyöttö esim. paineanturiin (24 V DC, 22 mA).
  • Malli, jossa erillinen hälytysulostulo joka on aktivoituna kun sisäänmenoviesti on alueella ±10 % määritellystä alueesta.
  • Sisäinen anturisyöttö LC10/LV10 4-20 mA tai 0-10 V, sekä muunnin että raja-arvoreleet.
  • Kaikkia muuntimia saatavana kahdella raja-arvoreleellä.
  • Raja-arvot säädetään potentiometrillä, punainen LED näyttää aktivoidun releen.

Tekniset tiedot

Käyttöjännite AC

230, 115, 24 V AC ±10 %, 40-70 Hz (galvaanisesti erotettu)

Käyttöjännite DC

12-50 V DC (galvaanisesti erotettu)

Tehonkulutus

3 VA

Eristysjännite

Käyttöjännitteen/sis. elektroniikan välillä: 3,75 kV
sisäänmenon/ulostulon välillä: 2,5 kV

Anturisyöttö (LV10/LC10)

24 V DC, +5 %, -20 %, max. 22 mA

Lämpötilakerroin

<0,01 %/°C

Käyttölämpötila

-20°C...+60°C

Kosteuden kesto

0-90 % RH, ei kondensoituva

Hyväksynnät

CE, EMC: EN50081-1, EN50082-2, EN60730

Kotelo/etulevy materiaali

Harmaa CYCOLOY C2100

Liitäntäosa materiaali

Musta CYCOLOY C2100

Liitännät materiaali

Sinkkipäällystetty messinki

Ruuvit materiaali

Sinkkipäällystetty rauta

Paino, yksi muunnin

280 g

Paino, kaksi muunninta

450 g

Releyksikön paino

350 g

 

 

Indikoinnit

Vihreä LED-näyttö

Kiinteä valo: Käyttöjännite kytkettynä, sisäänmenoviesti mitta-alueella
Vilkkuva valo: Sisäänmenoviesti mitta-alueen ulkopuolella

Punainen LED-näyttö

Raja-arvorele aktivoitu

 

 

Sisäänmenot

Virta/jännite

Ks. alla oleva taulukko alueet/impedanssit

Lämpötila

PT100, kaksi- tai kolmijohdin kytkentä

Vastus

Potentiometri (kolmijohdin) tai resistori (kaksijohdin)

 

 

Ulostulot

Virta

0-20/4-20 mA, max kuorman impedanssi 500 Ω

Jännite

0-10 V/2-10 V, min kuorman impedanssi 1000 Ω

Hälytys

±10 % asetellun alueen sisällä, max. kuorma 30 V DC, 30 mA

Releulostulo

Liitin 11-12-13:
Rele 1, vaihtokosketin
Liitin 15-16:
Rele 2, sulkeutuva kosketin
Max 4 A/250 V AC, resistiivinen kuorma

 

 

Nopeus ja tarkkuus

Hystereesi (raja-arvorele)

Valittavissa 1 % tai 5 % säädetystä arvosta

Mittausepätarkkuus

LC10, AC-mittaus: 2 %, muut 1 %

Resoluutio

LC10, AC-mittaus: 1 %, muut 0,5 % (% mitta-alueesta)

Reaktioaika sisään/ulos

LC10, AC-mittaus: 200 ms, 50 ms
Releulostulo: + noin 20 ms ylläoleviin aikoihin


Saatavana olevat sisäänmenoviestin vakioalueet

LC10, (sis.m.imp.)

LV10, (sis.m.imp.)

LM30

LM50

1= 0...20 mA DC, (70 Ω)

1= 0...60 mV DC, (10 kΩ)

1= -50...+150°C

1= 0...100 Ω

2= 4...20 mA DC, (70 Ω)

2= 0...10 V DC, (10 kΩ)

2= 0...+100°C

2= 0...500 Ω

3= 0...1 A AC, (40 mΩ)

3= 0...250 V AC, (1 MΩ)

3= 0...+200°C

3= 0...1 kΩ

4= 0...5 A AC, (15 mΩ)

4= 0...500 V DC, (1 MΩ)

 

4= 0...5 kΩ

 

 

 

5= 0...10 kΩ

Numerot vastaavat tilausnumeron viimeistä numeroa ja sisäänmenoviestin aluetta.

Säädöt

Muunnin
Muunnin, jossa kaksi yksikköä. Säädöt etulevyn alla.

P1: Nollapiste: LM50 säädettävissä ±50 %, muut ±5 %.
P2: Alue: LM50 säädettävissä ±50 % muut ±5
S1 S2 Ulostuloviestin valinta
off off 0-20 mA
off on 4-20 mA
on off 0-10 V
on on 2-10 V
S3 off: tehtaalla säädetty ulostuloviesti
S3 on: sallii hienosäädön

241467_566.tif

Raja-arvorele
Raja-arvoreleen säädöt etulevyn alla.

P1: Säädettävä raja-arvo 1
P2: Säädettävä raja-arvo 2
(säädettävä raja-arvo 0-100 % valitusta mitta-alueesta).
S1/S2: Toiminnon valinta, rele 1 ja 2:
off: Rele päästää kun sisäänmenoviesti ylittää säädetyn raja-arvon.
on: Rele aktivoituu kun sisäänmenoviesti ylittää säädetyn raja-arvon.
S3: Hystereesi säädetystä raja-arvosta:
off: 1 %
on: 5 %

241468_566.tif

 

Mitat

241457_566.tif

 

Kytkentä

Suluissa olevat numerot koskevat mahdollista toista moduulia.

1. Ulkopuolinen virtalähde
(LC10/LV10)

241462_566.tif

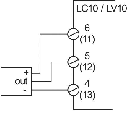
2. Kaksijohdinlähetin,
esim. painelähetin 4-20 mA.
Syöttö LC10:ltä, (LC10, 4-20 mA)

241463_566.tif

3. Kolmijohdinlähetin, virta- tai
jänniteulostulo.
Max. anturisyöttö 22 mA, kun
virrankulutus on suurempi, anturia
syötettävä erillisellä jännitelähteellä,
kytketään miinukseen (LC10/LV10).

241464_566.tif

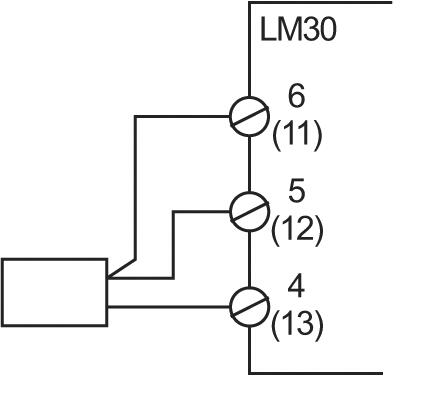
4. PT100, lämpötila-anturi,
kolmijohdinkytkentä.
Kytkentäsilta 5-6 (LM30) välillä
kun käytetään kaksijohdinanturia.

241465_566.tif

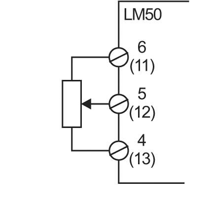
5. Potentiometrisisäänmeno.
Kaksijohdinkytkennässä
kytkentä 4-5 välille ja
5-6 välillä on kytkentäsilta
(LM50).

241466_566.tif

 

Muunninyksikön kytkentä

241458_566.tif

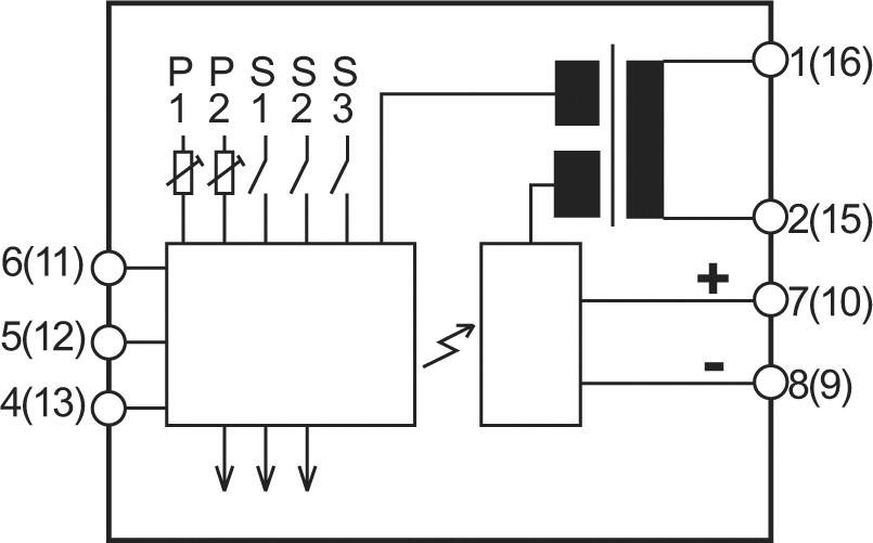
1(16)

Käyttöjännite, L

2(15)

Käyttöjännite, N
(DC=napaisuudesta riippumatta)

4(13)

Sisäänmenoviesti -

5(12)

Sisäänmenoviesti +

6(11)

Anturisyöttö +24 V DC (LC10/LV10)

6(11)

Kaapelivastuksen kompensointi (LM30)

7(10)

Ulostuloviesti +

8(9)

Ulostuloviesti -

Huom! Suluissa olevat numerot koskevat moduulia 2 (normaalisti kotelossa on ainoastaan yksi moduuli).

 

Raja-arvoreleen kytkentä

241459_566.tif

9

Hälytysulostulo +

10

Hälytysulostulo -

11

Rele 1, NC

12

Rele1, yhteinen

13

Rele 1, NO

15

Rele 2, yhteinen

16

Rele 2, NO

 

Tilausnumerot

Tilausnumero

Kuvaus

Sis.menoviesti

Käyttöjännite

LC10-0-230-2

Virtamuunnin

4-20 mA

230 V AC

LC10-0-712-2

Virtamuunnin

4-20 mA

12-50 V DC

LC10-0-230-4

Virtamuunnin

0-5 A AC

230 V AC

LC10-R-230-1

Raja-arvorele

0-20 mA

230 V AC

LV10-0-230-1

Jännitemuunnin

0-60 mV DC

230 V AC

LV10-0-230-2

Jännitemuunnin

0-10 V DC

230 V AC

LV10-0-712-2

Jännitemuunnin

0-10 V DC

12-50 V DC

LV10-R-230-2

Raja-arvorele

0-10 V DC

230 V AC

LM30-0-230-2

Lämpötilamuunnin

PT100, 0-100°C

230 V AC

 

Lue lisää
  • Sisäänmenoviesti (virta, jännite, lämpötila, vastus) sekä vakioidut sisäänmenoviestialueet
  • Ulostuloviesti 4-20 mA, 0-10 V tai raja-arvorele
  • Galvaaninen erotus
  • Yksi tai kaksi kanavaa

Valitse tuote

Valitse tuote

Valitse tuote

Tekniset tiedot

Tuotekuvaus

Näitä mittamuuntimia voidaan tilata kalibroituina halutulla sisäänmenoviestillä, (ks. tekniset tiedot sekä mitta-aluiden tilausnumerot). Tämä sarja käsittää pääasiallisesti vakioituja prosessiviestejä. Muut viestit: lisätietoja keskusosastoltamme.

  • Ulostuloviesti valitaan kytkimellä alueella 0-20/4-20 mA, 0-10/2-10 V, mahdollisuus hienosäätöön.
  • Täydellinen galvaaninen erotus sisäänmenon, ulostulon ja käyttöjännitteen välillä.
  • Mahdollisuus kahteen muuntimeen samassa kotelossa säästää tilaa. Viestit voivat kummallakin kanavalla olla samantyyppiset tai sekaviestejä (esim. toisessa virta, toisessa PT100).
  • Sisäänmeno-, virta- tai jännitemuuntimilla on sisäinen virransyöttö esim. paineanturiin (24 V DC, 22 mA).
  • Malli, jossa erillinen hälytysulostulo joka on aktivoituna kun sisäänmenoviesti on alueella ±10 % määritellystä alueesta.
  • Sisäinen anturisyöttö LC10/LV10 4-20 mA tai 0-10 V, sekä muunnin että raja-arvoreleet.
  • Kaikkia muuntimia saatavana kahdella raja-arvoreleellä.
  • Raja-arvot säädetään potentiometrillä, punainen LED näyttää aktivoidun releen.

Tekniset tiedot

Käyttöjännite AC

230, 115, 24 V AC ±10 %, 40-70 Hz (galvaanisesti erotettu)

Käyttöjännite DC

12-50 V DC (galvaanisesti erotettu)

Tehonkulutus

3 VA

Eristysjännite

Käyttöjännitteen/sis. elektroniikan välillä: 3,75 kV
sisäänmenon/ulostulon välillä: 2,5 kV

Anturisyöttö (LV10/LC10)

24 V DC, +5 %, -20 %, max. 22 mA

Lämpötilakerroin

<0,01 %/°C

Käyttölämpötila

-20°C...+60°C

Kosteuden kesto

0-90 % RH, ei kondensoituva

Hyväksynnät

CE, EMC: EN50081-1, EN50082-2, EN60730

Kotelo/etulevy materiaali

Harmaa CYCOLOY C2100

Liitäntäosa materiaali

Musta CYCOLOY C2100

Liitännät materiaali

Sinkkipäällystetty messinki

Ruuvit materiaali

Sinkkipäällystetty rauta

Paino, yksi muunnin

280 g

Paino, kaksi muunninta

450 g

Releyksikön paino

350 g

 

 

Indikoinnit

Vihreä LED-näyttö

Kiinteä valo: Käyttöjännite kytkettynä, sisäänmenoviesti mitta-alueella
Vilkkuva valo: Sisäänmenoviesti mitta-alueen ulkopuolella

Punainen LED-näyttö

Raja-arvorele aktivoitu

 

 

Sisäänmenot

Virta/jännite

Ks. alla oleva taulukko alueet/impedanssit

Lämpötila

PT100, kaksi- tai kolmijohdin kytkentä

Vastus

Potentiometri (kolmijohdin) tai resistori (kaksijohdin)

 

 

Ulostulot

Virta

0-20/4-20 mA, max kuorman impedanssi 500 Ω

Jännite

0-10 V/2-10 V, min kuorman impedanssi 1000 Ω

Hälytys

±10 % asetellun alueen sisällä, max. kuorma 30 V DC, 30 mA

Releulostulo

Liitin 11-12-13:
Rele 1, vaihtokosketin
Liitin 15-16:
Rele 2, sulkeutuva kosketin
Max 4 A/250 V AC, resistiivinen kuorma

 

 

Nopeus ja tarkkuus

Hystereesi (raja-arvorele)

Valittavissa 1 % tai 5 % säädetystä arvosta

Mittausepätarkkuus

LC10, AC-mittaus: 2 %, muut 1 %

Resoluutio

LC10, AC-mittaus: 1 %, muut 0,5 % (% mitta-alueesta)

Reaktioaika sisään/ulos

LC10, AC-mittaus: 200 ms, 50 ms
Releulostulo: + noin 20 ms ylläoleviin aikoihin


Saatavana olevat sisäänmenoviestin vakioalueet

LC10, (sis.m.imp.)

LV10, (sis.m.imp.)

LM30

LM50

1= 0...20 mA DC, (70 Ω)

1= 0...60 mV DC, (10 kΩ)

1= -50...+150°C

1= 0...100 Ω

2= 4...20 mA DC, (70 Ω)

2= 0...10 V DC, (10 kΩ)

2= 0...+100°C

2= 0...500 Ω

3= 0...1 A AC, (40 mΩ)

3= 0...250 V AC, (1 MΩ)

3= 0...+200°C

3= 0...1 kΩ

4= 0...5 A AC, (15 mΩ)

4= 0...500 V DC, (1 MΩ)

 

4= 0...5 kΩ

 

 

 

5= 0...10 kΩ

Numerot vastaavat tilausnumeron viimeistä numeroa ja sisäänmenoviestin aluetta.

Säädöt

Muunnin
Muunnin, jossa kaksi yksikköä. Säädöt etulevyn alla.

P1: Nollapiste: LM50 säädettävissä ±50 %, muut ±5 %.
P2: Alue: LM50 säädettävissä ±50 % muut ±5
S1 S2 Ulostuloviestin valinta
off off 0-20 mA
off on 4-20 mA
on off 0-10 V
on on 2-10 V
S3 off: tehtaalla säädetty ulostuloviesti
S3 on: sallii hienosäädön

241467_566.tif

Raja-arvorele
Raja-arvoreleen säädöt etulevyn alla.

P1: Säädettävä raja-arvo 1
P2: Säädettävä raja-arvo 2
(säädettävä raja-arvo 0-100 % valitusta mitta-alueesta).
S1/S2: Toiminnon valinta, rele 1 ja 2:
off: Rele päästää kun sisäänmenoviesti ylittää säädetyn raja-arvon.
on: Rele aktivoituu kun sisäänmenoviesti ylittää säädetyn raja-arvon.
S3: Hystereesi säädetystä raja-arvosta:
off: 1 %
on: 5 %

241468_566.tif

 

Mitat

241457_566.tif

 

Kytkentä

Suluissa olevat numerot koskevat mahdollista toista moduulia.

1. Ulkopuolinen virtalähde
(LC10/LV10)

241462_566.tif

2. Kaksijohdinlähetin,
esim. painelähetin 4-20 mA.
Syöttö LC10:ltä, (LC10, 4-20 mA)

241463_566.tif

3. Kolmijohdinlähetin, virta- tai
jänniteulostulo.
Max. anturisyöttö 22 mA, kun
virrankulutus on suurempi, anturia
syötettävä erillisellä jännitelähteellä,
kytketään miinukseen (LC10/LV10).

241464_566.tif

4. PT100, lämpötila-anturi,
kolmijohdinkytkentä.
Kytkentäsilta 5-6 (LM30) välillä
kun käytetään kaksijohdinanturia.

241465_566.tif

5. Potentiometrisisäänmeno.
Kaksijohdinkytkennässä
kytkentä 4-5 välille ja
5-6 välillä on kytkentäsilta
(LM50).

241466_566.tif

 

Muunninyksikön kytkentä

241458_566.tif

1(16)

Käyttöjännite, L

2(15)

Käyttöjännite, N
(DC=napaisuudesta riippumatta)

4(13)

Sisäänmenoviesti -

5(12)

Sisäänmenoviesti +

6(11)

Anturisyöttö +24 V DC (LC10/LV10)

6(11)

Kaapelivastuksen kompensointi (LM30)

7(10)

Ulostuloviesti +

8(9)

Ulostuloviesti -

Huom! Suluissa olevat numerot koskevat moduulia 2 (normaalisti kotelossa on ainoastaan yksi moduuli).

 

Raja-arvoreleen kytkentä

241459_566.tif

9

Hälytysulostulo +

10

Hälytysulostulo -

11

Rele 1, NC

12

Rele1, yhteinen

13

Rele 1, NO

15

Rele 2, yhteinen

16

Rele 2, NO

 

Tilausnumerot

Tilausnumero

Kuvaus

Sis.menoviesti

Käyttöjännite

LC10-0-230-2

Virtamuunnin

4-20 mA

230 V AC

LC10-0-712-2

Virtamuunnin

4-20 mA

12-50 V DC

LC10-0-230-4

Virtamuunnin

0-5 A AC

230 V AC

LC10-R-230-1

Raja-arvorele

0-20 mA

230 V AC

LV10-0-230-1

Jännitemuunnin

0-60 mV DC

230 V AC

LV10-0-230-2

Jännitemuunnin

0-10 V DC

230 V AC

LV10-0-712-2

Jännitemuunnin

0-10 V DC

12-50 V DC

LV10-R-230-2

Raja-arvorele

0-10 V DC

230 V AC

LM30-0-230-2

Lämpötilamuunnin

PT100, 0-100°C

230 V AC

 

Tarvikkeet



Äänitiedostot

Lisää luettavaa

Suosikit Tilausnumero: Hinta

Valittu tuote

Valitse tuote listalta.

Teknisiä neuvoja

Jouni Pulli

Tuotepäällikkö

Asiakaspalvelu
Asiakaspalvelumme vastaa kysymyksiin ja etsii ratkaisut ongelmiin. Heille voit jättää myös tilauksesi.
FAQ
+ Miten tullaan asiakkaaksenne?
+ Olen sopinut puskurivarastosta, voinko tilata verkkokaupan kautta?
+ Voiko samalla tilillä olla useita käyttäjiä?
+ Voiko samassa tilauksessa olla useampia toimituspäiviä?
+ Voiko tilauksen toimittaa väliaikaiseen toimitusosoitteeseen?
Chatti
Tarvitsetko apua?
Logo

Evästeet oem.fi sivustolla

Evästeiden avulla voimme palvella sinua paremmin ja varmistamme sivuston sujuvan toiminnan. Voit hallinnoida evästeasetuksia koska tahansa.

Toiminnalliset evästeet

Nämä evästeet ovat välttämättömiä verkkosivuston toimimiseksi, eikä niitä voi poistaa käytöstä järjestelmissämme. Niitä käytetään yleensä vain vastauksena toimiin, jotka olet tehnyt palvelupyynnön yhteydessä, esimerkiksi henkilökohtaisten asetusten määrittämisen, kirjautumisen tai lomakkeen täyttämisen yhteydessä.

Tilastolliset evästeet

Tilastollisten evästeiden avulla seuraamme verkkosivustomme kävijöiden toimintaa ja teemme analyyseja, joiden avulla voimme optimoida verkkosivustoamme. Tämä tarkoittaa, että voimme kehittää sivustoamme toimivammaksi ja palvelemaan kävijöitä paremmin. Jos et hyväksy näitä evästeitä, emme tiedä, milloin olet käynyt sivustollamme. Voit kuitenkin käyttää sivustoamme normaalisti.

Markkinointievästeet

Markkinointievästeiden avulla voimme kohdentaa sinulle mainoksia eri verkkosivustoilla tai sisältöä sosiaalisessa mediassa. Näitä evästeitä asettavat kolmannen osapuolen mainonta- ja kohdistustyökalut. Evästeiden kautta nämä toimijat voivat muodostaa profiilin kiinnostuksesi kohteista. Jos et hyväksy näitä evästeitä, et näe kohdennettua markkinointia etkä mahdollisesti voi käyttää sosiaalisen median jakotyökaluja.