LÜTZE

Ohjelmoitavat signaalimuuntimet analogisille signaaleille

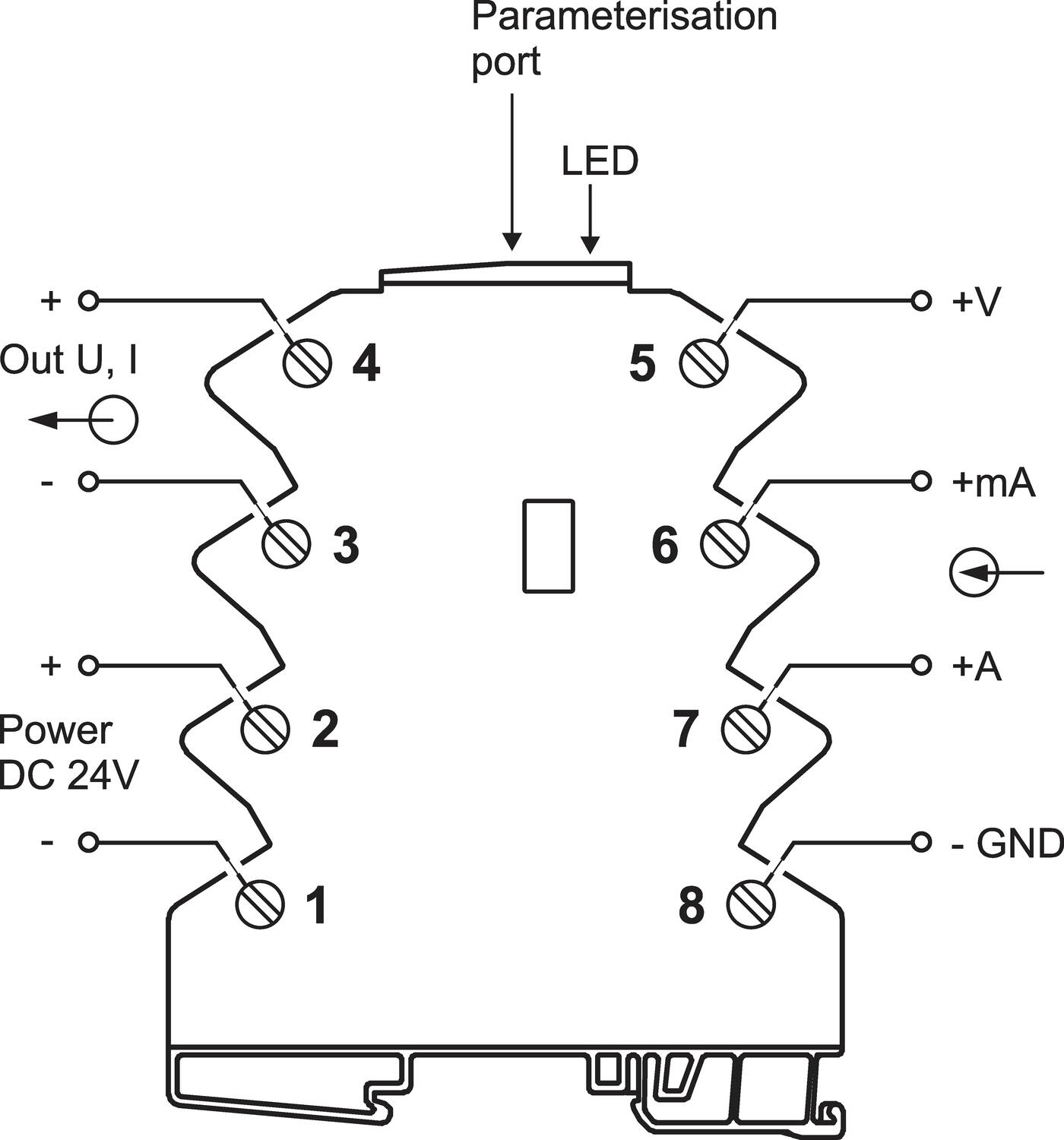
Lütze:n ohjelmoitava signaalimuunnin pystyy käsittelemään tulojännitteet alueelle + 30...- 30 V ja tulovirrat alueelle + 50 mA...-50 mA tai + 5 A...- 5 A.

Lähtösignaaleina on valittavissa: 0-20 mA / 4-20 mA / 0-10 V / -10...+10 V / 2-10 V / 0-5 V / 1-5 V

 

Muunnin on ohjelmoitavissa FDT/DTM -ohjelmistolla tai DIP-kytkimillä. Lisäksi ohjlemisto tarjoaa mahdollisuuden reaaliaikaiseen loggaukseen, TAG:n luomiseen (yksilöllinen nimi / numero jokaiselle yksikölle) ja mahdollisuuden sarjaohjelmointiin. Muunninta ei tarvitse erikseen kytkeä ohjelmoitaessa teholähteeseen, vaan muunnin ottaa tarvitsemansa virran micro USB-liittimen kautta. Ohjelmoitaessa kaikkien DIP-kytkimien tulee olla OFF-asennossa. PC-ohjelmiston voi ladata ilmaiseksi alta.

DIP-kytkimillä ohjelmoitaessa on myös valittavissa laaja valikoima tulo- ja lähtösignaaleja (kts. taulukko alla).

Muuntimen käyttölämpötila-alue on hyvin laaja -40 °C...+70 °C .

Lue lisää
  • 6,2 mm leveä
  • Universaali tulo/lähtö, mA / V
  • 3-tie erotus, 2.5 kV
  • Ohjelmoitavissa FDT/DTM-ohjelmistolla tai DIP-kytkimillä
  • 24 V DC käyttöjännite

Valitse tuote

Valitse tuote

Valitse tuote

Tekniset tiedot

Virrankulutus 18 mA
Min. käyttöjännite DC 16,8 V
Max. käyttöjännite DC 30 V
Tarkkuus 0,1 % jännitteelle ja virralle (mA), 0,5% virralle (A)
Parametrien asetus DIP-kytkin tai FDT/DTM
Vasteaika Säädettävissä 1,5-750 ms
Tilaindikointi Vihreä LED
Min. käyttölämpötila -40 °C
Max. käyttölämpötila 70 °C
Min. varastointilämpötila -40 °C
Max. varastointilämpötila 85 °C
Resoluutio 16-bit
Paino 50 g
Lähtösignaali Virta max 21 mA, jännite max 10,5 V
Hyväksynnät CE, cULus, RoHS
Liitäntä Ruuvi
Max. johdinkoko 1,5 mm²
Min. poikkipinta 0,14 mm²
Lähtö Virta 0-20 mA/4-20 mA, jännite 0-10 V/-10-+10 V/2-10 V/0-5 V/1-5 V
Galvaaninen erotus 3-tie
Tulo Säädettävissä DIP-kytkimillä tai ohjelmoitavissa FDT/DTM-ohjelmistolla
Suojaus Ylijännite 30 V / lähtö oikosulkusuojattu
Eristys 2,5 kV
IP-luokka IP20
Lineaarisuus ±0,05 % koko jännite- ja virta-aluella (mA) , ±0,1 % koko jännite- ja virta-aluella (A)
Kuorman impedanssi virta Max. 700 Ω
Kuorman impedanssi jännite Min. 2 KΩ
Massamuisti Flash
Asennus DIN-kisko

Tuotekuvaus

Lütze:n ohjelmoitava signaalimuunnin pystyy käsittelemään tulojännitteet alueelle + 30...- 30 V ja tulovirrat alueelle + 50 mA...-50 mA tai + 5 A...- 5 A.

Lähtösignaaleina on valittavissa: 0-20 mA / 4-20 mA / 0-10 V / -10...+10 V / 2-10 V / 0-5 V / 1-5 V

 

Muunnin on ohjelmoitavissa FDT/DTM -ohjelmistolla tai DIP-kytkimillä. Lisäksi ohjlemisto tarjoaa mahdollisuuden reaaliaikaiseen loggaukseen, TAG:n luomiseen (yksilöllinen nimi / numero jokaiselle yksikölle) ja mahdollisuuden sarjaohjelmointiin. Muunninta ei tarvitse erikseen kytkeä ohjelmoitaessa teholähteeseen, vaan muunnin ottaa tarvitsemansa virran micro USB-liittimen kautta. Ohjelmoitaessa kaikkien DIP-kytkimien tulee olla OFF-asennossa. PC-ohjelmiston voi ladata ilmaiseksi alta.

DIP-kytkimillä ohjelmoitaessa on myös valittavissa laaja valikoima tulo- ja lähtösignaaleja (kts. taulukko alla).

Muuntimen käyttölämpötila-alue on hyvin laaja -40 °C...+70 °C .

Tarvikkeet



Äänitiedostot

Lisää luettavaa

Uudet F-kaasuvaatimukset jäähdytyslaitteille
Tuki

F-kaasuasetus (EU) 2024/573 – Uudet vaatimukset jäähdytyslaitteille

Uusi F-kaasuasetus (EU) 2024/573 muuttaa jäähdytys- ja ilmastointijärjestelmien edellytyksiä teollisissa sovelluksissa. Tiukennetut vaatimukset fluoratuille kasvihuonekaasuille tarkoittavat, että monet nykyiset ratkaisut poistetaan asteittain käytöstä – samalla kun väärän teknologian valinta voi tulla kalliiksi tulevaisuudessa.

Conta-Clip kaapeliläpiviennit elintarviketeollisuuteen
Tuoteuutiset

CONTA-CLIP - FDA-yhteensopivat kaapeliläpivientiratkaisut elintarviketeollisuuteen

CONTA-CLIP tarjoaa elintarviketeollisuuden vaatimuksiin suunniteltuja kaapeliläpivientiratkaisuja, jotka on valmistettu FDA-yhteensopivista materiaaleista.

Advantech paneeli-PC
Tuoteuutiset

Advantech Panel PC - ratkaisut – Tehokkuutta, luotettavuutta ja automaation hallintaa

Advantechin paneeli PC:t toimivat keskeisenä käyttöliittymänä erilaisissa automaatiojärjestelmissä. Lue lisää!

Puls Planet SP960 -teholähde
Tuoteuutiset

Uuden sukupolven DIN-kiskovirtalähteet

PULS on esitellyt uuden sukupolven PLANET-teholähdesarjan, joka asettaa uudet standardit teollisuuden DIN-kiskovirtalähteille yhdistämällä ennätyskorkean hyötysuhteen ja erittäin kompaktin koon.

Partex PPQZ
Tuoteuutiset

PPQZ halogeenivapaa kaapelimerkki

PPQZ on litteä halogeenivapaa kaapelimerkki, joka toimitetaan esikatkaistuna valmiilla rei’illä. Merkintä on helppo asentaa kaapeliin nippusiteillä.

Partex PPD
Tuoteuutiset

PPD – litteä ja halogeenivapaa kaapelimerkki

Etsitkö luotettavaa, helppoa ja kestävää ratkaisua kaapelien ja letkujen merkintään? Nämä tasaiset, polyolefiinista valmistetut merkit ovat suunniteltu tehostamaan asennustyötä ja parantamaan turvallisuutta teollisuusympäristöissä.

Suosikit Tilausnumero: Tulo Lähtö Käyttöjännite Liitäntä Hinta
Säädettävissä DIP-kytkimillä tai ohjelmoitavissa FDT/DTM-ohjelmistolla
Virta 0-20 mA/4-20 mA, jännite 0-10 V/-10-+10 V/2-10 V/0-5 V/1-5 V
Ruuvi
Säädettävissä DIP-kytkimillä tai ohjelmoitavissa FDT/DTM-ohjelmistolla
Virta 0-20 mA/4-20 mA, jännite 0-10 V/-10-+10 V/2-10 V/0-5 V/1-5 V
20-30 V DC
Push-In

Valittu tuote

Valitse tuote listalta.

Teknisiä neuvoja

Markus Peltola

Tuotepäällikkö

Asiakaspalvelu
Asiakaspalvelumme vastaa kysymyksiin ja etsii ratkaisut ongelmiin. Heille voit jättää myös tilauksesi.
FAQ
+ Miten tullaan asiakkaaksenne?
+ Olen sopinut puskurivarastosta, voinko tilata verkkokaupan kautta?
+ Voiko samalla tilillä olla useita käyttäjiä?
+ Voiko samassa tilauksessa olla useampia toimituspäiviä?
+ Voiko tilauksen toimittaa väliaikaiseen toimitusosoitteeseen?
Chatti
Tarvitsetko apua?
Logo

Evästeet oem.fi sivustolla

Evästeiden avulla voimme palvella sinua paremmin ja varmistamme sivuston sujuvan toiminnan. Voit hallinnoida evästeasetuksia koska tahansa.

Toiminnalliset evästeet

Nämä evästeet ovat välttämättömiä verkkosivuston toimimiseksi, eikä niitä voi poistaa käytöstä järjestelmissämme. Niitä käytetään yleensä vain vastauksena toimiin, jotka olet tehnyt palvelupyynnön yhteydessä, esimerkiksi henkilökohtaisten asetusten määrittämisen, kirjautumisen tai lomakkeen täyttämisen yhteydessä.

Tilastolliset evästeet

Tilastollisten evästeiden avulla seuraamme verkkosivustomme kävijöiden toimintaa ja teemme analyyseja, joiden avulla voimme optimoida verkkosivustoamme. Tämä tarkoittaa, että voimme kehittää sivustoamme toimivammaksi ja palvelemaan kävijöitä paremmin. Jos et hyväksy näitä evästeitä, emme tiedä, milloin olet käynyt sivustollamme. Voit kuitenkin käyttää sivustoamme normaalisti.

Markkinointievästeet

Markkinointievästeiden avulla voimme kohdentaa sinulle mainoksia eri verkkosivustoilla tai sisältöä sosiaalisessa mediassa. Näitä evästeitä asettavat kolmannen osapuolen mainonta- ja kohdistustyökalut. Evästeiden kautta nämä toimijat voivat muodostaa profiilin kiinnostuksesi kohteista. Jos et hyväksy näitä evästeitä, et näe kohdennettua markkinointia etkä mahdollisesti voi käyttää sosiaalisen median jakotyökaluja.