IGUS
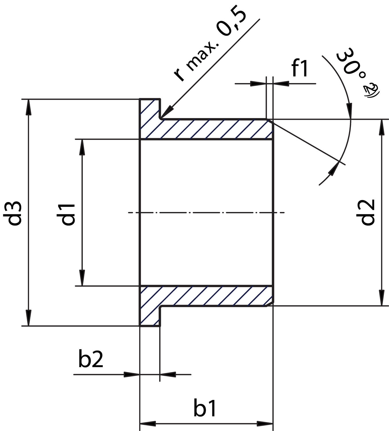
| d1 | 6 mm | 
|---|---|
| d1 toleranssi (asennuksen jälkeen) | 0,02 - 0,068 | 
| d2 | 8 mm | 
| d3 | 12 mm | 
|---|
Iglidur A181 laipallinen liukulaakeri on elintarvike hyväksytty materiaali elintarviketeollisuudelle. Tuotteella on FDA ja Eu 10/2011 hyväksynnät.
Yleisempiä käyttökohteita ovat elintarviketeollisuus, juomateollisuus ja lääketieteellinen teknologia
              
                  Olemme laajentaneet tuotevalikoimaamme ja aloittaneet yhteistyön NTF Aalborg A/S:n kanssa.  Lue lisää!
                
              Turun Eläinsuojeluyhdistys auttaa Turun sekä lähialueiden kodittomia lemmikkejä sekä luonnonvaraisia eläimiä.
              Teollisuusympäristöissä tapahtuvat räjähdykset voivat aiheuttaa vakavia vahinkoja sekä ihmisille että omaisuudelle. ATEX varmistaa, että sekä laitteet että työprosessit on suunniteltu minimoimaan nämä riskit ja luomaan turvallinen työympäristö.
              Yli 70 vuoden kokemuksellaan Akapp-Stemmann (Wabtec Netherlands) on yksi maailman tunnetuimmista virtakiskostojen valmistajista.
              OEM:n järjestää ensiapukoulutuksen kolmen vuoden välein ryhmälle työntekijöitä eri puolita organisaatiota.
              Tunnustus myönnettiin ansiokkaasta ja pitkäjänteisestä yhteistyöstä ammattiopisto Spesian kanssa.
| 
                   | 
                
                   | 
                
                   | 
                
                   | 
                
                   | 
              ||
|---|---|---|---|---|---|---|
| 
                     | 
                  
                     | 
                  
                     | 
                  
                     | 
                  
                     | 
                ||
| 
                     | 
                  
                     | 
                  
                     | 
                  
                     | 
                  
                     | 
                ||
| 
                     | 
                  
                     | 
                  
                     | 
                  
                     | 
                  
                     | 
                ||
| 
                     | 
                  
                     | 
                  
                     | 
                  
                     | 
                  
                     | 
                ||
| 
                     | 
                  
                     | 
                  
                     | 
                  
                     | 
                  
                     | 
                ||
| 
                     | 
                  
                     | 
                  
                     | 
                  
                     | 
                  
                     | 
                
| Suosikit | Tilausnumero: | d1 | d1 toleranssi (asennuksen jälkeen) | d2 | d3 | Hinta | |
|---|---|---|---|---|---|---|---|
   
      
      
        Liukulaakeri laipallinen Iglidur® A181
      
      
       
  
        Tuotenumero:
         
    
          
            A181FM-0608-04
          
          Kopioitu!
         
       | 
  
        
           
            6 mm
            
            
           
         | 
        
           
            0,02 - 0,068 
            
            
           
         | 
        
           
            8 mm
            
            
           
         | 
        
           
            12 mm
            
            
           
         | 
     |   ||
   
      
      
        Liukulaakeri laipallinen Iglidur® A181
      
      
       
  
        Tuotenumero:
         
    
          
            A181FM-0608-06
          
          Kopioitu!
         
       | 
  
        
           
            6 mm
            
            
           
         | 
        
           
            0,02 - 0,068 
            
            
           
         | 
        
           
            8 mm
            
            
           
         | 
        
           
            12 mm
            
            
           
         | 
     |   ||
   
      
      
        Liukulaakeri laipallinen Iglidur® A181
      
      
       
  
        Tuotenumero:
         
    
          
            A181FM-0810-05
          
          Kopioitu!
         
       | 
  
        
           
            8 mm
            
            
           
         | 
        
           
            0,025 - 0,083 
            
            
           
         | 
        
           
            10 mm
            
            
           
         | 
        
           
            15 mm
            
            
           
         | 
     |   ||
   
      
      
        Liukulaakeri laipallinen Iglidur® A181
      
      
       
  
        Tuotenumero:
         
    
          
            A181FM-0810-07
          
          Kopioitu!
         
       | 
  
        
           
            8 mm
            
            
           
         | 
        
           
            0,025 - 0,083 
            
            
           
         | 
        
           
            10 mm
            
            
           
         | 
        
           
            15 mm
            
            
           
         | 
     |   ||
   
      
      
        Liukulaakeri laipallinen Iglidur® A181
      
      
       
  
        Tuotenumero:
         
    
          
            A181FM-0810-09
          
          Kopioitu!
         
       | 
  
        
           
            8 mm
            
            
           
         | 
        
           
            0,025 - 0,083 
            
            
           
         | 
        
           
            10 mm
            
            
           
         | 
        
           
            15 mm
            
            
           
         | 
     |   ||
   
      
      
        Liukulaakeri laipallinen Iglidur® A181
      
      
       
  
        Tuotenumero:
         
    
          
            A181FM-0810-10
          
          Kopioitu!
         
       | 
  
        
           
            8 mm
            
            
           
         | 
        
           
            0,025 - 0,083 
            
            
           
         | 
        
           
            10 mm
            
            
           
         | 
        
           
            15 mm
            
            
           
         | 
     |   ||
   
      
      
        Liukulaakeri laipallinen Iglidur® A181
      
      
       
  
        Tuotenumero:
         
    
          
            A181FM-1012-07
          
          Kopioitu!
         
       | 
  
        
           
            10 mm
            
            
           
         | 
        
           
            0,025 - 0,083 
            
            
           
         | 
        
           
            12 mm
            
            
           
         | 
        
           
            18 mm
            
            
           
         | 
     |   ||
   
      
      
        Liukulaakeri laipallinen Iglidur® A181
      
      
       
  
        Tuotenumero:
         
    
          
            A181FM-1012-09
          
          Kopioitu!
         
       | 
  
        
           
            10 mm
            
            
           
         | 
        
           
            0,025 - 0,083 
            
            
           
         | 
        
           
            12 mm
            
            
           
         | 
        
           
            18 mm
            
            
           
         | 
     |   ||
   
      
      
        Liukulaakeri laipallinen Iglidur® A181
      
      
       
  
        Tuotenumero:
         
    
          
            A181FM-1012-10
          
          Kopioitu!
         
       | 
  
        
           
            10 mm
            
            
           
         | 
        
           
            0,025 - 0,083 
            
            
           
         | 
        
           
            12 mm
            
            
           
         | 
        
           
            18 mm
            
            
           
         | 
     |   ||
   
      
      
        Liukulaakeri laipallinen Iglidur® A181
      
      
       
  
        Tuotenumero:
         
    
          
            A181FM-1012-12
          
          Kopioitu!
         
       | 
  
        
           
            10 mm
            
            
           
         | 
        
           
            0,025 - 0,083 
            
            
           
         | 
        
           
            12 mm
            
            
           
         | 
        
           
            18 mm
            
            
           
         | 
     |   ||
   
      
      
        Liukulaakeri laipallinen Iglidur® A181
      
      
       
  
        Tuotenumero:
         
    
          
            A181FM-1012-17
          
          Kopioitu!
         
       | 
  
        
           
            10 mm
            
            
           
         | 
        
           
            0,025 - 0,083 
            
            
           
         | 
        
           
            12 mm
            
            
           
         | 
        
           
            18 mm
            
            
           
         | 
     |   ||
   
      
      
        Liukulaakeri laipallinen Iglidur® A181
      
      
       
  
        Tuotenumero:
         
    
          
            A181FM-1214-07
          
          Kopioitu!
         
       | 
  
        
           
            12 mm
            
            
           
         | 
        
           
            0,032 - 0,102 
            
            
           
         | 
        
           
            14 mm
            
            
           
         | 
        
           
            20 mm
            
            
           
         | 
     |   ||
   
      
      
        Liukulaakeri laipallinen Iglidur® A181
      
      
       
  
        Tuotenumero:
         
    
          
            A181FM-1214-09
          
          Kopioitu!
         
       | 
  
        
           
            12 mm
            
            
           
         | 
        
           
            0,032 - 0,102 
            
            
           
         | 
        
           
            14 mm
            
            
           
         | 
        
           
            20 mm
            
            
           
         | 
     |   ||
   
      
      
        Liukulaakeri laipallinen Iglidur® A181
      
      
       
  
        Tuotenumero:
         
    
          
            A181FM-1214-12
          
          Kopioitu!
         
       | 
  
        
           
            12 mm
            
            
           
         | 
        
           
            0,032 - 0,102 
            
            
           
         | 
        
           
            14 mm
            
            
           
         | 
        
           
            20 mm
            
            
           
         | 
     |   ||
   
      
      
        Liukulaakeri laipallinen Iglidur® A181
      
      
       
  
        Tuotenumero:
         
    
          
            A181FM-1214-17
          
          Kopioitu!
         
       | 
  
        
           
            12 mm
            
            
           
         | 
        
           
            0,032 - 0,102 
            
            
           
         | 
        
           
            14 mm
            
            
           
         | 
        
           
            20 mm
            
            
           
         | 
     |   ||
   
      
      
        Liukulaakeri laipallinen Iglidur® A181
      
      
       
  
        Tuotenumero:
         
    
          
            A181FM-1416-12
          
          Kopioitu!
         
       | 
  
        
           
            14 mm
            
            
           
         | 
        
           
            0,032 - 0,102 
            
            
           
         | 
        
           
            16 mm
            
            
           
         | 
        
           
            22 mm
            
            
           
         | 
     |   ||
   
      
      
        Liukulaakeri laipallinen Iglidur® A181
      
      
       
  
        Tuotenumero:
         
    
          
            A181FM-1416-17
          
          Kopioitu!
         
       | 
  
        
           
            14 mm
            
            
           
         | 
        
           
            0,032 - 0,102 
            
            
           
         | 
        
           
            16 mm
            
            
           
         | 
        
           
            22 mm
            
            
           
         | 
     |   ||
   
      
      
        Liukulaakeri laipallinen Iglidur® A181
      
      
       
  
        Tuotenumero:
         
    
          
            A181FM-1517-09
          
          Kopioitu!
         
       | 
  
        
           
            15 mm
            
            
           
         | 
        
           
            0,032 - 0,102 
            
            
           
         | 
        
           
            17 mm
            
            
           
         | 
        
           
            23 mm
            
            
           
         | 
     |   ||
   
      
      
        Liukulaakeri laipallinen Iglidur® A181
      
      
       
  
        Tuotenumero:
         
    
          
            A181FM-1517-12
          
          Kopioitu!
         
       | 
  
        
           
            15 mm
            
            
           
         | 
        
           
            0,032 - 0,102 
            
            
           
         | 
        
           
            17 mm
            
            
           
         | 
        
           
            23 mm
            
            
           
         | 
     |   ||
   
      
      
        Liukulaakeri laipallinen Iglidur® A181
      
      
       
  
        Tuotenumero:
         
    
          
            A181FM-1517-17
          
          Kopioitu!
         
       | 
  
        
           
            15 mm
            
            
           
         | 
        
           
            0,032 - 0,102 
            
            
           
         | 
        
           
            17 mm
            
            
           
         | 
        
           
            23 mm
            
            
           
         | 
     |   ||
   
      
      
        Liukulaakeri laipallinen Iglidur® A181
      
      
       
  
        Tuotenumero:
         
    
          
            A181FM-1618-12
          
          Kopioitu!
         
       | 
  
        
           
            16 mm
            
            
           
         | 
        
           
            0,032 - 0,102 
            
            
           
         | 
        
           
            18 mm
            
            
           
         | 
        
           
            24 mm
            
            
           
         | 
     |   ||
   
      
      
        Liukulaakeri laipallinen Iglidur® A181
      
      
       
  
        Tuotenumero:
         
    
          
            A181FM-1618-17
          
          Kopioitu!
         
       | 
  
        
           
            16 mm
            
            
           
         | 
        
           
            0,032 - 0,102 
            
            
           
         | 
        
           
            18 mm
            
            
           
         | 
        
           
            24 mm
            
            
           
         | 
     |   ||
   
      
      
        Liukulaakeri laipallinen Iglidur® A181
      
      
       
  
        Tuotenumero:
         
    
          
            A181FM-1820-12
          
          Kopioitu!
         
       | 
  
        
           
            18 mm
            
            
           
         | 
        
           
            0,032 - 0,102 
            
            
           
         | 
        
           
            20 mm
            
            
           
         | 
        
           
            26 mm
            
            
           
         | 
     |   ||
   
      
      
        Liukulaakeri laipallinen Iglidur® A181
      
      
       
  
        Tuotenumero:
         
    
          
            A181FM-1820-17
          
          Kopioitu!
         
       | 
  
        
           
            18 mm
            
            
           
         | 
        
           
            0,032 - 0,102 
            
            
           
         | 
        
           
            20 mm
            
            
           
         | 
        
           
            26 mm
            
            
           
         | 
     |   ||
   
      
      
        Liukulaakeri laipallinen Iglidur® A181
      
      
       
  
        Tuotenumero:
         
    
          
            A181FM-1820-22
          
          Kopioitu!
         
       | 
  
        
           
            18 mm
            
            
           
         | 
        
           
            0,032 - 0,102 
            
            
           
         | 
        
           
            20 mm
            
            
           
         | 
        
           
            26 mm
            
            
           
         | 
     |   ||
   
      
      
        Liukulaakeri laipallinen Iglidur® A181
      
      
       
  
        Tuotenumero:
         
    
          
            A181FM-2023-11
          
          Kopioitu!
         
       | 
  
        
           
            20 mm
            
            
           
         | 
        
           
            0,04 - 0,124 
            
            
           
         | 
        
           
            23 mm
            
            
           
         | 
        
           
            30 mm
            
            
           
         | 
     |   ||
   
      
      
        Liukulaakeri laipallinen Iglidur® A181
      
      
       
  
        Tuotenumero:
         
    
          
            A181FM-2023-16
          
          Kopioitu!
         
       | 
  
        
           
            20 mm
            
            
           
         | 
        
           
            0,04 - 0,124 
            
            
           
         | 
        
           
            23 mm
            
            
           
         | 
        
           
            30 mm
            
            
           
         | 
     |   ||
   
      
      
        Liukulaakeri laipallinen Iglidur® A181
      
      
       
  
        Tuotenumero:
         
    
          
            A181FM-2023-21
          
          Kopioitu!
         
       | 
  
        
           
            20 mm
            
            
           
         | 
        
           
            0,04 - 0,124 
            
            
           
         | 
        
           
            23 mm
            
            
           
         | 
        
           
            30 mm
            
            
           
         | 
     |   ||
   
      
      
        Liukulaakeri laipallinen Iglidur® A181
      
      
       
  
        Tuotenumero:
         
    
          
            A181FM-2528-11
          
          Kopioitu!
         
       | 
  
        
           
            25 mm
            
            
           
         | 
        
           
            0,04 - 0,124 
            
            
           
         | 
        
           
            28 mm
            
            
           
         | 
        
           
            35 mm
            
            
           
         | 
     |   ||
   
      
      
        Liukulaakeri laipallinen Iglidur® A181
      
      
       
  
        Tuotenumero:
         
    
          
            A181FM-2528-16
          
          Kopioitu!
         
       | 
  
        
           
            25 mm
            
            
           
         | 
        
           
            0,04 - 0,124 
            
            
           
         | 
        
           
            28 mm
            
            
           
         | 
        
           
            35 mm
            
            
           
         | 
     |   ||
   
      
      
        Liukulaakeri laipallinen Iglidur® A181
      
      
       
  
        Tuotenumero:
         
    
          
            A181FM-2528-21
          
          Kopioitu!
         
       | 
  
        
           
            25 mm
            
            
           
         | 
        
           
            0,04 - 0,124 
            
            
           
         | 
        
           
            28 mm
            
            
           
         | 
        
           
            35 mm
            
            
           
         | 
     |   ||
   
      
      
        Liukulaakeri laipallinen Iglidur® A181
      
      
       
  
        Tuotenumero:
         
    
          
            A181FM-3034-16
          
          Kopioitu!
         
       | 
  
        
           
            30 mm
            
            
           
         | 
        
           
            0,04 - 0,124 
            
            
           
         | 
        
           
            34 mm
            
            
           
         | 
        
           
            42 mm
            
            
           
         | 
     |   ||
   
      
      
        Liukulaakeri laipallinen Iglidur® A181
      
      
       
  
        Tuotenumero:
         
    
          
            A181FM-3034-26
          
          Kopioitu!
         
       | 
  
        
           
            30 mm
            
            
           
         | 
        
           
            0,04 - 0,124 
            
            
           
         | 
        
           
            34 mm
            
            
           
         | 
        
           
            42 mm
            
            
           
         | 
     |   ||
   
      
      
        Liukulaakeri laipallinen Iglidur® A181
      
      
       
  
        Tuotenumero:
         
    
          
            A181FM-3539-16
          
          Kopioitu!
         
       | 
  
        
           
            35 mm
            
            
           
         | 
        
           
            0,04 - 0,124 
            
            
           
         | 
        
           
            39 mm
            
            
           
         | 
        
           
            47 mm
            
            
           
         | 
     |   ||
   
      
      
        Liukulaakeri laipallinen Iglidur® A181
      
      
       
  
        Tuotenumero:
         
    
          
            A181FM-3539-26
          
          Kopioitu!
         
       | 
  
        
           
            35 mm
            
            
           
         | 
        
           
            0,04 - 0,124 
            
            
           
         | 
        
           
            39 mm
            
            
           
         | 
        
           
            47 mm
            
            
           
         | 
     |   ||
   
      
      
        Liukulaakeri laipallinen Iglidur® A181
      
      
       
  
        Tuotenumero:
         
    
          
            A181FM-4044-30
          
          Kopioitu!
         
       | 
  
        
           
            40 mm
            
            
           
         | 
        
           
            0,04 - 0,124 
            
            
           
         | 
        
           
            44 mm
            
            
           
         | 
        
           
            52 mm
            
            
           
         | 
     |   ||
   
      
      
        Liukulaakeri laipallinen Iglidur® A181
      
      
       
  
        Tuotenumero:
         
    
          
            A181FM-4044-40
          
          Kopioitu!
         
       | 
  
        
           
            40 mm
            
            
           
         | 
        
           
            0,04 - 0,124 
            
            
           
         | 
        
           
            44 mm
            
            
           
         | 
        
           
            52 mm
            
            
           
         | 
     |   ||
   
      
      
        Liukulaakeri laipallinen Iglidur® A181
      
      
       
  
        Tuotenumero:
         
    
          
            A181FM-4550-50
          
          Kopioitu!
         
       | 
  
        
           
            45 mm
            
            
           
         | 
        
           
            0,04 - 0,124 
            
            
           
         | 
        
           
            50 mm
            
            
           
         | 
        
           
            58 mm
            
            
           
         | 
     |   
Valitse tuote listalta.
            
        Mikko Railonvirta