NTN Europe

SNR ES-sarjan irtolaakerit pesille

Laakeri pidemmällä sisäkehällä

Laakeri on vakiona C3-välyksinen ja kestää -20°C...+100°C astetta.
  • Epäkeskoholkkikiristys
  • Lyhyempi sisäkehä
  • Sopii pienempään tilaan

Valitse tuote

Valitse tuote

Valitse tuote

Tekniset tiedot

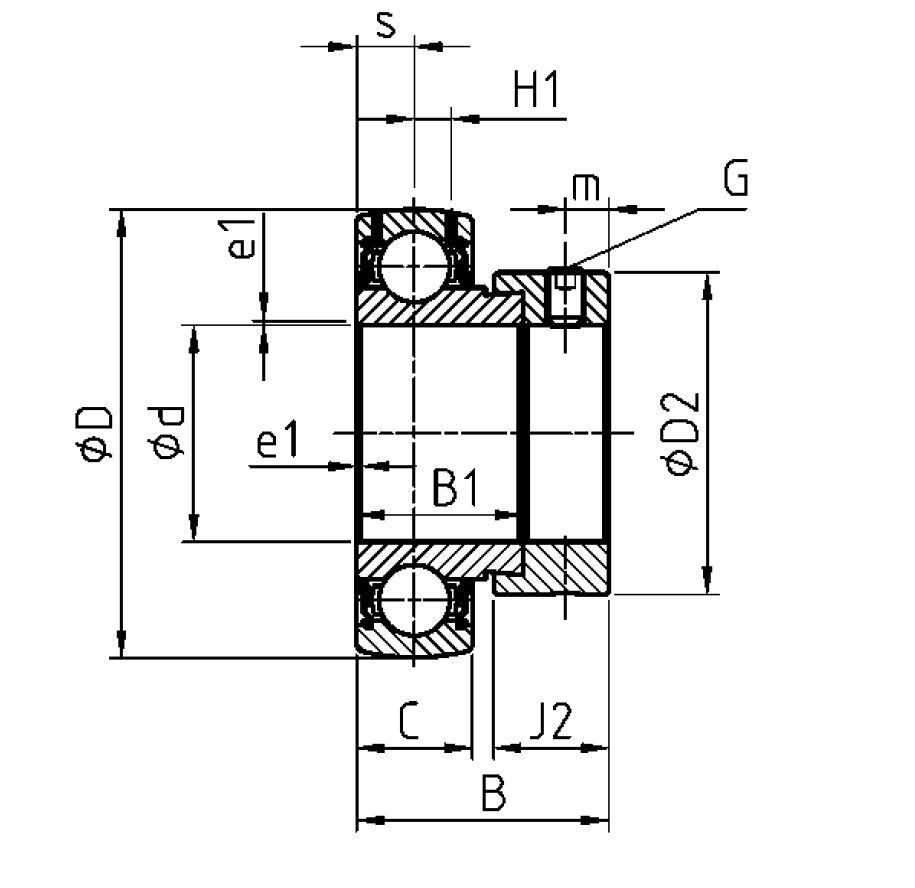
B 28,6 mm
B1 19,1 mm
C 12 mm
d 12
D2 28,6 mm
Dynaaminen laakerin kestävyys DYN 9.5500000000000007
J2 13,5 mm
Kierre M6x1
Paino 0,14 kg
Staattinen kantokyky DYN 4.78

Mitat ja kytkennät

Tuotekuvaus

KÄYTTÖALUEET

Laakeriyksiköiden laakerit ovat samaa tyyppiä kuin urakuulalaakerit. Erona on pallomainen ulkopinta sekä pidempi sisäkehä. Pallomaisella ulkopinnalla saadaan laakeriyksikkö itseasemoituvaksi. Laakeri on myös helpompi asentaa akselille plus-sovitteen ansiosta. Laakeri kiristetään akseliin epäkeskoholkilla, stop-ruuvilla tai kiristysholkilla.

 

Laakeri on molemmin puolin suojattu metallisuojalla.

 

Laakeri on vakiona C3-välyksinen ja kestää -20°C...+100°C astetta.

Mikäli lämpötila on alle vakion, NTN/SNR:llä on vaihtoehtona tähän L04 joka kestää -40°C.

Jos taas lämpötila on yli vakion, jälkimerkintä on T20, joka kestää +200°C astetta.

 

Yksikön laakereita löytyy 200- ja 300-sarjoissa.

 

NTN/SNR laakereiden jälkimerkinnät 

• L3 3-huulitiiviste likaiseen tilaan

• T04 käyttölämpötila -40°C

• T20 käyttölämpötila aina +200°C asti

• G2 mahdollisuus udelleenvoiteluun (SNR)

 

Tarvikkeet

Saatat olla kiinnostunut näistä



Äänitiedostot

Lisää luettavaa

Kumppani lääke- ja laboratoriolaitteisiin
Tuoteuutiset

Kumppani vaativiin lääke- ja laboratoriolaitteisiin

Valikoimiimme kuuluu korkealuokkaisia kytkin-, liitin-, lämmönhallinta-, älykalvo- ja näyttöratkaisuja sairaala- ja laboratoriolaitteiden valmistajille.

Lovato Electric kuormakytkimet
Tuoteuutiset

Lovato Electric laajentaa GL-sarjan kuormakytkinvalikoimaa 2000 A asti

LOVATO Electric on laajentanut tunnettua GL-sarjan kuormakytkinvalikoimaansa uusilla kokoluokilla, jotka kattavat virta-alueen 1000 A:sta aina 2000 A:iin (AC21A).

DC-UPS:t
Tuoteuutiset

Adel System - DC-UPS:t

Adel Systemsin luotettavat energianjatkuvuusratkaisut auttavat yrityksiä varautumaan sähkökatkoksiin ennakolta. Varmistamalla kriittisten järjestelmien ja prosessien jatkuvuuden vältät yllättävät keskeytykset, suojaat liiketoimintasi tuloksen ja säästyt piilokustannuksilta, jotka muuten jäisivät helposti huomaamatta.

Wika ILT tutka-anturi
Tuoteuutiset

WIKA ILT – Kompakti ja kestävä tutka-anturi nykyaikaiseen teollisuuteen

WIKA ILT-sarjan tutka-anturi tarjoaa tarkkaa ja kosketuksetonta pinnankorkeuden mittausta nesteille, viskooseille aineille ja kiintoaineille. Lue lisää!

Inxpectin Cuboid tutka uutuudet saatavilla OEM Finlandilta
Tuoteuutiset

Inxpect Cuboid -turvatutkat – uusi muoto entistä parempaan turvallisuuteen

Uudet S202A-MC-anturit tarjoavat laajat konfigurointimahdollisuudet ja ne on suunniteltu kattamaan monipuolisesti erilaiset teollisuussovellukset.

Teholähteet lääketeollisuudelle
Tuoteuutiset

Teholähteet lääkinnälliseen käyttöön

Enedo suunnittelee ja kehittää lääkinnälliseen käyttöön tarkoitettuja AC–DC-teholähteitä vaativimpiin terveydenhuollon sovelluksiin.

Suosikit Tilausnumero: B B1 C d D2 Dynaaminen laakerin kestävyys DYN J2 Kierre Paino Staattinen kantokyky DYN Hinta
28,6 mm
19,1 mm
12 mm
12
28,6 mm
9.5500000000000007
13,5 mm
M6x1
0,14 kg
4.78
28,6 mm
19,1 mm
12 mm
15
28,6 mm
9.5500000000000007
13,5 mm
M6x1
0,13 kg
4.78
28,6 mm
19,1 mm
12 mm
17
28,6 mm
9.5500000000000007
13,5 mm
M6x1
0,13 kg
4.78
30,9 mm
21,4 mm
14 mm
20
33,3 mm
12.8
13,5 mm
M6x1
0,15 kg
6.65
30,9 mm
21,4 mm
15 mm
25
38,1 mm
14
13,5 mm
M6x1
0,19 kg
7.88
35,7 mm
23,8 mm
16 mm
30
44,5 mm
19.5
15,9 mm
M8x1
0,33 kg
11.2
38,9 mm
25,4 mm
17 mm
35
55,6 mm
25.7
17,5 mm
M8x1
0,5 kg
15.2
43,7 mm
30,2 mm
18 mm
40
60,3 mm
29.6
18,3 mm
M8x1
0,65 kg
18.2
43,7 mm
30,2 mm
19 mm
45
63,5 mm
31.85
18,3 mm
M8x1
0,69 kg
20.8
43,7 mm
30,2 mm
20 mm
50
69,9 mm
35.1
18,3 mm
M8x1
0,8 kg
23.2
48,4 mm
32,5 mm
24 mm
55
76,2 mm
43.55
20,7 mm
M10x1,25
0,87 kg
29.2
49,3 mm
33,4 mm
24 mm
60
84,2 mm
52.5
22,3 mm
M10x1,25
1,2 kg
32.799999999999997

Valittu tuote

Valitse tuote listalta.

Teknisiä neuvoja

Mikko Railonvirta

Tuotepäällikkö

Asiakaspalvelu
Asiakaspalvelumme vastaa kysymyksiin ja etsii ratkaisut ongelmiin. Heille voit jättää myös tilauksesi.
FAQ
+ Miten tullaan asiakkaaksenne?
+ Olen sopinut puskurivarastosta, voinko tilata verkkokaupan kautta?
+ Voiko samalla tilillä olla useita käyttäjiä?
+ Voiko samassa tilauksessa olla useampia toimituspäiviä?
+ Voiko tilauksen toimittaa väliaikaiseen toimitusosoitteeseen?
Chatti
Tarvitsetko apua?