KÄYTTÖALUEET
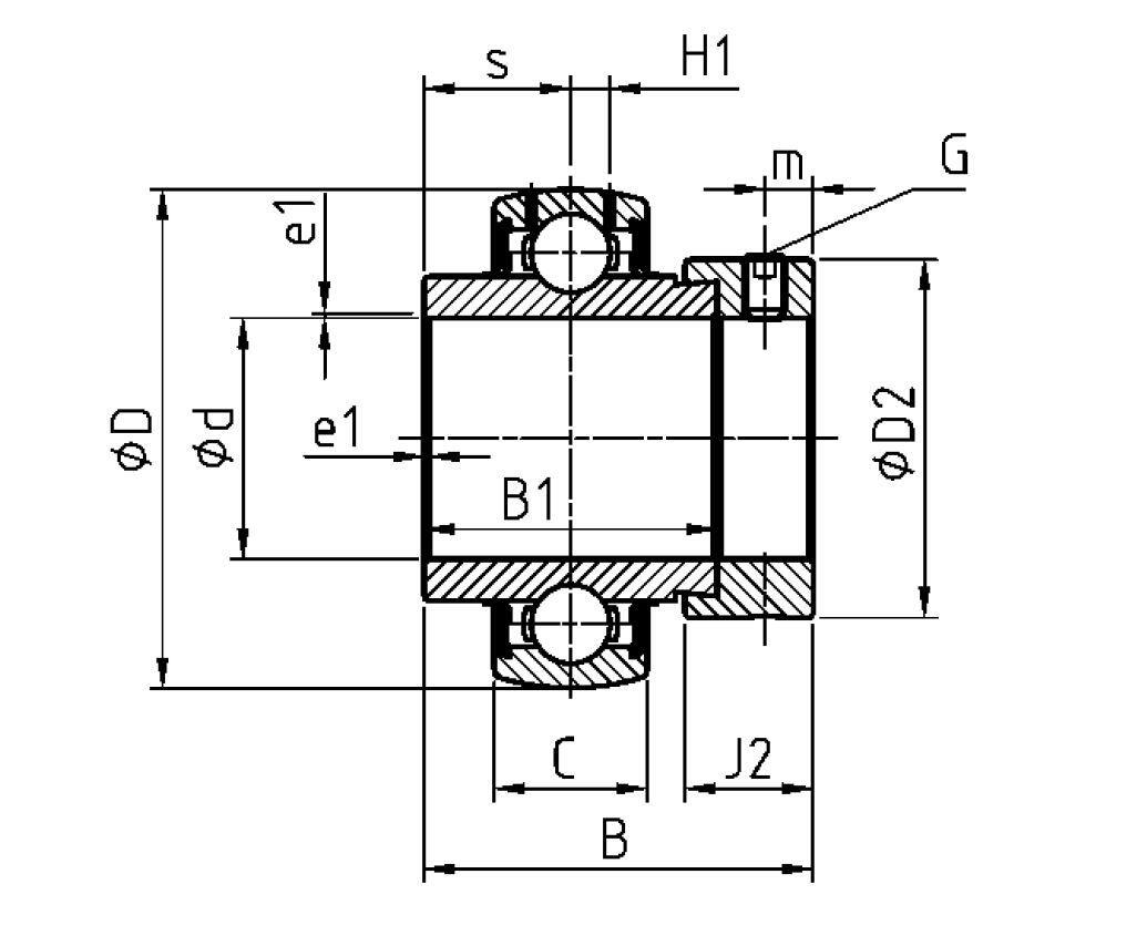
Laakeriyksiköiden laakerit ovat samaa tyyppiä kuin urakuulalaakerit. Erona on pallomainen ulkopinta sekä pidempi sisäkehä. Pallomaisella ulkopinnalla saadaan laakeriyksikkö itseasemoituvaksi. Laakeri on myös helpompi asentaa akselille plus-sovitteen vuoksi. Laakeri kiristetään akseliin epäkeskoholkilla, stop-ruuvilla tai kiristysholkilla.
Laakeri on molemmin puolin suojattu metallisuojalla.
Laakeri on vakiona C3-välyksinen ja kestää-20°C...+100°Castetta.
Mikäli lämpötila on alle vakion, NTN/SNR:llä on vaihtoehtona tähän L04, joka kestää -40°C.
Jos taas lämpötila on yli vakion, jälkimerkintä on T20, joka kestää +200°C astetta.
Yksikön laakereita löytyy 200- ja 300-sarjoissa.
NTN/SNR laakereiden jälkimerkinnät
• L3 3-huulitiiviste likaiseen tilaan
• T04 käyttölämpötila -40°C
• T20 käyttölämpötila aina +200°C asti
• G2 mahdollisuus uudelleenvoiteluun (SNR)
Tunnustus myönnettiin ansiokkaasta ja pitkäjänteisestä yhteistyöstä ammattiopisto Spesian kanssa.
Laadukas valaistus ei ole pelkästään riittävä määrä valoa, vaan siihen liittyy useita teknisiä ja kokemuksellisia tekijöitä, kuten mm. värintoisto, häikäisy, energiatehokkuus ja käyttöikä.
Olemme mukana Teknologia-messuilla, osastolla 6d60! Tule haistelemaan messutunnelmaa ja juttelemaan. Nähdään Helsingissä 4.–6.11.2025!
SNR:n ruostumattomasta teräksestä valmistettu yksikönlaakeri on täytetty elintarvikehyväksytyllä LUBSOLID “Full Pack” -voiteluaineella. Yksiköitä on saatavana joko ruostumattomalla tai muovisella laakeripesällä, ja myös sisälaakerit ovat saatavilla erikseen.
LED-valaistuksesta puhuttaessa käytetään paljon erilaisia lyhenteitä, sekä valaistukselle ominaisia termejä ja mittayksiköitä. Tutustu yleisimpiin termeihin!
Tuoteportfoliossamme on kattavasti erilaisia komponentteja latauslaitteiden valmistajille. Tutustu!
|
|
|
|
|
||
---|---|---|---|---|---|---|
|
|
|
|
|
||
|
|
|
|
|
||
|
|
|
|
|
||
|
|
|
|
|
||
|
|
|
|
|
||
|
|
|
|
|
Suosikit | Tilausnumero: | B | B1 | C | D2 | Dynaaminen laakerin kestävyys DYN | J2 | Kierre | Paino | Sisämitta d | Staattinen kantokyky DYN | Ulkomitta D | Hinta | |
---|---|---|---|---|---|---|---|---|---|---|---|---|---|---|
![]()
Laakeripesän irtolaakeri SNR
Tuotenumero:
EX201
Kopioitu!
|
43,5 mm
|
34 mm
|
16 mm
|
33,3 mm
|
12.8
|
13,5 mm
|
M6x1
|
0,29 kg
|
12 mm
|
6.65
|
47 mm
|
| ||
![]()
Laakeripesän irtolaakeri SNR
Tuotenumero:
EX202
Kopioitu!
|
43,5 mm
|
34 mm
|
16 mm
|
33,3 mm
|
12.8
|
13,5 mm
|
M6x1
|
0,27 kg
|
15 mm
|
6.65
|
47 mm
|
| ||
![]()
Laakeripesän irtolaakeri SNR
Tuotenumero:
EX203
Kopioitu!
|
43,5 mm
|
34 mm
|
16 mm
|
33,3 mm
|
12.8
|
13,5 mm
|
M6x1
|
0,25 kg
|
17 mm
|
6.65
|
47 mm
|
| ||
![]()
Laakeripesän irtolaakeri SNR
Tuotenumero:
EX204
Kopioitu!
|
43,5 mm
|
34 mm
|
16 mm
|
33,3 mm
|
12.8
|
13,5 mm
|
M6x1
|
0,22 kg
|
20 mm
|
6.65
|
47 mm
|
| ||
![]()
Laakeripesän irtolaakeri SNR
Tuotenumero:
EX205
Kopioitu!
|
44,3 mm
|
34,8 mm
|
17 mm
|
38,1 mm
|
14
|
13,5 mm
|
M6x1
|
0,25 kg
|
25 mm
|
7.88
|
52 mm
|
| ||
![]()
Laakeripesän irtolaakeri SNR
Tuotenumero:
EX206
Kopioitu!
|
48,3 mm
|
36,4 mm
|
19 mm
|
44,5 mm
|
19.5
|
15,9 mm
|
M6x1
|
0,41 kg
|
30 mm
|
11.2
|
62 mm
|
| ||
![]()
Laakeripesän irtolaakeri SNR
Tuotenumero:
EX207
Kopioitu!
|
41,1 mm
|
37,6 mm
|
20 mm
|
55,6 mm
|
25.7
|
17,5 mm
|
M8x1
|
0,6 kg
|
35 mm
|
15.2
|
72 mm
|
| ||
![]()
Laakeripesän irtolaakeri SNR
Tuotenumero:
EX208
Kopioitu!
|
46,3 mm
|
42,8 mm
|
21 mm
|
60 mm
|
29.6
|
18,3 mm
|
M8x1
|
0,78 kg
|
40 mm
|
18.2
|
80 mm
|
| ||
![]()
Laakeripesän irtolaakeri SNR
Tuotenumero:
EX209
Kopioitu!
|
46,3 mm
|
42,8 mm
|
22 mm
|
63,5 mm
|
31.85
|
18,3 mm
|
M8x1
|
0,87 kg
|
45 mm
|
20.8
|
85 mm
|
| ||
![]()
Laakeripesän irtolaakeri SNR
Tuotenumero:
EX210
Kopioitu!
|
62,7 mm
|
49,2 mm
|
23 mm
|
69,9 mm
|
35.1
|
18,3 mm
|
M8x1
|
1,01 kg
|
50 mm
|
23.2
|
90 mm
|
| ||
![]()
Laakeripesän irtolaakeri SNR
Tuotenumero:
EX211
Kopioitu!
|
71,3 mm
|
55,4 mm
|
25 mm
|
76,2 mm
|
43.55
|
20,7 mm
|
M10x1,25
|
1,39 kg
|
55 mm
|
29.2
|
100 mm
|
| ||
![]()
Laakeripesän irtolaakeri SNR
Tuotenumero:
EX212
Kopioitu!
|
77,7 mm
|
61,8 mm
|
27 mm
|
84,2 mm
|
52.5
|
22,3 mm
|
M10x1,25
|
1,87 kg
|
60 mm
|
32.799999999999997
|
110 mm
|
| ||
![]()
Laakeripesän irtolaakeri SNR
Tuotenumero:
EX213
Kopioitu!
|
85,7 mm
|
68,2 mm
|
28 mm
|
86 mm
|
57.2
|
23,5 mm
|
M10x1,25
|
2,41 kg
|
65 mm
|
4
|
120 mm
|
| ||
![]()
Laakeripesän irtolaakeri SNR
Tuotenumero:
EX214
Kopioitu!
|
85,7 mm
|
68,2 mm
|
30 mm
|
96,8 mm
|
62
|
23,5 mm
|
M10x1,25
|
2,57 kg
|
70 mm
|
45
|
125 mm
|
| ||
![]()
Laakeripesän irtolaakeri SNR
Tuotenumero:
EX215
Kopioitu!
|
92,1 mm
|
74,6 mm
|
30 mm
|
102 mm
|
66
|
23,9 mm
|
M10x1,25
|
2,84 kg
|
75 mm
|
19.5
|
130 mm
|
| ||
![]()
Laakeripesän irtolaakeri SNR
Tuotenumero:
EX216
Kopioitu!
|
95,2 mm
|
74,6 mm
|
33 mm
|
110 mm
|
72.5
|
27 mm
|
M12x1,25
|
3,12 kg
|
80 mm
|
54.2
|
140 mm
|
| ||
![]()
Laakeripesän irtolaakeri SNR
Tuotenumero:
EX217
Kopioitu!
|
73,2 mm
|
53,2 mm
|
35 mm
|
119 mm
|
83.2
|
27 mm
|
M12x1,25
|
3,72 kg
|
85 mm
|
63.8
|
150 mm
|
| ||
![]()
Laakeripesän irtolaakeri SNR
Tuotenumero:
EX218
Kopioitu!
|
72,5 mm
|
55 mm
|
37 mm
|
120 mm
|
96
|
24 mm
|
M12x1,25
|
4,9 kg
|
90 mm
|
71.5
|
160 mm
|
|
Valitse tuote listalta.
Mikko Railonvirta