NTN Europe

SNR UK-sarjan irtolaakerit pesille

Laakeri pidemmällä sisäkehällä

Laakeri on helpompi asentaa akselille plus-sovitteen ansiosta.
  • Kiinnitys kiristysholkilla (ei sisälly)
  • Kestää suuremmat kierrosnopeudet ja soveltuu molempiin suuntiin pyöriviin akseleihin
  • Sopii valurauta ja peltipesiin

Valitse tuote

Valitse tuote

Valitse tuote

Tekniset tiedot

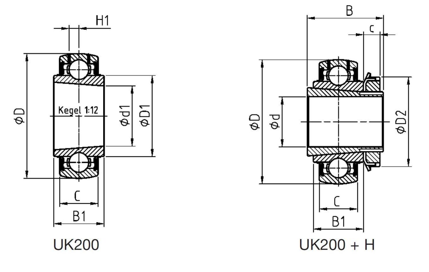
Akselin halkaisija 20 mm
B 35 mm
c 8 mm
C 17 mm
d1 25 mm
D1 34 mm
D2 38 mm
Dynaaminen laakerin kestävyys DYN 14
H1 4,3 mm
Kiinnitysholkki H2305
Paino 0,24 kg
Staattinen kantokyky DYN 7.88
Ulkomitta D 52 mm

Mitat ja kytkennät

Tuotekuvaus

KÄYTTÖALUEET

Laakeriyksiköiden laakerit ovat samaa tyyppiä kuin urakuulalaakerit. Erona on pallomainen ulkopinta sekä pidempi sisäkehä. Pallomaisella ulkopinnalla saadaan laakeriyksikkö itseaseMoituvaksi. Laakeri on myös helpompi asentaa akselille plus-sovitteen ansiosta. Laakeri kiristetään akseliin epäkeskoholkilla, stop-ruuvilla tai kiristysholkilla.

 

Laakeri on molemmin puolin suojattu metallisuojalla.

 

Laakeri on vakiona C3-välyksinen ja kestää -20°C...+100°C astetta. Mikäli lämpötila on alle vakion, NTN/SNR:llä on vaihtoehtona tähän L04, joka kestää -40°C. Jos taas lämpötila on yli vakion, jälkimerkintä on T20, joka kestää +200°C astetta.

 

Yksikön laakereita löytyy 200- ja 300-sarjoissa.

 

NTN/SNR laakereiden jälkimerkinnät

  • L3 3-huulitiiviste likaiseen tilaan
  • T04 käyttölämpötila -40 °C
  • T20 käyttölämpötila aina +200 °C asti
  • G2 mahdollisuus uudelleenvoiteluun (SNR)

Tarvikkeet

Saatat olla kiinnostunut näistä



Äänitiedostot

Lisää luettavaa

Suosikit Tilausnumero: Akselin halkaisija B c C d1 D1 D2 Dynaaminen laakerin kestävyys DYN H1 Kiinnitysholkki Paino Staattinen kantokyky DYN Ulkomitta D Hinta
20 mm
35 mm
8 mm
17 mm
25 mm
34 mm
38 mm
14
4,3 mm
H2305
0,24 kg
7.88
52 mm
25 mm
38 mm
8 mm
19 mm
30 mm
40,3 mm
45 mm
19.5
5 mm
H2306
0,38 kg
11.2
62 mm
30 mm
43 mm
9 mm
20 mm
35 mm
48 mm
51 mm
25.7
5,8 mm
H2307
0,54 kg
15.2
72 mm
35 mm
46 mm
10 mm
21 mm
40 mm
53 mm
58 mm
29.6
6,3 mm
H2308
0,7 kg
18.2
80 mm
40 mm
50 mm
11 mm
22 mm
45 mm
57,2 mm
65 mm
31.85
6,8 mm
H2309
0,81 kg
20.8
85 mm
45 mm
55 mm
12 mm
23 mm
50 mm
61,8 mm
70 mm
35.1
6,5 mm
H2310
0,95 kg
23.2
90 mm
50 mm
59 mm
12,5 mm
25 mm
55 mm
69 mm
75 mm
43.55
7,2 mm
H2311
1,19 kg
29.2
100 mm
55 mm
62 mm
13 mm
27 mm
60 mm
74,9 mm
80 mm
52.5
8,2 mm
H2312
1,51 kg
32.799999999999997
110 mm
60 mm
65 mm
14 mm
28 mm
65 mm
82 mm
85 mm
57.2
8 mm
H2313
1,92 kg
40
120 mm
65 mm
73 mm
15 mm
30 mm
75 mm
91,5 mm
98 mm
66
9 mm
H2315
2,72 kg
49.5
130 mm
70 mm
78 mm
17 mm
33 mm
80 mm
98 mm
105 mm
72.5
10,3 mm
H2316
3,24 kg
54.2
140 mm
75 mm
82 mm
18 mm
35 mm
85 mm
105,1 mm
110 mm
83.2
11 mm
H2317
3,87 kg
63.8
150 mm
80 mm
86 mm
18 mm
37 mm
90 mm
110 mm
120 mm
96
12 mm
H2318
4,69 kg
71.5
160 mm

Valittu tuote

Valitse tuote listalta.

Teknisiä neuvoja

Mikko Railonvirta

Tuotepäällikkö

Asiakaspalvelu
Asiakaspalvelumme vastaa kysymyksiin ja etsii ratkaisut ongelmiin. Heille voit jättää myös tilauksesi.
FAQ
+ Miten tullaan asiakkaaksenne?
+ Olen sopinut puskurivarastosta, voinko tilata verkkokaupan kautta?
+ Voiko samalla tilillä olla useita käyttäjiä?
+ Voiko samassa tilauksessa olla useampia toimituspäiviä?
+ Voiko tilauksen toimittaa väliaikaiseen toimitusosoitteeseen?
Chatti
Tarvitsetko apua?
Logo

Evästeet oem.fi sivustolla

Evästeiden avulla voimme palvella sinua paremmin ja varmistamme sivuston sujuvan toiminnan. Voit hallinnoida evästeasetuksia koska tahansa.

Toiminnalliset evästeet

Nämä evästeet ovat välttämättömiä verkkosivuston toimimiseksi, eikä niitä voi poistaa käytöstä järjestelmissämme. Niitä käytetään yleensä vain vastauksena toimiin, jotka olet tehnyt palvelupyynnön yhteydessä, esimerkiksi henkilökohtaisten asetusten määrittämisen, kirjautumisen tai lomakkeen täyttämisen yhteydessä.

Tilastolliset evästeet

Tilastollisten evästeiden avulla seuraamme verkkosivustomme kävijöiden toimintaa ja teemme analyyseja, joiden avulla voimme optimoida verkkosivustoamme. Tämä tarkoittaa, että voimme kehittää sivustoamme toimivammaksi ja palvelemaan kävijöitä paremmin. Jos et hyväksy näitä evästeitä, emme tiedä, milloin olet käynyt sivustollamme. Voit kuitenkin käyttää sivustoamme normaalisti.

Markkinointievästeet

Markkinointievästeiden avulla voimme kohdentaa sinulle mainoksia eri verkkosivustoilla tai sisältöä sosiaalisessa mediassa. Näitä evästeitä asettavat kolmannen osapuolen mainonta- ja kohdistustyökalut. Evästeiden kautta nämä toimijat voivat muodostaa profiilin kiinnostuksesi kohteista. Jos et hyväksy näitä evästeitä, et näe kohdennettua markkinointia etkä mahdollisesti voi käyttää sosiaalisen median jakotyökaluja.