NTN Europe

SNR US-sarjan irtolaakerit pesille

Laakeri pidemmällä sisäkehällä

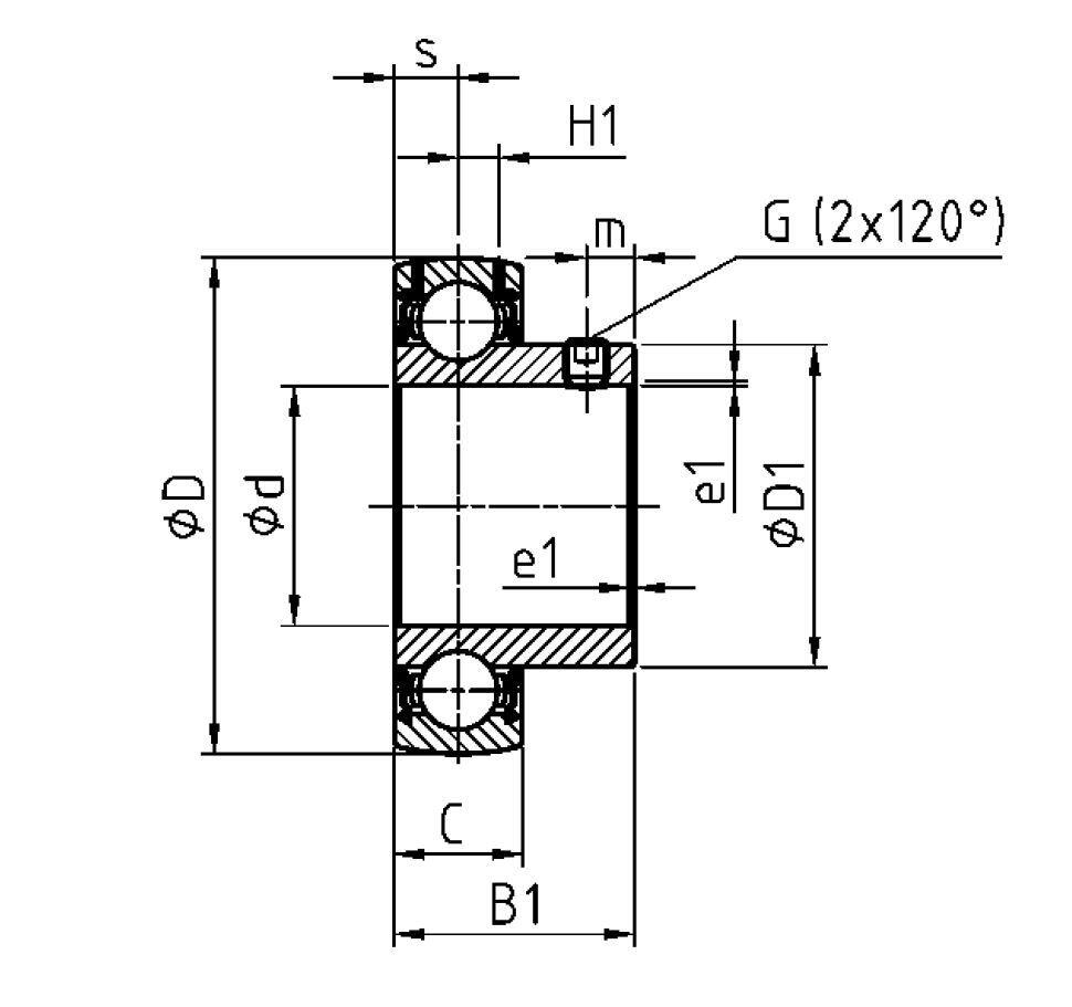
Laakeriyksiköiden laakerit ovat samaa tyyppiä kuin urakuulalaakerit. Erona on pallomainen ulkopinta sekä pidempi sisäkehä.
  • Kaksi stop-ruuvia sisärenkaalla
  • Sisäkehä lyhyempi kuin UC-laakeri
  • Jälkivoideltava

Valitse tuote

Valitse tuote

Valitse tuote

Tekniset tiedot

B1 22 mm
C 12 mm
d 12
D1 24,6 mm
Dynaaminen laakerin kestävyys DYN 9.5500000000000007
Kierre M5x0,8
Paino 0,09 kg
Staattinen kantokyky DYN 4.78
Ulkomitta D 40 mm

Mitat ja kytkennät

Tuotekuvaus

KÄYTTÖALUEET

Laakeriyksiköiden laakerit ovat samaa tyyppiä kuin urakuulalaakerit. Erona on pallomainen ulkopinta sekä pidempi sisäkehä. Pallomaisella ulkopinnalla saadaan laakeriyksikkö itseasemoituvaksi. Laakeri on myös helpompi asentaa akselille plus-sovitteen ansiosta. Laakeri kiristetään akseliin epäkeskoholkilla, stop-ruuvilla tai kiristysholkilla.

Laakeri on molemmin puolin suojattu metallisuojalla.

 

Laakeri on vakiona C3-välyksinen ja kestää -20°C...+100°Castetta.

Mikäli lämpötila on alle vakion, NTN/SNR:llä on vaihtoehtona tähän L04, joka kestää -40°C.

Jos taas lämpötila on yli vakion, jälkimerkintä on T20, joka kestää +200°C astetta.

 

Yksikön laakereita löytyy 200- ja 300-sarjoissa.

 

NTN/SNR laakereiden jälkimerkinnät 

• L3 3-huulitiiviste likaiseen tilaan

• T04 käyttölämpötila -40°C

• T20 käyttölämpötila aina +200°C asti

• G2 mahdollisuus uudelleenvoiteluun (SNR)

 

Tarvikkeet

Saatat olla kiinnostunut näistä



Äänitiedostot

Lisää luettavaa

OndoSense tutka-anturit
Yleistä

OEM yhteistyössä saksalaisen tutka-anturien valmistajan kanssa

OndoSense on vuonna 2018 perustettu saksalainen teknologiayritys, joka kehittää ja valmistaa tutka-antureita teollisuuden tarpeisiin.

igus kaapelin vaippamateriaali
Tuki

Kaapelien vaippamateriaalit

Suojauksen lisäksi kaapeli on päällystetty ulkovaipalla, jonka tehtävänä on suojata kaapelin sisäosia. Eri vaippamateriaalit suojaavat esimerkiksi mekaaniselta rasitukselta, lämpötilavaihteluilta ja kemiallisilta aineilta.

igus readychain on nopea ja luotettava energiansiirtoratkaisu teollisuuteen
Tuoteuutiset

igus readychain – Nopea ja luotettava energiansiirtoratkaisu teollisuuteen

Teollisuuden automaatio ja koneenrakennus vaativat nopeutta, luotettavuutta ja kustannustehokkuutta. igus readychain on heti käyttövalmis energiansiirtojärjestelmä näihin tarpeisiin.

Uudet F-kaasuvaatimukset jäähdytyslaitteille
Tuki

F-kaasuasetus (EU) 2024/573 – Uudet vaatimukset jäähdytyslaitteille

Uusi F-kaasuasetus (EU) 2024/573 muuttaa jäähdytys- ja ilmastointijärjestelmien edellytyksiä teollisissa sovelluksissa. Tiukennetut vaatimukset fluoratuille kasvihuonekaasuille tarkoittavat, että monet nykyiset ratkaisut poistetaan asteittain käytöstä – samalla kun väärän teknologian valinta voi tulla kalliiksi tulevaisuudessa.

Conta-Clip kaapeliläpiviennit elintarviketeollisuuteen
Tuoteuutiset

CONTA-CLIP - FDA-yhteensopivat kaapeliläpivientiratkaisut elintarviketeollisuuteen

CONTA-CLIP tarjoaa elintarviketeollisuuden vaatimuksiin suunniteltuja kaapeliläpivientiratkaisuja, jotka on valmistettu FDA-yhteensopivista materiaaleista.

Makersan mekatroniikka-tuotteet ajoneuvoihin
Yleistä

Makersan: älykkäitä ratkaisuja ajoneuvoteollisuuteen

Olemme aloittaneet yhteistyön turkkilaisen Makersanin kanssa! Makersanin tuotevalikoima koostuu mekatroniikan komponenteista, jotka voidaan integroida osaksi ajoneuvojen järjestelmiä.

Suosikit Tilausnumero: B1 C d D1 Dynaaminen laakerin kestävyys DYN Kierre Paino Staattinen kantokyky DYN Ulkomitta D Hinta
22 mm
12 mm
12
24,6 mm
9.5500000000000007
M5x0,8
0,09 kg
4.78
40 mm
22 mm
12 mm
15
24,6 mm
9.5500000000000007
M5x0,8
0,08 kg
4.78
40 mm
22 mm
12 mm
17
24,6 mm
9.5500000000000007
M5x0,8
0,1 kg
4.78
40 mm
25 mm
14 mm
20
29 mm
12.8
M6x1
0,13 kg
6.65
47 mm
27 mm
15 mm
25
34 mm
14
M6x1
0,17 kg
7.88
52 mm
30 mm
16 mm
30
40,3 mm
19.5
M6x1
0,27 kg
11.2
62 mm
32 mm
17 mm
35
48 mm
25.7
M6x1
0,42 kg
15.2
72 mm
34 mm
18 mm
40
53 mm
29.6
M8x1
0,6 kg
18.2
80 mm
41,2 mm
19 mm
45
57,2 mm
31.85
M8x1
0,65 kg
20.8
85 mm
43,5 mm
20 mm
50
61,8 mm
35.1
M8x1
0,76 kg
23.2
90 mm
45,3 mm
23 mm
55
69 mm
43.55
M10x1,25
1,07 kg
29.2
100 mm
53,7 mm
24 mm
60
74,9 mm
52.5
M10x1,25
1,3 kg
32.799999999999997
100 mm

Valittu tuote

Valitse tuote listalta.

Teknisiä neuvoja

Mikko Railonvirta

Tuotepäällikkö

Asiakaspalvelu
Asiakaspalvelumme vastaa kysymyksiin ja etsii ratkaisut ongelmiin. Heille voit jättää myös tilauksesi.
FAQ
+ Miten tullaan asiakkaaksenne?
+ Olen sopinut puskurivarastosta, voinko tilata verkkokaupan kautta?
+ Voiko samalla tilillä olla useita käyttäjiä?
+ Voiko samassa tilauksessa olla useampia toimituspäiviä?
+ Voiko tilauksen toimittaa väliaikaiseen toimitusosoitteeseen?
Chatti
Tarvitsetko apua?
Logo

Evästeet oem.fi sivustolla

Evästeiden avulla voimme palvella sinua paremmin ja varmistamme sivuston sujuvan toiminnan. Voit hallinnoida evästeasetuksia koska tahansa.

Toiminnalliset evästeet

Nämä evästeet ovat välttämättömiä verkkosivuston toimimiseksi, eikä niitä voi poistaa käytöstä järjestelmissämme. Niitä käytetään yleensä vain vastauksena toimiin, jotka olet tehnyt palvelupyynnön yhteydessä, esimerkiksi henkilökohtaisten asetusten määrittämisen, kirjautumisen tai lomakkeen täyttämisen yhteydessä.

Tilastolliset evästeet

Tilastollisten evästeiden avulla seuraamme verkkosivustomme kävijöiden toimintaa ja teemme analyyseja, joiden avulla voimme optimoida verkkosivustoamme. Tämä tarkoittaa, että voimme kehittää sivustoamme toimivammaksi ja palvelemaan kävijöitä paremmin. Jos et hyväksy näitä evästeitä, emme tiedä, milloin olet käynyt sivustollamme. Voit kuitenkin käyttää sivustoamme normaalisti.

Markkinointievästeet

Markkinointievästeiden avulla voimme kohdentaa sinulle mainoksia eri verkkosivustoilla tai sisältöä sosiaalisessa mediassa. Näitä evästeitä asettavat kolmannen osapuolen mainonta- ja kohdistustyökalut. Evästeiden kautta nämä toimijat voivat muodostaa profiilin kiinnostuksesi kohteista. Jos et hyväksy näitä evästeitä, et näe kohdennettua markkinointia etkä mahdollisesti voi käyttää sosiaalisen median jakotyökaluja.