NTN Europe

SNR SUCFPL -sarjan komposiittipesä ja ruostumaton sisälaakeri

FDA-hyväksytty voiteluaine

SNR:n kehittämä huoltovapaa laakeri elintarvikekäyttöön on erittäin hyvä vaihtoehto kun jälkivoitelu on vaikeaa, mahdotonta tai sitä ei jostain syystä haluta tehdä.
  • Sopii käytettäväksi elintarviketeollisuudessa
  • Edullinen vaihtoehto ruostumattolla yksikölle
  • Pesärakenteessa ei taskuja tai muitakaan rakoja johon lika voi jäädä pesuvaiheessa
  • FDA hyväksytty voiteluaine
  • Kiinnitys 4:llä pultilla

Valitse tuote

Valitse tuote

Valitse tuote

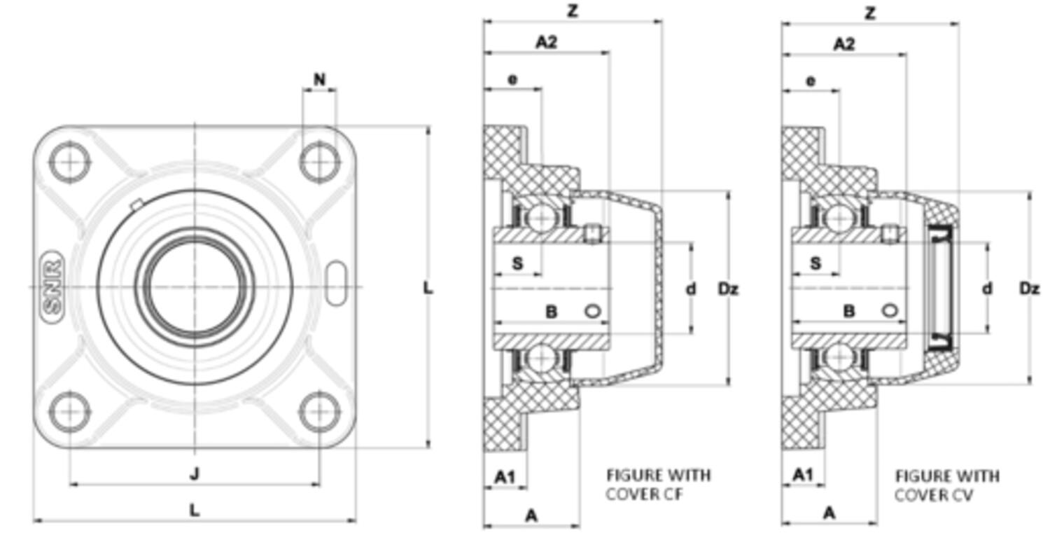
Tekniset tiedot

H 112 mm
J 90 mm
L 58,5 mm
N 12 mm

Tekniset kuvat

Tuotekuvaus

SNR:n komposiittilaakeripesät ovat hyvä ja edullisempi tuote elintarvike-, lääke- ja kemiateollisuuteen. Pesärakenne on kehitetty niin ettei siinä ole ylimääräisiä rakoja eikä taskuja johon lika voi jäädä pesusta huolimatta.

 

Suurimmat edut ovat

Tasaiset kotelot – estävät homeen ja bakteerien tarttumisen

Ruostumattomat voitelunipat

Ruostumattomat hylsyt pulttireikiin – lisäävät luotettavuutta, korroosionkestävyys

Elintarvikehyväksytty voiteluaine (FDA)

Sekä avoimet että suljetut päätykannet laitteen lisäsuojaksi

Mahdollisuus asentaa pyörivät akselitapit

 

Tarvikkeet



Äänitiedostot

Lisää luettavaa

Suosikit Tilausnumero: H J L N Hinta
112 mm
90 mm
58,5 mm
12 mm
125 mm
99 mm
68 mm
13,5 mm
141 mm
117 mm
80 mm
13,5 mm
156 mm
130 mm
90 mm
16 mm
172 mm
144 mm
100 mm
16 mm

Valittu tuote

Valitse tuote listalta.

Teknisiä neuvoja

Mikko Railonvirta

Tuotepäällikkö

Asiakaspalvelu
Asiakaspalvelumme vastaa kysymyksiin ja etsii ratkaisut ongelmiin. Heille voit jättää myös tilauksesi.
FAQ
+ Miten tullaan asiakkaaksenne?
+ Olen sopinut puskurivarastosta, voinko tilata verkkokaupan kautta?
+ Voiko samalla tilillä olla useita käyttäjiä?
+ Voiko samassa tilauksessa olla useampia toimituspäiviä?
+ Voiko tilauksen toimittaa väliaikaiseen toimitusosoitteeseen?
Chatti
Tarvitsetko apua?
Logo

Evästeet oem.fi sivustolla

Evästeiden avulla voimme palvella sinua paremmin ja varmistamme sivuston sujuvan toiminnan. Voit hallinnoida evästeasetuksia koska tahansa.

Toiminnalliset evästeet

Nämä evästeet ovat välttämättömiä verkkosivuston toimimiseksi, eikä niitä voi poistaa käytöstä järjestelmissämme. Niitä käytetään yleensä vain vastauksena toimiin, jotka olet tehnyt palvelupyynnön yhteydessä, esimerkiksi henkilökohtaisten asetusten määrittämisen, kirjautumisen tai lomakkeen täyttämisen yhteydessä.

Tilastolliset evästeet

Tilastollisten evästeiden avulla seuraamme verkkosivustomme kävijöiden toimintaa ja teemme analyyseja, joiden avulla voimme optimoida verkkosivustoamme. Tämä tarkoittaa, että voimme kehittää sivustoamme toimivammaksi ja palvelemaan kävijöitä paremmin. Jos et hyväksy näitä evästeitä, emme tiedä, milloin olet käynyt sivustollamme. Voit kuitenkin käyttää sivustoamme normaalisti.

Markkinointievästeet

Markkinointievästeiden avulla voimme kohdentaa sinulle mainoksia eri verkkosivustoilla tai sisältöä sosiaalisessa mediassa. Näitä evästeitä asettavat kolmannen osapuolen mainonta- ja kohdistustyökalut. Evästeiden kautta nämä toimijat voivat muodostaa profiilin kiinnostuksesi kohteista. Jos et hyväksy näitä evästeitä, et näe kohdennettua markkinointia etkä mahdollisesti voi käyttää sosiaalisen median jakotyökaluja.