TR

TR UCC-sarjan valurautayksiköt

Pyöreä laakeripesä

Valurautainen yksikkö laakeripesällä ilman kiinnitysreikiä sekä vakiolaakerilla.
  • Pyöreä laakeripesä ilman asennusreikiä
  • Itseasemoituva ja uudelleenvoitelun mahdollisuus
  • Valurautapesä jossa kestovoideltu sisälaakeri.
  • Vaihdettava sisälaakeri

Valitse tuote

Valitse tuote

Valitse tuote

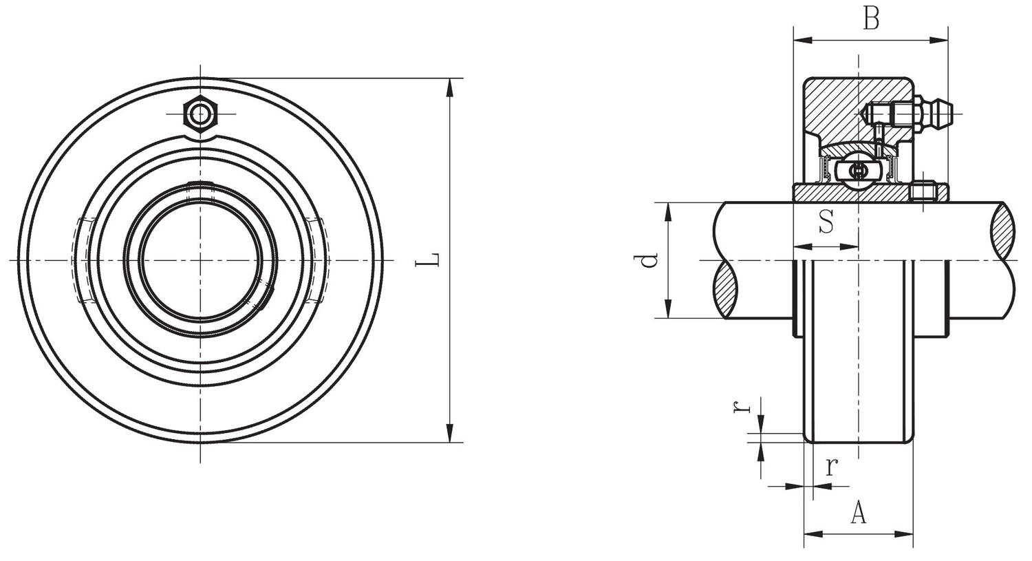
Tekniset tiedot

A 20 mm
B 27,4 mm
L 67 mm
Laakeripesän no C203
Paino 0,5 kg
r 1,5 mm
S 11,5 mm
Sisämitta d 17 mm
Tilausnumero UC203

Mitat ja kytkennät

Tuotekuvaus

Valurautainen yksikkö laakeripesällä ilman kiinnitysreikiä sekä vakiolaakerilla. Rasvanippa mahdollistaa jälkivoitelun.

 

Vakiona UC-laakeri, saatavana vaihtoehtoja.

 

KÄYTTÖALUEET

Tyypillisiä käyttökohteita ovat kuljettimet, maatalous-, rakennus-, elintarvike- ja puutarhalaitteet.

 

TUOTTEEN EDUT

- Helppo asentaa muutamalla kiinnitysruuvilla

- Helppoa asentaa akselille plus-toleranssin ansiosta

- Itseasemoituva

- Kestää iskukuormituksia

 

Laakeriyksiköt ovat kestovoideltuja, mutta saattavat tietyissä olosuhteissa vaatia lisävoitelua. Esimerkkeinä normaalia korkeampi käyttölämpötila, suuri nopeus, ympäristö jne., jolloin laakeriyksikköä kannattaa voidella rasvanipan kautta tarpeen vaatiessa. Laakeriyksiköihin saa erillisiä suojakuppeja ja joihinkin jopa erilliset lisätiivisteet. Yksikön pesään on saatavana voitelunippoja tuuma- ja millimitoituksella automaattivoitelua varten. Laakerivaihtoehtoina on epäkeskoholkkikiristeinen sekä stop-ruuvikiristeinen laakeri. Molempia saa lisäksi sekä leveällä että kapealla sisäkehällä.

 

- UC/US - stop-ruuvikiristeinen

- SA - epäkeskoholkki

- UK - kiristysholkki

 

 

Tarvikkeet

Saatat olla kiinnostunut näistä



Äänitiedostot

Lisää luettavaa

Suosikit Tilausnumero: A B L Laakeripesän no Paino r S Sisämitta d Tilausnumero Hinta
20 mm
27,4 mm
67 mm
C203
0,5 kg
1,5 mm
11,5 mm
17 mm
UC203
20 mm
31 mm
72 mm
C204
0,5 kg
1,5 mm
12,7 mm
20 mm
UC204
22 mm
34 mm
80 mm
C205
0,7 kg
1,5 mm
14,3 mm
25 mm
UC205
27 mm
38,1 mm
85 mm
C206
0,8 kg
1,5 mm
15,9 mm
30 mm
UC206
28 mm
42,9 mm
90 mm
C207
0,9 kg
2 mm
17,5 mm
35 mm
UC207
30 mm
49,2 mm
100 mm
C208
1,3 kg
2 mm
19 mm
40 mm
UC208
31 mm
49,2 mm
110 mm
C209
2 kg
2 mm
19 mm
45 mm
UC209
33 mm
51,6 mm
120 mm
C210
2 kg
2 mm
19 mm
50 mm
UC210
35 mm
55,6 mm
125 mm
C211
2 kg
2,5 mm
22,2 mm
55 mm
UC211
38 mm
65,1 mm
130 mm
C212
3 kg
2,5 mm
25,4 mm
60 mm
UC212
40 mm
65,1 mm
140 mm
C213
3 kg
2,5 mm
25,4 mm
65 mm
UC213

Valittu tuote

Valitse tuote listalta.

Teknisiä neuvoja

Mikko Railonvirta

Tuotepäällikkö

Asiakaspalvelu
Asiakaspalvelumme vastaa kysymyksiin ja etsii ratkaisut ongelmiin. Heille voit jättää myös tilauksesi.
FAQ
+ Miten tullaan asiakkaaksenne?
+ Olen sopinut puskurivarastosta, voinko tilata verkkokaupan kautta?
+ Voiko samalla tilillä olla useita käyttäjiä?
+ Voiko samassa tilauksessa olla useampia toimituspäiviä?
+ Voiko tilauksen toimittaa väliaikaiseen toimitusosoitteeseen?
Chatti
Tarvitsetko apua?
Logo

Evästeet oem.fi sivustolla

Evästeiden avulla voimme palvella sinua paremmin ja varmistamme sivuston sujuvan toiminnan. Voit hallinnoida evästeasetuksia koska tahansa.

Toiminnalliset evästeet

Nämä evästeet ovat välttämättömiä verkkosivuston toimimiseksi, eikä niitä voi poistaa käytöstä järjestelmissämme. Niitä käytetään yleensä vain vastauksena toimiin, jotka olet tehnyt palvelupyynnön yhteydessä, esimerkiksi henkilökohtaisten asetusten määrittämisen, kirjautumisen tai lomakkeen täyttämisen yhteydessä.

Tilastolliset evästeet

Tilastollisten evästeiden avulla seuraamme verkkosivustomme kävijöiden toimintaa ja teemme analyyseja, joiden avulla voimme optimoida verkkosivustoamme. Tämä tarkoittaa, että voimme kehittää sivustoamme toimivammaksi ja palvelemaan kävijöitä paremmin. Jos et hyväksy näitä evästeitä, emme tiedä, milloin olet käynyt sivustollamme. Voit kuitenkin käyttää sivustoamme normaalisti.

Markkinointievästeet

Markkinointievästeiden avulla voimme kohdentaa sinulle mainoksia eri verkkosivustoilla tai sisältöä sosiaalisessa mediassa. Näitä evästeitä asettavat kolmannen osapuolen mainonta- ja kohdistustyökalut. Evästeiden kautta nämä toimijat voivat muodostaa profiilin kiinnostuksesi kohteista. Jos et hyväksy näitä evästeitä, et näe kohdennettua markkinointia etkä mahdollisesti voi käyttää sosiaalisen median jakotyökaluja.