Valurautainen laippalaakeriyksikkö, joka mahtuu ahtaaseen tilaan pesän muotoilun ansiosta. Laakeriyksikkö voidaan jälkivoidella.
Vakiona UC-laakeri, saatavana vaihtoehtoja.
KÄYTTÖALUEET
Tyypillisiä käyttökohteita ovat kuljettimet, maatalous-, rakennus-, elintarvike- ja puutarhalaitteet.
TUOTTEEN EDUT
- Helppoa asentaa akselille plus-toleranssin ansiosta
- Helppo asentaa muutamalla kiinnitysruuvilla
- Itseasemoituva
- Kestää iskukuormituksia
Laakeriyksiköt ovat kestovoideltuja, mutta saattavat tietyissä olosuhteissa vaatia lisävoitelua. Esimerkkeinä normaalia korkeampi käyttölämpötila, suuri nopeus, ympäristö jne., jolloin laakeriyksikköä kannattaa voidella rasvanipan kautta tarpeen vaatiessa. Laakeriyksiköihin saa erillisiä suojakuppeja ja joihinkin jopa erilliset lisätiivisteet. Yksikön pesään on saatavana voitelunippoja tuuma- ja millimitoituksella automaattivoitelua varten. Laakerivaihtoehtoina on epäkeskoholkkikiristeinen sekä stop-ruuvikiristeinen laakeri. Molempia saa lisäksi sekä leveällä että kapealla sisäkehällä.
- UC/US - stop-ruuvikiristeinen
- SA - epäkeskoholkki
- UK - kiristysholkki
Kaapeleiden valmistuksessa on olemassa useampia erilaisia tapoja jolla jolla johtimet kierretään. Datakaapeleiden valmistuksessa käytetään kolme erilaista tapaa : kerroksittain kierretyt johtimet, parikierretyt johtimet (twisted pair) sekä nelikierre (star-quad).
Olemme mukana Pohjoinen Teollisuus -messuilla! Tule juttelemaan ja tutustumaan uutuuksiin osastolle 849!
Tutustu koneturvallisuuden keskeisiin komponentteihin, kuten turva-aitoihin, valoverhoihin ja turvalaserskannereihin. Löydä oikeat ratkaisut meiltä!
Mikä oikeastaan on servo- ja moottorikaapelin välinen ero? Voiko servokaapelia käyttää tavallisen kolmivaihemoottorin liittämiseen?
Wöhner määrittelee uudelleen, kuinka helppokäyttöinen, turvallinen ja tehokas tehonjakelujärjestelmä voi olla. Lue lisää!
Oikean RAM-kiinnikkeen valinta tarkoittaa oikeaa mitoitusta alusta alkaen. Ajoneuvoissa ja koneissa pelkkä laitteen paino ei ratkaise – myös tärinä, iskut, nopeus ja asennuskulma vaikuttavat.
|
|
|
|
|
|
||
|---|---|---|---|---|---|---|
|
|
|
|
|
|
||
|
|
|
|
|
|
||
|
|
|
|
|
|
||
|
|
|
|
|
|
||
|
|
|
|
|
|
||
|
|
|
|
|
|
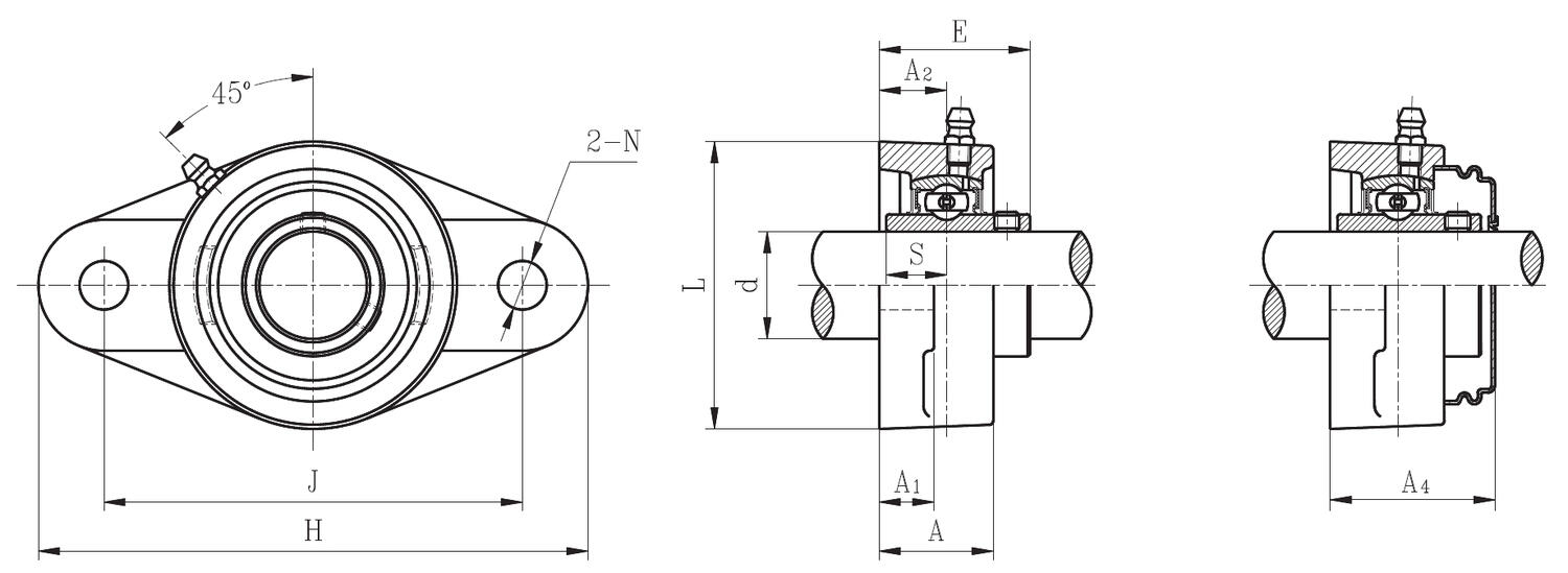
| Suosikit | Tilausnumero: | A | A1 | A2 | E | H | J | Kiinnityspultin koko | L | Laakeripesän no | N | Paino | S | Sisämitta d | Hinta | |
|---|---|---|---|---|---|---|---|---|---|---|---|---|---|---|---|---|
|
Laakeriyksikkö
Tuotenumero:
UCFL202#
Kopioitu!
|
25,5 mm
|
11 mm
|
15 mm
|
30,9 mm
|
113 mm
|
90 mm
|
UC202
|
57 mm
|
FL203
|
11,5 mm
|
0,5 kg
|
11,5 mm
|
15 mm
|
|
||
|
Laakeriyksikkö
Tuotenumero:
UCFL203#
Kopioitu!
|
25,5 mm
|
11 mm
|
15 mm
|
30,9 mm
|
113 mm
|
90 mm
|
UC203
|
57 mm
|
FL203
|
11,5 mm
|
0,4 kg
|
11,5 mm
|
17 mm
|
|
||
|
Laakeriyksikkö
Tuotenumero:
UCFL204#
Kopioitu!
|
25,5 mm
|
11 mm
|
15 mm
|
33,3 mm
|
113 mm
|
90 mm
|
UC204
|
60 mm
|
FL204
|
11,5 mm
|
0,5 kg
|
12,7 mm
|
20 mm
|
|
||
|
Laakeriyksikkö
Tuotenumero:
UCFL205#
Kopioitu!
|
27 mm
|
13 mm
|
16 mm
|
35,7 mm
|
130 mm
|
99 mm
|
UC205
|
68 mm
|
FL205
|
11,5 mm
|
0,6 kg
|
14,3 mm
|
25 mm
|
|
||
|
Laakeriyksikkö
Tuotenumero:
UCFL206#
Kopioitu!
|
31 mm
|
13 mm
|
18 mm
|
40,2 mm
|
148 mm
|
117 mm
|
UC206
|
80 mm
|
FL206
|
11,5 mm
|
0,9 kg
|
15,9 mm
|
30 mm
|
|
||
|
Laakeriyksikkö
Tuotenumero:
UCFL207#
Kopioitu!
|
34 mm
|
14 mm
|
19 mm
|
44,4 mm
|
161 mm
|
130 mm
|
UC207
|
90 mm
|
FL207
|
14 mm
|
1,2 kg
|
17,5 mm
|
35 mm
|
|
||
|
Laakeriyksikkö
Tuotenumero:
UCFL208#
Kopioitu!
|
36 mm
|
14 mm
|
21 mm
|
51,2 mm
|
175 mm
|
144 mm
|
UC208
|
100 mm
|
FL208
|
14 mm
|
2 kg
|
19 mm
|
40 mm
|
|
||
|
Laakeriyksikkö
Tuotenumero:
UCFL209#
Kopioitu!
|
38 mm
|
16 mm
|
22 mm
|
52,2 mm
|
188 mm
|
148 mm
|
UC209
|
108 mm
|
FL209
|
18 mm
|
2 kg
|
19 mm
|
45 mm
|
|
||
|
Laakeriyksikkö
Tuotenumero:
UCFL210#
Kopioitu!
|
40 mm
|
16 mm
|
22 mm
|
54,6 mm
|
197 mm
|
157 mm
|
UC210
|
115 mm
|
FL210
|
18 mm
|
2 kg
|
19 mm
|
50 mm
|
|
||
|
Laakeriyksikkö
Tuotenumero:
UCFL211#
Kopioitu!
|
43 mm
|
18 mm
|
25 mm
|
58,4 mm
|
224 mm
|
184 mm
|
UC211
|
130 mm
|
FL211
|
18 mm
|
3 kg
|
22,2 mm
|
55 mm
|
|
||
|
Laakeriyksikkö
Tuotenumero:
UCFL212#
Kopioitu!
|
48 mm
|
18 mm
|
29 mm
|
68,7 mm
|
250 mm
|
202 mm
|
UC212
|
140 mm
|
FL212
|
18 mm
|
4 kg
|
25,4 mm
|
60 mm
|
|
||
|
Laakeriyksikkö
Tuotenumero:
UCFL213#
Kopioitu!
|
50 mm
|
20 mm
|
30 mm
|
69,7 mm
|
258 mm
|
210 mm
|
UC213
|
155 mm
|
FL213
|
23 mm
|
5 kg
|
25,4 mm
|
65 mm
|
|
||
|
Laakeriyksikkö
Tuotenumero:
UCFL214#
Kopioitu!
|
54 mm
|
20 mm
|
31 mm
|
75,4 mm
|
265 mm
|
216 mm
|
UC214
|
160 mm
|
FL214
|
23 mm
|
5,6 kg
|
30,2 mm
|
70 mm
|
|
||
|
Laakeriyksikkö
Tuotenumero:
UCFL215#
Kopioitu!
|
55 mm
|
22 mm
|
34 mm
|
78,5 mm
|
275 mm
|
225 mm
|
UC215
|
164 mm
|
FL215
|
23 mm
|
6,2 kg
|
33,3 mm
|
75 mm
|
|
||
|
Laakeriyksikkö
Tuotenumero:
UCFL216#
Kopioitu!
|
58 mm
|
22 mm
|
34 mm
|
83,3 mm
|
290 mm
|
233 mm
|
UC216
|
180 mm
|
FL216
|
25 mm
|
7,8 kg
|
33,3 mm
|
80 mm
|
|
||
|
Laakeriyksikkö
Tuotenumero:
UCFL217#
Kopioitu!
|
63 mm
|
22 mm
|
36 mm
|
87,6 mm
|
305 mm
|
248 mm
|
UC217
|
190 mm
|
FL217
|
25 mm
|
10 kg
|
34,1 mm
|
85 mm
|
|
||
|
Laakeriyksikkö
Tuotenumero:
UCFL218#
Kopioitu!
|
68 mm
|
23 mm
|
40 mm
|
96,3 mm
|
320 mm
|
265 mm
|
UC218
|
205 mm
|
FL218
|
25 mm
|
12 kg
|
39,7 mm
|
90 mm
|
|
Valitse tuote listalta.