| Käyttöjännite | 12 V DC, 24 V DC | 
|---|---|
| Mitat | 40 x 33 x 30mm | 
| Paino | 60 g | 
| Peak current | 3 | 
|---|---|
| Säätöalue | 0-99 % käyttöjännitteestä | 
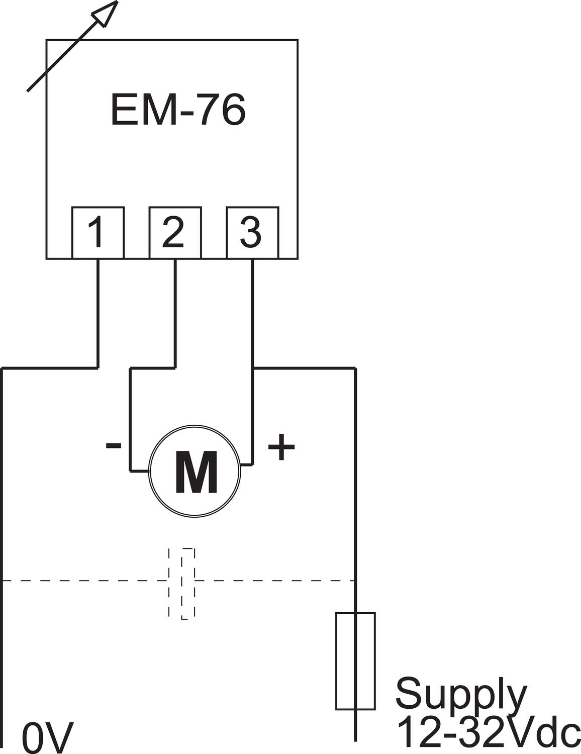
RX3S paneeliasennettava nopeussäädin DC max. 100 W moottoreille. Asennustapa vaikuttaa moottorin maksimikokoon. Moottorin nopeus säädetään paneelissa näkyvällä potentiometrillä. Miniminopeus voidaan asettaa sivussa olevalla pienellä trimmerillä. Soveltuu hyvin esim. puhaltimen säätöön. Ulostulo on napaisuus- ja oikosulkusuojattu. Suunnanvaihto voidaan tehdä erillisellä releellä. RX3S on EMC-testattu teollisuusstandardien EN50081-2 ja EN50082-2 mukaan.
 
              Moottoriohjain on välttämätön komponentti, kun halutaan hallita sähkömoottorin toimintaa tarkasti ja tehokkaasti.
 
              EM-241 on pienikokoinen, mutta erittäin monipuolinen ohjelmoitava DC-moottoriohjain lähes kaikkiin mahdollisiin teollisuuden sovelluksiin. Siinä on säädettävät virtarajat, startti- ja pysäytysrampit sekä kaksi esiaseteltavaa nopeutta.
 
              
                  Olemme laajentaneet tuotevalikoimaamme ja aloittaneet yhteistyön NTF Aalborg A/S:n kanssa.  Lue lisää!
                
 
              Turun Eläinsuojeluyhdistys auttaa Turun sekä lähialueiden kodittomia lemmikkejä sekä luonnonvaraisia eläimiä.
 
              Teollisuusympäristöissä tapahtuvat räjähdykset voivat aiheuttaa vakavia vahinkoja sekä ihmisille että omaisuudelle. ATEX varmistaa, että sekä laitteet että työprosessit on suunniteltu minimoimaan nämä riskit ja luomaan turvallinen työympäristö.
 
              Yli 70 vuoden kokemuksellaan Akapp-Stemmann (Wabtec Netherlands) on yksi maailman tunnetuimmista virtakiskostojen valmistajista.
 
            
        Andreas Lyrintzis