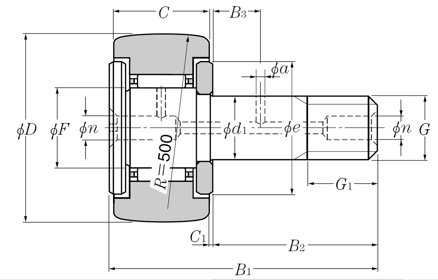
Nokkarullat KR/KRV soveltuvat laakerointiin erilaisissa sovelluksissa, joissa rulla pyörii kiskossa. Saatavana sekä pyöreällä että suoralla ulkopinnalla. Nokkarullassa on sisärenkaan tilalla massiivinen akselitappi. Koska akselitapissa on kierteet, nokkarulla on helppo ja nopea asentaa paikoilleen. KR-laakerissa on pitimet rullassa joka mahdollistaa suuremmat kierrokset.
LL - tiiviste
X - pyöreä ulkokehä
Mikäli asennetaan olakkeeseen kiinni, olisi käytettävä sovitelevyjä.
Kaapeleiden valmistuksessa on olemassa useampia erilaisia tapoja jolla jolla johtimet kierretään. Datakaapeleiden valmistuksessa käytetään kolme erilaista tapaa : kerroksittain kierretyt johtimet, parikierretyt johtimet (twisted pair) sekä nelikierre (star-quad).
Olemme mukana Pohjoinen Teollisuus -messuilla! Tule juttelemaan ja tutustumaan uutuuksiin osastolle 849!
Tutustu koneturvallisuuden keskeisiin komponentteihin, kuten turva-aitoihin, valoverhoihin ja turvalaserskannereihin. Löydä oikeat ratkaisut meiltä!
Mikä oikeastaan on servo- ja moottorikaapelin välinen ero? Voiko servokaapelia käyttää tavallisen kolmivaihemoottorin liittämiseen?
Wöhner määrittelee uudelleen, kuinka helppokäyttöinen, turvallinen ja tehokas tehonjakelujärjestelmä voi olla. Lue lisää!
Oikean RAM-kiinnikkeen valinta tarkoittaa oikeaa mitoitusta alusta alkaen. Ajoneuvoissa ja koneissa pelkkä laitteen paino ei ratkaise – myös tärinä, iskut, nopeus ja asennuskulma vaikuttavat.
|
|
|
|
|
|
||
|---|---|---|---|---|---|---|
|
|
|
|
|
|
||
|
|
|
|
|
|
||
|
|
|
|
|
|
||
|
|
|
|
|
|
||
|
|
|
|
|
|
||
|
|
|
|
|
|
| Suosikit | Tilausnumero: | Hinta | |
|---|---|---|---|
|
Nokkarulla
Tuotenumero:
KR16
Kopioitu!
|
|
||
|
Nokkarulla
Tuotenumero:
KR16LL
Kopioitu!
|
|
||
|
Nokkarulla
Tuotenumero:
KR16X
Kopioitu!
|
|
||
|
Nokkarulla
Tuotenumero:
KR16XLL
Kopioitu!
|
|
||
|
Nokkarulla
Tuotenumero:
KR19
Kopioitu!
|
|
||
|
Nokkarulla
Tuotenumero:
KR19LL
Kopioitu!
|
|
||
|
Nokkarulla
Tuotenumero:
KR19X
Kopioitu!
|
|
||
|
Nokkarulla
Tuotenumero:
KR19XLL
Kopioitu!
|
|
||
|
Nokkarulla
Tuotenumero:
KR22
Kopioitu!
|
|
||
|
Nokkarulla
Tuotenumero:
KR22LL
Kopioitu!
|
|
||
|
Nokkarulla
Tuotenumero:
KR22X
Kopioitu!
|
|
||
|
Nokkarulla
Tuotenumero:
KR22XLL
Kopioitu!
|
|
||
|
Nokkarulla
Tuotenumero:
KR26LL
Kopioitu!
|
|
||
|
Nokkarulla
Tuotenumero:
KR26X
Kopioitu!
|
|
||
|
Nokkarulla
Tuotenumero:
KR26XLL
Kopioitu!
|
|
||
|
Nokkarulla
Tuotenumero:
KR30
Kopioitu!
|
|
||
|
Nokkarulla
Tuotenumero:
KR30LL
Kopioitu!
|
|
||
|
Nokkarulla
Tuotenumero:
KR30X
Kopioitu!
|
|
||
|
Nokkarulla
Tuotenumero:
KR30XLL
Kopioitu!
|
|
||
|
Nokkarulla
Tuotenumero:
KR32
Kopioitu!
|
|
||
|
Nokkarulla
Tuotenumero:
KR32LL
Kopioitu!
|
|
||
|
Nokkarulla
Tuotenumero:
KR32X
Kopioitu!
|
|
||
|
Nokkarulla
Tuotenumero:
KR32XLL
Kopioitu!
|
|
||
|
Nokkarulla
Tuotenumero:
KR35
Kopioitu!
|
|
||
|
Nokkarulla
Tuotenumero:
KR35LL
Kopioitu!
|
|
||
|
Nokkarulla
Tuotenumero:
KR35X
Kopioitu!
|
|
||
|
Nokkarulla
Tuotenumero:
KR35XLL
Kopioitu!
|
|
||
|
Nokkarulla
Tuotenumero:
KR40
Kopioitu!
|
|
||
|
Nokkarulla
Tuotenumero:
KR40LL
Kopioitu!
|
|
||
|
Nokkarulla
Tuotenumero:
KR40X
Kopioitu!
|
|
||
|
Nokkarulla
Tuotenumero:
KR40XLL
Kopioitu!
|
|
||
|
Nokkarulla
Tuotenumero:
KR47
Kopioitu!
|
|
||
|
Nokkarulla
Tuotenumero:
KR47LL
Kopioitu!
|
|
||
|
Nokkarulla
Tuotenumero:
KR47XLL
Kopioitu!
|
|
||
|
Nokkarulla
Tuotenumero:
KR52
Kopioitu!
|
|
||
|
Nokkarulla
Tuotenumero:
KR52LL
Kopioitu!
|
|
||
|
Nokkarulla
Tuotenumero:
KR52XLL
Kopioitu!
|
|
||
|
Nokkarulla
Tuotenumero:
KR62
Kopioitu!
|
|
||
|
Nokkarulla
Tuotenumero:
KR62LL
Kopioitu!
|
|
||
|
Nokkarulla
Tuotenumero:
KR62XLL
Kopioitu!
|
|
||
|
Nokkarulla
Tuotenumero:
KR72
Kopioitu!
|
|
||
|
Nokkarulla
Tuotenumero:
KR72LL
Kopioitu!
|
|
||
|
Nokkarulla
Tuotenumero:
KR80
Kopioitu!
|
|
||
|
Nokkarulla
Tuotenumero:
KR80LL
Kopioitu!
|
|
||
|
Nokkarulla
Tuotenumero:
KR90
Kopioitu!
|
|
||
|
Nokkarulla
Tuotenumero:
KR90LL
Kopioitu!
|
|
Valitse tuote listalta.