NTN Europe

NTN-SNR yhdistetty neulalaakeri NKXR

Yhdistetyille kuormille

NKXR/NKXRZ on yhdistetty neulalaakeri, joka kestää aksiaalista ja radiaalista kuormaa.
  • Neulaakeri yhdistetyille kuormille
  • Toimii ilman sisärengasta
  • Korkeammille akselikuormille

Valitse tuote

Valitse tuote

Valitse tuote

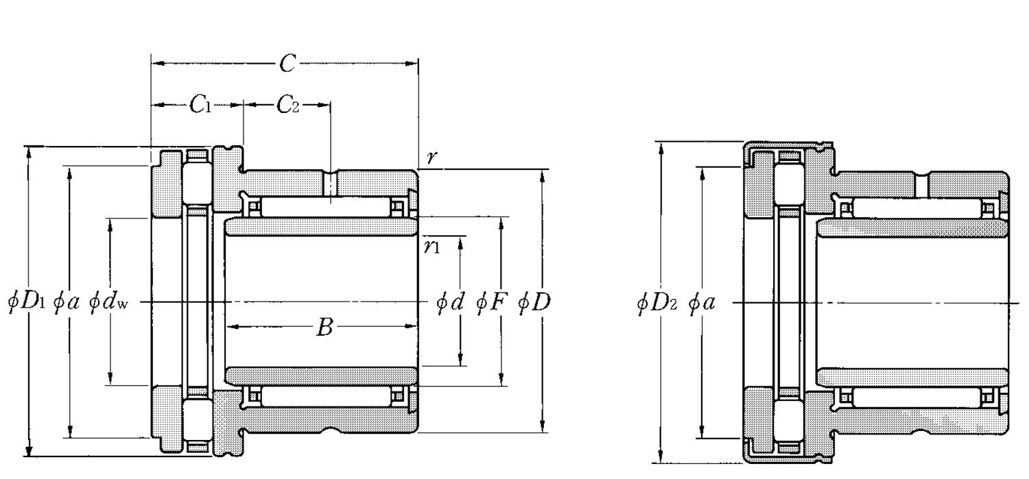
Tekniset tiedot

a 23,7 mm
C 23 mm
C1 9 mm
C2 6,5 mm
D1 28 mm
dw 15 mm
Dynaaminen aksiaalikuorma 12900 kN
Dynaaminen radiaalikuorma 8250 kN
Fw 15 mm
Max. RPM voitelu 2800 rpm
Paino 0,048 kg
Staattinen aksiaalikuorma 28600 kN
Staattinen radiaalikuorma 10200 kN
Ulkomitta D 24 mm
Öljy 11000 rpm

Mitat ja kytkennät

Tuotekuvaus

NKXR/NKXRZ on yhdistetty neulalaakeri, joka kestää aksiaalista ja radiaalista kuormaa. Laakerissa on yhdistetty paineneulalaakeri sekä neulalaakeri. Laakeria löytyy myöskin suojattuna, jolloin loppumerkintä on -Z.

 

Muuta huomioitavaa

Laakerissa on pitkä käyttöikä suuren kuormankantokyvyn ja nopeiden kierrosten ansiosta.

Tarvikkeet

Saatat olla kiinnostunut näistä



Äänitiedostot

Lisää luettavaa

OndoSense tutka-anturit
Yleistä

OEM yhteistyössä saksalaisen tutka-anturien valmistajan kanssa

OndoSense on vuonna 2018 perustettu saksalainen teknologiayritys, joka kehittää ja valmistaa tutka-antureita teollisuuden tarpeisiin.

igus kaapelin vaippamateriaali
Tuki

Kaapelien vaippamateriaalit

Suojauksen lisäksi kaapeli on päällystetty ulkovaipalla, jonka tehtävänä on suojata kaapelin sisäosia. Eri vaippamateriaalit suojaavat esimerkiksi mekaaniselta rasitukselta, lämpötilavaihteluilta ja kemiallisilta aineilta.

igus readychain on nopea ja luotettava energiansiirtoratkaisu teollisuuteen
Tuoteuutiset

igus readychain – Nopea ja luotettava energiansiirtoratkaisu teollisuuteen

Teollisuuden automaatio ja koneenrakennus vaativat nopeutta, luotettavuutta ja kustannustehokkuutta. igus readychain on heti käyttövalmis energiansiirtojärjestelmä näihin tarpeisiin.

Uudet F-kaasuvaatimukset jäähdytyslaitteille
Tuki

F-kaasuasetus (EU) 2024/573 – Uudet vaatimukset jäähdytyslaitteille

Uusi F-kaasuasetus (EU) 2024/573 muuttaa jäähdytys- ja ilmastointijärjestelmien edellytyksiä teollisissa sovelluksissa. Tiukennetut vaatimukset fluoratuille kasvihuonekaasuille tarkoittavat, että monet nykyiset ratkaisut poistetaan asteittain käytöstä – samalla kun väärän teknologian valinta voi tulla kalliiksi tulevaisuudessa.

Conta-Clip kaapeliläpiviennit elintarviketeollisuuteen
Tuoteuutiset

CONTA-CLIP - FDA-yhteensopivat kaapeliläpivientiratkaisut elintarviketeollisuuteen

CONTA-CLIP tarjoaa elintarviketeollisuuden vaatimuksiin suunniteltuja kaapeliläpivientiratkaisuja, jotka on valmistettu FDA-yhteensopivista materiaaleista.

Makersan mekatroniikka-tuotteet ajoneuvoihin
Yleistä

Makersan: älykkäitä ratkaisuja ajoneuvoteollisuuteen

Olemme aloittaneet yhteistyön turkkilaisen Makersanin kanssa! Makersanin tuotevalikoima koostuu mekatroniikan komponenteista, jotka voidaan integroida osaksi ajoneuvojen järjestelmiä.

Suosikit Tilausnumero: a C C1 C2 D1 D2 dw Dynaaminen aksiaalikuorma Dynaaminen radiaalikuorma Fw Max. RPM voitelu Paino Staattinen aksiaalikuorma Staattinen radiaalikuorma Ulkomitta D Öljy Hinta
23,7 mm
23 mm
9 mm
6,5 mm
28 mm
15 mm
12900 kN
8250 kN
15 mm
2800 rpm
0,048 kg
28600 kN
10200 kN
24 mm
11000 rpm
23,7 mm
23 mm
9 mm
6,5 mm
29 mm
15 mm
12900 kN
8250 kN
15 mm
2800 rpm
0,052 kg
28600 kN
10200 kN
24 mm
11000 rpm
25,7 mm
28 mm
9 mm
8 mm
30 mm
17 mm
13400 kN
10400 kN
17 mm
2500 rpm
0,05 kg
31000 kN
14400 kN
26 mm
10000 rpm
25,7 mm
28 mm
9 mm
8 mm
31 mm
17 mm
13400 kN
10400 kN
17 mm
2500 rpm
0,053 kg
31000 kN
14400 kN
26 mm
10000 rpm
30,7 mm
30 mm
10 mm
10,5 mm
35 mm
20 mm
20200 kN
16400 kN
20 mm
2100 rpm
0,09 kg
46500 kN
27100 kN
30 mm
8500 rpm
30,7 mm
30 mm
10 mm
10,5 mm
36 mm
20 mm
20200 kN
16400 kN
20 mm
2100 rpm
0,095 kg
46500 kN
27100 kN
30 mm
8500 rpm
37,7 mm
37 mm
11 mm
9,5 mm
42 mm
25 mm
27300 kN
14200 kN
25 mm
1800 rpm
0,128 kg
68000 kN
24000 kN
37 mm
7000 rpm
37,7 mm
37 mm
11 mm
9,5 mm
43 mm
25 mm
27300 kN
14200 kN
25 mm
1800 rpm
0,135 kg
68000 kN
24000 kN
37 mm
7000 rpm
42,7 mm
42 mm
11 mm
9,5 mm
47 mm
30 mm
27800 kN
22300 kN
30 mm
1500 rpm
0,162 kg
72500 kN
39500 kN
42 mm
6000 rpm
42,7 mm
42 mm
11 mm
9,5 mm
48 mm
30 mm
27800 kN
22300 kN
30 mm
1500 rpm
0,169 kg
72500 kN
39500 kN
42 mm
6000 rpm
47,7 mm
47 mm
12 mm
9 mm
52 mm
35 mm
31000 kN
20000 kN
35 mm
1400 rpm
0,184 kg
87000 kN
36000 kN
47 mm
5500 rpm
47,7 mm
47 mm
12 mm
9 mm
53 mm
35 mm
31000 kN
20000 kN
35 mm
1400 rpm
0,195 kg
87000 kN
36000 kN
47 mm
5500 rpm
55,7 mm
52 mm
13 mm
10 mm
60 mm
40 mm
43000 kN
25900 kN
40 mm
1200 rpm
0,226 kg
121000 kN
52500 kN
52 mm
4800 rpm
55,7 mm
52 mm
13 mm
10 mm
61 mm
40 mm
43000 kN
25900 kN
40 mm
1200 rpm
0,237 kg
121000 kN
52500 kN
52 mm
4800 rpm
60,5 mm
58 mm
14 mm
9 mm
65 mm
45 mm
45500 kN
27600 kN
45 mm
1100 rpm
0,267 kg
135000 kN
59000 kN
58 mm
4400 rpm
60,5 mm
58 mm
14 mm
9 mm
66,5 mm
45 mm
45500 kN
27600 kN
45 mm
1100 rpm
0,286 kg
135000 kN
59000 kN
58 mm
4400 rpm
65,5 mm
62 mm
14 mm
10 mm
70 mm
50 mm
48000 kN
27900 kN
50 mm
1000 rpm
0,309 kg
150000 kN
62000 kN
62 mm
4000 rpm
65,5 mm
62 mm
14 mm
10 mm
71,5 mm
50 mm
48000 kN
27900 kN
50 mm
1000 rpm
0,329 kg
150000 kN
62000 kN
62 mm
4000 rpm

Valittu tuote

Valitse tuote listalta.

Teknisiä neuvoja

Mikko Railonvirta

Tuotepäällikkö

Asiakaspalvelu
Asiakaspalvelumme vastaa kysymyksiin ja etsii ratkaisut ongelmiin. Heille voit jättää myös tilauksesi.
FAQ
+ Miten tullaan asiakkaaksenne?
+ Olen sopinut puskurivarastosta, voinko tilata verkkokaupan kautta?
+ Voiko samalla tilillä olla useita käyttäjiä?
+ Voiko samassa tilauksessa olla useampia toimituspäiviä?
+ Voiko tilauksen toimittaa väliaikaiseen toimitusosoitteeseen?
Chatti
Tarvitsetko apua?
Logo

Evästeet oem.fi sivustolla

Evästeiden avulla voimme palvella sinua paremmin ja varmistamme sivuston sujuvan toiminnan. Voit hallinnoida evästeasetuksia koska tahansa.

Toiminnalliset evästeet

Nämä evästeet ovat välttämättömiä verkkosivuston toimimiseksi, eikä niitä voi poistaa käytöstä järjestelmissämme. Niitä käytetään yleensä vain vastauksena toimiin, jotka olet tehnyt palvelupyynnön yhteydessä, esimerkiksi henkilökohtaisten asetusten määrittämisen, kirjautumisen tai lomakkeen täyttämisen yhteydessä.

Tilastolliset evästeet

Tilastollisten evästeiden avulla seuraamme verkkosivustomme kävijöiden toimintaa ja teemme analyyseja, joiden avulla voimme optimoida verkkosivustoamme. Tämä tarkoittaa, että voimme kehittää sivustoamme toimivammaksi ja palvelemaan kävijöitä paremmin. Jos et hyväksy näitä evästeitä, emme tiedä, milloin olet käynyt sivustollamme. Voit kuitenkin käyttää sivustoamme normaalisti.

Markkinointievästeet

Markkinointievästeiden avulla voimme kohdentaa sinulle mainoksia eri verkkosivustoilla tai sisältöä sosiaalisessa mediassa. Näitä evästeitä asettavat kolmannen osapuolen mainonta- ja kohdistustyökalut. Evästeiden kautta nämä toimijat voivat muodostaa profiilin kiinnostuksesi kohteista. Jos et hyväksy näitä evästeitä, et näe kohdennettua markkinointia etkä mahdollisesti voi käyttää sosiaalisen median jakotyökaluja.