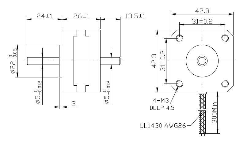
| Askelkulma | 1,8 ° |
|---|---|
| Etulaippa | 42x42 |
| Hitausmomentti | 20 g.cm² |
| Induktanssi | 30 mH |
| Paino | 0,15 kg |
| Pitomomentti | 0,1667 |
|---|---|
| Pituus | 25 mm |
| Vaihevirta | 0,4 A |
| Vastus | 24 Ω |
Hybridimoottorieita on saatavana vakiona Nema-standardin mukaisilla laipoilla. Suurin osa mitoista on alun perin tuuma mittoja. Tyypillisiä sovelluksia ovat tulostimet, lääketieteelliset analyysivälineet, radiotukiasemat,
teollisuusautomaatio jne.
Ylitäytetyt energiansiirtoketjut ovat yleinen näky monissa teollisuuden sovelluksissa. Tutustu artikkelissa, mitä haittoja tästä aiheutuu.
iguksen ainutlaatuinen DNV GL -hyväksyntäjärjestelmä elektroniikkakaapeleille tarjoaa käyttäjälle monenlaisia etuja.
Kaapeleiden valmistuksessa on olemassa useampia erilaisia tapoja jolla jolla johtimet kierretään. Datakaapeleiden valmistuksessa käytetään kolme erilaista tapaa : kerroksittain kierretyt johtimet, parikierretyt johtimet (twisted pair) sekä nelikierre (star-quad).
Olemme mukana Pohjoinen Teollisuus -messuilla! Tule juttelemaan ja tutustumaan uutuuksiin osastolle 849!
Tutustu koneturvallisuuden keskeisiin komponentteihin, kuten turva-aitoihin, valoverhoihin ja turvalaserskannereihin. Löydä oikeat ratkaisut meiltä!
Mikä oikeastaan on servo- ja moottorikaapelin välinen ero? Voiko servokaapelia käyttää tavallisen kolmivaihemoottorin liittämiseen?
|
|
|
|
|
|
||
|---|---|---|---|---|---|---|
|
|
|
|
|
|
||
|
|
|
|
|
|
||
|
|
|
|
|
|
||
|
|
|
|
|
|
||
|
|
|
|
|
|
||
|
|
|
|
|
|
| Suosikit | Tilausnumero: | Akselin halkaisija | Aksiaalivoima | Eristevastus | Eristysluokka | Etulaippa | Hitausmomentti | Induktanssi | Integroitu ohjaus | IP-luokka | Kaapelien määrä | Kaapelin pituus | Koko | Paino | Pitomomentti | Pituus | Radiaalivoima | Syöttöjännite | Vaiheiden määrä | Vaihevirta | Vastus | Ympäristön lämpötila | Hinta | |
|---|---|---|---|---|---|---|---|---|---|---|---|---|---|---|---|---|---|---|---|---|---|---|---|---|
|
Hybridiaskelmoottori
Tuotenumero:
FL42STH25-0404UEN
Kopioitu!
|
|
|
|
|
42x42
|
20 g.cm²
|
30 mH
|
|
|
|
|
|
0,15 kg
|
0,1667
|
25 mm
|
|
|
|
0,4 A
|
24 Ω
|
|
|
||
|
Hybridiaskelmoottori
Tuotenumero:
FL42STH33-1334UEN
Kopioitu!
|
|
|
|
|
42x42
|
35 g.cm²
|
2,5 mH
|
|
|
|
|
|
0,22 kg
|
0,2157
|
33 mm
|
|
|
|
1,33 A
|
2,1 Ω
|
|
|
||
|
Hybridiaskelmoottori
Tuotenumero:
FL42STH38-1684UEN
Kopioitu!
|
|
|
|
|
42x42
|
54 g.cm²
|
3,2 mH
|
|
|
|
|
|
0,28 kg
|
0,353
|
38 mm
|
|
|
|
1,68 A
|
1,65 Ω
|
|
|
||
|
Hybridiaskelmoottori
Tuotenumero:
FL42STH47-1684UEN
Kopioitu!
|
|
|
|
|
42x42
|
68 g.cm²
|
2,8 mH
|
|
|
|
|
|
0,35 kg
|
0,4315
|
47 mm
|
|
|
|
1,68 A
|
1,65 Ω
|
|
|
||
Hybridiaskelmoottori
Tuotenumero:
FL42STH25-0404A
Kopioitu!
|
5 mm
|
10 N
|
100 MΩ
|
B
|
42x42 mm
|
20 g.cm²
|
30 mH
|
NIE
|
IP30
|
4 kpl
|
300 mm
|
NEMA 17
|
0,15 kg
|
0,17
|
26 mm
|
28 N
|
|
2
|
0,4 A
|
24 Ω
|
od -20°C do +50°C
|
|
||
Hybridiaskelmoottori
Tuotenumero:
FL42STH33-0406A
Kopioitu!
|
5 mm
|
10 N
|
|
|
42x42 mm
|
35 g.cm²
|
15 mH
|
|
|
6 kpl
|
300 mm
|
|
0,22 kg
|
0,16
|
33,5 mm
|
28 N
|
|
2
|
0,4 A
|
24 Ω
|
|
|
||
Hybridiaskelmoottori
Tuotenumero:
FL42STH33-0316A
Kopioitu!
|
5 mm
|
10 N
|
|
|
42x42 mm
|
35 g.cm²
|
21 mH
|
|
|
6 kpl
|
300 mm
|
|
0,22 kg
|
0,16
|
33,5 mm
|
28 N
|
|
2
|
0,31 A
|
38,5 Ω
|
|
|
||
Hybridiaskelmoottori
Tuotenumero:
FL42STH33-1334A
Kopioitu!
|
5 mm
|
10 N
|
100 MΩ
|
B
|
42x42 mm
|
35 g.cm²
|
2,5 mH
|
NIE
|
IP30
|
4 kpl
|
300 mm
|
NEMA 17
|
0,22 kg
|
0,22
|
33,5 mm
|
28 N
|
|
2
|
1,33 A
|
2,1 Ω
|
od -20°C do +50°C
|
|
||
Hybridiaskelmoottori
Tuotenumero:
FL42STH38-1206A
Kopioitu!
|
5 mm
|
10 N
|
100 MΩ
|
B
|
42x42 mm
|
54 g.cm²
|
3,2 mH
|
NIE
|
IP30
|
6 kpl
|
300 mm
|
NEMA 17
|
0,28 kg
|
0,26
|
39,5 mm
|
28 N
|
|
2
|
1,2 A
|
3,3 Ω
|
od -20°C do +50°C
|
|
||
Hybridiaskelmoottori
Tuotenumero:
FL42STH38-0806A
Kopioitu!
|
5 mm
|
10 N
|
|
|
42x42
|
54 g.cm²
|
6,7 mH
|
|
|
6 kpl
|
300 mm
|
|
0,28 kg
|
0,255
|
39,5 mm
|
28 N
|
6 V DC
|
2
|
0,8 A
|
7,5 Ω
|
|
|
||
Hybridiaskelmoottori
Tuotenumero:
FL42STH38-1684A
Kopioitu!
|
5 mm
|
10 N
|
100 MΩ
|
B
|
42x42 mm
|
54 g.cm²
|
3,2 mH
|
NIE
|
IP30
|
4 kpl
|
300 mm
|
NEMA 17
|
0,28 kg
|
0,36
|
39,5 mm
|
28 N
|
|
2
|
1,68 A
|
1,65 Ω
|
od -20°C do +50°C
|
|
||
Hybridiaskelmoottori
Tuotenumero:
FL42STH47-1206A
Kopioitu!
|
5 mm
|
10 N
|
100 MΩ
|
B
|
42x42 mm
|
68 g.cm²
|
2,8 mH
|
NIE
|
IP30
|
6 kpl
|
300 mm
|
NEMA 17
|
0,35 kg
|
0,317
|
47,5 mm
|
28 N
|
|
2
|
1,2 A
|
3,3 Ω
|
od -20°C do +50°C
|
|
||
Hybridiaskelmoottori
Tuotenumero:
FL42STH47-0806A
Kopioitu!
|
5 mm
|
10 N
|
|
|
42x42
|
68 g.cm²
|
6,3 mH
|
|
|
6 kpl
|
300 mm
|
|
0,35 kg
|
0,31087
|
47,5 mm
|
28 N
|
6 V DC
|
2
|
0,8 A
|
7,5 Ω
|
|
|
||
Hybridiaskelmoottori
Tuotenumero:
FL42STH47-0406A
Kopioitu!
|
5 mm
|
10 N
|
|
|
42x42
|
68 g.cm²
|
25 mH
|
|
|
6 kpl
|
300 mm
|
|
0,35 kg
|
0,31087
|
47,5 mm
|
28 N
|
12 V DC
|
2
|
0,4 A
|
30 Ω
|
|
|
||
Hybridiaskelmoottori
Tuotenumero:
FL42STH47-1684A
Kopioitu!
|
5 mm
|
10 N
|
100 MΩ
|
B
|
42x42 mm
|
68 g.cm²
|
2,8 mH
|
NIE
|
IP30
|
4 kpl
|
300 mm
|
NEMA 17
|
0,35 kg
|
0,44
|
47,5 mm
|
28 N
|
|
2
|
1,68 A
|
1,65 Ω
|
od -20°C do +50°C
|
|
||
Hybridiaskelmoottori
Tuotenumero:
FL42STH60-1206A
Kopioitu!
|
5 mm
|
10 N
|
100 MΩ
|
B
|
42x42 mm
|
102 g.cm²
|
7 mH
|
NIE
|
IP30
|
6 kpl
|
300 mm
|
NEMA 17
|
0,5 kg
|
0,56
|
60 mm
|
28 N
|
|
2
|
1,2 A
|
6 Ω
|
od -20°C do +50°C
|
|
Valitse tuote listalta.