TESCOM

44-5800-sarjan paineensäädin

Höyrystävä

Höyrystävä, sähkötoiminen, jousikuormitteinen, kalvotoiminen
  • Max. sisääntulopaine: 414 bar
  • Max. ulostulopaine: 34 5
  • Maximi lämpötila: 65°C
  • CV: 0.02
  • Vuototestaus: Kuplatiivis, Kalvo 2x10-8 atm cc/sec He

Valitse tuote

44-5800-sarjan paineensäädin

44-5800-sarja

Tuotenumero:

Valitse tuote

Tekniset tiedot

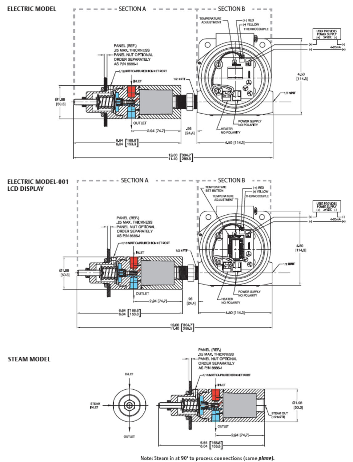
Mitat ja kytkennät

Tekniset kuvat

Tuotekuvaus

TESCOM 44-5800 -sarja tarjoaa edistyksellistä lämmönsiirtoteknologiaa. Säädin kestää hyvin jännitepiikkejä ja korkeita ympäristön lämpötiloja, ja se on suunniteltu maailmanlaajuiseen käyttöön.

Tyypillisiä käyttökohteita ovat nestekaasuanalysaattorit, petrokemiallisten prosessien ja jalostamojen analysaattorit sekä näytteenottolaitteistot.

Säätimen edut ja ominaisuudet: Suunniteltu maailmanlaajuiseen käyttöön: toimii jännitteillä 115/230V AC, 50/60 Hz.
4–20 mA analogialähtö etälämpötilan valvontaan ja datankeruuseen.
Valinnainen LCD-lämpötilanäyttö.
Valinnainen paneeliasennus.
Edistynyt lämmönsiirtoteknologia.
Yksikierroksinen lämpötilansäätönuppi lämmittimelle.
Sertifioitu CSA-, ATEX- ja IECEX-standardein (T3-luokitus, 200 °C – ei koske höyryversiota).
NACE MR0175 / ISO 15156 -yhteensopiva.

Tarvikkeet



Äänitiedostot

Lisää luettavaa

Teknisiä neuvoja

Heikki Kekäläinen

Tuotealuepäällikkö

Asiakaspalvelu
Asiakaspalvelumme vastaa kysymyksiin ja etsii ratkaisut ongelmiin. Heille voit jättää myös tilauksesi.
FAQ
+ Miten tullaan asiakkaaksenne?
+ Olen sopinut puskurivarastosta, voinko tilata verkkokaupan kautta?
+ Voiko samalla tilillä olla useita käyttäjiä?
+ Voiko samassa tilauksessa olla useampia toimituspäiviä?
+ Voiko tilauksen toimittaa väliaikaiseen toimitusosoitteeseen?
Chatti
Tarvitsetko apua?
Logo

Evästeet oem.fi sivustolla

Evästeiden avulla voimme palvella sinua paremmin ja varmistamme sivuston sujuvan toiminnan. Voit hallinnoida evästeasetuksia koska tahansa.

Toiminnalliset evästeet

Nämä evästeet ovat välttämättömiä verkkosivuston toimimiseksi, eikä niitä voi poistaa käytöstä järjestelmissämme. Niitä käytetään yleensä vain vastauksena toimiin, jotka olet tehnyt palvelupyynnön yhteydessä, esimerkiksi henkilökohtaisten asetusten määrittämisen, kirjautumisen tai lomakkeen täyttämisen yhteydessä.

Tilastolliset evästeet

Tilastollisten evästeiden avulla seuraamme verkkosivustomme kävijöiden toimintaa ja teemme analyyseja, joiden avulla voimme optimoida verkkosivustoamme. Tämä tarkoittaa, että voimme kehittää sivustoamme toimivammaksi ja palvelemaan kävijöitä paremmin. Jos et hyväksy näitä evästeitä, emme tiedä, milloin olet käynyt sivustollamme. Voit kuitenkin käyttää sivustoamme normaalisti.

Markkinointievästeet

Markkinointievästeiden avulla voimme kohdentaa sinulle mainoksia eri verkkosivustoilla tai sisältöä sosiaalisessa mediassa. Näitä evästeitä asettavat kolmannen osapuolen mainonta- ja kohdistustyökalut. Evästeiden kautta nämä toimijat voivat muodostaa profiilin kiinnostuksesi kohteista. Jos et hyväksy näitä evästeitä, et näe kohdennettua markkinointia etkä mahdollisesti voi käyttää sosiaalisen median jakotyökaluja.