ESI
| Aineen kanssa kosketuksissa olevien osien materiaali | Titaaniseos |
|---|---|
| EMC | EN61326-1, EN61326-2-3 |
| Hyväksynnät | CE |
| Käyttöjännite | 5 V DC USB |
| Liitäntätyyppi | USB mini B -liitin |
| Lineaarisuus | ≤±0.15% BFSL |
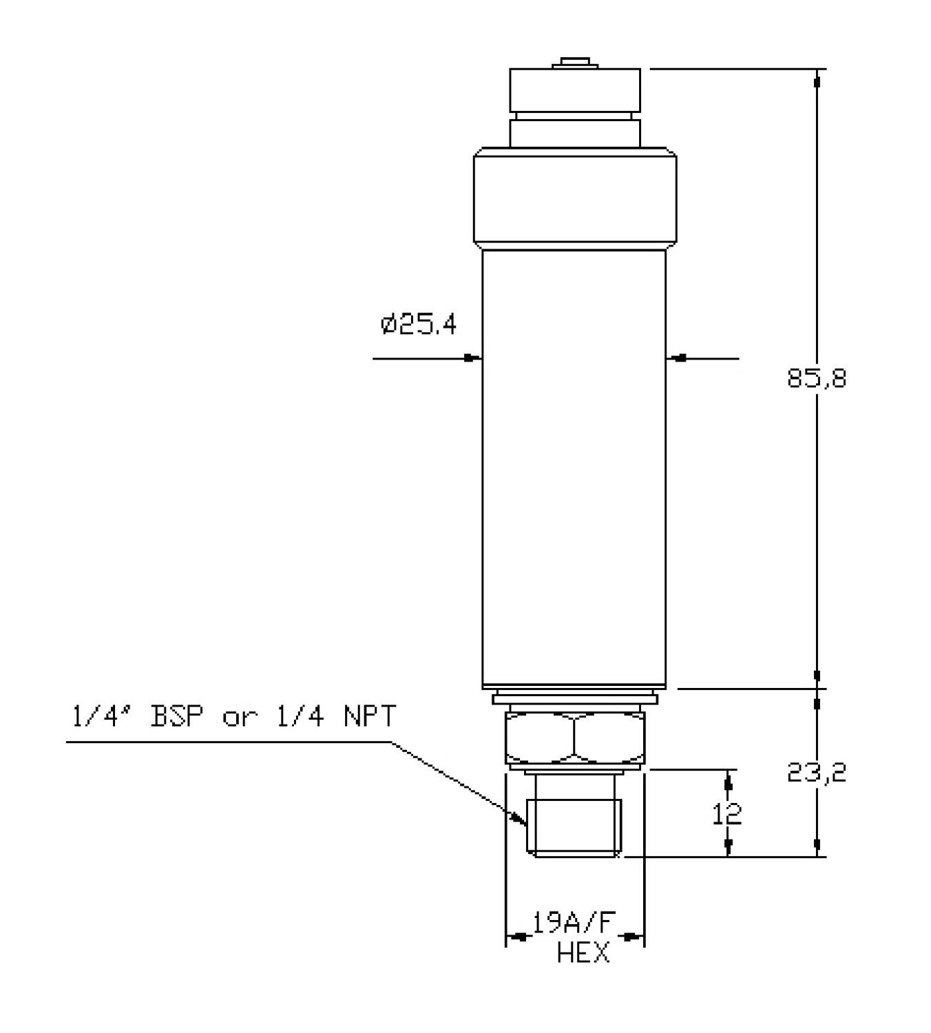
| Max. paine | 16 bar |
| Media temperature | -50..125°C |
|---|---|
| Min. painealue | 0 bar |
| Paineliitäntä | G1/4 |
| Ulostulo | USB 2.0 |
| Varastointilämpötila | 5..40°C |
| Ympäristön lämpötila | -20..85°C |
ESI Technology GS4200-USB ja GD4200-USB digitaaliset paineanturit on suunniteltu mittaamaan, analysoimaan ja tallentamaan painetta suoraan tietokoneeseen ilman tarvetta kalliille I/O liitännöille.
Samanaikaisesti voidaan liittää jopa 16 anturia, joita voi luoda muokattavan mittauspöytäkirjan ja siirtää tiedot excel taulukkoon.
Anturi saa käyttöjännitteensä suoraa USB portista (2 m kaapeli sisältyy) ja data on luettavissa reaaliaikaisesti tietokoneelta Windows yhteensopivalla ohjelmistolla (sisältyy) tai ohjelman LabView kanssa.
Anturissa on sisäänrakennettu lämpötila-anturi, jonka mittaus on yhtäaikaa nähtävissä paineen mittauksen kanssa. Mittausintervalli on ohjelmasta asetettavissa. GS4200-USB anturi pystyy parhaimmillaan viiteen mittaukseen sekunissa ja GD4200-USB jopa tuhanteen mittaukseen sekunissa. GD anturi onkin erinomainen työkalu havaitsemaan nopeita painepiikkejä.
Anturilla voidaan mitata eri yksiköitä, kuten bar, psim mbar ja MPa.
Mittausalueita löytyy alkaen -1..2,5 bar aina korkeisiin jopa 5000 bar asti.
WIKA:n painemittarit ja painelähettimet tarjoavat luotettavat ratkaisut hygieniavaatimuksiltaan korkeisiin tiloihin, joissa laatuvaatimukset ovat erittäin tiukat. Lue lisää!
Maailman johtava mekaanisten painekytkimien valmistaja SUCO on laajentanut tuotevalikoimaansa entisestään uusilla paineantureilla. Valikoimasta löytyy monenlaista paineanturia sovelluksen ja mitattavan aineen mukaan.
Anturivalmistaja ESI:n uusin, edeltäjäänsä nopeampi, USB-paineanturi.
iguksen ainutlaatuinen DNV GL -hyväksyntäjärjestelmä elektroniikkakaapeleille tarjoaa käyttäjälle monenlaisia etuja.
Kaapeleiden valmistuksessa on olemassa useampia erilaisia tapoja jolla jolla johtimet kierretään. Datakaapeleiden valmistuksessa käytetään kolme erilaista tapaa : kerroksittain kierretyt johtimet, parikierretyt johtimet (twisted pair) sekä nelikierre (star-quad).
Olemme mukana Pohjoinen Teollisuus -messuilla! Tule juttelemaan ja tutustumaan uutuuksiin osastolle 849!
|
|
|
|
|
|
||
|---|---|---|---|---|---|---|
|
|
|
|
|
|
||
|
|
|
|
|
|
||
|
|
|
|
|
|
||
|
|
|
|
|
|
||
|
|
|
|
|
|
||
|
|
|
|
|
|
| Suosikit | Tilausnumero: | Max. paine | Min. painealue | Paineliitäntä | Hinta | |
|---|---|---|---|---|---|---|
|
Paineanturi 0..16bar, G1/4, USB, 1000Hz
Tuotenumero:
GD4200-USB0016AB
Kopioitu!
|
16 bar
|
0 bar
|
G1/4
|
|
||
|
Paineanturi 0..100bar, G1/4, USB, 1000Hz
Tuotenumero:
GD4200-USB0100AB
Kopioitu!
|
100 bar
|
0 bar
|
G1/4
|
|
||
|
Paineanturi -1..2,5bar, G1/4, USB, 1000Hz
Tuotenumero:
GD4200-USB02.5AB
Kopioitu!
|
2,5 bar
|
-1 bar
|
G1/4
|
|
||
|
Paineanturi 0..400bar, G1/4, USB, 1000Hz
Tuotenumero:
GD4200-USB0400AB
Kopioitu!
|
400 bar
|
0 bar
|
G1/4
|
|
||
|
Paineanturi 0..1500bar, G1/4, USB, 1000Hz
Tuotenumero:
GD4200-USB1500AB
Kopioitu!
|
1500 bar
|
0 bar
|
G1/4
|
|
||
|
Paineanturi 0..1500bar, F250-C, USB, 1000Hz
Tuotenumero:
GD4200-USB1500DE
Kopioitu!
|
1500 bar
|
0 bar
|
Autoclave F-250-C naaras
|
|
||
|
Paineanturi 0..2000bar, F250-C, USB, 1000Hz
Tuotenumero:
GD4200-USB2000DE
Kopioitu!
|
2000 bar
|
0 bar
|
Autoclave F-250-C naaras
|
|
||
|
Paineanturi 0..4000bar, F250-C, USB, 1000Hz
Tuotenumero:
GD4200-USB4000DE
Kopioitu!
|
4000 bar
|
0 bar
|
Autoclave F-250-C naaras
|
|
||
|
Paineanturi 0..5000bar, F250-C, USB, 1000Hz
Tuotenumero:
GD4200-USB5000DE
Kopioitu!
|
5000 bar
|
0 bar
|
Autoclave F-250-C naaras
|
|
||
|
Paineanturi -1..2,5bar, G1/4, USB
Tuotenumero:
GS4200-USB02.5AB
Kopioitu!
|
2,5 bar
|
-1 bar
|
G1/4
|
|
||
|
Paineanturi 0..16bar, G1/4, USB
Tuotenumero:
GS4200-USB0016AB
Kopioitu!
|
16 bar
|
0 bar
|
G1/4
|
|
||
|
Paineanturi 0..100bar, G1/4, USB
Tuotenumero:
GS4200-USB0100AB
Kopioitu!
|
100 bar
|
0 bar
|
G1/4
|
|
||
|
Paineanturi 0..400bar, G1/4, USB
Tuotenumero:
GS4200-USB0400AB
Kopioitu!
|
400 bar
|
0 bar
|
G1/4
|
|
||
|
Paineanturi 0..1500bar, G1/4, USB
Tuotenumero:
GS4200-USB1500AB
Kopioitu!
|
1500 bar
|
0 bar
|
G1/4
|
|
||
|
Paineanturi 0..2000bar, F250-C, USB
Tuotenumero:
GS4200-USB2000DE
Kopioitu!
|
2000 bar
|
0 bar
|
Autoclave F-250-C naaras
|
|
||
|
Paineanturi 0..4000bar, F250-C, USB
Tuotenumero:
GS4200-USB4000DE
Kopioitu!
|
4000 bar
|
0 bar
|
Autoclave F-250-C naaras
|
|
Valitse tuote listalta.