| Aineen kanssa kosketuksissa olevien osien materiaali | Ruostumaton teräs 316L |
|---|---|
| Hyväksynnät | RoHS, UL |
| IP-luokka | IP65 |
| Kytkinkotelon materiaali | Ruostumaton teräs |
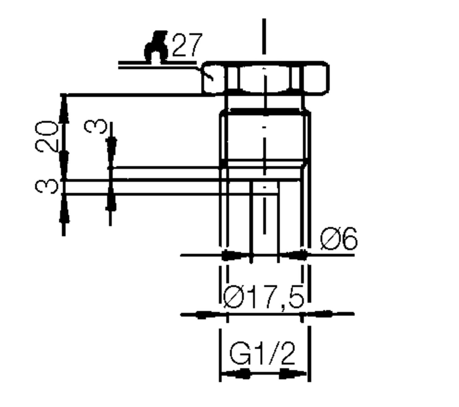
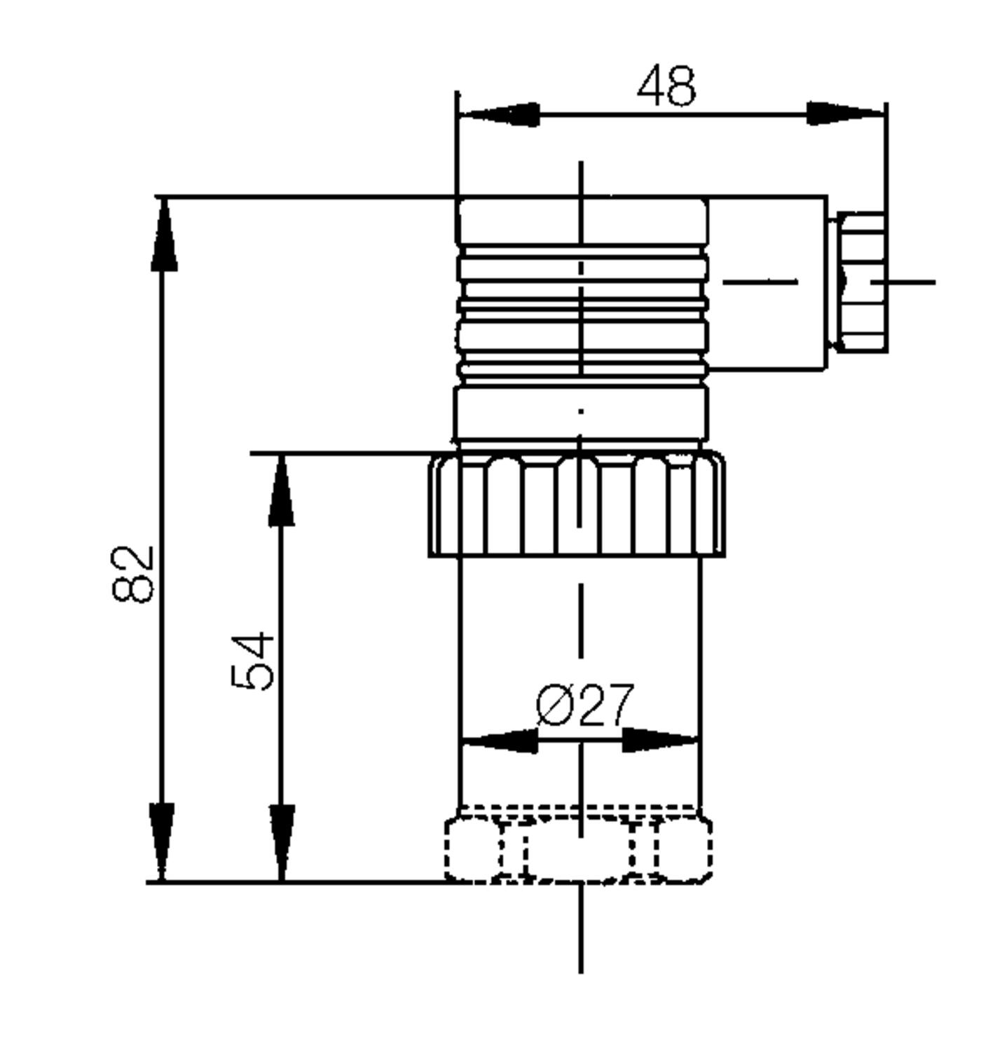
| Liitäntä | G1/2" |
| Liitäntäkierre | Ulkoinen |
| Max. käyttölämpötila | 100 °C |
| Max. paine | 0 bar |
| Max. syöttöjännite DC | 35 V DC |
|---|---|
| Min. käyttölämpötila | -30 °C |
| Min. painealue | -1 bar |
| Min. syöttöjännite DC | 8 V DC |
| Paino | 80 g |
| Signaalityyppi | 4-20 mA |
S-20-sarjan paineanturien laaja vaihtoehtovalikoima tekee siitä erinomaisen ratkaisun vaativiin sovelluksiin, joissa tarkkuus, kestävyys ja luotettavuus ovat ensisijaisia vaatimuksia. Paineantureista on saatavilla useita liitin-, signaali- ja liitäntäkierrevaihtoehtoja sekä laaja valikoima eri painealueille sopivia malleja. Tämä mahdollistaa paineanturin mukauttamisen tarkasti kohteen vaatimusten mukaan.
Verkkokaupassamme on saatavilla yleisimmät paineanturi mallit, mutta jos tarvitset räätälöidyn ratkaisun, voit pyytää tarjouksen haluamillasi teknisillä määrittelyillä.
WIKA:n painemittarit ja painelähettimet tarjoavat luotettavat ratkaisut hygieniavaatimuksiltaan korkeisiin tiloihin, joissa laatuvaatimukset ovat erittäin tiukat. Lue lisää!
Maailman johtava mekaanisten painekytkimien valmistaja SUCO on laajentanut tuotevalikoimaansa entisestään uusilla paineantureilla. Valikoimasta löytyy monenlaista paineanturia sovelluksen ja mitattavan aineen mukaan.
Anturivalmistaja ESI:n uusin, edeltäjäänsä nopeampi, USB-paineanturi.
iguksen ainutlaatuinen DNV GL -hyväksyntäjärjestelmä elektroniikkakaapeleille tarjoaa käyttäjälle monenlaisia etuja.
Kaapeleiden valmistuksessa on olemassa useampia erilaisia tapoja jolla jolla johtimet kierretään. Datakaapeleiden valmistuksessa käytetään kolme erilaista tapaa : kerroksittain kierretyt johtimet, parikierretyt johtimet (twisted pair) sekä nelikierre (star-quad).
Olemme mukana Pohjoinen Teollisuus -messuilla! Tule juttelemaan ja tutustumaan uutuuksiin osastolle 849!
|
|
|
|
|
|
||
|---|---|---|---|---|---|---|
|
|
|
|
|
|
||
|
|
|
|
|
|
||
|
|
|
|
|
|
||
|
|
|
|
|
|
||
|
|
|
|
|
|
||
|
|
|
|
|
|
| Suosikit | Tilausnumero: | Max. paine | Min. painealue | Min. syöttöjännite DC | Signaalityyppi | Hinta | |
|---|---|---|---|---|---|---|---|
|
Paineanturi -1..0 bar, 4-20mA, G1/2, DIN-A
Tuotenumero:
S20-14071123
Kopioitu!
|
0 bar
|
-1 bar
|
8 V DC
|
4-20 mA
|
|
||
|
Paineanturi -1..0,6 bar, 0-10V, G1/4, DIN-A
Tuotenumero:
S20-14295604
Kopioitu!
|
0,6 bar
|
-1 bar
|
12 V DC
|
0-10 V
|
|
||
|
Paineanturi -1..1,5 bar, 4-20mA, G1/2, DIN-A
Tuotenumero:
S20-43934421
Kopioitu!
|
1,5 bar
|
-1 bar
|
8 V DC
|
4-20 mA
|
|
||
|
Paineanturi -1..5 bar, 4-20mA, G1/2, DIN-A
Tuotenumero:
S20-30716683
Kopioitu!
|
5 bar
|
-1 bar
|
8 V DC
|
4-20 mA
|
|
||
|
Paineanturi -0,6..0 bar, 4-20mA, G1/2, DIN-A
Tuotenumero:
S20-14112487
Kopioitu!
|
0 bar
|
-0,6 bar
|
8 V DC
|
4-20 mA
|
|
||
|
Paineanturi 0..0,4 bar, 4-20mA, G1/2, DIN-A
Tuotenumero:
S20-14071126
Kopioitu!
|
0,4 bar
|
0 bar
|
8 V DC
|
4-20 mA
|
|
||
|
Paineanturi 0..0,6 bar, 4-20mA, G1/2, DIN-A
Tuotenumero:
S20-14071128
Kopioitu!
|
0,6 bar
|
0 bar
|
8 V DC
|
4-20 mA
|
|
||
|
Paineanturi 0..1 bar, 4-20mA, G1/2, DIN-A
Tuotenumero:
S20-14071133
Kopioitu!
|
1 bar
|
0 bar
|
8 V DC
|
4-20 mA
|
|
||
|
Paineanturi 0..1 bar, 4-20mA, G1/2, DIN-A
Tuotenumero:
S20-45729529
Kopioitu!
|
1 bar
|
0 bar
|
8 V DC
|
4-20 mA
|
|
||
|
Paineanturi 0..1,6 bar, 4-20mA, G1/2, DIN-A
Tuotenumero:
S20-14071134
Kopioitu!
|
1,6 bar
|
0 bar
|
8 V DC
|
4-20 mA
|
|
||
|
Paineanturi 0..1,6 bar, 4-20mA, G1/2, DIN-A
Tuotenumero:
S20-45729344
Kopioitu!
|
1,6 bar
|
0 bar
|
8 V DC
|
4-20 mA
|
|
||
|
Paineanturi 0..10 bar abs, 4-20mA, G1/2, DIN-A
Tuotenumero:
S20-48644405
Kopioitu!
|
10 bar
|
0 bar
|
8 V DC
|
4-20 mA
|
|
||
|
Paineanturi 0..10 bar, 0-10V, G1/2, DIN-A
Tuotenumero:
S20-14071203
Kopioitu!
|
10 bar
|
0 bar
|
12 V DC
|
0-10 V
|
|
||
|
Paineanturi 0..10 bar, 4-20mA, G1/2, DIN-A
Tuotenumero:
S20-14071141
Kopioitu!
|
10 bar
|
0 bar
|
8 V DC
|
4-20 mA
|
|
||
|
Paineanturi 0..100 bar, 0-10V, G1/2, DIN-A
Tuotenumero:
S20-14071208
Kopioitu!
|
100 bar
|
0 bar
|
12 V DC
|
0-10 V
|
|
||
|
Paineanturi 0..100 bar, 4-20mA, G1/2, DIN-A
Tuotenumero:
S20-14071148
Kopioitu!
|
100 bar
|
0 bar
|
8 V DC
|
4-20 mA
|
|
||
|
Paineanturi 0..1000 bar, 4-20mA, G1/2, DIN-A
Tuotenumero:
S20-14071157
Kopioitu!
|
1000 bar
|
0 bar
|
8 V DC
|
4-20 mA
|
|
||
|
Paineanturi 0..16 bar, 0-10V, G1/2, DIN-A
Tuotenumero:
S20-14071204
Kopioitu!
|
16 bar
|
0 bar
|
12 V DC
|
0-10 V
|
|
||
|
Paineanturi 0..16 bar, 4-20mA, G1/2, DIN-A
Tuotenumero:
S20-14071142
Kopioitu!
|
16 bar
|
0 bar
|
8 V DC
|
4-20 mA
|
|
||
|
Paineanturi 0..160 bar, 0-10V, G1/2, DIN-A
Tuotenumero:
S20-14071209
Kopioitu!
|
160 bar
|
0 bar
|
12 V DC
|
0-10 V
|
|
||
|
Paineanturi 0..160 bar, 4-20mA, G1/2, DIN-A
Tuotenumero:
S20-14071149
Kopioitu!
|
160 bar
|
0 bar
|
8 V DC
|
4-20 mA
|
|
||
|
Paineanturi 0..1600 bar, 0-10V, G1/2, DIN-A
Tuotenumero:
S20-14088716
Kopioitu!
|
1600 bar
|
0 bar
|
12 V DC
|
0-10 V
|
|
||
|
Paineanturi 0..1600 bar, 4-20mA, G1/2, DIN-A
Tuotenumero:
S20-14085666
Kopioitu!
|
1600 bar
|
0 bar
|
8 V DC
|
4-20 mA
|
|
||
|
Paineanturi 0..2,5 bar, 4-20mA, G1/2, DIN-A
Tuotenumero:
S20-14071135
Kopioitu!
|
2,5 bar
|
0 bar
|
8 V DC
|
4-20 mA
|
|
||
|
Paineanturi 0..25 bar, 4-20mA, G1/2, DIN-A
Tuotenumero:
S20-14071144
Kopioitu!
|
25 bar
|
0 bar
|
8 V DC
|
4-20 mA
|
|
||
|
Paineanturi 0..250 bar, 0-10V, G1/2, DIN-A
Tuotenumero:
S20-14071210
Kopioitu!
|
250 bar
|
0 bar
|
12 V DC
|
0-10 V
|
|
||
|
Paineanturi 0..250 bar, 4-20mA, G1/2, DIN-A
Tuotenumero:
S20-14071151
Kopioitu!
|
250 bar
|
0 bar
|
8 V DC
|
4-20 mA
|
|
||
|
Paineanturi 0..250 bar, 4-20mA, G1/2, DIN-A
Tuotenumero:
S20-74064622
Kopioitu!
|
250 bar
|
0 bar
|
8 V DC
|
4-20 mA
|
|
||
|
Paineanturi 0..4 bar abs, 4-20mA, G1/2, DIN-A
Tuotenumero:
S20-68101597
Kopioitu!
|
4 bar
|
0 bar
|
8 V DC
|
4-20 mA
|
|
||
|
Paineanturi 0..4 bar, 4-20mA, G1/2, DIN-A
Tuotenumero:
S20-14071137
Kopioitu!
|
4 bar
|
0 bar
|
8 V DC
|
4-20 mA
|
|
||
|
Paineanturi 0..40 bar, 4-20mA, G1/2, DIN-A
Tuotenumero:
S20-14071145
Kopioitu!
|
40 bar
|
0 bar
|
8 V DC
|
4-20 mA
|
|
||
|
Paineanturi 0..6 bar abs, 0-10V, G1/2, DIN-A
Tuotenumero:
S20-45745476
Kopioitu!
|
6 bar
|
0 bar
|
12 V DC
|
0-10 V
|
|
||
|
Paineanturi 0..6 bar, 4-20mA, G1/2, DIN-A
Tuotenumero:
S20-14071139
Kopioitu!
|
6 bar
|
0 bar
|
8 V DC
|
4-20 mA
|
|
||
|
Paineanturi 0..60 bar, 4-20mA, G1/2, DIN-A
Tuotenumero:
S20-14071146
Kopioitu!
|
60 bar
|
0 bar
|
8 V DC
|
4-20 mA
|
|
||
|
Paineanturi 0..600 bar, 4-20mA, G1/2, DIN-A
Tuotenumero:
S20-14071155
Kopioitu!
|
600 bar
|
0 bar
|
8 V DC
|
4-20 mA
|
|
Valitse tuote listalta.